Appearance
《防火门》GB 12955-2008
🗓️ 住房和城乡建设部 实施时间:2009-01-01
前言
中华人民共和国国家标准
防火门
Fire resistant doorsets
GB 12955-2008
代替GB 12955-1991,GB 14101-1993
发布部门:国家质量监督检验检疫总局
国家标准化管理委员会
发布日期:2008年4月22日
实施日期:2009年1月1日
本标准第5章、第7.2条为强制性条款,其余为推荐性条款。
本标准代替GB 12955-1991《钢质防火门通用技术条件》、GB 14101-1993《木质防火门通用技术条件》。
本标准与GB 12955-1991、GB 14101-1993相比主要变化如下:
——增加了防火门按材质分类的内容(见4.1);
——对防火门的耐火性能分类进行了修改,由原来按甲、乙和丙分类,改为本版按“隔热防火门(A类)”、“部分隔热防火门(B类)”和“非隔热防火门(C类)”分类(GB 12955-1991的4.3、GB 14101-1993的4.1;本版的4.4);
——对防火门用材料的要求更加全面而具体,除金属材料以外的材料,增加了有关材料燃烧性能和材料燃烧烟气毒性的要求(GB 12955-1991和GB 14101-1993的5.1;本版的5.2);
——删去对用作建筑物外门的木质防火门的耐风压变形性能,抗空气渗透性能和抗雨水渗透性能的要求;
——对防火锁的性能要求更为具体(GB 12955-1991的5.1.3、GB 14101-1993的5.1.4;本版的5.3.1);
——对防火合页(铰链)的性能要求更为具体(GB 12955-1991的5.1.3和5.1.4、GB 14101-1993的5.1.4、本版的5.3.2);
——对闭门装置的性能要求更为具体GB 12955-1991的5.1.3、GB 14101-1993的5.1.4;本版的5.3.3);
——对防火玻璃的要求更为具体(GB 12955-1991的5.1.3、GB 14101-1993的5.1.3;本版的5.3.7);
——增加了防火门的门扇质量要求和试验方法(见5.5、6.6);
——增加对门扇宽度方向弯曲度的要求和试验方法(见5.7、6.8.3);
——增加了门扇与门框贴合面间隙的要求和试验方法(见5.8.2.6、6.9.3);
——增加了防火门灵活性的要求和试验方法(见5.9、6.10);
——增加了防火门可靠性的要求和试验方法(见5.10、6.11);
——对防火门的门扇扭曲度试验方法有所改进(GB 14101-1993的6.2;本版的6.8.2);
——增加了门扇与门框的搭接尺寸测量方法(见6.9.1);
——增加了判定准则(见7.2.4);
——增加了规范性附录A(见附录A);
——增加了规范性附录B(见附录B);
——增加了规范性附录C(见附录C);
——增加了规范性附录D(见附录D);
本标准的附录A、附录B、附录C、附录D均为规范性附录。
本标准由中华人民共和国公安部提出。
本标准由全国消防标准化技术委员会建筑构件耐火性能分技术委员会(SAC/TC113/SC8)归口。
本标准负责起草单位:公安部天津消防研究所。
本标准参加起草单位:深圳市蓝盾实业有限公司、沈阳强盾防火门有限公司、深圳鹏基龙电安防股份有限公司、重庆美心·麦森门业有限公司、广东金刚玻璃科技股份有限公司、天津名门防火建材实业有限公司、北京光华安富业门窗有限公司、浙江唐门金属结构有限公司。
本标准主要起草人:赵华利、刘晓慧、黄伟、李博、李希全、王鹏翔、张相会、纪祥安、吕滋立、于洋、夏明宪、张明罡、纪春传、唐俊烈。
本标准所替代标准的历次版本发布情况为:
——GB 12955-1991;
——GB 14101-1993。
请注意本标准的一些内容有可能涉及专利。本标准的发布机构不应承担识别这些专利的责任。
1 范围
本标准规定了防火门的分类、代号与标记、要求、试验方法、检验规则、标志、包装、运输和贮存等内容。
本标准适用于平开式木质、钢质、钢木质防火门和其他材质防火门。其他开启方式的防火门,可参照本标准执行。
2 规范性引用文件
下列文件中的条款通过本标准的引用而成为本标准的条款。凡是注日期的引用文件,其随后所有的修改单(不包括勘误的内容)或修订版均不适用于本标准,然而,鼓励根据本标准达成协议的各方研究是否可使用这些文件的最新版本。凡是不注日期的引用文件,其最新版本适用于本标准。
GB/T 708 冷轧钢板和钢带的尺寸、外形、重量及允许偏差
GB/T 709 热轧钢板和钢带的尺寸、外形、重量及允许偏差
GB/T 2828.1 计数抽样检验程序 第1部分:按接收质量限(AQL)检索的逐批检验抽样计划
GB/T 4823—1995 锯材缺陷(eqv ISO 1029:1974)
GB/T 5823—1986 建筑门窗术语
GB/T 5824 建筑门窗洞口尺寸系列
GB/T 5907—1986 消防基本术语 第一部分
GB/T 6388 运输包装收发货标志
GB/T 7633 门和卷帘的耐火试验方法
GB 8624—2006 建筑材料及制品燃烧性能分级
GB/T 8625—2005 建筑材料难燃性试验方法
GB 9969.1 工业产品使用说明书 总则
GB/T 13306 标牌
GB/T 14436 工业产品保证文件 总则
GB 15763.1 建筑用安全玻璃 防火玻璃
GB 16807 防火膨胀密封件
GB/T 20285—2006 材料产烟毒性危险分级
GA 93 防火门闭门器
JG/T 122—2000 建筑木门、木窗
QB/T 2474 弹子插芯门锁
3 术语和定义
GB/T 5823—1986和GB/T 5907—1986确立的以及下列术语和定义适用于本标准。
3.1
平开式防火门 fire resistant side hung doorsets
由门框、门扇和防火铰链、防火锁等防火五金配件构成的,以铰链为轴垂直于地面,该轴可以沿顺时针或逆时针单一方向旋转以开启或关闭门扇的防火门。
3.2
木质防火门 fire resistant timber doorsets
用难燃木材或难燃木材制品作门框、门扇骨架和门扇面板,门扇内若填充材料,则填充对人体无毒无害的防火隔热材料,并配以防火五金配件所组成的具有一定耐火性能的门。
3.3
钢质防火门 fire resistant steel doorsets
用钢质材料制作门框、门扇骨架和门扇面板,门扇内若填充材料,则填充对人体无毒无害的防火隔热材料,并配以防火五金配件所组成的具有一定耐火性能的门。
3.4
钢木质防火门 fire resistant timber doorsets with steel structure
用钢质和难燃木质材料或难燃木材制品制作门框、门扇骨架、门扇面板,门扇内若填充材料,则填充对人体无毒无害的防火隔热材料,并配以防火五金配件所组成的具有一定耐火性能的门。
3.5
其他材质防火门 other material fire resistant doorsets
采用除钢质、难燃木材或难燃木材制品之外的无机不燃材料或部分采用钢质、难燃木材、难燃木材制品制作门框、门扇骨架和门扇面板,门扇内若填充材料,则填充对人体无毒无害的防火隔热材料,并配以防火五金配件所组成的具有一定耐火性能的门。
3.6
隔热防火门(A类) fully insulated doorsets
在规定时间内,能同时满足耐火完整性和隔热性要求的防火门。
3.7
部分隔热防火门(B类) partially insulated doorsets
在规定大于等于0.50 h内,满足耐火完整性和隔热性要求,在大于0.50 h后所规定的时间内,能满足耐火完整性要求的防火门。
3.8
非隔热防火门(C类) no insulated doorsets
在规定时间内,能满足耐火完整性要求的防火门。
4 分类、代号与标记
4.1 按材质分类及代号
4.1.1 木质防火门,代号:MFM。
4.1.2 钢质防火门,代号:GFM。
4.1.3 钢木质防火门,代号:GMFM。
4.1.4 其他材质防火门,代号:**FM。(**代表其他材质的具体表述大写拼音字母)
4.2 按门扇数量分类及代号
4.2.1 单扇防火门,代号为1。
4.2.2 双扇防火门,代号为2。
4.2.3 多扇防火门(含有两个以上门扇的防火门),代号为门扇数量用数字表示。
4.3 按结构型式分类及代号
4.3.1 门扇上带防火玻璃的防火门,代号为b。
4.3.2 防火门门框:门框双槽口代号为s,单槽口代号为d。
4.3.3 带亮窗防火门,代号为1。
4.3.4 带玻璃带亮窗防火门,代号为b1。
4.3.5 无玻璃防火门,代号略。
4.4 按耐火性能分类及代号
防火门按耐火性能的分类及代号见表1。
表1 按耐火性能分类

4.5 其它代号、标记
4.5.1 其它代号 4.5.1.1 下框代号
有下框的防火门代号为k。
4.5.1.2 平开门门扇关闭方向代号
平开门门扇关闭方向代号见表2。
注:双扇防火门关闭方向代号,以安装锁的门扇关闭方向表示。
表2 平开门门扇关闭方向代号

4.5.2 标记
防火门标记为:

示例1:GFM-0924-bslk5 A1.50(甲级)-1。表示隔热(A类)钢质防火门,其洞口宽度为900mm,洞口高度为2400mm,门扇镶玻璃、门框双槽口、带亮窗、有下框,门扇顺时针方向关闭,耐火完整性和耐火隔热性的时间均不小于1.50h的甲级单扇防火门。
示例2:MFM-1221-d6B1.00-2。表示部分隔热(B类)木质防火门,其洞口宽度为1200mm,洞口高度为2100mm,门扇无玻璃、门框单槽口、无亮窗、无下框门扇逆时针方向关闭,其耐火完整性的时间不小于1.00h、耐火隔热性的时间不小于0.50h的双扇防火门。
4.5.3 规格
防火门规格用洞口尺寸表示,洞口尺寸应符合GB/T 5824的相关规定,特殊洞口尺寸可由生产厂方和使用方按需要协商确定。
5 要求
5.1 一般要求
防火门应符合本标准要求,并按规定程序批准的图样及技术文件制造。
5.2 材料
5.2.1 填充材料
5.2.1.1 防火门的门扇内若填充材料,则应填充对人体无毒无害的防火隔热材料。
5.2.1.2 防火门门扇填充的对人体无毒无害的防火隔热材料,应经国家认可授权检测机构检验达到GB 8624—2006规定燃烧性能A1级要求和GB/T 20285—2006规定产烟毒性危险分级ZA2级要求。
5.2.2 木材
5.2.2.1 防火门所用木材应符合JG/T 122—2000第5.1.1.1条中对Ⅱ(中)级木材的有关材质要求。
5.2.2.2 防火门所用木材应为阻燃木材或采用防火板包裹的复合材,并经国家认可授权检测机构按照GB/T 8625—2005检验达到该标准第7章难燃性要求。
5.2.2.3 防火门所用木材进行阻燃处理再进行干燥处理后的含水率不应大于12%;木材在制成防火门后的含水率不应大于当地的平衡含水率。
5.2.3 人造板
5.2.3.1 防火门所用人造板应符合JG/T 122—2000第5.1.2.2条中对Ⅱ(中)级人造板的有关材质要求。
5.2.3.2 防火门所用人造板应经国家认可授权检测机构按照GB/T 8625—2005检验达到该标准第7章难燃性要求。
5.2.3.3 防火门所用人造板进行阻燃处理再进行干燥处理后的含水率不应大于12%;人造板在制成防火门后的含水率不应大于当地的平衡含水率。
5.2.4 钢材
5.2.4.1 材质
a)防火门框、门扇面板应采用性能不低于冷轧薄钢板的钢质材料,冷轧薄钢板应符合GB/T 708的规定。
b)防火门所用加固件可采用性能不低于热轧钢材的钢质材料,热轧钢材应符合GB/T 709的规定。
5.2.4.2 材料厚度
防火门所用钢质材料厚度应符合表3的规定。
表3 钢质材料厚度(单位为毫米) 
5.2.5 其他材质材料
5.2.5.1 防火门所用其他材质材料应对人体无毒无害,应经国家认可授权检测机构检验达到GB/T 20285—2006规定产烟毒性危险分级ZA2级要求。
5.2.5.2 防火门所用其他材质材料应经国家认可授权检测机构检验达到GB/T 8625—2005第7章规定难燃性要求或GB 8624—2006规定燃烧性能A1级要求,其力学性能应达到有关标准的相关规定并满足制作防火门的有关要求。
5.2.6 粘结剂
5.2.6.1 防火门所用粘结剂应是对人体无毒无害的产品。
5.2.6.2 防火门所用粘结剂应经国家认可授权检测机构检验达到GB/T 20285-2006规定产烟毒性危险分级ZA2级要求。
5.3 配件
5.3.1 防火锁
5.3.1.1 防火门安装的门锁应是防火锁。
5.3.1.2 在门扇的有锁芯机构处,防火锁均应有执手或推杠机构,不允许以圆形或球形旋钮代替执手(特殊部位使用除外,如管道井门等)。
5.3.1.3 防火锁应经国家认可授权检测机构检验合格,其耐火性能应符合附录A的规定。
5.3.2 防火合页(铰链)
防火门用合页(铰链)板厚应不少于3 mm,其耐火性能应符合附录B的规定。
5.3.3 防火闭门装置
5.3.3.1 防火门应安装防火门闭门器,或设置让常开防火门在火灾发生时能自动关闭门扇的闭门装置(特殊部位使用除外,如管道井门等)。
5.3.3.2 防火门闭门器应经国家认可授权检测机构检验合格,其性能应符合GA 93的规定。
5.3.3.3 自动关闭门扇的闭门装置,应经国家认可授权检测机构检验合格。
5.3.4 防火顺序器
双扇、多扇防火门设置盖缝板或止口的应安装顺序器(特殊部位使用除外),其耐火性能应符合附录C的规定。
5.3.5 防火插销
采用钢质防火插销,应安装在双扇防火门或多扇防火门的相对固定一侧的门扇上(若有要求时),其耐火性能应符合附录D的规定。
5.3.6 盖缝板
5.3.6.1 平口或止口结构的双扇防火门宜设盖缝板。
5.3.6.2 盖缝板与门扇连接应牢固。
5.3.6.3 盖缝板不应妨碍门扇的正常启闭。
5.3.7 防火密封件
5.3.7.1 防火门门框与门扇、门扇与门扇的缝隙处应嵌装防火密封件。
5.3.7.2 防火密封件应经国家认可授权检测机构检验合格,其性能应符合GB 16807的规定。
5.3.8 防火玻璃
5.3.8.1 防火门上镶嵌防火玻璃的类型
5.3.8.1.1 A类防火门若镶嵌防火玻璃,其耐火性能应符合A类防火门的条件。
5.3.8.1.2 B类防火门若镶嵌防火玻璃,其耐火性能应符合B类防火门的条件。
5.3.8.1.3 C类防火门若镶嵌防火玻璃,其耐火性能应符合C类防火门的条件。
5.3.8.2 防火玻璃应经国家认可授权检测机构检验合格,其性能应符合GB 15763.1的规定。
5.4 加工工艺和外观质量
5.4.1 加工工艺质量
使用钢质材料或难燃木材,或难燃人造板材料,或其他材质材料制作防火门的门框、门扇骨架和门扇面板,门扇内若填充材料,则应填充对人体无毒无害的防火隔热材料,与防火五金配件等共同装配成防火门,其加工工艺质量应符合5.5条、5.6条、5.7条的要求。
5.4.2 外观质量
采用不同材质材料制造的防火门,其外观质量应分别符合以下相应规定:
a)、木质防火门:割角、拼缝应严实平整;胶合板不允许刨透表层单板和戗槎;表面应净光或砂磨,并不得有刨痕、毛刺和锤印;涂层应均匀、平整、光滑,不应有堆漆、气泡、漏涂以及流淌等现象;
b)、钢质防火门:外观应平整、光洁、无明显凹痕或机械损伤;涂层、镀层应均匀、平整、光滑,不应有堆漆、麻点、气泡、漏涂以及流淌等现象;焊接应牢固、焊点分布均匀,不允许有假焊、烧穿、漏焊、夹渣或疏松等现象,外表面焊接应打磨平整;
c)、钢木质防火门:外观质量应满足a)、b)项的相关要求。
d)、其他材质防火门:外观应平整、光洁,无明显凹痕、裂痕等现象,带有木质或钢质部件的部分应分别满足a)、b)项的相关要求。
5.5 门扇质量
门扇质量不应小于门扇的设计质量。
注:指门扇的重量。
5.6 尺寸极限偏差
防火门门扇、门框的尺寸极限偏差应符合表4的规定。
表4 尺寸极限偏差(单位为毫米)

5.7 形位公差
门扇、门框形位公差应符合表5的规定。
表5 形位公差

5.8 配合公差
5.8.1 门扇与门框的搭接尺寸(见图14)
门扇与门框的搭接尺寸不应小于12mm。
5.8.2 门扇与门框的配合活动间隙
5.8.2.1 门扇与门框有合页一侧的配合活动间隙不应大于设计图纸规定的尺寸公差。
5.8.2.2 门扇与门框有锁一侧的配合活动间隙不应大于设计图纸规定的尺寸公差。
5.8.2.3 门扇与上框的配合活动间隙不应大于3 mm。
5.8.2.4 双扇、多扇门的门扇之间缝隙不应大于3 mm。
5.8.2.5 门扇与下框或地面的活动间隙不应大于9 mm。
5.8.2.6 门扇与门框贴合面间隙(见图14),门扇与门框有合页一侧、有锁一侧及上框的贴合面间隙均不应大于3 mm。
5.8.3 门扇与门框的平面高低差R
防火门开面上门框与门扇的平面高低差不应大于1 mm。
5.9 灵活性
5.9.1 启闭灵活性
防火门应启闭灵活、无卡阻现象。
5.9.2 门扇开启力
防火门门扇开启力不应大于80 N。
注:在特殊场合使用的防火门除外。
5.10 可靠性
在进行500次启闭试验后,防火门不应有松动、脱落、严重变形和启闭卡阻现象。
5.11 耐火性能
防火门的耐火性能应符合表1的规定。
6 试验方法
6.1 试件要求
防火门试件结构和门扇内若填充材料应填充对人体无毒无害的防火隔热材料以及防火五金配件的安装情况等应与实际使用情况相符。
除非有特殊规定,防火门试件应按本标准第5章的要求内容顺序,逐项进行检验。
6.2 仪器设备的准确度

6.3 材料
6.3.1 填充材料
防火门门扇内填充对人体无毒无害的防火隔热材料,按照GB 8624—2006的规定检验其燃烧性能,按照GB/T 20285—2006的规定检验其产烟毒性危险分级,结果应符合本标准5.2.1.2的要求,或提供国家认可授权检测机构出具有效的相应检验报告。
6.3.2 木材
按照GB/T 4823—1995的规定,检验防火门门框、门扇各零部件使用木材的材质,结果应符合本标准5.2.2.1的要求。
按照GB/T 8625—2005的规定,检验防火门用木材的难燃性,结果应符合本标准5.2.2.2的要求,或提供国家认可授权检测机构出具有效的相应检验报告。
难燃木材的含水率,使用含水率测定仪在防火门同一部件上任意测定三点,计算其平均值,结果应符合本标准5.2.2.3的要求。
6.3.3 人造板
防火门使用的人造板,按照GB/T 8625—2005的规定,检验防火门用人造板的难燃性,结果应符合本标准5.2.3.2的要求,或提供国家认可授权检测机构出具有效的相应检验报告。
难燃人造板的含水率,使用含水率测定仪在防火门同一部件上任意测定三点,计算其平均值,结果应符合本标准5.2.3.3的要求。
6.3.4 钢材
6.3.4.1 防火门门框、门扇和加固件使用钢质材料的性能应有生产厂商提供的合格材质检验报告。
6.3.4.2 钢质材料的厚度采用千分尺测量,在防火门同一部件上任意测定三点,计算其平均值,结果应符合本标准表3的要求。
6.3.5 其他材质材料
防火门使用的其他材质材料,按照GB/T 20285—2006的规定检验产烟毒性危险分级和GB/T 8625—2005的规定检验难燃性或按照GB 8624—2006的规定检验其燃烧性能,结果应符合本标准5.2.5的相应要求,或提供国家认可授权检测机构出具有效的相应检验报告。
6.3.6 粘结剂
防火门使用的粘结剂,按照GB/T 20285—2006的规定检验产烟毒性危险分级,结果应符合本标准5.2.6.2的要求,或提供国家认可授权检测机构出具有效的相应检验报告。
6.4 配件
6.4.1 防火锁
按附录A的规定进行检验,或提供国家认可授权检测机构出具有效的相应检验报告。
6.4.2 防火合页(铰链)
防火合页(铰链)板厚采用游标卡尺检验,任意测定三点,计算其平均值;
防火合页(铰链)的耐火性能应按附录B的规定进行检验,或提供国家认可授权检测机构出具有效的相应检验报告。
6.4.3 防火闭门装置
防火门用闭门器应按GA 93的规定进行检验,或提供国家认可授权检测机构出具有效的相应检验报告。
防火门用自动闭门装置在接收到火灾报警信号后应能自动关闭门扇,其他性能应按相应标准检验;或提供国家认可授权检测机构出具有效的相应检验报告。
6.4.4 防火顺序器
按实际使用状态将防火顺序器装配到防火门上,同时推开各个门扇,然后同时释放门扇,目测防火顺序器能否使防火门门扇按顺序要求关闭;防火顺序器的耐火性能应按附录C的规定进行检验,或提供国家认可授权检测机构出具有效的相应检验报告。
6.4.5 防火插销
采用目测及手感相结合的方法检查防火门上安装防火插销的情况,防火插销的耐火性能应按附录D的规定进行检验,或提供国家认可授权检测机构出具有效的相应检验报告。
6.4.6 盖缝板
防火门盖缝板的安装情况,采用目测和手感相结合的方法进行检验。
6.4.7 防火密封件
目测门框与门扇、门扇与门扇的缝隙处是否设有防火密封件,其性能应按GB 16807的规定进行检验,或提供国家认可授权检测机构出具有效的相应检验报告。
6.4.8 防火玻璃
应按GB 15763.1规定进行检验,或提供国家认可授权检测机构出具有效的相应检验报告。
6.5 加工工艺和外观质量
由成型门扇或填充对人体无毒无害防火隔热材料的门扇、门框、防火五金配件组成防火门,其外观质量以目测方法检验,其加工工艺质量按6.7、6.8、6.9的规定检验。
6.6 门扇质量
采用磅秤对每一门扇进行称重,任一门扇的质量(重量)应符合本标准5.5的要求。
6.7 尺寸公差
6.7.1 门扇高度H
采用钢卷尺测量,测量位置为距门扇两竖边各50 mm处,见图1所示的A-A和A′-A′位置。检测值与产品设计图示门扇高度值相减,结果取其极值。

图1 门扇高度测量位置示意图
6.7.2 门扇宽度W
采用钢卷尺测量,测量位置为距门扇上两横边各50 mm处,见图2所示的B-B和B′-B′位置。检测值与产品设计图示门扇宽度值相减,结果取其极值。

图2 门扇宽度测量位置示意图
6.7.3 门扇厚度T
采用游标卡尺测量,测量位置见图3中T1、T2、T3……T8所标定的位置[注:遇锁具、合页(铰链)处相应避开50 mm],检测值与产品设计图示门扇厚度值相减,结果取其极值。

图3 门扇厚度测量位置示意图
6.7.4 门框内裁口高度H′
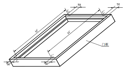
采用钢卷尺测量,分别测量门框内裁口的左竖边和右竖边,见图4所示C-C、C′-C′。检测值与产品设计图示门框内裁口高度值相减,结果取其极值。

图4 门框内裁口高度测量位置示意图
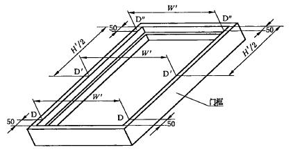
6.7.5 门框内裁口宽度W′
采用钢卷尺测量,测量位置见图5所示的D-D、D′-D′、D″-D″。检测值与产品设计图示门框内裁口宽度值相减,结果取其极值。

图5 门框内裁口宽度测量位置示意图
6.7.6 门框侧壁宽度T′
采用游标卡尺测量,测量位置见图6所示的T1′、T2′、T3′……T6′。检测值与产品设计图示门框侧壁宽度值相减,结果取其极值。

图6 门框侧壁宽度测量位置示意图
6.8 形位公差
6.8.1 门扇两对角线长度差|L1-L2|(见图7)
采用钢卷尺测量。

图7 门扇对角线长度测量位置示意图
6.8.2 门扇扭曲度D
6.8.2.1 试验设备
平台、三个顶尖、高度尺;平台的尺寸不应小于1m×2m。
6.8.2.2 试验步骤
6.8.2.2.1 在门扇正反两面的四个角处分别标出四个测点,如一面为P1、P2、P3和P4测点,则另一面为对应的P1′、P2′、P3′和P4′测点,每个测点距门扇横边和竖边的距离均为20 mm。三个顶尖分别放在门扇的三个任意测点处(P1、P2和P3)将门扇顶起,如图8所示。用高度尺测量第四个测点P4与平台的距离h1。
6.8.2.2.2 将门扇反转180°,按6.7.2.2.1的位置和方法测定平台至P4′的距离h2。
6.8.2.2.3 门扇扭曲度D按式(1)计算:
D = | h2–h1 | / 2 ·······················(1)
式(1)中:
D——门扇扭曲度,单位为毫米(mm);
h1——平台至测点P4的距离,单位为毫米(mm);
h2——平台至测点P4′的距离,单位为毫米(mm)。

图8 门扇扭曲度测量示意图
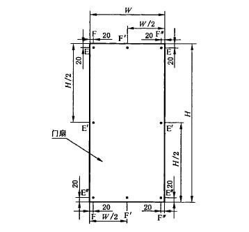
6.8.3 门扇宽度(高度)方向弯曲度B1(B2)
6.8.3.1 试验设备
平台、四个顶尖、游标卡尺、尼龙线、吊线锥。平台的尺寸应不小于1 m×2 m。
6.8.3.2 试验步骤
6.8.3.2.1 将门扇平放在平台的四个顶尖上,顶尖距门扇横边和竖边的距离均为20 mm,将两端带有吊线锥的细尼龙线横跨于门扇宽度(高度)上,如图9所示。用游标卡尺的深度尺在规定测量位置量出高度值,即为该规定测量点的弯曲度值。测量位置见图10所示的E-E(F-F)、E′-E′(F′-F′)和E″-E″(F″-F″)的中点。
6.8.3.2.2 门扇反转180°,测定门扇另一面的弯曲度值,测量位置和测量方法同6.7.3.2.1。
6.8.3.2.3 门扇宽度(高度)方向弯曲度值,取测量结果的极值h3(h4)。
6.8.3.2.4 门扇宽度(高度)方向弯曲度的计算公式:
B1(B2)= h3(h4)/ W(H)×1000···················(2)
式(2)中:
B1——门扇宽度方向弯曲度,单位为千分之一(‰);
B2——门扇高度方向弯曲度,单位为千分之一(‰);
h3——门扇宽度方向弯曲度值,单位为毫米(mm);
h4——门扇高度方向弯曲度值,单位为毫米(mm);
W——门扇宽度,单位为毫米(mm);
H——门扇高度,单位为毫米(mm)。
注:括号内计算门扇高度方向弯曲度。

图9 门扇弯曲度测量示意图

图10 门扇高度(宽度)方向弯曲度测量位置示意图

图11 门扇高度方向弯曲度示意图

图12 门扇宽度方向弯曲度示意图
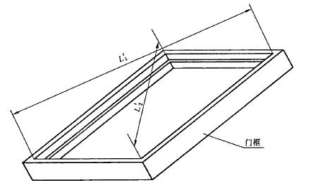
6.8.4 门框内裁口两对角线长度差|L1′-L2′|(见图13)
采用钢卷尺测量。

图13 门框内裁口对角线长度测量位置示意图
6.9 配合公差
6.9.1 门扇与门框的搭接尺寸(见图14)
6.9.1.1 按使用状态,将试件安装在试验框架上,门扇处于关闭状态,用划刀在门扇与门框相交的左边、右边和上边的中部划线作出标记后,用钢板尺测量搭接宽度。
6.9.1.2 门扇与门框的搭接宽度取测量值的最小值。
6.9.2 门扇与门框的配合活动间隙
按使用状态,将试件安装在试验框架上,门扇处于关闭状态,门扇与门框有合页一侧、有锁一侧,以及门扇与上框、下框,双扇、多扇门的门扇之间的活动间隙以塞尺最大插入厚度作为测量值。
6.9.3 门扇与门框的贴合面间隙(见图14)
按使用状态,将试件安装在试验框架上,门扇处于关闭状态,门扇与门框贴合面间隙以塞尺最大插入厚度作为测量值。

图14 门扇与门框的搭接尺寸和贴合面间隙示意图
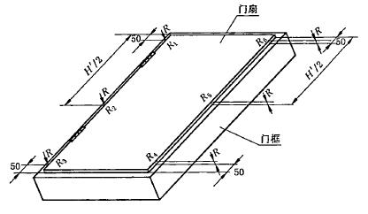
6.9.4 门的开面上门框与门扇的平面高低差R
6.9.4.1 门扇关闭,用游标卡尺测定门框与门扇的平面高低差。测量位置见图15所标定的位置R1、R2、R3……R6。
6.9.4.2 门框与门扇的平面高低差R取测量值的极值。

图15 门框与门扇平面高低差测量位置示意图
6.10 灵活性
6.10.1 启闭灵活性
防火门处于使用状态,将试件安装在试验框架上,手感和目测其启闭灵活性。
6.10.2 门扇开启力F
按使用状态,将试件安装在试验框架上,门扇处于关闭状态,测力计作用于门执手处,并与门扇垂直,将门扇拉开,测量并记录门扇开启力F。
6.11 可靠性
6.11.1 试验框架
为可调框架,以适合安装不同规格尺寸的防火门,框架应有足够的刚度,以免在试验过程中产生影响试验结果的变形。
6.11.2 试件
包括门框、门扇及实际使用中应配备的防火五金配件如防火锁、闭门器和顺序器等所组成的防火门。
6.11.3 试验步骤
6.11.3.1 将试件固定在试验框架上。
6.11.3.2 门扇开启、关闭为运行一次,运行周期为8 s~14 s,门扇开启角度为70°,记录运行次数。试验过程中应记录:防火门的各个配件是否松动、脱落、严重变形、启闭卡阻等现象。
6.12 耐火性能
6.12.1 试验步骤
按使用状态,将试件安装在试验框架上,耐火试验前检查试件,门扇应开启灵活。通过闭门器等闭门装置关闭门扇,使防火锁的斜舌碰上,不应用钥匙锁闭门扇;特殊使用的门(如管道井门),可用钥匙锁闭门扇,钥匙不应留在锁孔内。
按GB/T 7633的规定进行耐火试验。
注:试件应在同一框架、同一状态下进行配合公差、灵活性与耐火性能的检验。
6.12.2 耐火性能判定条件
6.12.2.1 耐火完整性
应按GB/T 7633的规定判定。
6.12.2.2 耐火隔热性
应按GB/T 7633的规定判定。
7 检验规则
7.1 出厂检验
7.1.1 常规出厂检验项目为5.1、5.2.2.3、5.2.3.3、5.2.4.2、5.4.2、5.5、5.6和5.7,应对每一樘防火门的门框、门扇单独进行检验;防火门安装交付使用时的常规检验项目为5.8、5.9和5.3中的配件安装情况,应对每一樘防火门进行检验;5.10为抽样检验项目,产品抽样方法由生产厂根据生产批量,按GB/T 2828.1的有关要求,制订相应的文件规定。
7.1.2 防火门产品必须由生产厂的质量检验部门按出厂检验项目逐项检验合格,签发合格证后方可出厂,并安装验收合格交付使用。
7.2 型式检验
7.2.1 检验项目见表6,按标准要求的顺序逐项进行检验。
7.2.2 防火门的最小检验批量为9樘,在生产单位成品库中抽取。
7.2.3 有下列情况之一时应进行型式检验。
a)新产品或老产品转厂生产时的试制定型鉴定;
b)结构、材料、生产工艺、关键工序和加工方法等有影响其性能时;
c)正常生产,每三年不少于一次;
d)停产一年以上恢复生产时;
e)出厂检验结果与上次型式检验有较大差异时;
f)发生重大质量事故时;
g)质量监督机构提出要求时。
7.2.4 判定准则
表6所列检验项目的检验结果不含A类不合格项,B类与C类不合格项之和不大于四项,且B类不合格项不大于一项,判该产品为合格。否则判该产品不合格。
表6 检验项目
| 序号 | 检验项目 | 要求条款 | 试验方法条款 | 不合格分类 |
| 1 | 填充材料 | 5.2.1 | 6.3.1 | A |
| 2 | 木材 | 5.2.2 | 6.3.2 | A |
| 3 | 人造板 | 5.2.3 | 6.3.3 | A |
| 4 | 钢材 | 5.2.4 | 6.3.4 | A |
| 5 | 其他材质材料 | 5.2.5 | 6.3.5 | A |
| 6 | 粘结剂 | 5.2.6 | 6.3.6 | A |
| 7 | 防火锁 | 5.3.1 | 6.4.1 | B |
| 8 | 防火合页(铰链) | 5.3.2 | 6.4.2 | B |
| 9 | 防火闭门装置 | 5.3.3 | 6.4.3 | B |
| 10 | 防火顺序器 | 5.3.4 | 6.4.4 | B |
| 11 | 防火插销 | 5.3.5 | 6.4.5 | C |
| 12 | 盖缝板 | 5.3.6 | 6.4.6 | B |
| 13 | 防火密封件 | 5.3.7 | 6.4.7 | A |
| 14 | 防火玻璃 | 5.3.8 | 6.4.8 | A |
| 15 | 加工工艺和外观质量 | 5.4 | 6.5 | C |
| 16 | 门扇质量 | 5.5 | 6.6 | A |
| 17 | 门扇高度偏差 | 5.6 | 6.7.1 | C |
| 18 | 门扇宽度偏差 | 5.6 | 6.7.2 | C |
| 19 | 门扇厚度偏差 | 5.6 | 6.7.3 | B |
| 20 | 门框内裁口高度偏差 | 5.6 | 6.7.4 | C |
| 21 | 门框内裁口宽度偏差 | 5.6 | 6.7.5 | C |
| 22 | 门框侧壁宽度偏差 | 5.6 | 6.7.6 | C |
| 23 | 门扇两对角线长度差 | 5.7 | 6.8.1 | C |
| 24 | 门扇扭曲度 | 5.7 | 6.8.2 | B |
| 25 | 门扇宽度方向弯曲度 | 5.7 | 6.8.3 | B |
| 26 | 门扇高度方向弯曲度 | 5.7 | 6.8.3 | B |
| 27 | 门框内裁口两对角线长度差 | 5.7 | 6.8.4 | C |
| 28 | 门扇与门框的搭接尺寸 | 5.8.1 | 6.9.1 | B |
| 29 | 门扇与门框的有合页一侧的配合活动间隙 | 5.8.2.1 | 6.9.2 | C |
| 30 | 门扇与门框的有锁一侧的配合活动间隙 | 5.8.2.2 | 6.9.2 | C |
| 31 | 门扇与上框的配合活动间隙 | 5.8.2.3 | 6.9.2 | C |
| 32 | 双扇门中间缝隙 | 5.8.2.4 | 6.9.2 | C |
| 33 | 门框与下框或地面间隙 | 5.8.2.5 | 6.9.2 | C |
| 34 | 门扇与门框贴合面间隙 | 5.8.2.6 | 6.9.3 | C |
| 35 | 门框与门扇的平面高低差 | 5.8.3 | 6.9.4 | C |
| 36 | 启闭灵活性 | 5.9.1 | 6.10.1 | A |
| 37 | 开启力 | 5.9.2 | 6.10.2 | B |
| 38 | 可靠性 | 5.10 | 6.11 | A |
| 39 | 耐火性能 | 5.11 | 6.12 | A |
8 标志、包装、运输和贮存
8.1 标志
8.1.1 每樘防火门都应在明显位置固有永久性标牌,标牌应包括以下内容:
a)产品名称、型号规格及商标(若有);
b)制造厂名称或制造厂标记和厂址;
c)出厂日期及产品生产批号;
d)执行标准;
8.1.2 产品标牌的制作应符合GB/T 13306的规定。
8.2 包装、运输和使用说明书
产品及其五金配件的包装应安全、可靠,并便于装卸、运输和贮存。包装、运输应符合GB/T 6388的规定。
随产品应提供如下文字资料:
a)产品合格证,其表述应符合GB/T 14436的规定;
b)产品说明书,其表述应符合GB 9968.1的规定;
c)装箱单;
d)产品安装图;
e)防火五金配件及附件清单。
应把上述资料装入防水袋中。
产品在运输过程中应避免因行车时碰撞损坏包装,装卸时轻抬轻放,严格避免磕、摔、撬等行为,防止机械变形损坏产品,影响安装使用。
8.3 贮存
产品应贮存在通风、干燥处,要避免和有腐蚀的物质及气体接触,并要采取防潮、防雨、防晒、防腐等措施。产品平放时底部须垫平,门框堆码高度不得超过1.5 m,门扇堆放高度不超过1.2 m,产品竖放时,其倾斜角度不得大于20°。
附录A(规范性附录)防火锁的要求和试验方法
A.1要求
A.1.1 防火锁的牢固度、灵活度和外观质量应符合QB/T 2474的规定。
A.1.2 防火锁的耐火性能
A.1.2.1 防火锁的耐火时间应不小于其安装使用的防火门耐火时间。
A.1.2.2 耐火试验过程中,防火锁应无明显变形和熔融现象。
A.1.2.3 耐火试验过程中,防火锁处应无窜火现象。
A.1.2.4 耐火试验过程中,防火锁应能保证防火门门扇处于关闭状态。
A.2试验方法
A.2.1 防火锁的牢固度、灵活度和外观质量应按QB/T 2474的规定进行试验。
A.2.2 防火锁的耐火性能试验
A.2.2.1 将防火锁按实际使用情况安装在防火门上。
A.2.2.2 按GB/T 7633规定的升温和炉压条件进行耐火试验。
A.2.2.3 耐火试验过程中按A.1.2的要求进行现象观察和记录。
附录B(规范性附录)防火铰链(合页)的耐火性能要求和试验方法
B.1要求
B.1.1 防火铰链(合页)的耐火性能
B.1.1.1 防火铰链(合页)的耐火时间应不小于其安装使用的防火门耐火时间。
B.1.1.2 耐火试验过程中,防火铰链(合页)应无明显变形。
B.1.1.3 耐火试验过程中,防火铰链(合页)处应无窜火现象。
B.1.1.4 耐火试验过程中,防火铰链(合页)应能保证防火门门扇与铰链(合页)安装处无位移,并处于良好关闭状态。
B.2试验方法
B.2.1 防火铰链(合页)的耐火性能试验
B.2.1.1 将防火铰链(合页)按实际使用情况安装在防火门上。
B.2.1.2 按GB/T 7633规定的升温和炉压条件进行耐火试验。
B.2.1.3 耐火试验过程中按B.1.1的要求进行现象观察和记录。
附录C(规范性附录)防火顺序器的耐火性能要求和试验方法
C.1要求
C.1.1 防火顺序器的耐火性能
C.1.1.1 防火顺序器的耐火时间应不小于其安装使用的防火门耐火时间。
C.1.1.2 耐火试验过程中,防火顺序器应无明显变形和熔融现象。
C.2试验方法
C.2.1 防火顺序器的耐火性能试验
C.2.1.1 将防火顺序器按实际使用情况安装在防火门上。
C.2.1.2 按GB/T 7633规定的升温和炉压条件进行耐火试验。
C.2.1.3 耐火试验过程中按C.1.1的要求进行现象观察和记录。
附录D(规范性附录)防火插销的耐火性能要求和试验方法
D.1要求
D.1.1 防火插销的耐火性能
D.1.1.1 防火插销的耐火时间应不小于其安装使用的防火门耐火时间。
D.1.1.2 耐火试验过程中,防火插销应无明显变形和熔融现象。
D.1.1.3 耐火试验过程中,防火插销处应无窜火现象。
D.1.1.4 耐火试验过程中,防火插销应能保证防火门门扇与插销安装处无位移,并处于良好关闭状态。
D.2试验方法
D.2.1 防火插销的耐火性能试验
D.2.1.1 将防火插销按实际使用情况安装在防火门上。
D.2.1.2 按GB/T 7633规定的炉温和炉压条件进行耐火试验。
D.2.1.3 耐火试验过程中按D.1.1的要求进行现象观察和记录。
