Appearance
《易燃和可燃液体防火规范》SY/T 6344-2017
🗓️ 住房和城乡建设部 实施时间:2017-08-01
前言
中华人民共和国石油天然气行业标准
易燃和可燃液体防火规范
Fire code for flammable and combustible liquids
SY/T 6344-2017
国家能源局
2017-03-28发布
2017-08-01实施
本标准按照GB/T 1.1-2009《标准化工作导则 第1部分:标准的结构和编写》给出的规则起草。
本标准代替SY/T 6344-2010《易燃和可燃液体规范》,与SY/T 6344-2010相比,主要技术变化如下:
——标准名称修改为《易燃和可燃液体防火规范》;
——修改了范围(见第1章,2010年版的第1章):
——修改了规范性引用文件(见第2章,2010年版的第2章);
——修改了术语和定义(见第3章,2010年版的第3章);
——修改了液体分类(见第4章,2010年版的3.7,3.8);
——修改了防火防爆风险控制(见第5章,2010年版的7.12,7.13,6.10);
——修改了电气系统(见第6章,2010年版的第8章);
——修改了液体容器储存:通用要求(见第7章,2010年版的6.1,6.2,6.3,6.4,6.9);
——修改了液体容器储存:商业场所(见第8章,2010年版的6.5.6);
——增加了液体容器储存:工业场所(见第9章);
——修改了液体容器储存:储存场所(见第10章,2010年版的6.5.2);
——增加了液体容器储存:未受保护的独立建筑物(见第11章);
——修改了危险物品储存柜(见第12章,2010年版的6.3);
——修改了室外储存(见第13章,2010年版的6.7);
——修改了储液区内部的自动防火保护(见第14章,2010年版的6.8);
——修改了工艺设施(见第15章,2010年版的7.1,7.2,7.3);
——修改了液体的分装、搬运、输送和使用(见第16章,2010年版的7.3.7,7.5);
——修改了特殊操作(见第17章,2010年版的7.4,7.10);
——修改了液体储罐:通用要求(见第18章,2010年版的第4章);
——修改了地上罐(见第19章,2010年版的4.3.2);
——修改了地下罐(见第20章,2010年版的4.3.3);
——修改了储罐建筑物(见第21章,2010年版的4.3.4);
——修改了地上罐穹顶储库(见第22章,2010年版的4.2.7);
——修改了管线系统(见第23章,2010年版的第5章);
——修改了罐车装卸(见第24章,2010年版的7.6);
——修改了码头(见第25章,2010年版的7.7)。
本标准使用重新起草法修改采用NFPA 30:2012《易燃和可燃液体规范》。
本标准与NFPA 30:2012相比在结构上有调整,附录E中列出了本标准与NFPA 30:2012的章条编号对照一览表。
本标准与NFPA 30:2012相比存在技术性差异,附录F给出了相应技术性差异及其原因一览表。
本标准还做出了下列编辑性修改:
——将英制单位转换为GB3101,GB3102规定的法定计量单位;
——删除了NFPA 30:2012版中与标准主题内容无关的内容,包括标准扉页、特别声明、NFPA前言,以及某些仅作为信息参考的引用文件。
本标准由石油工业安全专业标准化技术委员会提出并归口。
本标准起草单位:中国石化江汉油田分公司盐化工总厂、中国石化江汉油田分公司石油工程技术研究院、西安交通大学化学工程与技术学院、中国石化集团公司胜利石油管理局安全环保处、中国石油大学(华东)石油工程学院。
本标准主要起草人:刘啸武、刘思宇、王智晓、蒲美玲、彭刚、张伟。
本标准代替了SY/T 6344-2010。
ST/T 6344-2010的历次版本发布情况为:
——SY/T 6344-1998。
1 范围
本标准规定了石油天然气工业易燃和可燃液体的分类、容器储存、管线系统、罐车装卸以及防火防爆风险控制等要求。
本标准适用于石油天然气工业易燃和可燃液体(包括废液)的储存、处理和使用。
本标准不适用于:
a)熔点等于或大于37.8℃的物质。
b)不符合第3章“液体”定义和第4章中给定的流动性准则的液体。
c)第3章定义的任何液化气体或低温液体。
d)无闪点,但在一定条件下可以燃烧的液体,如某些卤代烃和含有卤代烃的混合物。
e)气溶胶产品。
f)烟雾、喷雾剂或泡沫。
g)易燃和可燃液体的运输。
h)与燃油设备相连的燃料罐和容器的储存、处理和使用。
i)酒精搓手液(ABHR)分配器的使用和安装。
2 规范性引用文件
下列文件对于本文件的应用是必不可少的。凡是注日期的引用文件,仅注日期的版本适用于本文件。凡是不注日期的引用文件,其最新版本(包括所有的修改单)适用于本文件。
GB 3445 室内消火栓
GB 4066 干粉灭火剂
GB 4351 手提式灭火器
GB 4396 二氧化碳灭火剂
GB 4452 室外消火栓
GB 6246 消防水带
GB 8109 推车式灭火器
GB 15308 泡沫灭火剂
GB 20031 泡沫灭火系统及部件通用技术条件
GB 27898 固定消防给水设备
SY/T 6306 钢质原油储罐运行安全规范
SY/T6355 石油天然气生产专用安全标志
NFPA 1 防火规范
NFPA 13 喷淋系统的安装
NFPA 15 固定防火喷雾系统
NFPA 30A 汽车加油分装设施和维修站
NFPA 68 爆燃通风口的防爆
NFPA 69 防爆系统
NFPA 70 国家电气规范
NFPA 80 防火门窗
NFPA 85 锅炉和燃烧系统危害规范
NFPA 91 空气输料装置的排气系统
NFPA 101 人身安全规范
NFPA 220 建筑结构式样
NFPA 221 防火墙和防火堤标准
NFPA 307 港口、栈桥及码头的结构与防火
NFPA 505 机动工业运货车(包括牌号、使用面积、保养和驾驶)
NFPA 2001 灭火系统清洁剂
NFPA 5000 建筑结构和安全规范
API Spec12B 储存产出液的栓装储罐
API Spec12D 储存产出液的现场焊接储罐
API Spec12F 储存产出液的工厂焊接储罐
API 620 大型焊接低压储罐设计、建造推荐规则
API Std 650 焊接钢质储油罐
API Std 653 储罐检查、维修、更换和重建
ASME 锅炉和压力容器规范
ASME B31 压力管道规范
ASME 非受火压力容器规范
ASTM A395 高温下使用的球墨铸铁承压铸件
ASTM D5 沥青材料的针入度试验
ASTM D56 盖氏闭杯测定仪测试闪点的标准方法
ASTM D86 石油产品蒸馏测试标准方法
ASTM D92 克利夫兰开杯试验方法
ASTM D93 彭马氏闭合测定仪测试闪点的标准方法
ASTM D323 石油产品蒸气压力试验的标准方法(雷德法)
ASTM D3278 Setaflash 密封测定仪测试液体闪点的标准方法
ASTM D3828 Setaflash 密封测定仪测试闪点的标准方法
ASTM D4359 确定物料为固体或液体的标准测试方法
ASTM E119 建筑结构和材料的标准测试方法
ASTM F852 供消费者使用的轻型汽油容器
ASTM F976 供消费者使用的轻型煤油容器
CSA B51 锅炉、压力容器和压力管道规范
FM 安全容器与充装、供应、分装容器
FM 钢制桶用塑料塞
NMFTA 汽车货运规范
NRFC 统一货运分类
STI SP001 地上罐检查标准
ANSI/UL 30 金属安全罐
UL 58 易燃和可燃液体钢质地下罐
ANSI/UL 80 燃油器燃料和其他可燃液体的钢质储罐
ANSI/UL 142 易燃和可燃液体钢质地上罐
UL 971 易燃液体非金属地下管道
ANSI/UL 1313 石油产品非金属安全罐
ANSI/UI 1314 特殊用途金属罐
ANSI/UL1316 石油产品的玻璃纤维加强塑料地下罐
ANSI/UL 1746 地下钢储罐外防腐系统
UL 2080 易燃和可燃液体耐火罐
ANSI/UL 2085 易燃和可燃液体地上罐保护
ANSI/UL 2208 溶剂蒸馏单元
ANSI/UL 2245 易燃液体地下拱顶储罐
UL 2368 易燃和可燃液体中型散装容器的曝火试验
联合国 危险货物运输推荐规则
3 术语和定义
下列术语和定义适用于本文件。
3.1 认可 approved
被管辖部门接受。
3.2 管辖部/门 authority having jurisdiction
负责实施标准、规范要求,或审批设备、材料、装置或工艺过程的组织机构、办事处或个人。
3.3 规范 code
标准,一种涵盖广泛事项的汇编规定,独立于其他的法规和标准,可被法律采用。
3.4 标注 labeled
由管辖部门认可的且与产品评价有关的机构,在设备和材料上贴上标签、符号或其他识别标记。
该机构对已发标签的设备和材料的生产进行定期检查,通过给生产商发放标签,表明其所进行的生产符合相应的标准或特定的操作方式。
3.5 注册 listed
由管辖部门认可的且与产品评价有关的机构出版的表册中包括的设备和材料,该机构保持定期检查登记注册的设备和材料的生产,通过登记注册表明产品符合适当的标准或经过试验并认定它们适合于指定的操作方式。
3.6 酒精搓手液 alcohol-based hand rub(ABHR)
含有酒精的液体,用于搓手以减少手上的微生物。该液体由不超过95%含量的乙醇或异丙醇组成。
3.7 区域 area
分为以下三种。
3.7.1 控制区域 control area
允许用于储存、分装、使用及操作易燃和可燃液体,数量不超过最大允许量的建筑物或建筑物的一部分。
3.7.2 防火区域 fire area
用具有耐火等级至少1h的耐火结构隔开,且对所有联通口由耐火等级不小于1h的装置进行适当保护的建筑物与其周围部分。
3.7.3 储液区内部 inside liquid storage area
用于存放装有液体的容器或移动式罐的房间或建筑物,并与其他形式的场所分开。
3.8 地下室 basement
建筑物或构筑物的一层,地下部分占其高度1/2或以上,当灭火接近时,会受到很多限制。
3.9 沸点 boiling point
在101.4kPa蒸气压下,液体变成气体时的温度。对于没有准确沸点的液体,或没有恒定沸点的混合物,为使用本标准,可按ASTMD86对液体进行蒸馏,达20%蒸发点时的温度可作为该液体的沸点。
3.10 沸溢 boil-over
在无罐顶的油罐中,某种油在长时间静燃烧之后,燃油从罐中喷溅而出,燃烧猛然增强的现象。
3.11 静电跨接 banding
为控制静电危害,用导体连接两个或更多的导电体,使之保持同一电位,而不需要与地同电位。
3.12 建筑物 building
用于或拟用于支持、避护各种用途和场所的结构。
3.12.1 重要建筑物 important building
被认为不应处于火险之中的建筑物。
3.12.2 储罐建筑物 storage tank building
一个三维空间,包括一半以上的可能领域的两侧封闭的屋顶和墙壁,有足够的空间可让人进入该建筑物会限制散热和可燃蒸气的扩散,也会妨碍灭火。
3.13 闭顶堤closed-top diking
有遮盖的堤,以减少降水进入。
3.14 容器 container
任何用于输送和储存液体且容积小于或等于450L的器皿。
3.14.1 密闭容器 closed container
用盖子或其他装置封住,使液体或蒸气在常温下不会外漏的容器。
3.14.2 中型散装容器 intermediate bulk container(IBC)
用于储存和运输液体的密闭容器,容量不超过3000L,又称IBC桶。
3.14.3 非金属容器 nonmetallic container
由玻璃、塑料、纤维或其他非金属材料制成的容器。
3.14.4 非金属中型散装容器 nonmetallic intermediate bulk container
由玻璃、塑料、纤维或其他非金属材料制成的中型散装容器。
3.15 低温液体 cryogenic liquid
在101kPa绝对压力下沸点低于-101℃的液体。
3.16 防爆结构 damage-limiting construction
通过采取措施防止爆炸的建筑单元,包括开放式结构、压力释放结构,或耐压结构。这些功能可以单独或组合应用。
3.17 着火点 fire point
液体接触到试验火焰产生着火并达到持续燃烧的最低温度。试验按ASTMD92进行。
3.18 闪点 flash point
在特定的容器内,液体挥发出足够浓度的蒸气,与液体表面上的空气形成可燃性混合物时的最低温度,采用适合的程序和仪器进行测定,见4.1。
3.19 渗漏 fugitive emissions
正常操作期间,工艺设备连续或间断产生的易燃蒸气释放,包括泵密封处、阀门填料、法兰垫片、压缩机密封、排污管等处的泄漏。
3.20 危险材料或危险化学品 hazardous material or hazardous chemical
与闪点和沸点引起的着火无关的危险性材料。
3.21 危险物品储存柜 hazardous material storage locker
满足有关部门对危险物品室外储存的要求而预制的一种可移动的结构。
3.22 危险反应或危险化学反应 hazardous reaction or hazardous chemical reaction
能够发生除了因反应剂或产品的闪点和沸点引起着火问题以外的危险状态的反应。
3.23 传热流体 heat transfer fluid
可作为热载体,把热能从加热器或蒸发器传送到用热设备(如注塑机、烤箱,或烘干机,或夹套化学反应器)的液体。
3.24 高危险物质 high hazard contents
包含二级高危险物质和三级高危险物质。
3.24.1 二级高危险物质 high hazard level 2 contents
具有爆燃危险或加速燃烧危险的物质。本标准中,此类物质包含I级、Ⅱ级、ⅢA级液体,使用或储存于常开口容器系统,或者在高于或等于103kPa(表压)的密闭容器系统中。
3.24.2 三级高危险物质 high hazard level 3 contents
容易助燃或形成物理危害的物质。本标准中,包含Ⅰ级、Ⅱ级、ⅢA级液体,使用或储存于低于103kPa(表压)的密闭容器系统中。
3.25 临时液体使用或储存 incidental liquid use or storage
短时使用和储存液体的活动,通过这些活动决定场所或区域的等级。
3.26 液化气体 liquefied gas
在加压条件下,温度在20℃时呈现气液两相的气体。
3.27 液体 liquid
任何材料:按ASTMD5进行实验,流动性系数大于针入度为300的沥青;或者,按ASTM D4359不能测定熔点,但能确定为液体的黏性物质。
本标准范围内的液体,以及符合本标准要求的液体一般为易燃液体或可燃液体,按以下进行界定和分类。
3.27.1 可燃液体 combustible liquid
闭杯闪点(按4.1的方法和仪器测试)等于或大于37.8℃的液体。可燃液体分类见4.2。
3.27.2 易燃液体 flammable liquid
闭杯闪点(按4.1的方法和仪器测试)低于37.8℃,在37.8℃下,按ASTM D323测定蒸气压力不超过275.7kPa(绝对压力)的液体。易燃液体分类见4.2。
3.27.2 易燃液体 flammable liquid
闭杯闪点(按4.1的方法和仪器测试)低于37.8℃,在37.8C下,按ASTMD323测定蒸气压力不超过275.7kPa(绝对压力)的液体。易燃液体分类见4.2。
3.27.3 稳定液体 stable liquid
指任何没有被定义为“不稳定液体”的液体。
3.27.4 不稳定液体 unstable liquid
在纯净状态或在商业生产、运输过程中,承受震动、压力或温度条件下,可能产生剧烈的聚合、分解、缩合反应和自反应现象的液体。
3.27.5 水溶性液体 water-miscible liquid
能与水以任何比例混合的液体,无需使用化学添加剂,如乳化剂。
3.28 储液房间 liquid storage room
使用容器、移动式罐、中型散装容器储存液体的房间,占地面积不超过45m2,封闭在建筑物内部,没有外墙。
3.29 液密性 liquidtight
防止液体在正常操作温度和压力范围内非正常泄漏的性能。
3.30 燃烧下限 lower flammable limit(LFL)
易燃气体在空气中引进燃烧的最低浓度,也称为爆炸下限(LEL)。
3.31 最大允许量 maximum allowable quantity(MAQ)
在一个操作区域内,易燃或可燃液体的最大数量。
3.32 场所 occupancy
本标准定义的场所是指按建筑物或工厂各部分的主要操作特性而划分的系统。
3.32.1 紧急救治场所 ambulatory health care occupancy
用于同时给四个或更多的患者提供服务或治疗的建筑物或建筑物部分。在提供门诊的基础上,满足以下一个或多个条件:
a)对于紧急情况下没有他人的帮助,且失去自我保护能力的患者进行治疗。
b)对于紧急情况下没有他人的帮助,且失去自我保护能力的患者进行麻醉。
c)对于紧急情况下没有他人的帮助,且失去自我保护能力的患者,根据伤病的情况采取急诊或紧急护理措施。
3.32.2 集会场所 assembly occupancy
用于50人或更多人的集会、餐饮、娱乐、候车或类似用途的场所,或不必考虑人员负荷的特殊娱乐场所。
3.32.3 商务场所 business occupancy
用于商务交流,而不是商业的场所。
3.32.4 日常护理场所 day-care occupancy
为四个及以上客户提供治疗、护理和托管的场所,服务人员不是亲属或法定监护人,每天少于24h。
3.32.5 收留和矫正场所 detention and correctional occupancy
对四个及以上人采取不同程度的限制措施或安全措施的场所。此类人员大多没有安全控制能力和自我保护能力。
3.32.6 教育场所 educational occupancy
进行教育的场所,用于6人以上,每天4h以上或每周12h以上使用时间。
3.32.7 医疗场所 health care occupancy
在一个住院基地,为四个及以上患者提供医疗、其他治疗或护理的场所。此类患者大多由于年龄、身体或精神残疾,不能自我保护,或失去安全控制能力。
3.32.8 工业场所 industrial occupancy
用于产品制造或加工、组装、混合、包装、整理、装饰或维修业务的场所。
3.32.9 商业场所 mercantile occupancy
用于展示、出售货物的场所。
3.32.10 住宿场所 residential occupancy
用于睡眠、住宿的场所,不用于治疗、收留和矫正目的。
3.33 操作 operations
包括但不限于使用、输送、储存和加工液体的统称。
3.34 码头pier 或wharf从
陆地岸边直接延伸到水体中的一种结构,通常长度大于宽度,可以是敞开的甲板,也可以有一个上层建筑。
3.35 压力容器 pressure vessel
按照ASME《锅炉与压力容器规范》进行设计的容器及其部件。
3.36 加工或加工工艺 process or processing
指操作的一整套工序。
3.37 暴露保护 protection for exposures
对邻近液体储存地界的结构提供的防火保护。这类保护可由公共消防部门,或者由邻近液体储存地界的私人消防队来提供,两者均应有能力提供冷却水流,以保护邻近液体储存的地界。
3.38 安全罐 safety can
指容量不超过20L,且带有弹簧盖和喷口盖的经过认可的容器,当曝热起火时,能够安全地释放内部压力。
3.39 溶剂分馏单元 solvent distillation unit
用于分馏易燃或可燃液体,以消除污染物和回收液体的设施。
3.40 暂存 staging
液体暂时存放在生产区的容器、中间缓冲容器和移动式罐体。
3.41 罐 tank
分为以下类别。
3.41.1 地上罐 aboveground tank
安装在地上、地面,或地下没有回填的罐。
3.41.2 常压罐 atmospheric tank
设计操作压力为大气压至6.9kPa(表压)(760mmHg~812mmHg)的储罐,压力从罐顶测量。
3.41.3 低压罐 low-pressure tank
设计内部承受压力为6.9kPa~103.4kPa(表压)的储罐,压力从罐顶测量。
3.41.4 移动式罐 portable tank
液体容量大于230L,不用于固定安装的任何密闭容器。
3.41.5 双层密封罐 secondary containment tank
内壁与外壁之间有环形间隙,并且设置有监视两壁泄漏措施的罐。
3.41.6 储罐 storage tank
容量超过230L,并且采用固定安装,且不用于加工的容器。
3.42 终端 terminal
厂区的一部分,通过大罐、管道、罐车接收液体,进行储存或批量混合,把液体分发到大罐、管道、罐车、移动式罐或货柜。
3.43 单元操作或单元加工 unit operation or unit process
一个物理或化学工序的一部分,它可以与(或不与)其他工序部分组成生产工艺流程。
3.44 蒸气压 vapor pressure按ASTMD323
检测,液体所产生的压力,其单位以Pa(绝对压力)计。
3.45 蒸气处理设备 vapor processing equipment
蒸气处理系统的组成部分,用于处理在输送、充装中收集到的蒸气或液体。
3.46 蒸气处理系统 vapor processing system
采用机械和化学方法收集和处理在输送时所排出的蒸气。例如采用压缩机强制捕集蒸气的系统和用冷冻、吸收和燃烧方法处理蒸气的系统。
3.47 蒸气回收系统 vapor recovery system
用以收集和保存(但不处理)在输送、充装中所排出蒸气的系统。如不含蒸气处理的平衡压力蒸气置换系统和真空强制系统。
3.48 蒸气气密性 vaportight
采用密封设施,防止易燃蒸气在正常操作温度和压力下异常泄漏的性能。
3.49 穹顶储库 vault
由四面墙壁、地面及顶板构成的封闭结构,内有液体储罐。除非需要检查、维修或保养穹顶、储罐或相关设备,一般不允许人员进入。
3.50 排气 vent
分为以下两种情况。
3.50.1 紧急释放排气 emergency relief vent
在暴露于火的情况下,通过出口、结构或设施能自动释放内部超高的压力。
3.50.2 正常排气 normal vent
在正常储存和操作的情况下,通过出口、结构或设施能自动释放内部压力或真空。
3.51 通风 ventilation
本标准中,通风指为了防止火灾和爆炸的空气流动。
3.52仓库 warehouse用于仓储作业的构筑物。
3.52.1 通用仓库 general-purpose warehouse
分开、隔离建筑物或其一部分,仅用于仓储作业。按建筑物规范和NFPA101进行分类,属于“储存一低危险”和“储存—一般危险”场所。
3.52.2 液体仓库 liquid warehouses
分开、隔离或附属建筑物或其一部分,仅用于液体仓储作业,其外墙至少占有建筑物周长的25%。
4 液体分类
4.1 闪点确定
4.1.1 在40℃时黏度低于5.5×10-6m²/s或在25℃时黏度低于9.5×10-6m²/s的液体,闪点按照ASTM D56测定。
注:稀释沥青、形成表面膜的液体,以及含有悬浮固体的液体,不得根据ASTMD56测定闪点,即使其符合黏度标准。此类液体依据4.1.2的方法测定。
4.1.2 在40℃时黏度等于或高于5.5×10-6m²/s,或在25℃时黏度等于或高于9.5×10-6m²/s的液体,闪点按照ASTMD93测定。
4.1.3 作为替代方法,ASTMD3278可用于测定油漆、清漆及相关产品(其组分的闪点介于0℃~110℃,且在25℃时黏度低于150×10-6m²/s)的闪点。
4.1.4 作为替代办法,ASTMD3828可用于测定ASTMD3278以外的材料的闪点。
4.2 液体分类
4.2.1 易燃液体
按照3.27的定义,易燃液体被分类为I级液体,可分为以下类别:
a)IA级液体——闪点低于22.8℃、沸点低于37.8℃的液体。
b)IB级液体——闪点低于22.8℃、沸点等于或大于37.8℃的液体。
c)IC级液体——闪点大于或等于22.8℃、低于37.8℃的液体。
4.2.2 可燃液体
按照3.27的定义,可燃液体可分为以下类别:
a)Ⅱ级液体——闪点等于或大于37.8C、小于60℃的液体。
b)ⅢA级液体——闪点等于或大于60℃、小于93℃的液体。
c)ⅢB级液体——闪点等于或大于93℃的液体。
5 防火防爆风险控制
5.1 适用范围
本章适用于与液体储存、操作、装卸和使用有关的危险控制。
5.2 火灾爆炸风险管理
本章所运用的管理方法,旨在识别、评估、控制在易燃与可燃液体操作过程中的危险性,这些危险性包括但不限于:物料准备、分离、提纯及状态、能量、成分的改变。
5.3 风险分析
5.3.1 一般要求
5.3.1.1 对易燃和可燃液体工艺操作进行评估,确保能针对液体可能形成的火灾和爆炸危险性,制定相应的预防措施和应急预案。注:以下情况可不作此要求:
——液体仅作为定点消耗的燃料。
——Ⅰ级和Ⅱ级液体在常压罐储存,或者以低于闪点的温度输送。
——商业场所、原油开发、钻井、油井服务或偏远地区的空闲设施。
5.3.1.2 用于液体加工装置的防火与控制范围取决于对操作的工程评价,评价根据严格的防火和加工原理进行。它包括但不限于:
——对液体操作中火灾爆炸危险性分析。
——工艺容器中的紧急排放分析,考虑到所使用材料的性质及采取的火灾防护和控制措施。
——按第15章、第16章、第17章、第24章、第25章设施的设计要求的分析。
——按第15章、第16章、第17章、第24章、第25章的液体处理、输送和使用要求的分析。
——对当地的情况潜在危险的分析,如邻近地界洪水易发、地震和风暴。
——对当地应急部门和服务部门应急响应能力的分析。
5.3.1.3 储存、加工、装卸、使用Ⅱ级、Ⅲ级液体时,操作温度大于或等于其闪点,则应遵循I级液体的要求。如果按本章要求进行工程评价,也可遵循其他液体等级要求。
5.3.2 变更管理
当火灾爆炸危险性显著变化时,应重复进行火灾危险性评估。可能需要重新评估的条件包括但不限于:
——工艺原材料发生变化。
——工艺设备发生变化。
——工艺控制发生变化。
——操作流程和职责发生变化。
5.4 火源控制
5.4.1 着火源
应采用预防措施,防止易燃蒸气被下列火源点燃:
——明火。
——照明。
——炽热表面。
——热辐射。
——吸烟。
——切割和焊接。
——自燃。
——摩擦热或火花。
——静电。
——电火花。
——杂散电流。
——烘炉、炼炉和加热设备。
5.4.2 吸烟
只允许在规定的和有适当标志的地方吸烟。
5.4.3 热工作业
在装有易燃液体的地方禁止焊接、切割和类似产生火花的操作,除非发有书面证明允许进行此项工作。许可证应由管理部门人员来签发,颁证的依据是根据其对该地区的检查确认,已采取适当预防措施并予以遵守,直到完工为止。
5.4.4 静电
5.4.4.1 所有设备,如罐、机器和管道的设计和操作应防止静电形成火源。
5.4.4.2 所有金属设备,如罐、机器和管道,在可能存在着火混合物的地方,应予跨接和接地。
5.4.4.3 跨接和接地应采用物理连接或用本身设备进行连接。
5.4.4.4 金属管线或设备的电绝缘段应予跨接和接地,以防静电积聚。
5.4.4.5 在可能存在着火混合物的地方,非金属设备和管线的设计和操作应防止静电形成火源。
5.5 检测与报警系统程序
5.5.1 应采取认可的措施,保证在发生火灾或其他险情时能迅速通知工厂、公共消防和互助部门。
5.5.2 可能会发生易燃液体溢出的地方(包括建筑物),应适当予以监视。其方法可包括如下:
——人员观察或巡逻。
——能够显示可能发生溢流或泄漏的工艺监视设备。
——用气体探测设备连续监视无人值守设施的地区。
5.6 火灾防范与抑制系统
5.6.1 本节提供普遍公认的管理控制系统及方法,用于防止或减少由于液体加工设施中的火灾或爆炸所造成的损失。根据5.2和5.3,可以单个或组合使用这些系统和方法,包括使用耐火材料。
5.6.2 根据操作、储存、暴露的特殊危险性分析,为满足灭火要求,应提供有足够压力和数量的可靠消防水源或其他合适的灭火剂。
5.6.3 禁止把消防水系统与工艺系统进行固定连接,以防止工艺流体污染消防水。
5.6.4 按照GB3445,GB4452配备有或无固定消防水炮喷嘴的消火栓,其数量和位置根据工艺设施的危险性进行确定。
5.6.5 对于5.3所述的液体加工、储存或暴露于火焰情况下的危险性,应采取固定式保护措施。这些措施包括认可的喷淋装置、水喷淋灭火系统、撒水系统、耐火材料或它们的组合。
5.6.6 火灾控制系统应按照下述标准进行设计、安装和维护:
——GB4066。
——GB4396。
——GB15308。
——GB20031。
——NFPA13。
——NFPA15。
——NFPA2001。
5.6.7 按照GB6246安装立管和消防水带;也可按照NFPA13使用喷雾和连续喷流嘴组合的自动喷水灭火系统连接消防软管。
5.6.8 提供一定数量、规格和型号的登记注册的灭火器。
5.6.9 提供轻便式泡沫灭火器,泡沫供应量和浓度应满足特殊危险性需要。
5.7 应急计划与培训
5.7.1 应制定书面的应急预案,应确定适当的设备和人员,应付火灾或其他紧急情况。该预案包括如下内容:
——在着火情况下所采用的程序(例如发出报警、向消防部门报警、撤出人员、控制和灭火);
——演练上述程序的计划安排。
——任命和培训人员,明确职责,在初次分配工作时职责要进行重新评审,在职责进行变化时要相应修改。
——维护和操作程序,包括防火设备系统、排水和排污系统、分散与通风设备及系统。
——关闭或隔离设备,以阻止液体和蒸气泄漏的程序,包括指定人员负责维护关键设施功能和关闭设施流程。
——保护人身安全的替代措施。
5.7.2 应对负责使用和操作防火设备的人员进行培训。应至少每年重新培训一次。
5.7.3 应与当地应急救援机构协同合作,制定有效的火灾控制计划。
5.7.4 应制定在应急状态下能安全停止操作的程序;并制定定期培训、检查及测试报警仪器、联锁装置及控制系统的制度。
5.7.5 在操作区域内的应急措施应切合实际,并方便使用,当条件变化时,应按5.3.2进行修订。
5.7.6 如果有的地方相当长时间内可能无人值守,则应将应急计划的简要说明张贴出来或放在重要且易接近的地方。
5.8 检查与维护
5.8.1 所有防火设备应按照标准作法和设备制造厂的建议进行适当维护、定期检查和测试。用水的防火保护系统应按GB27898进行检查、测试和维护。
5.8.2 维护和实际操作中应控制泄漏,并且防止易燃液体溢流。
5.8.3 应尽量减少操作区的可燃废料和残留物。可燃废料和残留物应放置在有盖的金属容器中,并进行日常清理。
5.8.4 储罐建筑物周围地面应没有废物、垃圾或其他无用的可燃性材料。
5.8.5 人员活动的通道应保持清洁,无障碍物,以便在火险发生时,能有次序地疏散人群,并进行消防和救护工作。
5.9 安全管理
5.9.1 一般要求
5.9.1.1 本节提供的管理方法,用于识别、评价和控制易燃和可燃液体工艺操作中的危险性因素。
5.9.1.2 这些危险性包括但不限于:恐怖袭击或其他蓄意破坏的行为。
5.9.1.3 评价方法应采用以风险为基础的方法来进行现场评价,并有以下目标:
a)安全风险的识别和评价。
b)对设施的安全性能进行评价。
c)对雇员、设施本身、周边社区及环境的评价。
5.9.2 特殊要求
5.9.2.1 对易燃和可燃液体工艺操作进行评估,通过安全漏洞分析(SVA)确认安全漏洞,以此制定出相应的安全程序、火灾预防和应急行动预案。
5.9.2.2 安全漏洞分析可以平衡采用物理技术、电子技术和人工技术,根据良好的安全原则,确定操作和应用的工程评价方法。该评价应包括但不限于以下:
——评估整体设施。
——评估漏洞。
——评估威胁、后果。
——评估物理因素、吸引力。
——确定缓解因素。
——进行安全评估或缺口分析。
5.9.2.3 应制定书面的应急预案,确定适当的设备和人员,以应付火灾或其他紧急情况。该预案包括如下内容:
——在着火情况下所采用的程序(例如发出报警、向消防部门报警、撤出人员、控制和灭火)。
——演练上述程序的计划安排。
——任命和培训人员,明确职责,在初次分配工作时职责要进行重新评审,在职责进行变化时要相应修改。
——防火设备的维护。
——关闭或隔离设备,以减少液体释放,包括指定人员负责维护关键设施功能和关闭设施流程。
——保护场所安全的其他措施。
5.9.2.4 具体人员的职责应在初次分配岗位时进行审查。当预期的岗位职责变化时,其作为行动反应的职责也应变化。
5.9.2.5 在以下条件下,安全管理评估应重新进行:
——新的设施及资产投入使用时的初步审查。
——当危险性或工艺过程发生实质性改变时。
——在重大安全事故发生后。
——安全漏洞分析的周期性再验证。
6 电气系统
6.1 使用范围
本章适用于储存和加工Ⅰ级液体的区域,也适用于在其闪点以上温度储存和加工Ⅱ级或Ⅲ级液体的区域。
6.2 一般要求
6.2.1 在正常操作或溢流情况下可能产生易燃蒸气的地方,所有电气设备和电线应确保不构成着火源。为达到这一要求,应符合6.2.2至6.2.8。
6.2.2 所有电气设备和电气配线及其安装都应符合NFPA70的规定。
6.2.3 在正常条件下电气设备的安装应根据表1进行区域划分。
6.2.4 在使用已划分区域时,已划分区域不应延伸到地板、墙壁、屋顶或其他没有连通开口的密实隔板以外。
6.2.5 关于等级和分类的名称在NFPA70第5章中予以定义。
6.2.6 表1中所列的区域划分是依据设备安装在所有方面都符合本标准为前提;否则,管辖部门有权对区域范围进行划分。
6.2.7 在6.2.1至6.2.6的条款中所要求的电气设备的安装,应适合Ⅰ级1类或2类场所,可以使用普通的设备(包括开关设备),其条件是这些设备放置在相对于划分区域为正压的房间或封闭的机壳内。
6.2.8 通风的补充空气避免受到污染。



7 液体容器储存:通用要求
7.1 适用范围
7.1.1 本章适用于易燃和可燃液体储存于:
——单个容量不超过450L的桶、其他容器。
——单个容量不超过2500L的移动式罐。
——不超过3000L的中型散装容器。
7.1.2 本章也适用于临时有限的液体倒装。
7.1.3 本章也可适用于双层桶(用于短时的容器密封,容量不超过230L),这类桶可看作是第3章定义的容器。
7.1.4 本章不适用于下列各项:
——用于工艺区域的容器、中型散装容罐、移动式罐(见第15章)。
——机动车、飞机、船舶、活动式或固定式发动机的燃料罐中的液体。
——不超过5L的单个容器中的瓶装饮料。
——药品、食品、化妆品及其他消费品(含有不超过50%体积水溶性液体而其余溶液是非易燃液体),并包装在容量不超过5L的单个容器内。
——当按照ASTMD92进行试验时,一直到沸点或呈现明显物理变化而仍未达到燃点的储存液体;
——闪点大于35℃的液体,在水溶性溶液中,或分散在水和惰性(不燃)固形物(含量占80%
以上,按重量计)之中,用“持续燃烧测试方法”(联合国《危险货物运输推荐规则》)测试,不产生持续燃烧的。
——木桶中储存的酒精或饮用酒。
7.2 一般要求
7.2.1 本节要求应用于第8章至第12章所述的液体储存区内的液体储存,不管储存量的多少。
注:如果第8章至第12章中所提出的要求更为严格,则优先采纳其要求。
7.2.2 为了应用本章,不稳定液体均按IA级液体处理。
7.2.3 疏散设施应符合NFPA101的要求。液体储存不能阻拦疏散设施。
7.2.4为了应用本章和第8章、第10章、第14章,“受保护储存”是指1997年1月1日后按照第14章要求采取了保护措施。所有其他的储存,应视为未受保护的储存,除非采取了被管辖部门认可的替代保护措施(见第14章)。
7.2.5 公称厚度至少为25mm的木料,允许用于制作架子、货架、垫板、拖板、地板及其他用途。
7.2.6 Ⅰ级液体不允许储存于地下室。
7.2.7 Ⅱ级和ⅢA级液体,在符合第14章规定保护措施下,可以储存在地下室。
7.2.8 ⅢB级液体可以储存在地下室。
7.2.9 容器、中型散装容器和移动式罐需要堆放的时候,应确保稳定,防止容器壁产生过应力。
a)移动式罐和中型散装容器堆放超过一层,应牢靠地摞起来,可无需垫板。
b)所使用的搬运设备应能安全地搬运每一层堆放的容器、中型散装容器和移动式罐。
c)使用动力操作的工业车辆移动Ⅰ级液体时,车辆的选择、操作和维护执行NFPA505。
7.2.10 在未受保护的储液区内的容器、中型散装容器和移动式罐,与靠近的横梁、桁架、大梁或其他屋顶构件的距离不应小于915mm。
7.2.11 用于建筑物维修、刷漆或类似的经常性维护工作的液体,允许储存在储存柜之外,或者储液区之外的封闭容器中,限制其数量不超过10天的正常使用量。
7.2.12 储存、搬运和使用Ⅱ级和Ⅲ级液体,如果加热温度在其闪点及以上,应执行Ⅰ级液体的要求。除非按第5章的要求进行工程评价,可采用其他等级液体的要求。
7.3 容器的材质
7.3.1 只有经过认可的容器、移动式罐和中型散装容器才能用于I级、Ⅱ级、ⅢA级液体。
7.3.2 金属容器、金属中型散装容器和轻便式金属罐及其所装产品应符合联合国《危险货物运输推荐规则》第6部分的要求。
7.3.3 塑料容器如果符合下列规范之一,则允许用于储存规定范围内的石油产品:
——ASTMF852。
——ASTMF976。
——ANSI/UL1313。
——ANSI/UL30。
——ANSI/UL1313。
——ANSI/UL1314。
——FM分级数6051和6052。
7.3.4 塑料容器应符合下列要求:
——联合国《危险货物运输推荐规则》第6部分的要求。
——NMFC第256,258条款。
7.3.5 纤维桶应符合NMFC第294,296条款。
7.3.6 刚性非金属中型散装容器应符合NFMC有关规定要求。
注1:为保证储存安全,刚性非金属中型散装容器经过标准的火灾试验,证明其具有内部储存防火性能,并应登记注册和贴上标签。
注2:药品、饮料、食品、化妆品或其他通用消费品,符合公认的包装方法,进行零售的,可不必符合本节要求。
7.4 容器的排气
7.4.1 每个移动式罐或中型散装容器应在其顶部配置一个或几个具有足够排气能力的应急排气装置,以便在暴露于火焰时把内压限制在70kPa(表压)或罐的爆炸压力的30%(两者中取较大者)。
7.4.2 总排气能力不应小于19.7.3中的规定。
7.4.3 至少应使用一个在103.4kPa(绝压)和15.6C条件下,排气能力为170m³/h的压力驱动式排气装置。其开启压力不小于35kPa(表压)。
7.4.4 如果使用易熔式排气口,其操作温度应低于150℃。当用于油漆、干性油和其他类似材料时,由于压力驱动阀会堵塞,可采用易熔塞或其他通风装置,使其在最高为150℃时软化失效,以满足容器在暴露于火焰时应急排气的需要。
7.5 容器的尺寸
7.5.1 储存Ⅰ级、Ⅱ级和ⅢA级液体的容器、中型散装容器、移动式金属罐的最大容许尺寸不应超过表2中的规定。
注:在7.1,7.5.2和7.5.3中规定的除外。

7.5.2 如果在金属容器中储存IA级和IB级液体会影响液体的纯度(分析纯以上),或液体会引起金属容器的过度腐蚀,则可以储存在5L容量以上的玻璃容器中。
7.5.3 超过230L的容器泄漏或损坏,可按第8章至第10章的规定,用第二层包装的容器作临时储存。
——第二层包装的容器采用与泄漏或损坏的容器相同的材料,可认为是符合第14章的保护措施。
——金属双层容器可认为是无泄漏的容器。
7.6 易燃液体储存仓
7.6.1 容量不超过460L的Ⅰ级、Ⅱ级和ⅢA级液体可以储存在一个储存仓内。
7.6.2 在一个储存仓群储存Ⅰ级、Ⅱ级和ⅢA级液体总的累计量不应超过该区域内易燃和可燃液体的最大允许量。
7.6.3 使用储存仓储存液体,应符合下列至少一项要求:
a)储存仓的设计和制造应按照ASTME119的时间一温度曲线,使用燃烧器模拟室内火灾进行10min火灾试验时,应使仓内离开仓顶2.5cm的中心处温度不超过163℃。所有连接口和接缝在火灾试验期间,应密闭,且室门应保持紧闭。
b)金属储存仓按下列方式制造:
——底部、顶部、门和壁部所用钢板厚度应符合要求,制成双层式,中间为3.8cm的间隙。
——接头采用铆接、焊接或用相等有效方法予以密封。
——仓门应设置三点式插销;门槛应比仓底高出至少50mm,用以阻留泄漏的液体。
c)木质储存仓按下列方式制造:
——底部、侧壁和顶部应用优质胶合板制成,厚度至少30mm,在火灾条件下不应破裂和分层。
——仓门多于一个时,其嵌接互搭不应小于25mm。
——所有连接口应采用嵌接,并用木螺钉在两个方向予以固定。
——门应配备插销,活页的制造和安装应保证暴露于火焰时不失去其固定能力。
——在仓底部应留有50mm高的门槛或槽,用以把泄漏的液体阻留在仓内。
d)登记注册的储存仓,应按照7.6.3a)进行制造和试验。
7.6.4 出于防火的目的,储存仓不需要进行通风。
——通风口应使用储存仓上的塞子或厂家专门提供的塞子密封。
——如果储存仓因任何原因需要通风,应直接向室外通风,这种方式不应影响储存仓的具体操作,且应为管辖部门所接受。
7.6.5 储存仓应标记醒目字样,如“易燃物品,严禁烟火”。字体、颜色和样式应符合安全标志规范。
7.7 控制区域的最大允许量
7.7.1 一般场所限制
每个控制区域的液体的最大允许量不超过表3的数量。

7.7.2 特殊场所限制
7.7.2.1 对于以下场所,每个控制区域的液体的最大允许量不超过表4的数量。
——集会场所。
——紧急救治场所。
——商务场所。
——日常护理场所。
——收留和矫正场所。
——教育场所。
——医疗场所。
——住宿场所。

7.7.2.2 在易燃液体储存仓,允许储存级和Ⅱ级液体混合超过38L,或者Ⅲ级液体超过227L,累计总量不超过680L。
7.7.2.3 操作可移动设备时,如果该设备符合防火规范,其油箱中的燃料量允许超过表3的数量。
7.7.2.4 对于紧急救治场所、日常护理场所、教育场所和医疗场所,如果建筑物内装备有符合NFPA
13规定的自动喷淋保护,数量允许加倍。
7.8 控制区域
7.8.1 本标准中,控制区域是指在一个建筑物内,液体的数量不超过表3、表4的地方。
7.8.2 控制区域相互之间由防火堤隔开,见表5。

7.8.3 位于地下的控制区域可当作地下室,不允许储存Ⅰ级液体。
7.9 控制区域超过最大允许量的场所分级
7.9.1 场所分级
储存液体的建筑物或建筑物一部分,如果控制区域内超过最大允许量,分为2级保护场所和3级保护场所。
a)2级保护:控制区域内液体属于2级高危险性液体,超过最大允许量的建筑物或建筑物一部分,划分为2级保护场所。
b)3级保护:控制区域内液体属于3级高危险性液体,超过最大允许量的建筑物或建筑物一部分,划分为3级保护场所。
7.9.2 特殊场所要求
液体储存于2级保护场所和3级保护场所,应符合本标准和NFPA5000中有关液体储存房间和液体仓库的要求。
7.10 结构要求
7.10.1 储存区的建造应满足表6规定的耐火等级。其结构应符合ASTME119的规定。

7.10.2 通向相邻房屋或建筑物的内墙开口和外墙开口应配有通常关闭的防火门,经登记注册的防火门耐火等级按墙壁的耐火等级选取,并符合表7的要求。

7.10.3 如果防火门的结构是在火灾应急情况下通过注册的关闭装置自动关闭,则在材料搬运期间应保持开启状态。防火门的安装应符合NFPA80的规定。
7.10.4 外墙的结构设计应便于通过通道、窗户或轻型不燃嵌板进入,进行救火作业。
注:如果液体储存房间完全封闭在建筑物内,不必满足此要求。
7.11 防火要求
7.11.1 受保护的储存
受保护的储存需要防火措施,按7.11.2和第14章的要求。
7.11.2 手动防火保护
7.11.2.1 按GB4351,GB8109的规定配备轻便灭火器。
7.11.2.2 轻便灭火器应符合以下要求:
——所有通向内部储存区的门口外面3m以内,应至少设置一个不小于40-B等级的轻便式灭火器。
——如果任何I级或Ⅱ级液体储存区位于内部储存区的外面或液体仓库的外面,则在与该储液区相距9m的区域内,应至少设置一个不小于40-B等级的轻便式灭火器。
注:作为替代方案,在这样区域15m以内应至少设置一个不小于80-B等级的轻便式灭火器。
7.11.2.3 从喷淋系统接出的水龙带应按NFPA13的规定进行安装。
7.11.2.4 从消防立管系统接出的水龙带应按GB6246的规定进行安装。
7.11.2.5 水龙带连接应符合以下要求:
——在受保护的通用仓库和液体仓库中,应设置水龙带。
——预连接的水龙带,可使用38mm带衬里的,也可用25mm硬橡胶的,使用组合喷头或直流喷嘴。
7.11.2.6 供水应满足固定式消防设备的需要;此外还要加上室内和室外至少2h为消防水带提供1900L/min的水量。除非按第14章的规定进行自动喷淋保护。
7.12 电气系统
7.12.1 在液体储存区,如果所有容器、中型散装容器和移动式罐密封良好,没有打开,则不需要进行电气区域分级,7.12.2除外。
7.12.2 用于Ⅰ级液体的内部房间中的电气线路和用电设备的等级为Ⅰ级2类区域;对于Ⅱ级和Ⅲ级液体,电气线路和用电设备的等级与普通用途相适应。
注:Ⅱ级和Ⅲ级液体在闪点以上温度储存的,按Ⅰ级2类区域的要求。
7.13 收集、排液与溢流控制
7.13.1 除非排放经过特殊批准,否则储存区应设计一个收集设施,其操作能够防止液体排放进入公共水道、公共下水道或相邻地界。如果排液系统排放到私人或公共下水道、公共水道,则需要设置栅栏和分离器。
7.13.2 对于单体容积超过38L的容器,应采用挡流板、排水口、排水渠或其他合适的方式,防止液体在紧急情况下排放到邻近的建筑区。
7.13.3 收集和排液应通往许可的位置。使用排液系统时,应有足够的容量来容纳意外情况下防火系统的消防水排放。
7.13.4 只储存皿级液体的地方,不要求溢流控制、收集、排液措施。
7.13.5 含有不饱和聚酯树脂不超过50%(重量比)的IC,Ⅱ,ⅢA级液体,按第14章实施保护的,不要求溢流控制、收集、排液措施。
7.13.6 按第14章对储存区实施保护的,溢流控制、收集、排液措施应符合14.8的规定。
7.14 通风
进行分装的液体储存区应设置通风,符合16.5的要求。
7.15 爆炸控制
7.15.1 在使用容量大于4L的容器储存IA级液体时,区域内应按NFPA69的规定设置防爆措施。可以采用经批准的限制损害结构设计。
注:完全封闭在建筑物内的液体储存房间不必满足此要求。
7.15.2 储存不稳定液体的地方,根据所储存的液体,设计采用认可的限制损害结构,防止爆燃和爆炸伤害。
7.16 不相容材料隔离
7.16.1 使用大于2.268kg或1.89L的容器储存与液体不相容的材料时,应与液体隔离,7.16.3除外。
7.16.2 隔离措施采用以下之一:
——隔离不相容材料的距离不小于6.1m。
——在储存材料的边上,设置不低于460mm高的不可燃物,完全隔离不相容材料。
——易燃液体储存仓按7.6的要求。
7.16.3 易燃和可燃液体应与氧化剂分隔至少7.6m。
7.16.4 遇水反应的材料不能与液体储存于同一控制区域内。
7.17 液体的分装、搬运和使用
7.17.1 液体的分装、搬运和使用应符合第16章的要求。
7.17.2 分装Ⅰ级液体,或在高于闪点的温度下分装Ⅱ级、Ⅲ级液体,不允许在地面超过93m2的储存区进行。除非储存区按表6的要求隔离并符合7.10的所有要求。
7.18 室外液体储存
建筑物外的液体储存应符合第12章和第13章的要求。
8 液体容器储存:商业场所
8.1 适用范围
8.1.1 本章适用于在商业场所,对容器储存的液体进行搬运、存放和陈列,单个容器不超过450L。
8.1.2 本章也适用于在商业场所,出于商业目的,偶尔对液体进行有限分装的情况。
8.1.3 本章不适用于下列情况:
——第15章所涵盖的容器、中型散装容器和移动式罐的操作。
——机动车辆、飞机、船只、移动或固定式发动机的燃料箱中的液体。
——在不超过5L容量的单个容器中包装的饮料。
——药品、食品、化妆品和其他消费产品(含有不超过50%体积分数的水溶性易燃或可燃液体,剩余成分为不燃物),封装在不超过5L容量的单个容器中。
——按照ASTMD92的规定测试,无着火点的液体,温度达到液体的沸点,或者使液体呈明显的物理变化的温度。
——闪点大于35℃的液体,存于含水的混合溶液中,或分散在水和不可燃的固体中(水和固体质量分数大于80%),按照联合国《危险货物运输推荐规则》的规定测试,不会持续燃烧。
——在木质酒桶中存放的蒸馏酒和葡萄酒。
8.2 一般要求
8.2.1 不稳定液体当作IA级液体。
8.2.2 根据保护等级,液体陈列布置、储存布置及最大数量应符合表8的要求。
8.2.3 容器的设计、制造和容量要求应符合第7章的要求。
8.2.4 药品、饮料、食品、化妆品和其他日常消费品使用普通包装的,可不适用7.3和7.5的要求。
8.2.5 在商业场所使用的储存仓,其设计、制造和容量应符合7.6的要求。
8.2.6 在商业场所使用的单独液体储存房间、危险材料储存柜作为隔离的储液区,其设计、制造和操作应符合第7章的有关规定。
8.3.1 每个控制区域内陈列和储存的液体,最大允许量见表8。

8.3.2 在1997年之前已有的未受保护的商业场所,每个控制区内允许储存或陈列的ⅠB,ⅠC,Ⅱ,ⅢA(任何组合)的量为28500L。
8.3 控制区域
8.3.1 每个控制区域内陈列和储存的液体,最大允许量见表8。
8.3.2 在1997年之前已有的未受保护的商业场所,每个控制区内允许储存或陈列的ⅠB,ⅠC,Ⅱ,ⅢA(任何组合)的量为28500L。
8.4 特殊限制
8.4.1 在高于地面的地板上,Ⅰ级、Ⅱ级液体在未受保护场所内的数量限制在230L,在受保护场所内的数量限制在454L。
8.4.2 Ⅰ级、Ⅱ级液体不允许储存和陈列在地下室。
8.4.3 容量大于23L的液体容器不能储存和陈列在公众接近的地方。
8.4.4 非水溶性的Ⅱ级液体储存在3.8L的塑料容器或更大的容器中,限制如下:
a)每一堆积的最大量不超过115L。
b)如果液体储存在有自动喷淋保护区域内,装有喷淋强度为24mm/(min·m²),覆盖面积超过232m²,使用高温K=11.2喷淋器或更大的快速响应喷淋器时,最大允许量为230L。
c)如果液体储存在登记注册的易燃液体储存柜,每个陈列或储存队列的最大允许量为230L。
d)相邻陈列或储存队列的最小距离为15m。
8.5 结构要求
8.5.1 控制区域之间的隔离墙应符合表8的要求。
8.5.2 在商业场所内,独立的液体储存房间,或当作独立液体储存房间的危险材料储存柜的结构应符合第7章的要求。
8.6 防火
8.6.1 自动喷淋系统的设计应根据表17的规定进行。
8.6.2 液体储存、陈列的防火保护方案,如果是在经过认可的测试设施上进行全面试验的基础上进行设计和实施,可以认为其能够替代第14章的防火准则。这种替代的系统需由管辖部门认可。
8.6.3 液体储存的地方应配备移动式灭火器。
8.6.4 消防水龙带应符合NFPA13的规定。
8.7 电气系统
8.7.1 电线和电气设备应符合第6章的规定。
8.7.2 在液体储存区,如果所有容器、中型散装容器和移动式罐密封良好,没有打开,则不需要进行电气区域分级,7.12.2除外。
8.7.3 液体分装量不超过0.5L的作业(包括油漆、涂料的着色等),不需要进行电气区域分级。
8.8 收集、排液与溢流控制
8.8.1 单个容积超过38L的容器,按第14章的要求提供保护措施的,应按14.8的要求设置收集和排液(参见7.13)。
8.8.2 商业场所内,独立液体储存房间和当作独立液体储存房间的危险材料储存柜应有溢流和密封保护,符合7.13的要求。
8.9 通风
8.10 不相容材料隔离
见7.16。
8.11 液体分装、搬运和使用
商业场所的液体分装、搬运和使用见第16章。
8.12 液体室外储存
商业场所的液体室外储存见第13章。
9 液体容器储存:工业场所
9.1 适用范围
本章适用于工业场所内易燃和可燃液体,储存于:
——单个容积不超过450L的容器。
——单个容积不超过2500L的移动式罐。
——单个容积不超过3000L的中型散装容器。
9.2 一般要求
液体储存应符合第7章和16.4的要求。
10 液体容器储存:储存场所
10.1 适用范围
本章适用于工业场所内易燃和可燃液体,储存于:
——单个容积不超过450L的桶或容器。一单个容积不超过2500L的移动式罐。
——单个容积不超过3000L的中型散装容器。
10.2 一般要求
10.2.1 通用仓库内液体储存量超过表3所列的控制区域内最大允许量,但不超过10.5规定量的,应符合10.5的规定。
10.2.2 通用仓库内液体储存量超过10.5规定量的,应按液体储存房间或液体仓库的要求执行。
10.2.3 本章所有设施应符合7.2的要求。
10.2.4 为了应用本章,“受保护储存”是指1997年1月1日后按照第14章要求采取了保护措施。所有其他的储存,应视为未受保护的储存,除非采取了被管辖部门认可的替代保护措施(见第14章)。
10.2.5 受保护和未受保护的密实堆放和托板储存的布置应设置通道,使任何容器、移动式罐、中型散装容器离开过道的距离不大于6m。
10.2.6 受保护的密实堆放和托板储存,受保护的货架储存,两个相邻堆场或相邻的货架之间的通道至少为1.2m。其他情况见第14章。
10.2.7 未受保护的密实堆放和托板储存,两个相邻堆场之间的通道至少为2.4m宽。
注:储存ⅢB级液体的容器,在闪点以下温度,每堆之间的距离,可以按照表9给定的每堆最大数量和最大储存高度,按比例相应减小到0.6m~1.2m。
10.2.8 未受保护的货架储存,两个相邻的货架和相邻液体储存之间的通道至少为1.2m。主要通道至少为2.4m。
10.2.9 在受保护的液体储存区内,空的和闲置的可燃托盘应符合NFPA13的要求。
10.2.10 在未受保护的液体储存区内,空的和闲置的可燃托盘最大堆积面积为230m2,最大堆积高度为1.8m。
10.2.11 空的和闲置的可燃托盘与液体储存之间应通过宽度至少2.4m的过道隔开。
10.2.12 有限数量的可燃商品(NFPA13中所规定的),如果按照第14章的要求采取了保护措施,且普通可燃物(除液体包装材料外),通过过道或敞开的货架与储存的液体分开水平距离不小于2.4m,则允许存放在液体储存区。
10.3 最大允许量和最大储存高度10.3.1液体储存房间
10.3.1.1 液体储存房间的液体储存应符合表9的要求。

10.3.1.2 装有Ⅰ级、Ⅱ级液体,容量超过115L的容器不能码放超过一层,除非按第14章的要求提供保护。
注:对于液体仓库中的内部房间和危险物品储存柜,如果提供等于或高于仓库本身的保护的,不必适用本条规定。
10.3.2 液体仓库
10.3.2.1 储存在受保护的液体仓库中的液体总量不受限制。
10.3.2.2 除了第7章和第11章的规定外,未受保护的液体仓库储存量限制按表10的要求。

10.3.2.3 两种或多种等级的液体储存在一排或一列货架时:
——其允许的最大储存量和最大储存高度应分别取所存放的各类液体在单独存放时允许最大储存量与允许最大储存高度的最小值。
——最大储存总量为各类液体按其所占比例计算的最大储存量之和。
——比例的总和不能超100%。
10.4 控制区域
见7.8。
10.5 通用仓库
10.5.1 液体仓库中搬运可燃商品,允许用容量为5L及更小的容器储存ⅠB和ⅠC级液体,或用容量为20L及更小的容器储存Ⅱ级液体,或用容量230L及更小容器储存ⅢA级液体,或用容量1040L或更小的容器、中型散装容器、移动式罐储存ⅢA级液体,应按照NFPA13的规定,采用自动喷淋装置对液体储存区予以保护,可选择以下方案之一:
a)储存区对于储存高度为6m的Ⅳ级商品,按NFPA13的规定进行。
b)按照本标准第14章的要求。
10.5.2 液体储存的量和高度应限制在:
a)ⅠA:不允许。
b)ⅠB和ⅠC级:2500L,最高1.5m,堆积在地板上,无货架或其他储存物在上面。
c)Ⅱ级:5200L,最高1.5m,堆积在地板上,无货架或其他储存物在上面。
d)ⅢA级:10400L,最高3m,堆积在地板上,无货架或其他储存物在上面;如果储存在货架上,最高3m。
e)ⅢB级:52000L,最高4.6m,堆积在地板上,无货架或其他储存物在上面;如果储存在货架上,最高4.6m。
10.5.3 两种或多种等级的液体储存在一排或一列货架时:
——其允许的最大储存量和最大储存高度应分别取所存放的各类液体在单独存放时允许最大储存量与允许最大储存高度的最小值。
——最大储存总量为各类液体按其所占比例计算的最大储存量之和。
——比例的总和不能超100%。
10.5.4 塑料容器装的Ⅰ级和Ⅱ级液体不应储存在通用仓库内,而应储存在满足本标准的液体储存房间或液体储存仓库内。
注1:下列装在塑料容器中的液体,允许储存在符合本节有关保护和储存限制的通用仓库内:
——单独容器中,水溶性液体含量不多于50%(体积比),而其余溶液为非Ⅰ级液体。
——单个容量不超过0.5L的容器内,含有多于50%(体积比)的水溶性液体。
注2:塑料容器中的1级和Ⅱ级液体,如果其包装系统的材料是登记注册和标注的,则可以储存在通用仓库内,并遵守本节的所有其他条款。
10.5.5 在通用仓库内的液体或一般可燃商品的储存按以下要求:
a)液体不应与普通可燃品存放在同一堆或同一层货架中。如果液体与普通可燃物包装在一起,比如木桶,则应考虑其中何种物品危险性最高。
b)除了按a)的规定执行之外,普通可燃商品与容器中的液体至少应相隔2.4m。
10.6 结构要求
储存区的结构应符合第7章的要求。
10.7 防火见第14章。
10.8 电气系统
电线和电气设备的安装应符合第6章和7.12的要求。
10.9 收集、排液与溢流控制
单个容积超过38L的容器,溢流和收集保护应符合7.13的要求。
10.10 通风
在液体储存区进行分装作业应按16.5的要求进行通风。
10.11 防爆
见7.15。
10.12 不相容材料隔离
见7.16。
10.13 液体分装、搬运和使用
商业场所的液体分装、搬运和使用见第16章。
10.14 液体室外储存
商业场所的液体室外储存见第13章。
11 液体容器储存:未受保护的独立建筑物
11.1 适用范围
本章适用于未受保护的独立建筑物内的易燃和可燃液体,储存于:
——单个容积不超过450L的桶或容器。
——单个容积不超过2500L的移动式罐。
——单个容积不超过3000L的中型散装容器。
11.2 一般要求
11.2.1 建筑物与同一地界内暴露的商务场所、工业场所、商业场所、储存场所的水平分隔距离,以及与任何已建或待建的地界线的水平分隔距离至少为60m(如果提供暴露保护,则距离为30m)。
11.2.2 建筑物与同一地界内暴露的其他场所(除了商务场所、工业场所、商业场所、储存场所之外)的水平分隔距离,以及与任何已建或待建的地界线的水平分隔距离至少为300m(如果提供暴露保护,则距离为150m)。
11.2.3 从建筑物出来的逃生通道长度不能超过23m。
11.2.4 货架储存,相邻的货架和相邻液体储存之间的通道至少为1.2m。
11.2.5 密实堆放和托板储存应相互分离至少1.2m,并设置通道,使容器、移动式罐离开过道的距离不大于6m。
注:储存ⅢB级液体的容器,在闪点以下温度,每堆之间的距离,可以按照表10给定的每堆最大数量和最大储存高度,按比例相应减小到0.6m~1.2m。
11.2.6 有限数量的可燃商品(NFPA13中所规定的),如果按照第14章的要求采取了保护措施,且普通可燃物(除液体包装材料外),通过过道或敞开的货架与储存的液体分开水平距离不小于2.4m,则允许存放在液体储存区。
11.2.7 空的和闲置的可燃托盘最大堆积面积为230m2,最大堆积高度为1.8m。托盘储存与液体储存之间应由至少2.4m宽的过道隔开。
11.2.8 容器、中型散装容器、移动式罐与最近的撑梁、弦、大梁或其他屋顶构件的距离至少为915mm。
11.3 最大允许量和最大储存高度
11.3.1 液体储存未受保护的独立建筑物,总量不受限制。
11.3.2 液体储存未受保护的独立建筑物内,采用堆积或用货架储存时,不能超过表10规定的每堆和每个货架最大储存高度和最大储存量。
11.3.3 两种或多种等级的液体储存在一排或一列货架时:
——其允许的最大储存量和最大储存高度应分别取所存放的各类液体在单独存放时允许最大储存量与允许最大储存高度的最小值。
——最大储存总量为各类液体按其所占比例计算的最大储存量之和。
——比例的总和不能超100%。
11.4 结构要求
11.4.1 建筑物高度不超过一层。
11.4.2 建筑物不能有地下室、地沟和其他附属地下建筑。
11.5 防火
11.5.1 不需要设置自动防火系统。
11.5.2 应对初期火灾可采用手动灭火设备,见7.11.2。
11.6 电气系统
电线和电气设备的安装应符合第6章和7.12的要求。
11.7 收集、排液与溢流控制
11.7.1 单个容积超过38L的容器,溢流控制应符合7.13的要求。
11.7.2 收集和排液应符合7.13的要求。
注:如果建筑物没有消防水系统,则不需要考虑消防水的收集和排液。
11.8 通风
在液体储存区进行分装作业应按16.5的要求进行通风。
11.9 防爆
见7.15。
11.10 不相容材料隔离
见7.16。
11.11 液体分装、搬运和使用
储存区的液体分装、搬运和使用见第16章。
11.12 液体室外储存
建筑物外的液体储存见第12章和第13章。
12 危险物品储存柜
12.1 适用范围
本章适用于专门用于储存危险材料(液体)的移动式、模块化、预制的储藏柜,也被称为危险物品储存柜(以下简称“储存柜”),储存于:
——单个容积不超过450L的桶或容器。
——单个容积不超过2500L的移动式罐。
——单个容积不超过3000L的中型散装容器。
12.2 一般要求
12.2.1 当作内部储存房间的危险物品储存柜,应符合第7章至第11章以及本章12.3至12.5的要求。
12.2.2 室外用容器和危险物品储存柜应符合12.3至12.5的要求。
12.3 储存柜的设计与结构
12.3.1 储存柜的设计和建造应符合当地条例和要求,并须经管辖部门的认可。
12.3.2 轻便式的预制结构,应经管辖部门认可的组织进行测试、登记注册、加上标签后,可以用作危险物品储存设施。
12.3.3 储存柜占地面积不应超过140m2。
12.3.4 储存柜不允许垂直堆积。
12.3.5 如果需要电气配线和设备,则应符合第6章和7.12。
12.3.6 如果允许在储存柜内进行分装或罐装,其操作应符合第16章。
12.3.7 应按16.5设置通风装置。
12.3.8 储存柜应设有溢流槽,用于防止在紧急情况下液体外溢。溢流槽容量应足够大,应能容纳涉及所有容器容积的10%或最大容器容量(取两者大值)。
12.4 储存柜的指定位置
12.4.1 储存柜应放置在认可的指定位置。
12.4.2 在指定位置,单个储存柜之间的最小间隔距离、储存柜距已建或待建的地界线的距离、储存柜到最近的公用道路一侧的距离或到同一地界线上重要建筑物的距离应符合表11的规定。

12.4.3 一旦指定位置被批准,没有管辖部门的同意,不准随意变更。
12.4.4 在一个指定场所中可设置一个以上的储存柜,储存柜的间隔距离应符合表11。
12.4.5 经过认可的储存柜位置,应施加保护以防止公众进入或侵扰。
12.5 储存要求
12.5.1 原有运货箱中的液体容器,应允许采用拖板或密实堆积储存方法。
12.5.2 没有装箱的容器应允许储存货架子上或直接储存在储存柜的底板上。
12.5.3 容量大于114L的储存I级或Ⅱ级液体的容器堆放高度,不应超过两个容器的高度。
12.5.4 在任何情况下,储存物的排列位置,都能保证通道畅通,人员能够自由出入。
12.5.5 其他混杂的可燃材料,包括闲置托盘、多余植物和包装材料等,不允许放置在离储存柜1.5米的区域内。
12.5.6 储存柜的标牌公告或警告的标记,应符合有关法规或SY/T6355。
13 室外储存(邻近建筑物)
13.1 适用范围
本章适用于室外液体储存于:
——单个容积不超过450L的桶或容器。
——单个容积不超过2500L的移动式罐。
——单个容积不超过3000L的中型散装容器。
13.2 一般要求
13.2.1 在室外用容器、中型散装容器和移动式罐储存液体,应遵循表12以及下列规定。

13.2.2 当两个或更多等级的材料储存在同一个堆内时,该堆的最大储存量应是其各自允许量中的最小量。
13.2.3 同一堆内的任何容器、中型散装容器或移动式罐,距离进出通道(至少6m宽)的距离不应大于60m,以便于在所有天气条件下消防设备易于接近。
13.2.4 表12中列举的距离适用于具有暴露保护的地界。如果有暴露于火焰但无保护措施,则在表12中第4栏中的距离应予以加倍。
13.2.5 当每堆总储存量不超过每堆最大允许储存量的50%时,则最后两栏的间距要求可以减半,但不得少于0.9m。
13.2.6 储存区内应采取措施,使可能溢出的液体从建筑物或暴露的地方转移出去,可用至少高为150mm的路缘石予以包围。当使用路缘石时,应采取措施把地面水、雨水或溢出的液体排走。排液通道应通至安全地带且当在火灾条件下也能自由流水。
13.2.7 可能有人接近的地方,应采取措施防止无关人员进入。
13.2.8 存储区域应保持无杂草、杂物,其他与储存无关的可燃材料,应距离所储存材料的周围至少3m。
13.2.9 储存区可采用檐篷或屋顶防雨,但不能限制散热或易燃气体散发,也不能限制消防车进入。
13.3 室外储存(邻近建筑物)
13.3.1 容器、中型散装容器、移动式罐内储存液体最大容量为4160L时,可以邻近属于同一管理措施的建筑物,其条件是:
a)相邻建筑物外墙的耐火等级为2h。
b)距离储存区3m范围内的平面及其上部区域不得有开口。
c)在储存区的上方不得开口。
d)在储存区周围15m范围平面以下的区域内没有开口。
13.3.2 如果邻近建筑物只限于一层,属于耐火或非可燃结构,且主要用于储存液体,经过管辖部门认可,可不受13.3.1的条件限制。
13.3.3 如果建筑物符合13.3.1条件,则相邻区域的所储存的液体每堆的最大储存量不超过4160L,每堆货物沿着公共墙的最小距离为3m,则可以超过13.3.1中所规定的最大储存量。
13.3.4 如果建筑物与最近的容器或移动式罐之间的最小间距符合表12有关地界线的要求,液体储存量可以超过13.3.1中所规定的4160L。
13.3.5 如果不能满足13.3.1,则建筑物与最近的容器或移动式罐之间的最小间距应符合表12有关地界线的要求。
14 储液器内部的自动防火保护
14.1 适用范围
14.1.1 本章适用于所有符合第7章要求的容器、中型散装容器或移动式罐,在内部储存易燃和可燃液体所需的自动防火保护系统;
14.1.2 本章不适用于IA级易燃液体、不稳定的易燃和可燃液体。
14.1.3 液体储存按本章要求采取了保护措施,则可认为是“受保护”(见14.2.2),其他储存则认为是“未受保护”,除非管辖部门认可了替代保护措施。
14.2 专用定义
14.2.1 中型散装容器(IBC)
指中型散装容器用“IBC”表示。
14.2.2 受保护储存
易燃和可燃液体按本章要求采取保护措施。
14.2.3 泄压式容器
金属容器、金属中型散装容器或移动式金属罐装配有至少一个泄压装置,其设计的尺寸和结构能够确保在暴露于火焰时,释放内部压力,防止发生剧烈破裂。
14.2.4 不饱和聚酯树脂(UPR)
不饱和聚酯树脂(UPR)是指在ⅠC,Ⅱ和ⅢA级液体中树脂的质量分数超过50%,不能有ⅠA或ⅠB级的液体。
14.2.5 黏性液体
受热时胶化、变稠或凝固的液体,或者在室温下黏度与重量百分比的比值如图1的阴影部分所示的Ⅰ,Ⅱ和ⅢA级液体。

14.2.6 水溶性液体
见3.27.5。
14.3 一般要求
14.3.1 在同一防火区,如果有不同的液体级别、不同的容器类型、不同储存方式,应符合以下保护要求:
a)对储存中最严重的火灾危险,适用本章要求。
b)如果储存区域与邻近的危险区域之间没有采用障碍或分区进行物理隔离,以延缓热从该区域传导,则需要采取以下保护措施:
1)把保护区的周长延伸6m,不少于所需的最小设计喷淋面积;
2)防止在紧急情况下,燃烧的液体流动进入邻近的危险区;
3)按14.8规定的要求提供收集和排液措施。
14.3.2 除非有另外的具体要求,单排架不得超过1.4m宽,双排架不得超过2.8m宽。
14.3.3 为应用本章的防火准则,相邻的堆和相邻的货架之间应确保有1.8m的通道。14.5规定的其他情况除外。
14.3.4 黏性液体的保护,采用下列之一:
a)ⅢB级液体根据图2和图3确定准则。
b)A组塑料根据图3确定准则。
14.3.5 通过在认可的测试场所进行全面火灾测试后,设计和开发的保护系统,或者其他的工程保护方案,可认为是符合本章的保护标准的替代方案,这种替代方案应经管辖部门认可。
14.3.6 对于容量超过25L,小于450L的泄压式容器,适用以下要求:
a)应按FM规定登记注册和贴上标签。
b)泄压装置不能涂漆,也不能封盖。如需使用封盖,须由热塑性材料制成。
c)对于大于25L的金属容器,泄压装置不应被阻塞,否则应增加另外一个泄压装置。
14.3.7 按照表13、表14进行保护的刚性中型散装容器,通过进行标准耐火试验,证明其内部存储的防火性能可靠,应予登记注册和贴上标签。
14.4 自动喷淋和泡沫一水灭火系统
14.4.1 采用自动喷淋灭火装置或低膨胀泡沫一水喷淋灭火系统对液体储存进行保护,可根据图2~
图4的适用要求,按照14.5中相应的表格,确定防火准则:
a)图2用于金属容器、移动式金属罐、金属中型散装容器中储存混溶性、非混溶性易燃和可燃液体。
b)图3用于非金属容器、非金属中型散装容器中储存混溶性、非混溶性易燃和可燃液体。
c)图2用于非金属容器、非金属中型散装容器中储存水溶性易燃和可燃液体。
14.4.2 所有自动喷淋系统和泡沫一水喷淋灭火系统,管道中应保持湿管或采用预作用系统,如果:
a)使用预作用系统,设计中应考虑使水或泡沫溶液在最短时间内受喷淋器驱动而立即喷水。
b)符合本章有关水喷淋器的表格中的设计准则的泡沫一水喷淋灭火系统,应按GB20031的规定进行安装。
14.4.3 以水为基础的灭火系统应按GB27898中的规定进行检查、测试和维护。
14.5 防火保护设计准则14.5.1一般设计准则
14.5.1.1 根据液体级别、容器类型和储存排列方式不同,确定相应的防火准则,在14.5.2条具体说明,对应的表格见表13~表24。
注:表13~表24只能应用于稳定液体。
14.5.1.2 安装泡沫或泡沫一水喷淋灭火系统,对泡沫的排出强度应基于选用的泡沫排放设备、泡沫浓度、所需防护的液体而确定采用登记注册的准则,以及相应表格中的准则。如果在表格中所列的排出强度有别于登记注册的排放设备的准则,应采用这两者中更高级别的准则。



14.5.1.3 按NFPA13的要求安装货架内喷淋装置,有如下修改之处:
——货架内喷水装置应在沿通道空间的纵向上,垂直地进行交错排列。
——对于有多层的喷水系统的喷头,应对其安装有护罩,除非有水平的障碍物隔开或者有单独说明不需要防护的。
——在喷水装置与储存物最上层之间,最少留有150mm的垂直空间。
——喷水装置喷水时,不应被水平方向上的货架给阻碍了。
——在每两个货架之间,纵向和横向上的空间至少在150mm以上。
14.5.1.4 顶部喷水装置应按NFPA13要求安装,并且应有下列尽可能大的顶部空间:
——Ⅰ,Ⅱ,ⅢA级液体:每个喷头9.3m²。
——ⅢB级液体:每个喷头11.1m²。
注:如果使用额定常温或中温的K=25可伸展喷淋设备,可使用标准反应型高温喷淋器,控制面积大于13m²,高度最小为3.7m。
14.5.1.5 如果在顶部喷淋设计中,对于喷淋的密度有同等百分数的提高,那么,在表13~表24所列的顶部高度可以有适当的增加,增加量最大到高度的10%。
14.5.1.6 泡沫一水喷淋系统的设计和安装应按照GB20031的规定,并符合以下要求:
——泡沫一水喷淋系统应基于设计要求的泡沫流速,至少保证喷淋15min的泡沫浓度。
——泡沫一水喷淋系统应提供在最小所需浓度下供4个喷淋器流量的泡沫溶液。
14.5.1.7 如果使用容量大于23L的泄压式容器,应设有20mm和50mm的两个泄压机构(需登记注册)。
14.5.1.8 本节中,刚性非金属中型散装容器是指符合表2规定的最大允许容量,且按照UL2368进行登记注册的容器。
14.5.1.9 本节中,SR代表标准反应,QR代表快速反应,ESFR代表早期抑制快速反应喷淋器,OT代表常温,HT代表高温。
14.5.1.10 表13~表24中,货架喷淋器的布置方式如下:
a)布局A:离地面以上2.4m布置一排货架喷淋器,喷头离中心间距不超过3m,喷头应垂直交错。
b)布局B:离地面以上1.8m和3.6m各布置一排货架喷淋器,喷头离中心间距不超过3m,喷头应垂直交错。
c)布局C:离地面以上每一个储存层布置一排货架喷淋器,喷头离中心间距不超过3m,喷头应垂直交错。
d)布局D:第一储存层以上的每一个储存层各布置一排货架喷淋器,喷头离中心间距不超过3m,喷头应垂直交错。
e)布局E:地面以上每一个储存层的烟道空间布置一排货架喷淋器,第一个储存层的每个货架立柱上装正面喷淋器,喷头离中心间距不超过2.7m,喷头应垂直交错。
f)布局F:第一储存层以上的每一个储存层的烟道空间布置一排货架喷淋器,第一个储存层的每个货架立柱上装正面喷淋器,喷头离中心间距不超过3m,喷头应垂直交错。
g)布局G:如图14所示。
h)布局H:如图17、图18所示。
i)布局I:如图15、图16所示。
14.5.1.11 表13~表24中的“火灾试验号”来源于D.2中有关火灾试验的信息,以此为基础来确定防火准则。
14.5.1.12 供水量应足够,满足固定消防需求加上至少1.9m²/min的流量,供内部和外部消防水管使用至少2h。
14.5.2 特殊设计准则
14.5.2.1 表13适用于:
a)自动喷淋保护。
b)单排、双排货架储存。
c)非水溶性液体、易燃和可燃液体体积分数大于50%的水溶性液体。
d)金属容器、移动式金属罐、金属中型散装容器。
e)泄压式、非泄压式容器。
14.5.2.2 表14适用于:
a)自动喷淋保护。
b)托盘或货架储存。
c)非水溶性液体、易燃和可燃液体体积分数大于50%的水溶性液体。
d)金属容器、移动式罐、中型散装容器。
e)泄压式、非泄压式容器。
14.5.2.3 表15适用于:
a)泡沫水喷淋保护。
b)单排、双排货架储存。
c)非水溶性液体、易燃和可燃液体体积分数大于50%的水溶性液体。
d)金属容器、移动式金属罐、金属中型散装容器。
e)泄压式、非泄压式容器。
14.5.2.4 表16适用于:
a)泡沫水喷淋保护保护。
b)托盘或货架储存。
c)非水溶性液体、易燃和可燃液体体积分数大于50%的水溶性液体。
d)金属容器、移动式罐、中型散装容器。
e)泄压式、非泄压式容器。
14.5.2.5 表17适用于:
a)自动喷淋保护。
b)单排、双排或多排货架储存。
c)ⅢB级非水溶性液体、易燃和可燃液体体积分数大于50%的皿B级水溶性液体。
d)非金属容器、移动式罐、中型散装容器。
e)纸箱装、非纸箱装。
14.5.2.6 表18适用于:
a)自动喷淋保护。
b)架子储存。
c)非水溶性液体、易燃和可燃液体体积分数大于50%的水溶性液体。
d)非泄压式金属容器。
14.5.2.7 表19适用于:
a)自动喷淋保护。
b)单排、双排货架储存。
c)非水溶性液体、易燃和可燃液体体积分数大于50%的水溶性液体。
d)玻璃或塑料容器。
e)纸箱装、非纸箱装。
f)过道宽度最小2.4m。
14.5.2.8 表20适用于:
a)自动喷淋保护。
b)单排、双排货架储存或托盘储存。
c)非水溶性液体、易燃和可燃液体体积分数大于50%的水溶性液体。
d)泄压式金属容器。
14.5.2.9 表21适用于:
a)自动喷淋保护。
b)托盘储存。
c)Ⅱ级、Ⅲ级非水溶性液体、水溶性液体。
d)登记注册的刚性非金属中型散装容器,易燃和可燃液体体积分数大于50%。
14.5.2.10 表22适用于:
a)自动喷淋保护。
b)单排、双排货架储存。
c)Ⅱ级、Ⅲ级非水溶性液体、水溶性液体。
d)登记注册的刚性非金属中型散装容器,易燃和可燃液体体积分数大于50%。
14.5.2.11表23适用于:
a)自动喷淋保护。
b)托盘或堆积储存。
c)非饱和聚酯树脂(UPRS),ⅠC,Ⅱ,ⅢA级液体质量分数大于50%。
d)金属容器、最大容量23L的非泄压式容器。
14.5.2.12 表24适用于:
a)自动喷淋保护。
b)托盘或堆积储存。
c)易燃和可燃液体体积分数大于80%的水溶性液体。
d)玻璃或塑料容器。
14.6 防火系统设计方案
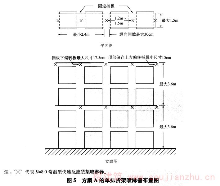
14.6.1 防火方案A
14.6.1.1 用最小厚度为10mm的夹板或最小规格为22的金属片制作的水平挡板,应按照图5、图6和图7所示进行安装。所有液体储存在挡板之下。液体闪点等于或大于230℃的参见14.6.1.9。
14.6.1.2 货架喷淋器按图5、图6和图7所示进行安装。
14.6.1.3 在货架喷淋器之间,不能有垂直方向的挡板。
14.6.1.4 货架喷淋器应符合下列要求:
a)货架喷淋器采用K=8.0普通温度下快速响应喷淋器。
b)货架喷淋器安装在每个挡板层下面。
c)货架喷淋器在喷头末端的最小水压应达到345kPa(表压)。如果只有一层挡板,水压能到最远的6个喷淋器(两行各3个);如果有2层以上挡板,水压能到最远的8个喷淋器(两行各4个)。
14.6.1.5 在靠近货架死角不能存放液体的地方,挡板和货架喷淋器应延伸到距离液体储存区2.4m范围内。另外,对于穿过液体储存区周边2.4m范围内的过道的货架,也应安装挡板和货架喷淋器。
14.6.1.6 顶板喷淋器的水需求量不应包括在货架喷淋器的供水压力计算之内。
14.6.1.7 货架和顶板喷淋器的水需求量应分开计算,并且以用水量更大者为基准。













14.6.1.8 顶板喷淋器保护应符合以下要求:
——顶板喷淋器的设计应能保护周围的场所。
——顶板喷淋保护可应用任何类型的喷淋器。
——如果采用标准喷雾型喷淋器,供水强度应不少于8.1L/min,覆盖270m²。
——如果储存的液体没有达到货架的整个高度,那么对于上部储存的商品的防护应符合NFPA13的要求。
14.6.1.9 对于储存闭杯闪点大于或等于230℃的液体,可不使用挡板,但需要采取如下的保护方案来修正:
——采用顶板喷淋保护,使用K=8.0或更大的的常温型标准反应喷淋器,需提供超过最小供水强度为(12.2L/min)/m²,覆盖面积180m²。
——顶板喷淋器供水需求和货架喷淋器供水需求应在它们的连接处相平衡。
——位于货架正面的喷淋器应垂直交错排列。
14.6.1.10 需提供1900L/min的消防水流量。
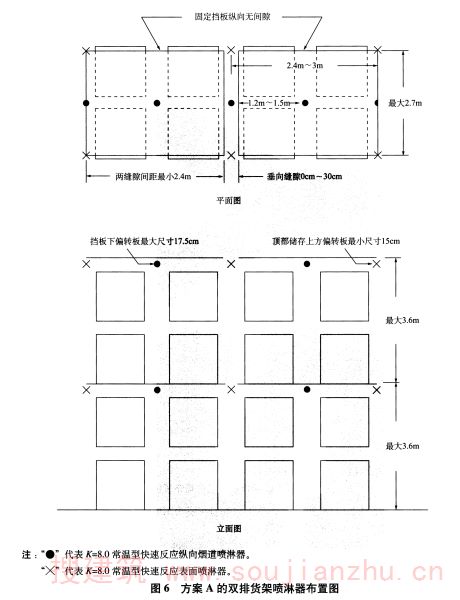
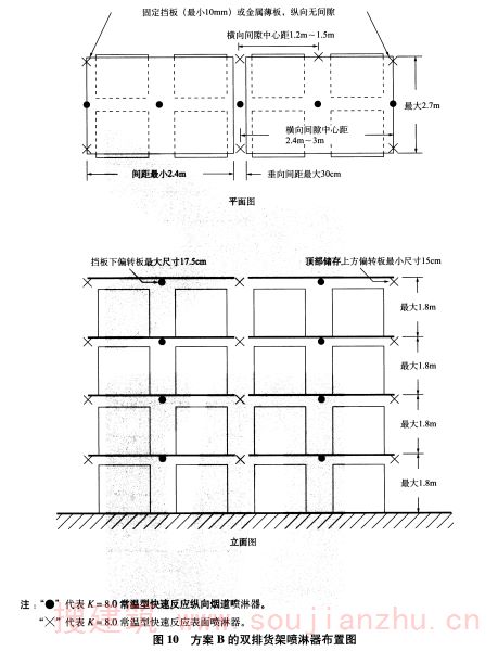
14.6.2 防火方案B
14.6.2.1 用最小厚度为10mm的夹板或最小规格为22的金属片制作的水平挡板,应按照图8、图9和图10所示进行安装。所有液体储存在挡板之下。
14.6.2.2 货架喷淋器按图8、图9和图10所示进行安装。
14.6.2.3 在货架喷淋器之间,不能有垂直方向的挡板。

14.6.2.4 货架喷淋器应符合下列要求:
a)货架喷淋器采用K=8.0常温型快速反应喷淋器。
b)货架喷淋器安装在每个挡板层下面。
c)对于只有一层水平挡板,容器容量不超过230L,货架喷淋器在喷头末端的最小水压应达到345kPa(表压),水压能到最远的6个喷淋器(两行各3个);如果有2层以上挡板,水压能到最远的8个喷淋器(两行各4个)。

d)容器容量大于230L,不超过3000L,货架喷淋器在喷头末端的最小水压应达到345kPa(表压),供到最远的12个喷淋器(两行各6个)。
14.6.2.5 如果邻近有不储存液体的区域和货架,栅栏和货架喷淋系统应扩充到液体储存区,按以下要求:
——对罐容量不超过3.8L的容器,保护应延伸到液体储存区至少2.4m范围内;另外,邻近液体储存每一边过道的货架应符合NFPA13有关商品储存的要求。
——对罐容量超过3.8L但不超过3000L的容器,保护应延伸到液体储存区至少2.4m范围内;另外,邻近液体储存每一边过道的货架也应受到保护。
14.6.2.6 对于容量不超过3.8L容器,顶板喷淋保护应遵循如下要求:
——顶板喷淋器的设计,应考虑到保护周围的场所。
——顶板喷淋器水需求量不应计算在货架喷淋器的水压内。

——顶板与货架喷淋器的水需求量应分开计算,以较大值或两者之和为基准。
——任何一个喷淋器类型应接受为顶板喷淋器装置保护。
——如果使用标准喷雾喷淋器,它们应能够提供不少于8.1L/min的供水强度,覆盖面积270m²。
——如果液体贮藏不扩充到架的完全高度,超过最高水平栅栏的贮藏的商品保护应遵循 NFPA13需求。
14.6.2.7 对于容量超过3.8L但不超过230L的容器,顶板喷淋保护应遵循如下要求:
——使用额定K参数为8.0或11.2的高温型标准反应喷淋器,需提供最低供水强度为18.3mm/min,覆盖270m²面积喷淋保护;其他类型的喷淋器不能使用。

——顶板喷淋器和货架喷淋器的供水压力应在连接处相平衡。
14.6.2.8 对于容量超过230L但不超过3000L的容器,顶板喷淋保护应遵循如下要求:
——使用额定K参数为8.0或11.2的高温型标准反应喷淋器,需提供最低供水强度为24.4mm/min,覆盖270m²面积喷淋保护;其他类型的喷淋器不能使用。
——顶板喷淋器和货架喷淋器的供水压力应在连接处相平衡。
14.6.2.9 消防水管应提供1900L的供水能力。

14.6.3 防火方案C
14.6.3.1 用最小厚度为10mm的夹板或最小规格为22的金属片制作的水平挡板,应按照图11、图12和图13所示进行安装。所有液体储存在挡板之下。
14.6.3.2 在货架喷淋器之间,不能有垂直方向的挡板。
14.6.3.3 货架喷淋器应符合下列要求:
a)货架喷淋器采用K=8.0常温型快速反应喷淋器。
b)货架喷淋器安装在每个挡板层下面。
c)对于只有一层挡板,货架喷淋器在喷头末端的最小水压应达到97kPa(表压),水压能到最远的6个喷淋器(两行各3个);如果有2层以上挡板,水压能到最远的8个喷淋器(两行各4个)。


14.6.3.4 在靠近货架死角不能存放液体的地方,挡板和货架喷淋器应延伸到距离液体储存区2.4m范围内。
14.6.3.5 顶板喷淋器的水需求量不应包括在货架喷淋器的供水压力计算之内。
14.6.3.6 货架和顶板喷淋器的水需求量应分开计算,并且以用水量更大者为基准。
14.6.3.7 顶板喷淋器保护应符合以下要求:
——顶板喷淋器的设计应能保护周围的场所。

——顶板喷淋保护可应用任何类型的喷淋器。
——如果采用标准喷雾型喷淋器,供水强度应不少于8.1L/min,覆盖270m²。
——如果储存的液体没有达到货架的整个高度,那么对于上部储存的商品的防护应符合NFPA13的要求。
14.6.3.8 需提供1900L/min的消防水流量。
14.6.4 表20的货架喷淋器布置
根据表20的设计准则,货架喷淋器的应按照图14、图15、图16、图17、图18进行安装。





14.7 供水
供应自动喷淋器、其他基于水的保护系统、水龙带、消防栓的水量最少应能满足预期2h的流量要求。
14.8 收集、排液和溢流控制
14.8.1 按本章要求安装的保护系统,应根据图19提供收集和排液系统。
14.8.2 需要控制液体外流的地方,应采取措施限制液体流入的区域不大于顶板喷淋系统的设计排放区域。
14.9 其他自动防火系统
替代的防火保护系统,如自动水喷洒系统、自动水喷雾系统、高膨胀泡沫系统、干化学灭火系统、替代喷淋系统、复合系统等,应由管辖部门认可。这些替代系统的设计和安装应根据相应的NFPA标准和所选择系统生产商的指导进行。
15 工艺设施
15.1 适用范围
15.1.1 本章适用于主要操作和辅助操作中有关液体的使用和运输(在本标准其他部分和其他NFPA标准有规定者除外)。
15.1.2 本章各条款不禁止以下情况:在公众不易接近的房屋外,使用移动式罐向发动机油箱输送易燃和可燃液体,其操作应在管辖部门认可的方式下进行。
15.2 一般要求
15.2.1 液体的加工操作应选好场地、正确操作,以防止着火或爆炸对人身和其他财产或同一工厂中的重要建筑物和设施的损坏。
15.2.2 应根据操作本身所固有的危险性,包括液体在加工和操作时的温度和压力,以及对任何液体或蒸气泄漏或可能产生火灾的控制能力,来确定特殊要求。
15.2.3 应根据良好的工程实践和管理实践处理各种因素的相互关系,以确定一个实际可行的操作要求。
15.2.4 工艺设施应符合第16章、第17章、第24章、第25章有关特殊操作的要求。
15.2.5 工艺设施应符合第5章有关火灾、爆炸防控的程序和操作要求。
15.2.6 加工或搬运Ⅱ级和皿级液体,如果加热温度在其闪点及以上,应执行Ⅰ级液体的要求。除非按第5章的要求进行工程评价,可采用其他等级液体的要求。
15.2.7 如果工艺中加热液体到闪点及以上温度,应遵循以下要求:
a)工艺容器封闭在房间内,有通风管引到建筑物外面。
b)如果容器需要打开进行加料,房间通风应符合15.8的要求,且工艺加热过程控制应与通风口进行联锁,当通风失效或关闭时,加热工艺也将关闭。
c)工艺容器须设有超温控制装置,以限制液体及附带释放的蒸气被过度加热。
d)如果使用换热介质加热液体,在工艺失效、热控制失灵导致温度过高时,该换热流体可将液体加热至沸点,这种情况下应提供更多的温度控制措施。
15.3 工艺容器和设备的布置
15.3.1 液体工艺容器和设备布置按本节要求确定。

15.3.2 工艺容器和含有这些工艺容器的建设物的选址,应确保在这些容器着火时不对其他场所构成火灾危险。
15.3.3 工艺容器到已建、待建地界线的最小距离,包括到公共道路对面、到公共道路的最近一侧、与同一地界中最近的重要建筑物的距离,按以下确定:
——根据表25确定。
——由工艺工程评价确定,应采用良好的防火保护措施和工艺工程准则。

15.3.4 如果加工容器设置在建筑物内,而建筑物的外墙面对着待建的地界线或同一场地最近的重要建筑物,其间距大于7.6m,而且外墙是具有耐火等级不小于2h的无门窗墙,则可不遵守表25中所要求的较大距离。如果无门窗墙的耐火等级至少为4h,则可不遵守其距离要求。
15.3.5 如果没有暴露保护措施,表25给出的距离应加倍。
15.3.6 液体工艺设备,如泵、加热炉、过滤器、换热器等,与同一地界线内最近的重要建筑物(非工艺组成部分)或距已建或待建的地界线之间的距离不应小于7.6m。在按照15.3.3要求予以保护时,这一间距要求可以放弃。
15.3.7 生产不稳定液体的设备应与厂内不相关的生产液体装置隔离,取以下之一:
——按相距7.6m设置。
——也可以用耐火等级不小于2h的墙予以隔开,墙应具有符合良好工程实践的耐爆性。
15.4 通道
处理液体的工艺建筑和结构应确保至少一边可以进行消防灭火和火灾控制。
15.5 结构
15.5.1 用于液体操作的工艺建筑和结构,应与所处理的液体级别相符。按NFPA5000要求,至少应采用Ⅱ类(000)结构,并符合表26。

15.5.2 结构类型定义见NFPA5000。
15.5.3 如果没有暴露保护措施,表26给出的距离应加倍。
15.5.4 如果建筑结构没有提供自动喷淋保护,表26所需要的分隔距离应根据工艺工程评价确定,但不能小于表26的距离要求。
15.5.5 在闪点以下温度处理ⅢB级液体(单独用于调和、混合或分配)的建筑和构造,经管辖部门认可,允许用可燃物建造。
15.5.6 Ⅰ级、Ⅱ级液体数量不超过1360L,Ⅲ级液体数量不超过2725L,对其进行加工或处理的建筑和构造,经管辖部门认可,允许用可燃物建造。
15.5.7 设置有自动水喷淋或相当保护措施的建筑和构造,经管辖部门认可,允许用可燃物建造。
15.5.8 承重建筑物的支座、承重容器和设备的支座,可能释放大量的液体,导致较大强度和较长持续时间的火灾,而造成重大财产损失,应采取以下一条或多条措施予以保护:
——排到安全的位置,防止液体累积在容器或设备底部。
——耐火结构。
——耐火保护涂层或系统。
——根据NFPA15设计和安装的水喷淋系统。
——其他经管辖部门认可的措施。
15.5.9 Ⅰ级液体不应在地下室内进行搬运和使用。
——如果Ⅰ级液体在带有地下室或封闭坑(易燃蒸气可能进人的)的建筑物的地面以上进行搬运和使用时,应设置机械通风,以防易燃蒸气聚集。
——应采取措施防止液体流入地下室。
15.5.10 应设置排除烟雾和热量的装置,以利灭火时人员进入。
15.5.11 操作区应布置安全出口,以免人们在火灾时被困在其中。安全出口不应设置在15.9所述的排液设施的附近。
15.5.12 应留好过道,以供人员和灭火设备进出畅通。
15.5.13 在加工处理IA级液体或不稳定液体的室内区域,应设计使用限制损害的结构,防止因重要建筑物及其占用区域爆燃产生的直接火花、可燃气体及压力。限制损害结构应符合NFPA68。
——限制损害结构应采用公认的工程标准,并经管辖部门接受。
——使用不稳定液体的地方,应设计采用认可的工程结构方法来限制爆炸损害(取决于液体性质,可能有爆燃或爆轰)。
15.6 电气系统
电线和电气设施应符合第6章规定。
15.7 收集、排液和溢流控制
15.7.1 应设置应急排液系统,用以把易燃和可燃液体和用过的消防水引导到安全地带。
15.7.2 如果应急排液系统与公共下水道相连接或排至公共水道,则需要设置栅栏和分离器。
15.7.3 应设计一个收集设施,能够防止排放的液体进入公共水道、公共下水道,或相邻地界。
15.8 通风
15.8.1 在高于闪点的温度下加工和使用I级、Ⅱ级或Ⅲ级液体的封闭加工区,应充分通风,以保持蒸气浓度在可燃极限的25%以下。符合15.8.2至15.8.10的要求可认为符合本条要求。
15.8.2 通风可以通过下列方法之一予以确认:
——根据预计的渗漏量进行计算。
——在正常操作条件下对实际浓度进行取样分析。取样应在距每一可能的蒸气泄漏源半径为1.5m,从封闭加工区的底部到顶部的范围内进行。确定通风所使用的蒸气浓度应是取样进行期间所测浓度的最高值。
15.8.3 通风速率不小于0.3(m³/min)/m²,可认为符合15.8.1的要求。
15.8.4 通风应采用自然通风或机械通风方式。
15.8.5 排气应排至建筑物外部安全地带。
15.8.6 排气一般不得再循环,只有在使用故障一安全系统进行连续监测且能够在检测出蒸气一空气混合物浓度超过可燃极限下限的25%时自动发出音响警报,停止循环并将废气完全排到外部时,则允许循环。
15.8.7 应采取措施防止由于补偿空气引入而导致通风短路。
15.8.8 通风的布置应包括全部地面面积或可能聚集可燃蒸气的低洼处。
15.8.9 为了控制特殊的火灾和对健康的危害,可以采用局部或定点通风。如果采用这种方式,则可以利用它达到所需要的通风量的75%。
15.8.10 建筑物中的设备和建筑通风的设计,应能够在正常操作条件下限制易燃的蒸气一空气混合物扩散进入到设备和设备周围1.5m的空气中,例如分配站、开式离心机、板框式过滤器、开式真空过滤器。
15.9 工艺设备和容器
设备的设计和布置,应能防止液体和蒸气意外逸出,并尽量减少意外泄漏的液体量。
15.10 操作危险性管理
15.10.1 本节提供的管理方法,用于识别、评价和控制易燃和可燃液体工艺操作中的危险性因素。这些危险性包括但不限于:准备、分离、净化,以及状态、能量成分、组分的变化。
15.10.2 对易燃和可燃液体工艺操作进行评估,确保能针对液体可能形成的火灾和爆炸危险性,制定相应的预防措施和应急预案。
注:以下情况可不作此要求:
——液体仅作为定点消耗的燃料。
——Ⅰ级和Ⅱ级液体在常压罐储存,或者以低于闪点的温度输送。
——商业场所、原油开发、钻井、油井服务或偏远地区的空闲设施。
15.10.3 用于液体加工装置的防火与控制范围取决于对操作的工程评价,评价根据严格的防火和加工原理进行。它包括但不限于:
——对液体操作中火灾爆炸危险性分析。
——工艺容器中的紧急排放分析,考虑到所使用材料的性质及采取的火灾防护和控制措施。
——按15.2和15.3中设施的设计要求的分析。
——按第16章、第17章、第24章、第25章中的液体处理、输送和使用要求的分析。
——对当地的情况潜在危险的分析,如邻近地界洪水易发、地震和风暴。
——对当地应急部门和服务部门应急响应能力的分析。
15.10.4 应制定书面的应急预案,应确定适当的设备和人员,以应付火灾或其他紧急情况。该预案包括如下内容:
——在着火情况下所采用的程序,如发出报警、向消防部门报警、撤出人员、控制和灭火等;
——演练上述程序的计划安排。
——任命和培训人员,明确职责,在初次分配工作时,职责要进行重新评审,在职责进行变化时要相应修改。
——防火设备、排液和密封系统、通风设备及系统的维护程序。
——关闭或隔离设备,以减少液体释放,包括指定人员负责维护关键设施功能和关闭设施流程。
——保护人身安全的其他措施。
15.10.5 当火灾爆炸危险性显著变化时,按15.10.2对火灾危险性管理应进行再次评估。可能需要再次评估的条件包括但不限于:
——工艺原材料发生变化。
——工艺设备发生变化。
——工艺控制发生变化。
——操作流程和职责发生变化。
16 液体的分装、搬运、输送和使用
16.1 适用范围
本章适用于液体在搬运、分装、转移、使用过程(包括在加工区域)的要求。
16.2 一般要求
加工或搬运Ⅱ级和Ⅲ级液体,如果加热温度在其闪点及以上,应执行Ⅰ级液体的要求。除非按第5章的要求进行工程评价,可采用其他等级液体的要求。
16.3 分装、搬运、转移和使用
16.3.1 Ⅰ级液体在不使用时,应存放在密闭罐或容器中。当室温或处理温度等于或大于Ⅱ,Ⅲ级液体闪点时,应将Ⅱ级和Ⅲ级液体存放在密闭罐或容器中。
16.3.2 如果使用或搬运液体,应采取措施,以迅速安全地处理泄漏物或溢出物。
16.3.3 如果在第5章中所述的分类区范围内有明火或火源,则Ⅰ级液体不应在密闭系统外使用。
16.3.4 只有满足下列所有条件才允许用空气或惰性气体加压的方法来运转容器、罐、储存器和管线系统中的液体:
——容器、罐、储存器和管线系统是为加压运转而设计的,并能承受预计的工作压力。
——应配有安全和操作控制装置(包括泄压装置),以防系统的任何部分过压。
——只允许用惰性气体来转运I级液体;输送加热到其闪点以上的Ⅱ级和Ⅲ级液体时,亦须使用惰性气体。
16.3.5 正排量泵应设置泄压排液到罐、泵吸入口或其他合适的装置,或配置联锁用以防止产生过压。
16.3.6 管线、阀和管件应符合第23章。
16.3.7 在有振动的地方应使用登记注册的弹性连接管。在转运站应使用认可的软管。
16.3.8 在容器、中型散装容器和移动式罐中,液体的暂存处理限于以下情况:
——容器、中型散装容器和移动式罐在使用中。
——容器、中型散装容器和移动式罐在单独切换操作过程的充装。
——容器、中型散装容器和移动式罐需要用于一个连续24h的工艺过程。
——容器、中型散装容器和移动式罐按第7章要求进行储存。
16.3.9 存有Ⅰ级、Ⅱ级和ⅢA级液体的中型散装容器和移动式罐,如果用于工艺过程,或暂存用于工艺区域,不应在工艺区域内充装。
注:以下情况例外:
——符合第7章要求的中型散装容器和移动式罐。
——中间产品在工艺区域内生产的。
16.4 临时操作
16.4.1 本节适用于在已确定的场所,对液体进行使用、处理、储存的有限活动。
16.4.2 转移液体按以下要求。
16.4.2.1 当Ⅰ级、Ⅱ级和Ⅲ级液体加热到大于或等于闪点温度时,应按照如下要求导出或转移至船舶、容器或轻便式容器中:
——从原有的容量为20L及其以下的容器。
——从安全罐中。
——通过密闭式管线系统。
——采用反虹吸保护的装置,从移动式罐或容器顶部开口抽出。
——在重力作用下,通过检验合格的自关闭阀或自关闭放液嘴。
16.4.2.2 使用软管进行转运,除配置出口阀外,软管还应配置无常开插销的关断阀,使用的软管须经检验合格或批准。
16.4.2.3 按照5.4.4要求,采取防静电措施
16.4.2.4 使用泵进行流体转运,应采取防爆措施防止流体溢出和发生火灾。
16.4.3 所有液体储存应符合第7章。
注:16.4.4和16.4.5例外。
16.4.4 液体在室外确定的储存区,如储存仓、其他储液区、通用仓库或其他特殊加工区,与一般工厂区之间用防火等级至少为2h的隔离物隔开。在单个防火区的所有临时操作的液体数量不应大于以下之较大值:
a)95L的ⅠA级液体。
b)454L的ⅠB,ⅠC,Ⅱ或皿级液体。
c)下列任何合并的6000L:
——在金属移动式罐或金属中型散装容器中的ⅠB,ⅠC,Ⅱ或ⅢA级液体,每一种不超过3000L。
——在非金属中型散装容器中的Ⅱ级或ⅢA级液体,每一种不超过3000L;
d)20个装ⅢB级液体的罐和移动式罐,每一个不超过3000L。
16.4.5 如果液体的数量超过16.4.4中的限量,则应储存在罐中,遵循第15章和第18章至第23章的要求。
16.4.6 液体从一座储罐或容器向另一个容器中转移时,应采取以下保护措施:
——远离其他可能会产生火源的作业区或用耐火结构隔开。
——采用排液或其他方法控制溢流。
——按15.8的要求,采用自然或机械通风。
16.5 分装区的通风
16.5.1 进行液体分装的储液区应配有自然或连续机械式排气通风系统。如果I级液体在室内进行分装,应采用机械式通风系统。
16.5.2 排气出口应设置在房间一侧墙壁上,并距地板上300mm以内,一个或多个补偿进气口则位于对面墙壁上,并距地板上300mm以内。
16.5.3 排气口和空气进口的位置应尽可能使空气循环良好,防止有易燃蒸气聚集。
16.5.4 排气出口应通往室外的安全位置。
16.5.5 排气一般不能再循环。只有当使用故障自动保险系统进行监视,并在蒸气一空气混合物浓度达到可燃极限下限的四分之一时,能够发出声响报警、停止循环并完全排出废气,则允许再循环。
16.5.6 如果采用排气管,则排气管不能用于其他用途,并且应符合NFPA91。
16.5.7 如果通往机械通风系统的补充空气取自建筑物内部,则应按NFPA91要求设置防火门或阻火器。
16.5.8 如果采用重力式通风系统,则补充空气应由室外供给。
16.5.9 机械通风装置应能够排除0.3(m³/min)/m²的废气,但不能少于4m³/min。在分装区域的机械通风装置应配置空气流动开关或其他可靠方法,使之与通风系统故障的音响报警进行联锁。
17 特殊操作
17.1 适用范围
本章适用于易燃和可燃液体的特殊操作。
17.2 循环传热系统
17.2.1 适用范围
本节仅适用于循环传热系统,即通过传热流体,在正常操作下把液体加热到或超过其闪点。
本节不适用于采用热交换的工艺流体,或者任一容量小于或等于230L的换热系统。
17.2.2 一般要求
传热流体加热器或蒸馏器的室内位置布置应满足第15章的要求。
17.2.3 系统设计
17.2.3.1 传热系统应设置低位排液系统,排出介质可通过管线输送至相对安全、独立的,能够容纳系统全部和部分流体的地点或容器。
17.2.3.2 传热系统的闪蒸罐应设置在具有一定水平高度的位置,其容积应大于950L,扩容罐应设有低位排液管线,能够使扩容罐介质向更低位置的排液罐进行排液,排液管线上的阀门应设置在便于操作的安全区。
17.2.3.3 传热流体系统不能直接用于建筑物加热。
17.2.3.4 所有泄压设备的排泄口应通过管线连接至安全地点。
17.2.4 燃烧炉的控制和联锁
燃油或燃气的加热器或蒸馏器的设计和安装应符合NFPA31或NFPA85的要求,木屑悬浮燃烧加热器或蒸馏器的设计和安装应符合NFPA85的要求。
17.2.5 管道
17.2.5.1 管道应符合第23章的要求。
17.2.5.2 所有管线应采用焊接连接。以下例外:
——直径等于和小于50mm的管线可采用焊接或螺纹连接。
——泵、阀和设备连接可采用机械接头。
17.2.5.3 使用绝缘隔热材料的新管线和现有管线中已经被破坏以及若再次使用绝缘隔热材料的,最外层应敷设防水保温层,并按以下要求:
——管线采用焊接连接以及在管路中未发现其他渗漏点的,如阀门和泵,可使用其他类绝缘隔热材料。
——在可能发生泄漏的位置应设有密封圈,可用焊接在管线上的金属环或用防水的保温环密封管线,防止渗漏影响到邻近绝缘保温层。发生渗漏的密封圈应采用防水保温材料进行密封隔热保温。
——隔热保温层应能拆装和可重复利用,应使用弹性或刚性材质,应具备防水保温系统,防止渗漏被吸收进入隔热保温层。
17.2.6 防火保护
17.2.6.1 对于含有传热系统加热器或蒸发器的建筑区域,应提供符合NFPA13要求的“特别危险场所”(Ⅰ类)的自动喷淋保护。
17.2.6.2 采用替代的防火保护系统,应经管辖部门认可。这种替代系统的设计和制造安装应符合NFPA标准,系统选择上应符合制造商推荐的方案。
17.2.7 操作
17.2.7.1 传热流体系统的操作和设备应经常进行检查,减少流体损失,以适应相应的火灾预防措施和应急预案。
17.2.7.2 传热系统的操作者应在有危害系统下(误操作和泄漏)接受培训,充分认识现有条件下导致的危险。
17.2.7.3 安全联锁应每年检查,或在其他时间段按照适当的标准进行校准、测试,以确保其处于适当的操作环境。
17.3 蒸气回收和蒸气处理系统
17.3.1 范围
17.3.1.1 本节适用于符合以下条件的蒸气回收和蒸气处理系统:
——蒸气源工作压力在从真空至6.9kPa(表压)的压力下。
——蒸气混合物有可能在可燃范围内。
17.3.1.2 本节不适用于加油站系统。
17.3.2 过压或真空保护
储罐和设备应有独立的防过压或真空排气口,防止因蒸气回收或蒸气处理故障引起过压或变为真空。
注:储罐排气符合18.3.3的除外。
17.3.3 排气口位置
17.3.3.1 蒸气处理系统的排气口距相邻地面不应小于3.7m,出口的位置和方向应保证可燃蒸气在到达点火源的位置之前,其浓度降低到可燃极限下限以下。
17.3.3.2 排气口的位置离建筑物开口应至少有1.5m、离动力通风进气装置至少4.5m,使蒸气不被屋檐或其他障碍物阻滞。
17.3.3.3 蒸气处理设备和排气口的位置应符合15.2。
17.3.4 蒸气收集系统
17.3.4.1 蒸气收集管的设计应可防止液体回流。
17.3.4.2 不用于转运液体的蒸气回收和处理系统应配有除液装置,以除去带进来的任何液体或蒸气收集系统中的冷凝物。
17.3.5 液位监测
17.3.5.1 蒸气收集系统中使用的除液容器应具有液位计和一个能启动报警的高液位传感器。
17.3.5.2 对于无人操纵的设施,高液位传感器应能使输给容器的输液器关机,并使蒸气回收和处理系统停机。
17.3.6 溢流保护
17.3.6.1 用于蒸气处理或蒸气回收系统储罐应配有符合18.6.1的溢出保护装置。
17.3.6.2 罐车的防溢流保护应符合24.8.1。
17.3.7 着火源控制
17.3.7.1 蒸气泄漏:回收蒸气用的储罐或设备的开口应有符合20.6和24.8.1的蒸气逸出保护。
17.3.7.2 电火花:电气区域的划分应符合第6章。
17.3.7.3 静电:蒸气收集和蒸气处理设备应具有符合5.4.4的防静电保护。
17.3.7.4 自燃着火:如果有自燃的可能,应通过设计书面规程等措施防止自燃。
17.3.7.5 摩擦热或机械设备产生的火花:用于输送在可燃范围以内的蒸气机械设备,应防止在正常操作和设备故障条件下,产生火花或其他着火源。
17.3.7.6 火焰传播:如果有可能点燃的在可燃范围内的蒸气混合物,应具备防止火焰通过蒸气收集系统蔓延的措施。所选用的措施应适合其使用条件。
17.3.7.7 防爆:如果用防爆系统,应符合NFPA69。
17.3.8 应急关断系统
应急关断系统的设计,应针对系统失去正常系统动力(即气或电源)或设备故障而关断。
17.4 溶液分馏单元
17.4.1 范围
本节应用于分馏单元有一个蒸馏室或蒸馏釜,其正常容量不超过227L,用来回收Ⅰ级、Ⅱ级、
ⅢA级液体。
本节不适用于研究、测试或实验性工艺,在石油炼制中的蒸馏带出工艺,化工厂或蒸馏厂,或用在干式清洗操作的蒸馏设备。
17.4.2 设备
溶剂分馏单元的设备应得到认可并经登记注册,符合ANSI/UL-2208。
17.4.3 溶剂
溶剂分馏单元仅用于性质明确的液体蒸馏,并且在溶剂分馏单元的标识或说明手册中指出。不稳定的或活泼的液体或原料不能进行加工,除非在分流系统的标识或在使用手册里明确指出。
17.4.4 位置
溶剂分馏单元只能用在经批准的位置,不能在地下室里使用。应远离潜在火源,并有明显标识。
17.4.5 液体储存
蒸馏得到的液体或等待蒸馏的液体按照本标准要求进行储存。
18 液体储罐:通用要求
18.1 适用范围
本章适用于:
——易燃和可燃液体(按第3章定义和第4章分类)在固定罐的储存,容积超过230L。
——易燃和可燃液体在容量超过2500L的移动式罐的储存。
——易燃和可燃液体在容量超过3000L的中型散装容器的储存。
——分隔式罐,把一个罐分隔成两个或多个隔间,可装相同或不同的液体。
——以上各种罐、移动式罐和散装容器的设计、安装、试验、操作以及维护。
18.2 一般要求
18.2.1 储存Ⅱ级、Ⅲ级液体,如果加热温度高于或等于其闪点,应遵循1级液体的要求。除非按第5章和18.5.3进行工程评估,才可遵循其他液体等级的要求。
18.2.2 罐应采用符合良好的工程设计的任何形状或类型。金属罐应采用焊接、铆接、敛缝、栓接或这些方法的组合进行施工。
18.2.3 用于地上用途的罐的设计不能用于地下罐。
18.2.4 用于地下用途的罐的设计不能用于地上罐。
18.2.5 储罐应按照公认的优质工程设计标准中所采用的结构材料进行设计和建造。
18.3 储罐的设计与制造
18.3.1 制作材料
应采用钢质或认可的不燃材料,并符合以下要求:
a)储罐制造材料应适应于所要储存的液体。如果对要储存的液体的性能不清楚,应向供货商、液体生产者或其他专业机构咨询。
b)用可燃材料制造的储罐应经过管辖部门的认可,并且限制在以下几个方面:
——地下安装。
——符合所储存的液体性能需要的地方。
——在没有与溢出的或泄漏的Ⅰ级或Ⅱ级液体接触的地上区域,储存ⅢB级液体。
——在具有认可的自动灭火系统保护的建筑物里储存ⅢB级液体。
c)无衬里的混凝土储罐可用于储存密度等于或大于40API°液体。只要设计符合良好的工程实践,有特殊衬里的混凝土储罐可用于其他用途。
d)储罐可以有可燃或不燃衬里。应根据储存液体的性能选择适当的保护衬里。
e)如果储存液体的密度超过水的密度,或储罐是按照在液体温度低于-18C下储存而设计的,则需对工程设计作特殊考虑。
18.3.2 设计标准
18.3.2.1 常压罐设计标准:
a)常压罐应按公认的设计标准进行设计和制造,并应符合以下标准:
——API Spec12B。
——API Spec 12D。
——API Spec 12F。
——API Std 650。
——UL58。
——ANSI/UL80。
——ANSI/UL 142。
——UL1316。
——ANSI/UL 1746。
——UL 2080。
——ANSI/UL 2085。
b)常压罐的设计和制造符合API Spec650附录F的,允许操作压力从常压到6.9kPa,其他的罐压力限制在从常压到3.5kPa。
c)常压罐的设计和制造不符合API Spec650附录F的,只有通过工程分析,确定罐能够承受超高压力的情况下,允许操作压力从常压到6.9kPa。
d)符合a)标准的立式椭圆和多边形罐,允许操作压力从常压到6.9kPa,在紧急排气条件下,限定表压为17kPa。
e)低压罐和压力容器可用作常压罐。
f)常压罐不得盛装温度等于或超过其沸点的液体。
18.3.2.2 低压罐设计标准:
a)低压罐应按公认的设计标准进行设计和制造,并应符合以下标准:
——APl 620。
——ASME《非受火压力容器规范》第Ⅷ部分第1节。
b)罐的正常工作压力不应超过其设计压力。
c)压力容器可以用作低压罐。
18.3.2.3 压力容器设计标准:
a)设计承受压力在100kPa(表压)以上的储罐,应按公认的设计标准进行设计和制造,并应符合以下标准:
——受火压力容器按ASME《锅炉与压力容器规范》第I部分或第m部分第1节、第2节设计和制作。
——非受火压力容器按ASME《锅炉与压力容器规范》第m部分第1节、第2节设计和制作。
b)在管辖部门允许的情况下,不符合本条a)的压力容器可以使用。
c)压力容器不能超过设计压力进行操作;容器的正常操作压力不应超过该容器的设计压力。
18.3.3 罐的正常排气口
18.3.3.1 储罐应设置排气口,以防止在储罐充装或排空的时候,因气压变化所产生的正压或负压超过罐的额定设计压力而导致罐的损坏。正常排气口应位于正常情况下最大液位的上方。
18.3.3.2 主要储罐或分隔式储罐的主要分隔部门应有正常排气孔。
18.3.3.3 标准排气孔应按下述标准之一确定尺寸:
——SY/T 6306。
——其他认可的标准,或内径至少与充装管或出口管(取其大值)相同,但不小于32mm。
18.3.3.4 常压储罐应有足够的排气,以防止形成真空或最高操作压力超过6.9kPa。
18.3.3.5 低压储罐和压力容器应有足够的排气,以防止在充装、排空或大气温度变化时造成储罐过压或真空,使储罐或容器超出设计压力。当泵出口压力可能超过储罐或容器的设计压力时,应采取保护措施以防过压。
18.3.3.6 如果任何一座储罐或压力容器有一个以上的充装管或出口管,并同时进行充装或排液时,排气管的尺寸应根据预期同步流量的最大值确定。
18.3.3.7 对于装备允许压力超过17.2kPa(表压)排气口的储罐,所有排气口和排液口应布置妥善,以便顺利排空,避免由于局部过热、火焰逼近罐体任何部位时造成排气口蒸气引燃。
18.3.3.8 储存IA级液体的储罐和压力容器应配备排气装置,一般情况下关闭(除了在高压或真空条件时进行排气外)。
18.3.3.9 储存IB和IC级液体的储罐和压力容器应配备排气装置,一般情况下为关闭(在过压、真空或配备已登记注册阻火器的条件下除外)。
18.3.3.10 采油地区容量在475m³及其以下的原油储罐和容量在3785L以下液体(IA级液体除外)储罐以及室外地上罐,可采用敞开式排气管
18.3.3.11 在18.3.3.8和18.3.3.9条件下储存IB和IC级液体可不装阻火器或排气装置,如果安装出现堵塞和障碍,储罐可能损坏。
18.3.3.12 正常排气口的管道设计按第23章要求。
18.3.4 罐的充装管道
从罐顶部进入的充装管末端应放在距罐底150mm以内。充装管的安装与排列应尽可能减少振动。
以下两种情况例外:
——在正常操作下,罐内蒸气不在易燃范围内或有惰性气体保护的储罐,其充装管不必满足此要求。
——罐处理液体过程中潜在的静电积聚很小,充装管线不必满足此要求,但充装的设计和系统操作中应能避免产生气雾,并让下游的过滤器或过滤筛有充分的停留时间使产生的电荷消散。
18.3.5 防腐
18.3.5.1 金属罐内部防腐
没有按API,ASTM或UL标准设计的金属储罐,或预期腐蚀会超过所有设计公式规定的范围的储罐,应增加金属厚度或增加认可的保护层、衬里,以补偿在储罐设计寿命中所发生的腐蚀损失。
18.3.5.2 非金属罐内部防腐
没有按APl,ASTM或UL标准设计的储罐,或预期腐蚀会超过所有设计公式规定的范围的非金属储罐,应通过工程分析,确定采取增加罐材料厚度,增加保护涂层或衬里等方法,以补偿储罐设计寿命中所发生的腐蚀损失。
18.4 罐的试验
18.4.1 一般性试验
所有储罐无论是工厂建造的还是现场安装的,在投入使用之前应按照以下要求进行试验:
a)储罐上的经批准注册的标记应能证明与本标准要求相符。未标记与上述规范相符的储罐在投入使用前,应按照优良工程设计原则,并参照18.3.2.1a),18.3.2.2a)或18.3.2.3a)中所列规范中的试验章节进行试验。试验记录应永久保存。
b)如果充装管和排气管垂直长度很长,在液体充装时,罐底部所承受的静压力超过70kPa(表压),则储罐和有关的管线应用与上述静压头相等的压力进行液压试验。在特殊情况下,若罐顶部上方的排气管高度过高,应采用公认的工程实践经验确定液压试验的压力。
c)在最初投入使用前,应用容许的方法修补所有渗漏或变形。除了罐顶上的微漏外,对修补焊接储罐的渗漏不允许用机械堵缝。
d)在低于设计压力下操作的储罐,可根据本条a)或b)的规定,按储罐的紧急全开排气所产生的压力予以试验。
18.4.2 密封性试验
除了18.4.1所要求的试验外,所有储罐及其连接口在安装后、投入使用前应进行密封性试验。试验符合以下要求。除了地下罐外,应用空气、惰性气体或水在操作压力下进行密封性试验。
a)按厂家说明书,如果主要储罐或者间隙空间在出厂时保持真空的,不需进行密封性试验,可认为密封性良好(除非真空被破坏)。如果出厂真空能够保持,间隙空间的最终密封性试验也不需要,但以下两种情况除外:
——地上罐,已经在安装位置就位。
——地下罐,完全到罐顶。
b)不得用空气对存有易燃和可燃液体或蒸气的储罐试压(见第23章的压力管线试验)。
c)现场安装时,在18.4.1a)或18.4.1b)中所要求的试验可以视为对罐的严密性试验。
d)工厂建造的卧式地上罐,应用液体或空气在压力不小于20kPa(表压)和不大于35kPa(表压)下进行试验。
e)工厂建造的立式地上罐,应用液体或空气在压力不小于10kPa(表压)和不大于17kPa(表压)下进行试验。
f)单层壁地下罐和管线在覆盖、封闭或投入使用之前,应用液体或空气在压力不小于20kPa(表压)和不大于35kPa(表压)下进行试验。
g)地下双层密封罐和地面卧式双层密封罐的主罐(内罐)应用液体或空气在压力不小于20kPa
(表压)和不大于35kPa(表压)下进行试验。
——间隙(环面)空间应使用压力在20kPa~35kPa(表压)的空气或在18kPa(表压)的真空度下进行试验,或按照罐的清单或制造商的使用说明。不能超过压力限制。
——压力与真空度应维持1h。
h)地面立式双层罐的主罐(内罐)应用液体或空气在压力不小于10kPa(表压)和不大于17kPa
(表压)下进行试验:
——间隙(环面)空间应使用压力在10kPa~17kPa(表压)的空气或在18kPa(表压)的真空度下进行试验,或按照罐的清单或制造商的使用说明。
——压力与真空度应维持1h,不能超过压力限制。
18.4.3 周期性试验
每个罐应按照厂家说明书和使用标准的要求进行周期性试验,以确保罐的完整性。
18.5 防火及控制
18.5.1 一般要求
18.5.1.1 本条适用于采用普遍公认的管理技术和消防控制方法,以防止或减少储罐因火灾或爆炸造成的损失。由于罐储存设施的规模、设计和选址不同,对这些设施的防火与控制选用不同的方法。
18.5.1.2 储罐设施应配有防火控制系统和措施,以保障人身安全、减少财产损失并减轻火灾和爆炸对相邻地界造成的危害。符合18.5.2~18.5.6应视为满足18.5.1.1的要求。
18.5.2 着火源控制
应采取措施,以防易燃蒸气着火。着火源控制见第5章。
18.5.3 火灾爆炸危险管理
对罐储设施的消防和控制提供的程序将由安装和操作的工程评估所决定,工程评估应采用火灾识别、爆炸防护和工艺过程原理。评估包括但不限于:
——火灾和爆炸危害能力的分析。
——本地条件的分析,如邻近财产、潜在的洪水或地震。
——消防部门和互助响应能力。
18.5.4 火灾控制
对于易燃与可燃液体的储罐,应根据液体的容量,分析可能因火灾或爆炸造成的损失,相应采取防范措施和制定应急方案。
18.5.5 应急计划和培训
18.5.5.1 应制定由适用的设备和人员组成的应急行动计划,以应付火灾或其他紧急情况。该计划应包括如下:
——在着火情况下所采用的程序,例如发出警报、向消防部门报警、撤出人员、控制和灭火。
——履行防火安全职责人员的定岗和培训。
——防火设备的维护。
——进行消防演习。
——关闭或隔离设备,以减少液体逸出。
——在任何防火设备关闭时,保护人身安全的替代措施。
18.5.5.2 应对负责使用和操作防火设备的人员进行培训。至少每年培训一次。这些人员有演示对消防设备的使用或操作的能力。
18.5.5.3 应与当地应急救援机构协同合作,制定有效的火灾控制计划,该计划应按18.6.2.1要求,包括但不限于标记出所有储罐的位置、大小、介质及危险物品。
18.5.5.4 应制定在紧急状态下能安全停止操作的程序;并制定定期培训、检查和测试报警仪器、联锁装置和控制系统的制度。
18.5.5.5 在操作区域内,应急程序应切合实际,并方便使用,且应定期予以修订(见第5章)。
18.5.5.6 如果有的地方相当长时间内可能无人值守,则应将应急计划的简要说明张贴出来或放在重要且醒目的地方。
18.5.6 防火防爆应急设备的检查和维护
18.5.6.1 所有防火设备应按照标准要求和设备制造厂的指导书进行适当维护、检查和试验。
18.5.6.2 维护和实际操作中应控制泄漏,并且防止易燃液体溢流。
18.5.6.3 地上罐设施的周围应屏除杂草、废物,或其他多余的可燃材料。
18.5.6.4 人员活动的通道上应无障碍物,以便在火险发生时,能有次序地疏散人群,并进行消防和救护工作。
18.5.6.5 应尽量减少操作区的可燃废料和残留物。可燃废料和残留物应放置在有盖的金属容器中,并进行日常清理。
18.5.6.6 负责防火应急设备检查和维护的人员应进行培训,以掌握设备的检查和维护知识,并根据需要保持充分的更新培训。
18.6 罐的操作
18.6.1 罐的过量充装保护
18.6.1.1 容量大于5000L的储存Ⅰ级、Ⅱ级液体的地上罐,应制定程序或提供装备(或两者都有)以防止过量充装。
18.6.1.2 码头上的地上罐在接收从主干线或船上容器输送来的I级液体时,应遵守正式的书面程序,防止过量充装。该程序应采取下列保护方法之一:
a)在接收产品期间与供货人员保持经常的联系,由操作人员频繁地进行测量,以能迅速地切断流量或进行切换。
b)储罐配备一个单独高液位检测装置。警报器应放置在输送液体各岗位值班人员之处,以便能迅速断流或进行切换。
c)储罐配备一个独立的高液位检测装置,能自动切断或转流。
18.6.1.3 在18.6.1.2b)和18.6.1.2c)中所要求的仪表系统,经认可,可以采用其他等效方法。
18.6.1.4 在18.6.1.2b)和18.6.1.2c)中所要求的仪表系统,应连接自动防故障装置;从以下几个方面确定系统故障,仪表系统能有效报警,提醒人员注意,并自动切断或转流:
a)应按照SY/T6306确定有效报警条件和系统失效状态,编制书面的仪表操作程序。
b)系统失效状态包括但不限于:
——主电源缺失。
——液位检测系统回路、报警和信号回路的断电、短路或接地。
——液位检测系统控制器或信号设备的失效或故障。
18.6.1.5 按18.6.1.2所要求的正式书面程序应包括以下内容:
——对指定接收液体的罐是否对正和初始接受液体的检查方法的说明。
——由码头的管理部门对操作人员的操作进行培训和监视的规定。
——检查和试验计量设备和液位计以及有关系统的规范和方案和步骤。检查和试验间隔时间应能使管辖部门接受,不超过一年。
18.6.1.6 地下罐应配备过量充装保护设备,操作如下:
——当液体接近90%罐容量时,应启动高液位声光报警器,以引起操作者的注意。
——当向储罐充入的液体接近95%罐容量时,应自动切断。
——或由管辖部门认可的其他方法。
18.6.1.7 工厂装配的地面常压罐,按18.3.2.1的公认标准建造,只要从罐底到罐顶部充装管、正常排气口或紧急排气口的垂直距离超过3.7m,应符合下列要求:
——在充装连接直到充装完成期间,应有认可的措施可通知到充装操作人员。
——在罐的充装完成之前,应有认可的措施停止向罐输送液体。
——任何情况下,这些措施不能限制或干预正常排气或紧急排气的正常功能。
——罐的制造商要根据情况考虑是否对罐进行加固,如果需要则必须加固。
18.6.2 安全标识
18.6.2.1 液体储罐的信息和标记应符合SY/T6355的要求或其他认可的方式,标记应放在醒目处,如通向储罐的检修道或人行道的路肩或防火堤区域外部的管线上。如果有一座以上的储罐,则标志应放在对于每座罐都易于识别的地方。
18.6.2.2 没有监控措施的孤立地上罐,应对储罐的火灾危险性做出标记以提醒公众注意。必要时,储罐所在的区域应采取措施防止随意或非法进入。
18.6.3 洪水易发地区的储罐
18.6.3.1 装水
应符合下列要求:
a)依靠装水进行保护的储罐,当预测洪水要达到危险的洪水水位时,就应尽快向罐中装水。
b)如果用于装水的水泵依靠燃料启动,应随时随地备足燃料,以满足储罐不断的装水需要,直到装满水为止。
c)在装满水后,应将罐的阀门关闭并锁定。
18.6.3.2 操作说明
应由相关人员(按18.6.3.3)制定和实施应对洪水的应急操作说明和程序。
18.6.3.3 人员培训
负责实施洪水应急方案的人员应接受操作培训,并能掌握应急方案所需要的阀门和其他控制设备的位置,还要培训洪水应急之后恢复设施投入运行的所需程序。
18.6.4 储罐拆除
18.6.4.1 地上罐关闭
地上罐使用到期或弃用,应按SY/T6306或管辖部门的要求,排空液体,自由蒸发,采取措施避免非法进入。
18.6.4.2 地上罐的重新使用
地上罐重新用于装易燃和可燃液体,应符合本标准适用的各章要求并经认可。
18.6.4.3 地下罐拆除
18.6.4.3.1 一般要求
地下罐使用到期或弃用,应按SYT6306或管辖部门的要求,排空液体,自由蒸发,采取措施避免非法进入。本节所述的程序也可用于地下罐的临时不用、就地永久关闭或拆除,参见附录C。
18.6.4.3.2 暂时关闭
当罐不会永久关闭或拆除,计划在一段合适的时期内再度使用(不超过1年),罐应暂时停止使用。遵循以下要求:
——防腐和挥发检测系统要保持正常。
——通风管应通畅并能起到通风作用。
——罐应有保护措施以免受到撞击。
——所有的管线应盖住或塞住。
罐的暂时关闭超过一年,按照18.6.4.3.3或18.6.4.3.4就地关闭或拆除。
18.6.4.3.3 就地永久关闭
地下罐永久关闭应得到管辖部门的认可,并符合所有以下要求:
a)应通知所有相关的管辖部门。
b)在整个规定的工作期间保持安全的工作场所。
c)清除罐内所有易燃和可燃的液体和残渣,罐的附件和管线合理处理。
d)为确保罐及附件、管线的安全,应清除易燃蒸气或者使潜在的爆炸性气体惰性化。按书面程序要求,定期用可燃气体指示器测试空气中易燃蒸气是否清除,用氧气测量仪测试气体是否惰性化,以确保罐内的空气是安全的。
e)接近罐时从罐顶小心挖掘。
f)所有外露的管线、仪表、固定件和其他附件(除排气管外)都要断开和拆除。
g)罐用惰性固体材料装满。
h)罐的开口和剩余管线应加盖或拆除。
i)罐开挖后应回填。
18.6.4.3.4 拆除和处置
地下罐和管线按以下要求拆除:
a)应遵守18.6.4.3.3a)~e)的步骤。
b)所有外露的管线、仪表、固件和其他附件包括排气管要断开和拆除。
c)所有开口应塞住,留下一个6mm的开口以避免在罐内产生压力。
d)罐从开挖地点移动时应保证安全。
e)腐蚀的洞应塞住。
f)罐应标识过去的所含液体、当前的蒸气状况、蒸气排除的方法、禁止再使用的警示。
g)罐的拆除应按照管辖部门指定的地点,最好在一天内完成。
18.6.4.3.5 被拆除罐的暂时储存
如果必需要用已经拆除的罐暂时储存,罐应放置在受限制的安全区域。罐上开个6mm的孔以避免罐内产生压力。
18.6.4.3.6 罐的处置
罐的处置应符合以下要求:
——在罐被切割或掩埋之前,罐内的空气按照18.6.4.3.3d)进行测试以确保安全。
——罐在没有进一步用途被切割时应在罐顶和罐壁上钻孔。
18.6.4.3.7 记录
罐的所有重要记录都应保留,并遵守本地管理条例要求。
18.6.4.3.8 地下罐的再使用
已使用过的储罐只有符合本标准适用的各章并由管辖部门认可才能予以安装而重新用于易燃和可燃液体。
18.6.5 地下罐的泄漏检测和库存量记录
应对所有1级液体储罐保持精确的库存量记录或检漏程序,以指示储罐及相关管线可能出现的泄漏。
18.7 储罐及附件的检查和维护
18.7.1 每个储罐的检查和维护应符合API Std 653和STI SP001的要求。
18.7.2 用其他材料制作的每个储罐应按厂家说明书和适用的标准进行检查和维护,以确保符合本标准要求。
18.7.3 罐的测试要求按照18.4。
18.7.4 储罐均应保证密封性。泄漏的储罐应排空液体并按管辖部门认可的方法修补。
18.7.5 储罐如果结构损坏、修复、重建、搬迁、受压,或受到冲击、洪水、其他损伤造成损坏,应按18.4或管辖部门认可的方法进行检查和试验。
18.7.6 储罐及其附件,包括正常排气口、紧急排气口、超装保护设备和与之相关的设备应进行检查维护,以确保其功能符合书面程序要求。
18.7.7 储存Ⅰ级液体储罐的开口和计量口应加气密帽或盖。盖子在不用的时候应关闭。
18.7.8 对于地上罐的设施,应制定和执行一个程序,检查和去除罐底含有不混合性液体的水。
18.8 介质变化
储罐如果改变所储存的液体,应重新评估,以符合第18章至第22章的要求。
19 地上罐
19.1 适用范围
本章适用于:
——易燃和可燃液体(按第3章定义和第4章分类)在固定罐的储存,容积超过230L。
——易燃和可燃液体在容量超过2500L的移动式罐的储存。
——易燃和可燃液体在容量超过3000L的中型散装容器的储存。
——以上各种罐、移动式罐和散装容器的设计、安装、试验、操作以及维护。
19.2 专用定义
19.2.1 耐火罐
带隔热的常压地上罐,按照UL2080或等效的测试程序进行评估,在烃类燃料的火中可耐受物理损害,并能限制热量传导到罐主体。需登记注册。
19.2.2 浮顶罐
符合以下任一条规定的地上罐:
——在顶部开口的罐上设置顶部封闭的浮筒或双层金属浮顶,按API Std650建造。
——按API Std 650建造的顶檐,带有通风的固定金属顶盖,并且有符合API Std 650的顶部封闭的浮筒或双层金属浮顶。
——按API Std 650建造的顶檐,带有通风的固定金属顶盖,并且含有金属浮动盖,由液封的金属浮动装置支撑,当浮力失去一半时,能够提供浮力以防止液体表面被暴露。
注:如果地上罐内部的金属浮盘、顶、盖不满足以上条件,或者使用塑料泡沫提供浮力(密封除外),即使封装在金属或玻璃纤维内,需遵循固定顶罐的要求。
19.2.3 受保护地上罐
带有整体双层密封和隔热的常压地上罐,按照UL2080或等效的测试程序进行评估,在烃类燃料的火中可耐受物理损害,并能限制热量传导到罐主体。需登记注册。
19.3 一般要求
储存Ⅱ级、Ⅲ级液体,如果加热温度高于或等于其闪点,应遵循Ⅰ级液体的要求。除非按第5章和18.5 进行工程评估,才可遵循其他液体等级的要求。
19.4 地上罐的位置
19.4.1 相对于地界线、公用道路和重要建筑物的位置
19.4.1.1 对于Ⅰ级、Ⅱ级或ⅢA级稳定的液体的储罐,在操作压力不超过17.2kPa(表压),应按照表27和表28确定位置。如果储罐间距是根据顶一壁弱焊缝设计来确定的,用户应按要求向管辖部门出示具有这种焊缝的证明材料。
![表27 稳定液体储罐间距[内部压力小于或等于17.2kPa(表压)]](https://www.soujianzhu.cn/admin/guifan/pic/20220729/20220729095448927_043488.jpg)


19.4.1.2 带顶一壁弱焊缝(见19.7.2)并储存ⅢA级液体的立式罐,如果没有处在储存I级或Ⅱ级液体的储罐防火堤内或排液通道区域内,可以按表27中规定的距离的一半设置。
19.4.1.3 对于Ⅰ级、Ⅱ级或皿A级稳定的液体的储罐,在操作压力超过17.2kPa(表压),或者是紧急排气装备允许压力超过17.2kPa,应按照表28和表29确定位置。
![表29 稳定液体储罐间距[操作压力大于17.2kPa(表压)]](https://www.soujianzhu.cn/admin/guifan/pic/20220729/20220729095449896_751881.jpg)
19.4.1.4 对储存具有沸溢特性液体的地上罐应按表30布置。有沸溢特性的液体不应储存在罐径大于45m的固定顶储罐中,除非罐上设有认可的惰性系统。

19.4.1.5 对储存不稳定液体的罐应按表31和表28布置。

19.4.1.6 储存ⅢB级稳定液体的罐按照表32布置。
注:如果在同一防火堤区,或在排液通道内有储存Ⅰ级、Ⅱ级和皿B级液体的罐应按19.4.1.1布置。

19.4.1.7 不同所有权的两座储罐用地如拥有一个共同的界限,管辖部门经得到两个所有者的书面同意,可采用19.4.1.1规定的距离代替19.4.2的最小距离。
19.4.1.8 在卧式压力罐和容器的端部破坏可能造成危害的地方,其纵向轴应平行于最近的重要暴露设施。
19.4.2 相邻地上罐的间距(罐壁距罐壁)
19.4.2.1 储存Ⅰ级、Ⅱ级或ⅢA级稳定液体的储罐的间距按表33给出。
注1:容量不超过480m²的原油罐,如果位于孤立地区的采油设施附近,间隔可以不需要大于0.90m。
注2:仅储存ⅢB级液体的储罐,其间距最小为0.90m。且不在储存1级或Ⅱ级液体储罐的防火堤或排液通道的区域内。储存ⅢB级液体的储罐,其间距应符合表33中ⅢA级液体的要求。

19.4.2.2 对于不稳定液体的储罐和其他储存不稳定的液体或者Ⅰ类、Ⅱ类、Ⅲ类液体的储罐,两罐间距不应小于它们直径和的一半。
19.4.2.3 当储罐位于储存Ⅰ级或Ⅱ级液体储罐的防火堤内或排液通道区域内,呈三排以上或不规则排列时,应按管辖部门要求,加大间距或采用其他方法,使储罐的布置便于灭火。
19.4.2.4 Ⅰ级、Ⅱ级或皿A级液体储罐距液化石油气容器的最小水平距离为6m,并遵循以下规定:
——采取适当的措施,例如防火堤、分流栏或斜坡,以防止Ⅰ级、Ⅱ级或ⅢA级液体积存在液化石油气容器下面。
——如果易燃或可燃液体储罐在防火堤范围内,液化石油气容器应置于防火堤外,至少距防火堤墙的中心线0.9m处。
19.4.2.5 对于Ⅰ级、Ⅱ级或皿A级稳定的液体的储罐,在操作压力超过17.2kPa(表压),或者是紧急排气装备允许压力超过17.2kPa(表压),其与液化石油气容器的间距要求见表33。
19.4.2.6 当475L及其以下的液化石油气容器的安装靠近容量为2500L及其以下的燃油供应罐,则不适用19.4.2.4规定。
19.5 地上罐的安装
19.5.1 罐的支撑
19.5.1.1 罐的支撑设计应符合公认的设计标准或认可的等效文件。
19.5.1.2 罐的支撑应防止罐壁支撑部分过载。
19.5.1.3 在地震带,支撑和连接设计应具有减震、防震效果。
19.5.2 地上罐的固定基础
19.5.2.1 储罐应放置在地面上或用混凝土、砖石、打桩或钢材筑造的基础上。
19.5.2.2 储罐基础的设计应能够减少罐沉降不均匀的可能性和减少在基础上的罐任何部位的腐蚀。
19.5.2.3 当储罐靠基础支承时,罐的支承应放在坚实的基础上。储存I级、Ⅱ级或ⅢA级液体的储罐,其支承应为混凝土、砖石或有防腐的钢。
注:如果水平放置的单根厚木座(而不是框形木架)没有高出其最低点0.30m,可用于室外地上罐。
19.5.2.4 用于储存Ⅰ级、Ⅱ级或ⅢA级液体的储罐的钢支承或外露桩,应用耐火等级不小于2h的材料保护。
注1:钢鞍座如果没有高出其最低点0.3m,则无需保护。
注2:根据管辖部门做出的决定,喷水保护符合NFPA 15或NFPA 13。
19.5.2.5 如果罐是设在一个洪水易发地区,无论是装满或空的罐,应采取措施,以防水位涨到所规定的最高洪水水位时储罐漂浮(见18.6.3)。
19.6 地上罐的排气管线
正常和紧急排气管线按第23章安装。
19.7 地上罐暴露保护的紧急排气
19.7.1 一般要求
19.7.1.1 每个地上罐应具有释放由于暴露于火焰而引起内部过压的结构或装置,应符合下列要求:
——这项要求也适用于分隔式罐的每个隔间、双层密封罐的间隙空间(环)、闭顶堤结构内储罐的封闭空间。
——这项要求也适用于罐的封闭空间和间隙,如预留作绝缘、覆膜或天气防护罩的空间,可能有主容器液体泄漏到这些间隙中;用于绝缘、覆膜或天气防护罩的空间不得影响紧急排气。
——储存ⅢB级液体的储罐,容量大于45400L,且不在I级或Ⅱ级液体防火堤区和排液通道的范围内,则不需要紧急泄压排气。
19.7.1.2 在立式罐中,按19.7.1.1所提到的结构可以采用浮顶、升降顶、顶一壁弱焊缝或其他认可的泄压结构形式。
19.7.1.3 如果储存不稳定液体,应考虑热影响或由于聚合、分解、冷凝、自反应性产生气体的影响。
19.7.1.4 如果紧急排气时可能有两相流体,应采取工程评价的方法确定泄压设备的大小。
19.7.2 顶一壁弱焊缝结构
如果采用顶一壁弱焊缝,设计上应比任何其他焊缝优先裂开。其设计方法按APIStd650和ANSI/UL142。
19.7.3 泄压装置
19.7.3.1 如果整个紧急泄压全靠泄压装置,则正常和紧急两种排气管的总排气量应足够,如果是立式罐,则应防止罐壁或罐底破裂;如果是卧式罐,则防止罐壁或封头破裂。
19.7.3.2 正常排气和紧急排气两种装置的总排气量不应小于由表34推导出的总量(参见附录B)。
注:按19.7.3.7或19.7.3.8中的规定除外。
19.7.3.3 紧急排气装置应保持气密性,可以是以下任一种形式:
——自闭式人孔盖。
——带长螺栓的人孔盖,在内部压力下盖可以打开。
——附加阀门或者更大的泄压阀。
19.7.3.4 储罐的淋湿面积按以下方法计算:
——球或椭球总暴露面积的50%。
——卧式罐总暴露面积的75%。
——长方形罐暴露外壳和底面积的100%,不包括罐顶表面。
——立式罐地面以上9m暴露外壳的面积。

19.7.3.5 对于设计和操作压力超过6.9kPa(表压)的储罐和储存容器,其总的应急排气量按以下方法确定:
a)淋湿面积不超过260m²的储罐,排气量不少于表34的值。
b)淋湿面积超过260m²的储罐,排气量按表35选取,或最少按公式(1)计算:

式中:
CMH——排气速率,单位为立方米每小时(m³/h);
A——外露的淋湿面积,单位为立方米(m²)。
![表35 淋湿面积与排气速率的关系[淋湿面积大于280m2和压力大于6.9kPa(表压)]](https://cdn.yuanlin8.com/guifan/xiaofang/002/0764b8827cf73a667362f89517119bbbfbdaa1d3.jpg)

19.7.3.6 对任何特定的稳定液体可按公式(2)计算其总的紧急泄压排气量:
式中:

v——排气速率,单位为立方米每小时(m³/h)(查表34的排气速率);
L——特定液体的气化热,单位为千焦每千克(kJ/kg);
M——特定液体的相对分子质量。
19.7.3.7 对装有稳定液体的储罐(19.7.3.8和19.7.3.9除外),当按要求进行保护时,所需的排气速率按19.7.3.2~19.7.3.5或19.7.3.6中所要求的排气速率乘以一个系数,该系数按下列方案选取,任一储罐只能使用一个系数:
a)对淋湿面积超过20m²的储罐,排液符合19.11.1的要求时,系数取0.5。
b)采用符合NFPA15的水喷淋系统,并且排液符合19.11.1要求时,系数取0.3。
c)采用符合NFPA15的自动水喷淋保护系统(消防系统),系数取0.3。
d)隔热保温符合19.7.3.10的要求时,系数取0.3。
e)采用符合NFPA15的水喷淋系统,并且罐的隔热保温符合19.7.3.10的要求时,系数取0.15。
19.7.3.8 在储存、处理或处置燃烧热和燃烧速度等于或小于普通酒精(乙醇)的水溶性液体的地方,如果不会有其他潜在的暴露于火焰的液体时,上述系数可以减少50%;排液不需要减少系数。在19.7.3.7a)至e)的任何情况下,上述系数都不能小于0.15。
19.7.3.9 在储存、处理或处置燃烧热和燃烧速度等于或小于普通酒精(乙醇)的非水溶性液体地方,如果不会有其他潜在的暴露于火焰的液体时,按19.7.3.7a)和c)确定的紧急排气能力允许减少50%;采用水喷淋保护时,不允许有更多减少;排液不需要减少系数。在19.7.3.7a)至e)的任何情况下,上述系数都不能小于0.15。
19.7.3.10 19.7.3.7d)和e)所指的保温层应满足下列性能指标:
——在暴露于火焰条件下不脱落。
——在暴露于火焰时,消防水冲击不脱落。
注:在不考虑使用或不能使用实心水流的地方,可以不作这项要求。
——当外部保温套或覆盖物在904.4℃温度,并且保温的平均温度为537.8C时,最大传热系数应保持在2.3W/(m²℃)。
19.7.3.11 对于装备允许压力超过17.2kPa(表压)紧急排气口的储罐,所有排气口和排液口应布置妥善,以便顺利排空,避免由于局部过热、火焰逼近罐体任何部位时造成排气口蒸气引燃。
19.7.3.12 对于商业性储罐的排气装置有如下要求:
a)使用金属铭牌,或在设备的金属体上铭刻以下信息:
——开启压力。
——阀门在全开位置上所达到的压力。
——在本条c)所述压力下的流量。
b)如果开启时的压力低于17.2kPa(表压),并且全开时压力高于17.2kPa(表压)时,则排气装置上还应铭刻17.2kPa(表压)下的流量。
c)流量以绝对压力103.4kPa和15.6℃温度下的排气量(m³/m)表示。
d)对管子公称尺寸小于200mm的储罐排气装置,应对排气管的类型和尺寸进行试验以确定其流量。这些流量试验可以由有资质的第三方机构进行。
e)公称尺寸200mm及其以上的储罐排气装置(包括带长螺栓的人孔盖及类似装置)的流量可以根据额定孔口面积相应的流量系数乘以0.5来计算。如果开启压力已实际测定,额定压力和相应的自由孔口面积已被确定,铭牌刻上“已计算”一词。
19.7.4 紧急排气管的延伸
常压罐或低压罐的紧急排气装置,其接入或接出管的尺寸根据紧急排气量来确定,应限制回压小于罐所允许的最大设计压力。压力容器紧急排气装置的接入或接出管的尺寸按照ASME锅炉和压力容器标准确定。
19.8 地上罐的防火保护
19.8.1 用容积大于190m³的立式常压固定顶储罐存储I级液体,如果储罐位于拥挤的地区,可能从邻近的地界到储罐,或者从储罐到邻近地界有火灾暴露危险,则应按照适用的NFPA标准设立灭火系统。
19.8.2 在低于其闪点温度储存Ⅱ类或Ⅲ类液体的固定顶储罐和储存任何液体的浮顶罐,如果按照本章的要求进行安装,则不需要防火保护。
19.9 地上耐火罐的额外要求
19.9.1 地上耐火罐应按UL2080进行测试和注册登记。
19.9.2 耐火罐应符合以下两个要求:
——按要求提供耐火保护的建筑物,应能够减少热量传递到主要储罐,以限制主要储罐的平均温度不超过430℃,最高点的温度不超过540℃;按UL2080进行暴露于火焰不低于2h测试,应能防止液体泄漏、主罐破损、支撑结构损坏和排气量减少。
——不允许按19.7.3.7减小紧急排放口的尺寸。
19.10 受保护地上罐的额外要求
19.10.1 受保护地上罐应按UL2085进行测试和注册登记。
19.10.2 受保护地上罐应符合以下两个要求:
——按要求提供耐火保护的建筑物,应能够减少热量传递到主要储罐,以限制主要储罐的平均温度不超过144℃,最高点的温度不超过204℃;按UL2085进行暴露于火焰不低于2h测试,应能防止液体泄漏、主罐破损、支撑结构损坏和排气量减少。
——不允许按19.7.3.7减小紧急排放口的尺寸。
19.11 地上罐溢流控制
对于Ⅰ级、Ⅱ级或A级液体的任何意外泄漏都应采取相应的措施,以防危及重要装置和邻近的地域或蔓延到排水沟,做法依照以下各条规定。
19.11.1 远距离蓄液
如果采用排水道,将泄漏的液体排至远距离蓄液区,使储罐周围不产生积液,应遵循以下要求:
a)从储罐到蓄液区,应具有最少15m不小于1%的斜坡。
b)蓄液区容量不得小于向蓄液区排放的储罐中最大罐的容量。
注:如果储罐周围的空地不够,不能满足b)的要求,可以按所需容量的一定百分比进行“部分”远距离蓄液。为容纳剩余所需溢流控制的容量,需配备19.11.2所要求的防火堤。
c)排液系统路线应考虑到如果排放系统中的液体着火,火势不会严重影响储罐或邻近地界。
d)蓄液区的地点应考虑到当蓄液池充满时,液面应距已建或待建的地界线、储罐不小于15m。
注:如果采用“部分”远程蓄液,部分蓄液池中的液位应满足d)的要求。罐的间距应按表33中有防火堤的要求确定。
19.11.2 储罐周围采用开放防火堤蓄液
如果采用在储罐周围筑开放防火堤蓄液来控制溢流,应遵循以下要求:
a)距储罐至少15m范围内,或者从储罐到防火堤基之间(取较小值),设置不小于1%的斜坡。
b)防火堤内的容量应不小于最大储罐的容积(假设是满罐)。对于在防火堤区域内多于1个罐的情况,防火堤区的有效容量计算应为防火堤内的体积减去除最大储罐外的所有储罐在防火堤高度以下的体积。
c)为了方便进入,防火堤外侧的基础距任一已建或待建的地界线不应小于3m。
d)防火堤的墙壁应采用土、钢、混凝土或砖石,做到不漏液和能承受满水时的静水压头。土墙高度为0.90m或以上,墙顶部为平整断面,其宽度不小于0.60m。土墙的坡度应与所建墙的材料的休止角一致,对装有I级液体且位于极松散土壤上的储罐,其防火堤区可能需要进行特殊处理,以防在溢流时有大量危险的液体流入低洼区或水道中。
e)防火堤区的墙壁平均内部高度限制在其内部地面1.8m之内。在设有正常通道和应急通道接近储罐、阀门和其他设备,以及防火堤内设置有安全出口时,应符合下列要求:
——如果装有Ⅰ级液体的防火堤平均高度大于3.6m(从内部地面量起),或任何储罐与防火堤内缘顶部之间的距离小于防火堤高度,应采取措施使操作人员能正常操作阀门,并且能够直接登上罐顶,而无须从防火堤顶部以下进入。这些措施可以通过采用遥控阀、高架人行道或类似办法予以实现。
——穿过防火堤墙的管路的设计应能够防止由于沉陷或着火引起的过应力。
——储罐距防火堤内墙根的最近距离应为1.5m。
f)每个防火堤区(有两个以上的储罐)应最好用排液通道或至少也应用中间防火堤隔离,并按下述方法防止因溢流而危及防火堤区内的相邻储罐:
——通常储存稳定液体的立式锥顶罐采用顶一壁弱焊缝或浮顶罐,或在生产区内用任一类型储罐储存原油时,每个超过1590m³储罐应划出一个次级防火堤区;每群储罐,若单个容量不超过1590m³,总量不超过2385m³,也应划分为一个次级防火堤区。
——凡不属于上一条的情况,通常储存稳定液体的储罐,每个超过380m³的储罐应划分为一个次级防火堤区;每群储罐,若单个容量不超过380m³,总储量不超过570m³,也应划分一个次级防火堤区。
——当采用任一类型储罐储存不稳定液体时,每个储罐应有次级防火堤。
注:储存不稳定液体按照NFPA15设置排液,不必满足此要求。
——无论何时只要同一防火堤区中如果有两个以上储存Ⅰ级液体的储罐且每一储罐直径均超过45m,则应在邻近储罐之间采用中间防火堤,防火堤区应至少容纳储罐容量的10%(不包括储罐本身所占体积)。
——排液通道和中间防火堤的设置应考虑单个储罐容量大小,位于储罐之间,以便充分利用有效空间。如使用中间防火堤,其高度不应小于45cm。
g)在对从防火堤区采取排液措施的地方,此类排液通道应采用某种方法加以控制,以防止易燃或可燃液体进入天然水道、公共污水道或公共排水系统中而产生危险。在防火堤外面着火时,排液装置应能使人接近,便于控制。
h)在防火堤区范围内不允许储存可燃材料、空桶或满桶。
19.11.3 储罐周围采用闭顶防火堤蓄液
如果采用在储罐周围采用闭顶防火堤蓄液来控制溢流,应遵循19.11.4以及本条a)至d)的要求。
a)防火堤内的容量应不小于最大储罐的容积(假设是满罐)。
b)对于在防火堤区域内多于1个罐的情况,防火堤区的有效容量计算应为防火堤内的体积减去除最大储罐外的所有储罐在防火堤高度以下的体积。
c)为了方便进入,防火堤外侧的基础距任一已建或待建的地界线不应小于3m。
d)防火堤的墙壁应采用土、钢、混凝土或砖石,做到不漏液和能承受满水时的静水压头。
e)在对从防火堤区采取排液措施的地方,此类排液通道应采用控制措施,以防止易燃或可燃液体进入天然水道、公共污水道或公共排水系统中。在防火堤外面着火时,排液装置应能使人接近,便于控制。
f)在防火堤区范围内不允许储存可燃材料、空桶或满桶。
g)主要罐的容量不能超过表36给定的量。
h)连接到罐的所有管线应位于最大液位上方。
i)罐应能够抵抗机动车辆的冲撞,或者应提供防撞栅栏。
j)在采用双层密封措施的地方,应按19.7的要求提供紧急排气。
k)对于双层密封系统,应按第18章要求确保其完整性。
l)如果有正常排气或紧急排气口通往闭顶堤围堰的外部,围堰内的储罐应满足19.11d)和e)的要求。
m)如果闭顶堤围堰内的储罐的充装管线不在围堰内,围堰内的储罐应满足19.11d)和e)的要求。
19.11.4 双层密封地上罐
双层密封罐来控制罐的溢流,应满足以下要求:
a)登记注册的主要罐的容量不超过表36的规定。
b)连接到罐的所有管线应位于最大液位上方。
c)提供能防止储罐因虹吸作用而泄漏液体的方法。
d)提供确定储罐中液位的方法。操作人员掌握这些方法的使用。
e)提供防止溢流方法。防止溢流的方式是当罐中液位达到容量的90%时发出报警声和当罐中液位达到容量的95%时自动停止给储罐供液。在任何情况下都不会限制或干扰正常排气或紧急排气的功能。
f)相邻罐之间的距离不小于0.9m。
g)罐应能够抵抗机动车辆的冲撞,或者应提供防撞栅栏。
h)在采用双层密封措施的地方,应按19.7的要求提供紧急排气。
i)对于双层密封系统,应按第18章要求确保其完整性。
j)双层密封的设计应能承受由于储存在主要罐内的液体达到最大数量时泄漏产生的顶部静压。

19.12 远距离蓄液区和防火堤区内的设备、管线和消防系统
19.12.1 管线的位置
直接与单个防火堤区内的罐或罐群相连接,用于产品、公用设施或者消防目的的管线,其路线应穿过防火堤区、远距离储液区、通往远距离储液区的溢流排放区,在管线可能暴露于火焰的地方,应高于储罐排放区。
注:用于其他产品且从相邻的罐接出的管线,其允许通过的区域,应采取合适的工程设计措施,以防止管道产生暴露于火的危险。
19.12.2 排液
为了防止液体在管线下方聚积,应从管线系统设置至少15m长、坡速不小于1%的排液管。没有排液或不使用排液的地方,耐腐蚀管线和采取防腐措施的管线可以埋地。
19.12.3 设备位置
设在远距离储液区、防火堤区、通往远距离储液区的溢流排放区的工艺设备、泵、仪表和电气设备,其位置和保护措施应保证在一定的时间内,该设备发生的火灾不会对同一区域内的罐和罐群构成暴露的危险,在这一时间,具有对这一位置的灭火反应能力和拟制火灾的能力。
19.12.4 消防系统
用于罐的消防水管接头、控制装置、阀门应位于远距离储液区、防火堤区、通往远距离储液区的溢流排放区的外面。
19.12.5 易燃材料
在远距离储液区、防火堤区、通往远距离储液区的溢流排放区的楼梯、走道、仪表罩,以及管线和设备的支撑,应采用不易燃的材料建造。
19.13 地上罐除排气外的其他开口
19.13.1 地面储罐上的每个常用连接管,应在罐内或罐外设置阀门,阀门应尽可能靠近罐壁。
19.13.2 位于液面下的每个不常用的连接管处应保证液体密封。密封件可以是阀门、塞子、盲板或它们的组合。
19.13.3 在储存Ⅰ级液体的储罐上的计量开口处应配置气密盖。
19.13.4 Ⅰ级、Ⅱ级和ⅢA级液体的充装和排空连接管的安装和拆除应在建筑物的外面且无任何火源的地方进行,距任何建筑物的开口不得小于1.5m。连接口在不用时应关闭且保持液密性,并做适当的标记。
19.14 洪水易发地区的地上罐的放置要求
19.14.1 安装立式罐时,应使其顶部超过最高危险水位的高度至少为其储存容量的30%。
19.14.2 安装卧式罐时,当超过储存容量的70%的部位都浸没在规定的最高危险水位时,应按以下方法固定:
——用锚固的方法防止移动。
——应固定到混凝土或钢筋混凝土基础上,以便给储罐在装有液体或被洪水浸没至规定的最高洪水水位时,提供适当的重载。
——用其他办法适当保护,以免漂浮。
19.14.3 罐的排气口或其他没密闭的开口应高于最高洪水水位。
19.14.4 对于空罐或部分充装的罐应保证可靠的供水。
注:如果不可能向罐内充水或由于罐内装有危险产品,则储罐应用其他方法进行保护,以免罐体移动或坍塌。
19.14.5 球形罐或滴形罐的保护措施应与立式罐或卧式罐规定的保护方法相同。
19.15 地上罐的碰撞保护
在罐可能受到车辆撞击的地方,采取保护使罐免于受到损坏。
19.16 地上罐的安装说明
工厂建造的罐应提供罐的测试报告、正常和紧急排气的安装说明。
19.17 地上罐的检查和维护
19.17.1 地上罐的检查和维护应符合18.7的要求。
19.17.2 每个地上罐的检查和维护应符合API653和STISP001的要求。
19.17.3 采用非钢质材料的储罐,应按厂家说明书和适用标准进行检查和维护。
19.17.4 浮顶罐的浮筒检查周期不超过5年,通过目视和气压测试方法,确保浮筒盖与浮顶甲板的机械密封良好,并且浮筒不会因腐蚀穿孔导致液体或蒸气产生泄漏。如果发现液体或可燃蒸气浓度达到或超过燃烧下限的25%,应采取安全措施转移液体或蒸气,并对泄漏源头进行修理。如果发现蒸气浓度低于燃烧下限的25%,应至少每年对罐的浮筒实施监测,以确保在采取纠正措施之前或者储罐弃用之前,蒸气不会达到可燃范围。如果有边缘排气孔,应检查确保其开口不会冻结。
20 地下罐
20.1 适用范围
本节适用于用于储存易燃和可燃液体的地下固定储罐,包括地下罐的安装和操作。
20.2 一般要求
20.2.1 液体等级升高
储存Ⅱ级、Ⅲ级液体,如果加热温度高于或等于其闪点,应遵循Ⅰ级液体的要求。除非按第5章和18.5的进行工程评估,才可遵循其他液体等级的要求。
20.2.2 安装
地下罐应按照厂家说明书进行安装。
20.2.3 开挖
为安装地下罐而进行的开挖应小心,以避免挖到现有构筑物的基础。
20.2.4 储罐搬运
储罐在搬运、卸车、安放到开挖地点时应小心,防止损坏。
20.2.5 地下罐外部防腐
20.2.5.1 地下罐及其管线应采用以下方式防腐:
a)根据公认的设计标准进行设计、安装、维护,采用阴极保护系统。
b)用认可或登记注册的防腐材料或系统。
20.2.5.2 所采用的保护形式应根据腐蚀情况并在有资质的工程师的鉴定下进行选择。
20.2.5.3 管辖部门对证明不需要保护的地方可以允许不做防腐。
20.3 地下罐的位置
20.3.1 地下罐或建筑物下面的储罐的位置应根据现有建筑物的基础和支座而定,不应使载荷通过支座传递到储罐。
20.3.2 储存I级液体的储罐的任何部分距任何地下室或地坑最近的墙壁不得小于0.3m,距待建的地界线不得小于0.9m。
20.3.3 储存Ⅱ级或皿级液体的储罐的任何部分距任何地下室、地坑最近的墙壁或地界线不得小于0.3m。
20.4 地下罐的安装
20.4.1 基坑和回填
20.4.1.1 按储罐厂商的典型推荐作法,基坑和回填应采用无腐蚀的惰性材料,如干净的砂子或压实砾石。
20.4.1.2 地下罐应固定在坚实的基础上,按照厂家说明书,达到最小基坑深度要求。基坑在储罐周边的每个方向应延伸至少300mm。
20.4.1.3 地下罐的回填深度至少为300mm,厂商有特殊要求时深度更大。按厂家推荐作法,回填应均匀分布于纵向层300mm~450mm,并压实。
20.4.2 覆盖物
20.4.2.1 地下罐的覆盖采用以下方法之一:
a)至少300mm回填,再用300mm厚的净土覆盖。
b)至少300mm压实回填,然后再用厚度不小于100mm的钢筋混凝土板予以覆盖。
20.4.2.2 当可能有车辆经过储罐上面时,为防止车辆对其损坏,应采用以下方法之一:
a)至少900mm回填。
b)按储罐厂商的典型推荐作法,至少450mm压实回填,再加至少150mm的钢筋混凝土。
c)按储罐厂商的典型推荐作法,至少450mm压实回填,再加至少200mm的沥青混凝土。
20.4.2.3 当用沥青或钢筋混凝土路面层作为保护部分时,在水平方向上应超出储罐周围的地面至少300mm。
20.4.3 最大埋地和覆盖深度
20.4.2.1 地下罐的最大埋地深度取用厂家在储罐上所标注的数值。
20.4.2.2 如果覆盖深度大于罐径或罐底承受的压力超过69kPa(表压),储罐制造厂有必要增加加强材料。设计中应考虑的因素包括所储存的液体的密度。
20.5 地下罐的正常排气
20.5.1 罐的排气系统应有足够的排气量,以便在储罐充装时防止充装管回压窜回蒸气或液体。
20.5.2 排气管内径按表37选取,但不得小于30mm。

20.5.3 在罐的排气管路上装有排气装置的地方,其流量应按19.7.3.12确定。
20.5.4 正常排气和紧急泄压排气管道按第23章设计。
20.6 除排气口外的其他开口
20.6.1 所有储罐的开口连接管应保持密封。
20.6.2 人工计量的开口,如果与充装管分开,应配备密封帽或盖。不计量时盖应关闭。如在一个建筑物内,这种开口应用弹簧止回阀或其他认可的装置加以保护,以免液体溢流及释放出蒸气。
20.6.3 充装和排出管路只能从罐顶进入罐中。
20.6.4 充装管应斜向储罐。
20.6.5 用于I级液体的且容量大于3800L的地下罐,应配备密封的充装装置,把充装软管接到储罐。
20.6.6 Ⅰ级、Ⅱ级或ⅢA级液体的充装和排空管及蒸气回收管应放置在建筑物的外面且无任何火源的地方,距任何建筑物开口不得小于1.5m。在不使用这些连接管时,应将其封闭,使之保持密封并做出适当的标记。
20.6.7 罐上用于蒸气回收的开口,如果没有通过管道连接到蒸气处理系统,应采取措施防止蒸气泄漏,可以使用弹簧止回阀、干式快速连接或其他认可的装置。设计为充装和蒸气回收合并使用的开口也应采取措施防止蒸气泄漏,除非液体输送管道同时与充装管和蒸气回收管道相连。所有连接应保持气密性。
20.7 洪水易发地区的地下罐的放置要求
20.7.1 在经常发生洪水的地区,最高洪水水位达到易燃或可燃液体地下罐储量的70%以上时,该地下罐应采用锚固、加重或固紧,以防罐被水装满和被洪水浸没至规定的洪水水位时移动,没有液密封的储罐排气口或其他开口应高出最高洪水水位。
20.7.2 在不经常发生洪水的地区或地下罐内存放的介质不适于加水填充时,每座储罐可采取锚固或用其他方式固定,以防空罐被高位地下水或洪水浸没时移动。这种罐的施工和安装应考虑到,在浸没时能够安全地承受外部压力。
20.8 地下罐的安装说明
工厂建造的罐应提供罐的测试报告、正常和紧急排气装置的安装说明。
20.9 地下罐的检查和维护
20.9.1 地下罐的检查和维护应符合18.7的要求。
20.9.2 防过量充装保护系统应每年进行测试,确保能够正常操作。
21 储罐建筑物
21.1 适用范围
21.1.1 本章适用于建筑物内储存Ⅰ级、Ⅱ级和ⅢA级液体罐的安装。
21.1.2 本章也适用于储罐建筑物内,加热到闪点及以上温度储存Ⅱ级、ⅢA级和ⅢB级液体的地上罐安装。这种情况下,这些液体当作I级液体。
21.1.3 本章不适用于:
——第15章、第16章、第17章所述的罐。
——储罐如果带顶盖或篷,且不影响热量释放或易燃蒸气散发,也不妨碍消防通道和消防作业时,应符合第19章的规定。
21.2 位置
21.2.1 在安装储罐的建筑物内,安放储罐和任何有关设备时应考虑到在火灾发生时,消防人员赶到现场灭火之前,这一段时间不会对周围邻近的建筑物或储罐造成危害。如果符合21.2.2~21.2.8,应视为满足21.2.1的要求。
21.2.2 对于采用耐火等级小于2h的耐火墙结构的储罐建筑物,其与暴露的地界线之间最小距离见表38。
21.2.3 未经管辖部门认可,任何单个储罐的容量不应大于380m3。
21.2.4 如果没有提供暴露保护,表38中的数据应予加倍,但距离不应超过90m。
21.2.5 如果储罐建筑物有面向火源的外部墙壁,表38中的距离可作如下修改:
——如果该墙壁是一个耐火等级不低于2h的无门窗墙,则储罐建筑物和火源之间的距离不必大于7.6m。
——如有耐火等级不低于4h的无门窗墙,则不适用表38规定的距离。
——如果储存IA级或不稳定液体,则暴露墙耐火等级应符合工程实践的经验,并且非暴露墙和顶部应按NFPA68设置泄压口。
21.2.6 其他与储罐有关的设备,如泵、加热炉、过滤器、换热器等,距已建、待建的地界线、同一地界上最近的不属于储罐的重要建筑物不少于7.6m。
注:如果按21.2.2要求进行防火保护,则不适用本要求。
21.2.7 储存不稳定液体的储罐与潜在火源之间应有至少7.6m的开阔空间,或用一个耐火等级不低于2h的墙壁隔开。
21.2.8 每个储罐建筑物和建筑物内的每个储罐都应至少能从两侧接近,以便扑救和控制火灾。
21.2.9 Ⅰ级液体、加热到闪点以上的Ⅱ级或ⅢA级液体不要存放在地下室中。

21.3 结构
21.3.1 储罐建筑物的结构应能保证在着火2h内完整不变,并有足够的进出通道供人员及救火设备畅通无阻地通过。符合21.3.2~21.3.7应视为满足21.3.1的要求。
21.3.2 建筑物或构筑物应至少有2h的耐火等级。除非有管辖部门认可的自动水喷淋保护或等效保护时,允许使用不燃和可燃结构。
21.3.3 如果Ⅰ级液体存放在建筑物内的地平面以上,而可燃蒸气可能进到该建筑物的地下室或其他低于地平面的区域中,这些地平面下的区域应设有能防止可燃蒸气聚集的机械通风装置。封闭式储罐坑不应视为地下室。
21.3.4 存有ⅠA级液体的储罐建筑物应使用限制损害结构,使重要建筑物和占用区域远离直接明火、可燃气体和因爆燃产生的压力。限制损害结构应按NFPA68设计,并经管辖部门认可。
21.3.5 存有不稳定液体的储罐建筑物的设计,应采用认可的工程结构,限制因爆炸(根据液体性质,可能有爆燃或爆轰)造成的损害。
21.3.6 应留出至少0.9m的通道供救火人员和防火设备通过。
21.3.7 对于按照21.4.2.3进行保护的建筑物,罐顶和建筑结构之间的间隙至少应为0.9m。对于没有固定灭火系统的建筑物,应留出供水软管伸到罐顶进行冷却用的空间。
21.4 防火
21.4.1 移动式灭火设备
21.4.1.1 根据18.5.1.2所确定的具有特殊危险性储存的需要,应提供一定数量、规格和型号的登记注册的灭火器。
21.4.1.2 按18.5.3分析,如果需要使用消防水,可通过立管和消防水带或喷淋装置,用开花水枪和直流水枪来进行火灾有效地控制。
21.4.1.3 按18.5.3分析,按需要提供移动式泡沫灭火器。
21.4.2 固定式灭火设备
21.4.2.1 根据18.5.3所确定的具有特殊危险性储存的需要,应提供有足够压力和数量的可靠消防水源或其他合适的灭火剂。
21.4.2.2 消火栓(有或无固定消防水炮喷嘴)应按照可接受的经验配置。其数量和位置根据18.5.3确定。
21.4.2.3 为满足按18.5.3所述的储存或暴露于火焰情况下的灭火要求,应采取固定式保护措施,这些措施包括认可的泡沫、泡沫一水喷淋系统、水喷淋装置、洒水系统、雨淋系统、气体灭火系统、干粉灭火系统、耐火材料或它们的组合。
21.4.2.4 如果使用泡沫或泡沫一水保护系统,应根据所选泡沫排出设备、泡沫浓度、所保护的易燃和可燃液体特性来确定喷洒强度。
21.4.2.5 火灾控制系统应按照下述标准进行设计、安装和维护:
——GB15308。
——GB4396。
——GB20031。
——GB4066。
——GB27898。
——NFPA13。
——NFPA15。
21.5 电气系统
21.5.1 所有电气设备和配线的类型、安装应符合第6章的要求。
21.5.2 第6章应用于决定安装电气设备的区域分类。在建立的所划分区范围内不应扩展到没有连通口的地板、墙壁、顶或其他密实隔板。
21.6 收集、排液和溢流控制
21.6.1 排液系统的设计应尽可能减少暴露对其他储罐和相邻地界或水道的危害。符合21.6.2~21.6.6应视为满足21.6.1的要求。
21.6.2 设计和操作的设施应能防止正常排放的易燃和可燃液体进入公共储水道、公共下水道或相邻地界。
21.6.3 除地漏以外,密实的地板、房间的墙壁与地板接合处及离地板至少为100mm高处的墙壁应不漏液。
21.6.4 通向其他房间或建筑物的内墙开口,应设置有高度至少离地100mm高的不可燃和不漏液的门槛或坡道,或者设计一个装置能够防止液体流到相邻区域。代替门槛或坡道的办法是采用明沟,能把液体排到安全地带,明沟应横跨整个室内开口的宽度。
21.6.5 应采取措施防止液体泄漏到地下室。
21.6.6 储液区的容量应不小于最大罐可能排入的液体容量。
21.6.7 应设置紧急排液系统,用以把易燃和可燃液体和用过的消防水直接引到安全地带。
21.6.8 为了控制火灾的扩散,可以采用铺设路缘石、设置排水孔或其他特殊的排水系统。
21.6.9 如果紧急排水系统与公共下水道相连接或排至公共水道,则需要设置挡渣栅栏和分离器。
21.7 通风
21.7.1 储存Ⅰ级液体,或在高于闪点的温度下储存Ⅱ级或ⅢA级液体的储罐建筑物应充分通风,以把蒸气浓度控制在可燃极限的25%以下。符合21.7.2~21.7.7应视为满足21.7.1的要求。
21.7.2 通风要求可以通过下列方法予以确认:
a)根据预计的渗漏量予以计算。
b)在正常操作条件下对实际蒸气浓度进行取样分析。
c)一个可行的替代方法是以不低于0.3(m³/min)/m²的速率进行通风。
注:取样应在封闭的储存区的顶部和底部,距每一可能的蒸气源1.5m半径范围内进行。确定通风速率所使用的蒸气浓度应是取样进行期间所测浓度的最高值。
21.7.3 通风应采用自然通风或机械通风方式,而排气应排至建筑物外的安全地带,且排出气体不应进行再循环。
注:如果使用故障一安全系统进行连续监测且能够在检测出蒸气一空气混合物浓度超过可燃极限下限的25%时,自动发出警报、停止循环并将废气完全排至外部,则允许再循环。
21.7.4 应采取措施避免在引入补偿空气时造成通风短路。
21.7.5 通风装置应设置在易燃气体可能聚集的地方,包括所有地面区域和低洼坑。
21.7.6 如果自然通风不够充分,应采用机械通风,并应在处理可燃液体期间,使机械通风保持不间断地进行。如果采用局部或定点通风,允许其达到所需通风量的75%以上。
21.7.7 对于内部基准面比平均外部基准面低300mm的储罐建筑物,采用以下措施之一:
a)配置符合21.7.2c)的连续机械通风装置。
b)或提供蒸气监测系统,报警值设定在可燃极限下限的25%,在此浓度下启动机械通风系统,报警声音应能让值班人员听见。
21.8 罐的排气
21.8.1 建筑物内的储罐排气口的设计应能保证可燃蒸气不释放到建筑物内。符合21.8.2至21.8.6应视为满足本条要求。
21.8.2 建筑物内的储罐排气口应满足18.3.3和19.7的要求。
21.8.3 不可用顶一壁弱焊缝进行紧急排气,
21.8.4 如果供水强度和覆盖面符合NFPA15中的要求,则自动喷淋系统应根据NFPA13进行设计,并得到管辖部门同意。也可采用水喷淋系统,其紧急排气量应根据19.7.3.7中的公式计算排气速率。排气口应接到建筑物外面。
21.8.5 排气口应按23.8.1要求伸到建筑物外面。
21.8.6 正常排气管和紧急排气管线应符合第23章的要求。
21.9 储罐上除排气口以外的其他开口
21.9.1 建筑物内储罐除排气口以外的储罐开口应能保证可燃液体或蒸气不释放到建筑物内。符合21.9.2~21.9.9应视为满足本条要求。
21.9.2 所有储罐开口的位置在最高液位以下的应是不漏液体的,在最高液位以上的通常关闭且用机械锁定,以防蒸气泄漏。
21.9.3 建筑物内储存I级或Ⅱ级液体的任何储罐上的每个液体输送连接处按下列配置:
——一个通常关闭的远距离起动阀。
——一个自动关闭的热起动阀。
——其他认可的装置。
21.9.4 用于在储罐周围发生火灾时,提供应急处理或快速断流用的接头不必满足21.9.3的要求。
21.9.5 建筑物内储罐中的液体可能通过重力作用流到连接处,每个连接处应配有一个内部或外部阀门,阀应尽可能靠近罐壁。阀应满足21.9.3的要求。如果使用单独的阀,它应位于21.9.3中所要求的阀的附近。
21.9.6 Ⅰ级或Ⅱ级液体的人工计量口如果与充装管分开,应配置密封盖或密封冒,不计量时予以关闭。对于任何液体用的此类开口均应使用弹簧止回阀或其他认可的装置进行保护,以防液体溢出和可能的蒸气泄漏。
21.9.7 充装管入口和蒸气回收管线的出口的接头处的安装和拆除应符合以下要求:
——在建筑物的外面,且无任何火源的地方进行。
——距任何建筑物的开口不得小于1.5m。
——连接口在不用时应关闭且不得漏液。
——做标识。
21.9.8 建筑物内储存Ⅰ级、Ⅱ级和ⅢA级液体的储罐,应配备适当装置或采取其他方法防止液体溢流到建筑物内。
21.9.9 用于蒸气回收目的的储罐开口,连接到蒸气处理系统的开口除外,均应使用弹簧止回阀、干式阻尼接头或其他认可的装置进行保护,防止蒸气泄漏,充装和蒸气回收共用的开口也应采取措施,防止蒸气泄漏,除非液体输送管线与充装管的连接管同时与蒸气回收管线相连接。所用连接口均应气密。
21.10 检测和报警
21.10.1 应采取可靠的措施,保证在发生火灾或其他险情时能迅速通知工厂、其他公共消防和互助部门。
21.10.2 可能会发生易燃液体溢出的地方,包括建筑物,应适当予以监视。其方法可包括如下:
——人员观察或巡逻。
——能够显示在无人值守的地区发生溢流或泄漏的监视设备。
21.11 建筑物的检查和维护
21.11.1 可燃的废物和余渣在工作区内,应控制在最低限度,储存在有盖的金属容器内,每天进行处理。
21.11.2 储罐建筑物内不允许存放可燃材料和空桶、满桶。
22 地上罐穹顶储库
22.1 适用范围
本章应用于地上罐穹顶储库的设计、建造和安装。
22.2 一般要求
22.2.1 储罐选择和布置
22.2.1.1 地上罐允许被安装在符合本章要求的穹顶储库内。
22.2.1.2 穹顶储库应按UL2245建造并登记注册。
22.2.1.3 除了本章修改的内容外,穹顶储库应符合本标准的其他条款。
22.2.1.4 穹顶储库内安装的罐应登记注册为地上罐。
22.2.1.5 每个储罐应有自己的穹顶储库并被穹顶储库完全包围。
22.2.1.6 罐和穹顶储库之间应有足够的空地,可以对罐和罐的附属物进行目视检查和维护。
22.2.1.7 不允许在罐的周围进行回填。
22.2.1.8 分配设备可以安装在穹顶储库的顶部;使用发动机燃料的分配设备应按照NFPA30A进行安装。
22.2.1.9 在每个入口,需张贴如何安全进入密闭空间的程序警告信息,每个入口应受到保护,以免有人违规进入及人为破坏。
22.2.2 储罐附件
22.2.2.1 在穹顶储库内对罐的溢流保护应采用经过核准的方法,禁用球形浮阀。
22.2.2.2 建筑物内部安装的穹顶储库充装连接应符合19.13.4。
22.2.3 穹顶储库布置
穹顶储库可以建在地上和地下。
22.3 穹顶储库的位置
穹顶储库的间隔距离按19.4给出。从穹顶储库的外围测量,穹顶储库和以下任何一物体之间应保持所需的安全距离:
——任何地界线或旁边的建筑。
——公用道路的近边和远边。
——同一地界上最近的重要建筑物。
22.4 穹顶储库的建造和安装
22.4.1 建造要求
穹顶储库的设计和建造应符合以下要求:
a)地上的穹顶储库内存放储存Ⅰ级、Ⅱ级易然液体储罐时,如果储存温度高于液体闪点,库房顶端应用非易燃材料构造,设计上要比墙体薄弱,以确保在穹顶储库内因发生爆炸而产生毁灭性压力之前从穹顶释放压力。
b)地面或在地下穹顶储库内有Ⅰ级、Ⅱ级易然液体储罐时,如果储存温度高于液体闪点,其顶部设计应能释放储库内的任何爆炸压力。
c)邻接的穹顶储库可以共用一面墙壁。
d)穹顶储库的抗风、防地震性能应符合公认的工程标准。
22.4.2 安装要求
穹顶储库的安装应符合以下要求:
a)穹顶储库和罐应固定以防涨水或洪水,包括罐空时。
b)不能承受机动车辆撞击损害的穹顶储库应采用防撞保护。
22.5 穹顶储库的防火保护
穹顶储库应配备灭火剂。
22.6 穹顶储库的电气系统
22.6.1 电气设备和电线的安装应符合第6章。
22.6.2 第6章可用于确定电气设备安装的等级。
22.7 穹顶储库的收集、排液和溢流控制
22.7.1 应提供从穹顶储库内回收液体的措施。
22.7.2 如果是用泵来回收液体,泵不能永久安装在穹顶储库内。
22.7. 3 便携式电子泵经核准可用于Ⅰ级1类电气区域(根据NFPA70所定义)。
22.8 穹顶储库的通风系统
22.8.1 穹顶储库内有Ⅰ级液体储罐,每平方米地面的通风速度不低于0.3m³/min,通风量不能低于4m³/min。
22.8.2 通风应连续不断,或者在运行操作设计上采用蒸气和液体检测系统。
22.8.3 排气系统失效时,可以自动关闭分配系统。
22.8.4 排气系统的设计,应保证所有穿过穹顶储库地板部分的空气流动。
22.8.5 补给和排气管可延伸至离地面75mm之内,但不超过300mm。
22.8.6 排气系统的安装应符合NFPA91。
22.9 穹顶储库内部储罐的排气
22.9.1 排气管线具有正常的排气作用,排气管线的终端在穹顶储库外面至少离基准面3.6m,并应符合23.8.1的要求。
22.9.2 紧急排放口应保持气密性,并且允许在库内排放,人孔盖不允许用长螺栓。
22.10 穹顶储库的检测和报警系统
22.10.1 穹顶储库内具有经核准的蒸气和液体探测系统并且有声光(有备用电池)的报警设备。
22.10.2 当蒸气探测系统探测蒸气浓度达到或超过25%这个最低的可燃下限时将会发出警报声。
22.10.3 蒸气探测器放置不高于穹顶储库内最低点300mm。
22.10.4 液位探测器在探测到任何液体包括水时立即发出警报。
22.10.5 液位探测器应放置于制造厂商指定的地方。
22.10.6 蒸气或液位探测系统在起作用时,应连续不断地发出可以听到的信号,该信号传达到指定的罐区,或者经认可的位置。
22.11 穹顶储库的检查和维护
穹顶储库及其设备应按本章要求进行维护。
23 管线系统
23.1 适用范围
23.1.1 本章适用于易燃、可燃液体或蒸气的管线系统设计、安装、试验、操作和维护。此类管线系统包括但不限于:管子、法兰、螺栓、垫圈、阀门、管件、弹性连接件、其他的承压部件如膨胀接头和过滤器,以及用于混合、分离、缓冲、分装、计量、流量控制和双层密封等用途的设施。
23.1.2 本章不适于下列任何一项:
——油井或气井油管和套管以及直接与之相连接的管道。
——机动车、飞机、船舶或活动式和固定式发动机。
——任何属于适用的锅炉和压力容器规程范围内的管线。
23.2 专用定义
23.2.1 防腐
减少或防止管道系统因接触其内部物质或环境而腐蚀的一种手段。
23.2.2 弹性连接
管道系统的连接节点,允许管道系统的差速运动,并限制系统的应力和机械损伤。
23.2.3 渗漏
由于管道系统的故障而意外释放其中的液体或蒸气。
23.2.4 双层密封
在主管道系统外面且与其分离的密封壳。
23.3 一般要求
23.3.1 操作标准
装有液体的管线系统的设计、制造、安装、试验和检查应与其预期的工作压力和结构应力相符。符合于ASMEB31的适用章节和本标准中本章的条款应认为是前面所述各条款的基本要求。
23.3.2 管线密封
管线系统应保持密封。一旦管线系统泄漏造成危险,应按管辖部门接受的方法,将液体排空或对管线进行修理。
23.4 管线系统材料
23.4.1 材料规格
管子、阀门、旋塞、管件和其他承压部件应符合ASMEB31的材料技术条件、压力和温度限制(23.4.2,23.4.3,23.4.4所规定的除外)。
23.4.2 球墨铸铁
球墨铸铁应符合ASTMA395。
23.4.3 阀门材料
23.4.3.1 按19.13和21.9要求的储罐,阀门及其通向储罐的连接管应是钢制的或球墨铸铁制的(23.4.3.2,23.4.3.3和23.4.3.4除外)。
23.4.3.2 当所储液体的化学性质与钢不相容或储罐的阀门安装于储罐内部时,阀门可使用钢或球墨铸铁以外的材料。
23.4.3.3 当阀门安装于罐外部时,所用材料应具有与钢或球墨铸铁相当的韧性和熔点,使之具有能够抵抗由于暴露于火焰所产生的应力和温度,或采用其他保护措施,例如采用其他具有耐火等级不少于2h的材料涂敷。
23.4.3.4 对于19.4.2.1中所述储罐,或者位于室外的储存ⅢB级液体的储罐(不在Ⅰ级、Ⅱ级或ⅢA级液体储罐的防火堤区或排液通道内),可以采用铸铁、黄铜、铜、铝、锻铁和其他类似材料。
23.4.4 低熔点材料
23.4.4.1 低熔点材料如铝、铜和黄铜,受暴露于火焰而软化的材料如塑料,或非延展性材料如铸铁,允许用于所有液体的地下储存设施,其压力和温度应符合ASMEB31的规定。
23.4.4.2 这些材料可用在室外地面管线或在建筑物内,应符合下述条件之一:
——对于暴露于火焰具有合适的保护。
——安装在任何故障泄漏不至于危及人身和重要的建筑物或构筑物的地方。
——安装的位置应保证在泄漏时,可以立即操作位于远距离的阀,以迅速控制泄漏。
23.4.4.3 所选用的管线材料应适合于其输送的液体。
23.4.4.4 这些材料的管路系统的设计施工应符合通常的设计标准对于特殊材料的选择、可以接受的标准或者是登记注册的。
23.4.5 衬里材料
管线、阀门和管件可以具有可燃或不可燃的内衬。
23.4.6 非金属管线
23.4.6.1 非金属材料管路,包括双层密闭的管路,设计与施工应满足设计标准或者相当的规格。安装要满足23.4.4。
23.4.6.2 非金属材料的安装和使用要满足材料的建议范围或者UL971。
23.4.6.3 非金属管路或者部件的安装要遵照生产商的说明。
23.5 管接头
23.5.1 管接头密封
23.5.1.1 管接头应保证密封,采用焊接、法兰连接或螺纹连接。
23.5.1.2 接头的设计和安装应确保其机械强度在暴露于火中时不会减弱。
23.5.1.3 螺纹连接应使用适当的螺纹密封剂和润滑剂。
23.5.1.4 Ⅰ级液体管线的接头如果位于建筑物内,则应焊接。
23.5.2 弹性连接件
使用登记注册的弹性连接件,可以用于23.5.3。
23.5.3 摩擦连接
23.5.3.1 依赖于可燃材料的摩擦性或弹性来保持管道机械连接性和液密的管道连接方式,不能用在建筑物内部。它们可用在建筑物外部的地上。除非按23.5.3.3,可用于地下。
23.5.3.2 如果用于建筑物外部的地上,管线应予以固定,以防止在接头处脱开,或其设计应保证在脱开时造成的漏液不危及人身和重要的建筑物或构筑物,并便于用遥控阀控制。
23.5.3.3 摩擦连接的管接头符合以下两点时可以用在建筑物内部:
——在火灾危险区外,装有易接近的远程操作阀门,可以控制该接头的泄漏。
——连接的机械强度和气密性不依赖可然材料或组成部分的弹性。
23.6 管线系统安装
23.6.1 一般要求
管线系统应牢固地予以支承和保护,以防由于沉陷、振动、膨胀或收缩而产生的破坏和过应力。
非金属管线的安装应符合制造厂的说明书规定。
23.6.2 支座
安装在火灾隐患的位置要对管路支座进行以下措施的保护:
——防止液体积累的排水装置。
——防火结构。
——防火涂层或者系统。
——按NFPA15设计安装喷水系统。
——其他由管辖部门接受的代替措施。
23.6.3 管线穿越
管线在穿过堤防区或类似于墙体的结构时要防止由于沉降或者暴露于火灾而产生的过大压力或泄漏。
23.6.4 防腐
所有液体管线应进行外部防腐。地下管线系统的保护应符合20.2.5的规定。
23.6.5 地下管线安装
23.6.5.1 地下管线应安装在至少150mm厚的基床上。
23.6.5.2 车辆交通下面的区域,管沟要有足够的深度允许至少450mm的覆盖层。
23.6.5.3 人行道至少铺50mm沥青,回填沥青与管路之间允许减少到200mm。
23.6.5.4 人行道至少铺100mm加固混凝土,回填沥青与管路之间允许减少到100mm。
23.6.5.5 非车辆交通区域,管沟应有足够深度,允许至少150mm厚的回填材料。
23.6.5.6 当设计手册要求或者霜冻地带要求更深一些时就要加深。同一管沟的管路要能分为两种不同直径的管路。
23.6.5.7 管路水平距离不需要大于230mm。
23.6.5.8 两个或者更多层的管子在同一管沟内应垂直分隔最少150mm,并压紧回填。
23.6.6 阀门
23.6.6.1 管线系统包含阀门,应确保正常操作,在紧急情况下可以与设备隔离。
23.6.6.2 连接泵的管道系统应有足够数量的阀门,保证液体在正常操作状态或在事故状态下,都能正确控制流量。
23.6.6.3 罐车和海运船舶容器向储罐充装液体所用的连接管线上应设置止回阀,可以自动保护,以防止回流。
23.6.7 一般装卸管线
如果装载和卸载通过普通的管路完成就不需要止回阀,但需要隔离阀,阀应位于可以方便操作的位置,也可使用遥控操作。
23.7 管线试验
23.7.1 初次试验
23.7.1.1 除非已按照ASMEB31的适用章节予以试验,所有管线在覆盖、封闭和投入使用之前,应做试验。
23.7.1.2 水压试验至其预定最大压力的150%,或气压试验至其预定最大压力的110%,在试验压力下,对所有接口和连接件应能够进行目视检查。
23.7.1.3 任何情况下在系统最高点的试验压力不得小于35kPa(表压)。任何情况下试验时间不少于10min。
23.7.2 双层密封管的初始测试
23.7.2.1 双层密封管的空隙的静力学和动力学压力测试要在标准压力35kPa下进行,或者按照生产手册的规定进行。
23.7.2.2 测试的压力源不能与空腔连通,以确保测试在封闭的系统中进行。
23.7.2.3 测试时间至少持续1h。
23.7.3 维护测试
23.7.3.1 现有的管路如果有泄漏,应按照23.7.1和23.7.2进行测试。
23.7.3.2 运送Ⅰ级、Ⅱ级、ⅢA级液体或者其他的管路不能用动力学测试。
23.8 排气管
23.8.1 地面储罐的排气管
23.8.1.1 当储存I级液体储罐的排气管临近建筑或者公众设施时,应安装于可以使蒸气在建筑外安全的地点扩散开,并且离地面不得低于3.6m。
23.8.1.2 蒸气应从临近墙体垂直或者水平方向排出。
23.8.1.3 排气管排出气体不能被屋檐和其他障碍物阻挡,至少离建筑物门口1.5m,离动力排气进气设备4.5m。
23.8.1.4 除了特殊目的如蒸气回收、蒸气收集或者污染控制外,排气管路不能有支管。
注:排气管路有支管时,管道尺寸要保证在系统压力限制下能使气体排出。在分支的罐承受火灾时,蒸气应能得到处置。
23.8.1.5 Ⅰ级液体储罐和Ⅱ级液体储罐及Ⅲ级液体储罐的排气管路不能相连接,除非采取有效措施防止以下情况发生:
——Ⅰ级液体的蒸气进入Ⅱ级液体储罐和Ⅲ级液体储罐。
——污染。
——低挥发液体级别改变。
23.8.1.6 紧急排气管的延伸:常压或低压储罐上装有认可的紧急排气设备,其接出或接入管的管径确保紧急排气量,以限制其回压小于罐的设计最大压力。对于压力容器,连通其紧急排气设备的管道应符合ASME的标准。
23.8.2 地下罐的排气管
23.8.2.1 储存Ⅰ级液体的地下罐排气管排出口要在室外,高于充装管的开口并且离地面高度不低于3.6m。
23.8.2.2 排出口的位置和方向要保证蒸气不聚积,不会通向不安全的位置、进于室内或者积累于屋檐下,离建筑出口至少1.5m,距离动力通风吸入设备至少4.5m。
23.8.2.3 排气孔不能被蒸气回收设备或其他设备阻碍,除非罐和相关的管线、设备采取了保护措施。保护措施包括压力一真空排气管、爆破片或其他安装在储罐排气管线上的排气设备,可以确保储罐和设备的反压力小于其最大工作压力。
23.8.2.4 排气口出口设备要防止因气候、灰尘、昆虫巢形成阻碍。
23.8.2.5 排气管径规格应符合表37。
23.8.2.6 储存Ⅱ级或者ⅢA级液体的罐的排气管端口要位于建筑物外。
23.8.2.7 排气管出口应高于正常雪层高度。
23.8.2.8 排气管允许安装回流弯管、粗筛或其他设备,防止杂物进入。
23.8.2.9 排气管和蒸气回水管的安装要避免凹陷或圈闭,以防止液体的集留。
23.8.2.10 如果安装冷凝液罐,应加强维护阻止蒸气冷凝回水管阻塞。
23.8.2.11 排气管和冷凝液罐应妥善布置,防止物理损伤。排气管要从罐的顶部进入。
23.8.2.12 储罐排气管有支管时,管径应保证在系统压力限制内可以排出气体,且当罐的支管同时充装时,蒸气能够得到处理。在罐的开口与带支管的排气管相连处应安装浮球式止回阀,以保证当阀关闭时罐压力不超过20.4.2.2限制。
23.8.2.13 Ⅰ级液体储罐的排气管不能与Ⅱ级、Ⅲ级液体储罐的排气管相连接,除非采取有效的措施防止下列情况发生:
——Ⅰ级液体的蒸气进入Ⅱ级、皿级液体储罐。
——污染。
——低挥发液体级别改变。
23.9 跨接和接地
管线系统跨接和接地应符合5.4.4。
23.10 管线系统标识
装卸的管线均予以标记,以识别所使用的产品。
23.11 海上管线系统特殊要求
23.11.1 从浮动的结构或码头连接的管道,可以采用认可的柔性接头,安装在固定的岸上管道和浮动结构或码头上管道中间,也可以安装在浮动结构的分离式断面中间,以适应水位的变化。
23.11.2 柔性接头的内部要和液体兼容。
23.11.3 柔性接头的外部要能抵抗或避免盐水、淡水、紫外线、物理伤害和火焰。
23.11.4 柔性接头应能承受预期的压力并且要依照23.7进行测试。
23.12 管线系统弃置
管线系统停止使用或废除应按本节规定进行临时或永久关闭。
24 罐车装卸
24.1 适用范围
本章适用于罐车的装卸操作,及这些操作所涉及的设备区域。
24.2 一般要求
24.2.1 以下情况不需要采取防静电跨接:
——在给罐车充装不会静电积累的产品,如沥青(包括溶于石油馏出物中的沥青)、大多数原油、渣油和水溶性液体。
——在充装设施中不处理I级液体,且罐车只用于装运Ⅱ级和皿级液体,操作温度在闪点以下。
——在通过密闭连接口对罐车进行装卸。
24.2.2 通过敞开的罐顶向罐车装载液体的装卸设施,为防止静电危害,应采用跨接。
——接地的方式,可采用金属线,固定连接到充装管线组件,或者通过管架结构与充装管线组件相连,以形成导电。
——导线的自由端应采用夹子或同等设施以方便与罐车上的罐体金属导电部分进行有效连接。
——所有充装管线组件,包括下伸管、支架、管子,都应形成连续的导电通路,通过支架组件或导线直接接地。
24.2.3 为了防止杂散电流,通过敞开的罐顶孔对易燃和可燃液体的罐车进行装卸的设施,应将充装管接到至少一根扶梯和金属栈桥结构上,进行固定连接。
——多根管线进入栈桥应一起进行固定连接。
——在已知杂散电流多的地方,所有进入装卸架区的管子应设置绝缘,以便使装卸架上管线与主管线进行绝缘。
注:对专门处理Ⅱ级或Ⅲ级液体的场所(不曾装载Ⅰ级液体)的罐车则不需要采取这些措施。
24.3 装卸设施位置
24.3.1 罐车装卸设施应远离地上罐、仓库、其他厂区建筑物或待建的最近地界线。对于Ⅰ级液体,或者对于Ⅱ级、Ⅲ级液体在其闪点及以上温度操作时,至少相距7.6m;对于Ⅱ级、Ⅲ级液体在其闪点以下温度操作时,至少相距4.6m。距离从最近的装液嘴或转运连接口算起。
24.3.2 如果采取合适的防爆保护,距离可以减少。
24.3.3 泵房和值班室可作为设施的一部分。
24.4 顶部结构
对于有天篷或屋顶的装卸设施,不限制散热或易燃气体扩散,并对救火不产生妨碍的,按室外设施对待。
24.5 电气系统
电线和电气设备应符合第6章。
24.6 收集、排液和溢流控制
装卸设备应提供排液系统或其他方法以容纳溢流。
24.7 设备
24.7.1 用于在储罐与装载设施充装接头之间输送Ⅰ级液体的管线、泵和计量仪表,不可用于输送Ⅱ级或Ⅲ级液体。
注1:只输送水溶性液体,根据水中液体的浓度确定其等级时,本条不适用。
注2:如果在输送过程之间清理过设备,本条不适用。
24.7.2 如果管道系统不密封,则与地下罐连接的远距离泵,应在泵出口一侧安装登记注册的检漏装置。该装置应按照出厂说明书每年进行一次人工检查和试验,以确保正确安装和使用。
24.8 操作要求
24.8.1 罐车的装卸
24.8.1.1 装运液体的罐车的结构材料应适合所装液体的化学性质。罐车装运液体的化学性质应与先前所装液体的性质一致,除非罐车被清洗过。
24.8.1.2 通过罐顶盖向罐车进行装载之前,应在打开顶盖前对车辆和罐进行静电跨接,直到充装结束,且所有顶盖关闭固定好为止。如果按24.2.1做好,本条不作要求。
24.8.1.3 输送Ⅰ类液体,或者在闪点及以上温度输送Ⅱ级、Ⅲ级液体,在接入或断开连接软管时,罐车引擎、辅助马达或便携式泵应关闭。
24.8.1.4 如果装卸不需要使用罐车引擎,在输送Ⅰ级液体的整个过程中应关闭马达。
24.8.1.5 在通过敞开的罐顶给残留有或可能在充装时产生处于易燃范围的蒸气一空气混合物的罐车充装时,应采用可伸到接近罐底150mm的鹤管。如充装不产生静电的液体则不需要这种预防措施。
24.8.1.6 在无蒸气控制系统的情况下,从顶部给罐车充装Ⅰ级或Ⅱ级液体时,用于最后控制流动的阀门应是关断,开启时由人工操作,但在罐车装满时自动设备能够截断流动的情况下除外。
——自动关断系统应在远离充装嘴的安全的地方,设置人工关闭阀,以便在自动系统出故障时截断流动。
——在有蒸气控制的情况下,顶部充装罐车时,流量控制应符合24.8.1.8和24.8.1.9。
24.8.1.7 在有或无蒸气控制的情况下,从底部充装罐车时,应采用可靠的方法和二级自动关闭控制系统,按预先确定装液量进行操作,以防过量充装。
——在充装台架和罐车之间,当需要操作二级控制时,连接件的功能应匹配。
——充装软管或管子和罐车管线之间应采用干式可断开连接器连接。
24.8.1.8 备有蒸气控制的罐车在不使用蒸气控制装置在底部充装时,应在不低于罐车罐顶处予以放空,以预防罐内压力增加。通向蒸气控制系统的连接的设计,应能够防止蒸气在没有接通到罐车时直接排向大气。
24.8.1.9 使用底部装载时,可以采取减少流量(直至浸没充装开口)、飞溅导流片或其他装置,以防止飞溅和减小涡流。
24.8.1.10 金属或导电物体,如仪表带、样品容器,温度计,不能低于或者悬浮于罐的未充满区域,当这个空间被充装或者在停止泵送的时候,应能使电荷释放掉。
24.8.1.11 用于输送的软管材料应适应所输送的液体。
24.8.2 转换装载
转换装载物时,为了防止由于闪点变化产生的危险,原先装载I级液体的罐车不能用于装载Ⅱ级和Ⅲ级液体,除非采取了预防措施。
25 码头
25.1 适用范围
25.1.1 本章适用于以液体散装运输为主的码头。
25.1.2 本章不适用于:
——海上加油站。
——船坞。
——液化石油气码头。
25.2 一般要求
25.2.1 对液体或其他商品进行散装运输的通用仓库,应遵循NFPA307。
25.2.2 临时处理封装的液体货物或者装卸一般货物(如船上货物),液体输送应得到码头监督员和船舶舱面值班官员的认可。
25.2.3 从储罐容器大量装卸液体货物的码头应距任何通航水路上方的桥梁、任何入口、任何水下公用道路隧道或铁路隧道上层结构不小于30m。
25.2.4 装卸用固定管线的末端应距任何桥梁、隧道入口和上层结构至少60m。
25.2.5 下部结构和浮桥的设计应符合使用目的。
25.2.6 浮桥可以采用具有弹性、抗震动、使用寿命长、强度高和耐火的材料。
25.2.7 可以采用重型木结构。
25.2.8 储存压舱水或Ⅱ级、Ⅲ级液体的专用罐可以安装在设计合理的码头上。
25.2.9 能够产生压力超过软管或充装臂安全工作压力的充装泵应配置旁通、泄压阀和其他装置,以防充装设施过压。泄压装置至少每年试验一次,以确认它在额定压力下功能良好。
25.2.10 所有压力软管和接口应定期检查。
——对于拉长的软管,应采用使用过程中最大操作压力进行试验。
——在软管或其接口上有材料磨损、泄漏迹象或脆弱缺陷的任何软管应停止使用,送去修理或废弃。
——软管材料应与所输送的液体相适应。
25.2.11 管线、阀门和管件应符合第23章以及下述的例外和补充要求:
——管线的弹性应依靠管线、支座合理的布置来保证,以便抵抗由于海潮作用、水流、潮水或海轮下锚造成码头结构移动时,使管子产生过应力。
——不允许使用用可燃材料的摩擦性或管端槽口嵌接来保证其机械连接的管子接口。
——即使填料遭受火灾而失效,只要旋动接口的机械强度不破坏,旋动接口即可用在与软管和铰接式转运系统相连的管线上。
——每条输送Ⅰ级或Ⅱ级液体的通向码头的管线,应在接近码头的岸上和任何防火堤区的外面配置易接近的快速截断阀;在有一条以上管线的地方,阀门应集中在一个地方。
——应设置相应的通道,以便接近位于码头浮桥下的装液体货物管线阀。
25.2.12 如果处理I级液体,或在闪点以上温度处理Ⅱ级、Ⅲ级液体,码头管线应跨接和接地。
——如果周围有过多的杂散电流,应采用绝缘接头。
——所有管线的跨接和接地应连在靠近码头与立管相连的绝缘法兰(如果使用)一侧,且便于检查。
——码头与容器之间不需要跨接,
25.2.13 转运时所用的软管或有旋接管连接应能够承受吃水和最大潮差变化的综合作用。软管应固定好以防扭曲和磨损。
25.2.14 锚绳应能够调整,以防船体的冲撞使转运管线系统受力。
25.2.15 码头上材料的放置不应妨碍接近灭火设备和重要管线控制阀。
25.2.16 如果码头能进入车辆,应保证通向码头海岸端公用道路的畅通,以便消防车进入。
25.2.17 只有码头监督员和船舶负责人认为油船系泊妥当并且所有连接做好后才开始装卸。
25.2.18 除了已对所涉及的地带、所采用的方法和必需的预防措施,进行了调查并做出特别允许外,在转运时码头上不应进行机械作业。
25.2.19 在液体输送过程中应控制着火源。
25.2.20 在液体货物输送时,不经码头监督员和船舶负责人授权,不得进行交通运输和机械作业(包括焊接、打磨和其他热处理工作)。
25.2.21 码头货物输送全过程应禁止吸烟。
25.2.22 对于装卸易燃液体的海上码头,其电气设备安装应使用图20作为区域的确定和划分依据。

25.2.23 在容器货舱可能存在易燃气体的地方,货物传输系统的设计上,为防止液体飞溅,应限制液体流入速度在0.9m/s,直到货舱入口完全浸没于液面上。
25.2.24 过滤器、泵、金属线网和其他设备可能由于液体湍流而产生静电,在货物充入货舱之前,这些设备应有至少30s的松弛时间。
25.2.25 在有支管的地方,应设置泄漏收集设施,以防止液体泄漏到码头的其他地方或码头下面。
25.2.26 码头的所有排液管道上应采用蒸气密封。
25.2.27 如果软管、装载臂或汇流阀出现故障,需要在码头安装一个系统来隔离和关闭装载作业。此系统应符合以下要求:
——如果保护系统在重力或管道装载系统作用下关闭阀门,则应确保该保护系统不受压力冲击而损坏。
——紧急停车系统应能够自动或手动启动。
——紧急情况下,手动启动装置应可以识别和操作。
25.2.28 码头的消防和应急设备应符合以下要求:
a)与所输送的产品相关,并考虑应急响应能力、大小、位置、使用频率和邻近火源等因素。
b)安装消防总管的地方,总管可以是湿的或干的。在任何情况下,码头到岸的连接处应设置隔离阀和消防车的接口。
c)安装消防总管的地方,应安装消防栓和监视器,可从两个方向给任何泊位和充装支管提供有效的消防水流。
d)消防水泵、消防软管、消防总管、泡沫灭火系统和其他灭火设备应按照相应的标准进行维护和测试。
e)没有消防总管的地方应放置至少2个68kg的干粉灭火器。灭火器应位于泵和支管区域15m以内,且便于从紧急通道取用。
附录A(资料性附录)补充说明材料
附录A不是NFPA标准的必需要素,仅作为资料录入,提供正文部分的解释材料。附录条文编号后的括号内表示对应的正文条文编号。
A.1 (第1章)本标准是作为法律条例基础而推荐使用的,其宗旨是保障在需要使用易燃和可燃液体的操作中,将危险降低到一定程度,达到公共安全的目的,而不致过多的影响公共便利和公共需要。因此,遵循本标准并不能排除在使用易燃和可燃液体的过程中出现的所有危险(参见《易燃和可燃液体规范补充说明资料手册》)。
大量可燃液体安全储存的条件,主要取决于所储存液体的燃烧特征,尤其是闪点,这是第4章中对液体进行分类的基础。需要声明的是外加液体可以改变原有体系的分类,如把Ⅱ级液体加入到最近存放过Ⅰ级液体的罐中,这就可以改变Ⅱ级液体的闪点,新的闪点会出现在Ⅰ级液体闪点的范围内。Ⅱ级液体在管线中遇到Ⅰ级液体的蒸气时也会出现同样的情况,即改变Ⅱ级液体的闪点(见23.8.1.5和23.8.2.13),因此需要对液体分类的条款进行验证。可以参见美国消防协会提供的《危险物品快速指南》,其提供了闪点和其他危险性数据。
储存液体温度的上升会增加液体的挥发性。Ⅱ级或者Ⅲ级液体在储存、使用或者操作中,会出现人为或自然的升温,使得液体的温度超过了液体的闪点,增加了火灾的危险性,这就需要储存环境要做到通风、与火源隔离、建造围堤与其他物品隔离等。
在储存和使用下列液体时,要考虑其他的安全因素:
——有异常燃烧特征。
——在空气中自燃。
——可与其他物质发生强烈反应。
——可以分解出易燃物质。
——闪点高于与之相似物质的液体。
对本章不适用型液体的说明:
a)如果液体的凝固点等于或高于37.8℃,但在高于闪点温度下进行处理、使用或者储存,应按本标准相关的规定进行修改。
b)同a)。
d)利用标准的封闭杯实验,特定易然液体与卤代烃的混合物都不存在闪点。然而,如果卤代烃含有大量的挥发组分,由于挥发组分的蒸发作用,混合液体会出现闪点或出现比混合物低的闪点。为了评估混合液体出现火灾的危险性,需要对挥发组分为10%,20%,40%,60%和90%的条件下进行闪点测试。若该混合物储存在敞口的储罐或者溢流到空气中,需要做敞口杯闪点测试,以进行火灾危险性评估。
g)见NFPA385。
h)见NFPA31。
i)酒精搓手液的使用和安装要求见NFPA1。
A.2 (3.1)美国消防协会并没有批准、检测、证实任何装置、测试方法、设备或者材料,也没有批准任何实验测试机构。管辖部门可以依据美国消防协会和其他可用的标准,来确定测试装置、测试程序、测试装备和测试材料的适用性。在缺少上述标准的条件下,管辖部门要颁布合适的方法、测试程序和如何使用。管辖部门拥有产品相关评价和适用标准的发布权限。
A.3 (3.2)“管辖部门”(AHJ)在NFPA标准中,是个广泛的概念,因为权威和审批机构很多,责任也很多。在公众安全非常重要的地方,管辖部门可以是国家、省市、地方、区域部门或者个人,如消防队长,防火指挥员,防火机构、劳动部门、健康部门的主管、建设官员、电力检查员,或其他政府管辖部门。出于保险的目的,保险检测机构或保险公司拥有确定安全的权威。在很多情况下,财产的主人指定其财产的保险机构。政府的设备或财产,各级官员或其政府部门就是其保险机构。
A.4 (3.3)标准可称为规范,包含以下内容:文件的大小、范围、使用方法、采用的形式、是否含有强制条文和管理措施等。
A.5 (3.5)确定注册设备的方法很多,每个涉及产品评价的机构都不一样,有些机构不承认注册的设备,除非它已贴标。管辖部门可利用注册机构的系统来确认注册产品。
A.6 (3.10)沸溢发生在:表面燃烧之后的残留物的密度大于未燃烧液体的密度,沉入液面之下形成一个高温层,该高温层的存在加速了残留物的下沉。这个高温层也可称为高温波,当该波到达罐底水或者油包水液体时,水被迅速加热,然后沸腾甚至爆炸,导致溢流。溢流出来的混合流体存在多个沸点。这个现象主要出现在储存的原油中,会产生多种合成物质。
沸溢与溢出和沸腾是完全不同的现象。溢出主要是因向燃烧的油表面喷淋而引起发泡而导致流体流出。沸腾也与起火相关,主要发生在储存在罐中的高温高黏原油中含有水或者水进入储罐中。若上述情况出现混合,油中的水就会迅速转化成水蒸气,导致罐中的油溢出。
A.7 (3.12.1)重要建筑物的例子主要有:已经使用的建筑物,从该建筑物外出至少需要2min;调度室,需要现场有人,得到命令后需要迅速进行关闭作业或者停业危险性作业;也包括未受保护储罐,所储存的液体接触火会对人或其他生物造成伤害,或者造成环境污染;储存有昂贵材料的储罐或重要设备或储存重要原料的储罐。
A.8 (3.14)美国运输部规定容器的最大容积为450L。
A.9 (3.14.3)Ⅰ级、Ⅱ级和ⅢA级液体允许使用符合联合国危险品运输规定的非金属容器装运。对于装ⅢA级液体的小型罐,不适用该规定。装ⅢA级液体的便携式纤维罐可设计为有刚性或柔性塑料包裹的多层纸板箱。
A.10 (3.14.4)Ⅰ级、Ⅱ级和ⅢA级液体允许使用符合联合国危险品运输规定的非金属中型散装容器进行装运。对于装ⅢA级液体的中型散装容器,不适用该规定。装ⅢA级液体的纤维中型散装容器可设计为有柔性塑料包裹的多层纸板箱,这是通常被称为“盒中袋”的容器。
A.11 (3.18)闪点是衡量液体可燃性的一个直接参数。闪点越低,发生火灾的危险性越高。使用4.1中提供的几种测试方法和仪器可以提供液体的闪点。
当储存液体的闪点等于或低于环境温度时,所储存液体就很容易燃烧并迅速扩散。在燃烧的初始阶段,火苗在储存液体表面迅速扩散,这是因为由于燃烧的火苗对周围液体加温而加速了液体的蒸发,其中汽油就是一个较好的例子。当储存液体的闪点高于其周围环境的温度时,燃烧的危险性较小,这是因为它需要外界对其加温而加速蒸发,如家用油(燃烧油)。
溶解在水中的可燃液体,也可用标准的封闭杯进行闪点测试,但在闪点温度液体不会燃烧或者出现火苗。为了解决上述问题,可使用下述标准:
a)ASTM4207。
b)ASTM4206。
若混合液体在特定的温度和特定的条件下不能进行稳定燃烧,就认为该液体不可燃烧。对这类液体,a)和b)中提供了储存该液体的参见数据。但在封闭的空间中,这类液体仍然可以起火,起火的条件取决于挥发出来的可燃气体量。
液体的闪点与液体燃点有所区别。液体的燃点就是能引起液体起火并能维持连续燃烧的温度点;液体的闪点是能引燃液体的蒸发气体,但不能持续燃烧液体的温度点。在进行闪点测试时,区分闪点和燃点的不同之处具有很重要的意义。利用闭杯法得到的闪点被认为是液体出现危险的临界点。
ASTME502给出了更多的信息。
A.12 (3.19)主要包括因泵的密封失效而出现渗漏、阀门密封失效渗漏、法兰垫圈处渗漏、压缩机的密封渗漏和排出过程的渗漏等。
A.13 (3.20)这些物品包括但不限于毒性、化学活性、不稳定性和腐蚀性。
A.14 (3.22)它们的危险性主要包括但不限于毒性作用、反应速度(包括分解)、发热作用、产生不稳定或者放射性物质。
A.15 (3.27.2)如果材料的蒸气压力超过276kPa(绝对压力),被认为是一种气体,因此,不在本标准范围内。
A.16 (3.27.4)参见SY/T6355。
A.17 (3.27.5)主要包括低相对分子质量(低于3个碳原子)的醇类,包括甲醇、乙醇、丙醇、异丙醇和烯丙醇。丙酮和丁基醇也易溶于水。
当易溶于水的可燃性流体与水混合后,就会形成均匀的混合溶液。混合溶液的闪点、燃点、燃烧热和散热速率都与纯可燃性流体大不相同。随着含水量的增加,闪点和燃点增加。当含水量增加到一定程度后,燃点消失,这时液体就没有着火的危险。
A.18 (3.31)易燃和可燃液体,如果按本标准和相关的建筑规范,处于2级或3级保护区域的,允许超过最大储存量。
A.19 (3.36)处理过程包括化学和物理处理过程,处理过程主要包括但不限于准备、分离、净化、转化存在的状态、内能和合成等。
A.20 (3.38)符合ANSI/UL30并注册的安全罐,限制为19L。符合ANSI/UL1313的非金属安全罐,允许容量为23L。
A.21 (3.41.2)旧式罐的罐顶可以承受3.5kPa的压力,测量位置在罐顶,超过该压力后液体会流出。这样做的目的是为了避免储存液体给罐顶连续施加过大的压力而导致罐破坏。
A.22 (3.41.4)Ⅰ级、Ⅱ级和ⅢA级液体允许使用符合联合国危险品运输规定的非金属移动式罐装运。对于装ⅢA级液体的小型罐,不适用该规定。装ⅢA级液体的便携式纤维罐可设计为有刚性或柔性塑料包裹的多层波纹纸板箱。
A.23 (3.43)单元操作包括但不限于蒸馏、氧化、裂解和聚合。
A.24 (3.44)蒸气压可以测量液体表面的蒸发气体对周围环境所产生的压力,即储存液体所在的周围环境会对其产生压力,液体也会产生一个蒸气压对其周围环境产生反作用压力。蒸气压一般低于周围环境的压力,且蒸气压可以描述液体转换为气体的倾向,即液体的挥发性。利用液体的挥发性可以描述液体挥发程度。蒸气压越高,液体的挥发性越大,燃点就越低,这就意味着所储存液体起火的危险性增加。
A.25 (3.46)该系统的一个例子就是利用抽风机把蒸气抽走、冷却、聚积,然后进行燃烧处理。
A.26 (3.47)该系统的一个例子就是压力平衡置换装置和真空辅助回收系统(不进行蒸气处理)。
A.27 (3.51)通风可以通过注入新鲜空气来稀释污浊的空气或排除污浊空气来实现。若能阻止大量可燃混合气体聚积(气体的浓度低于燃烧极限的1/4),就认为通风足够。
A.28 (3.52)仓库作业主要包括通用性、储存货物的类别、货物的发配和仓库的工业化运营。
A.29 (4.2)液体的分类是基于ASTM提供的闪点数据(该数据测试条件是海拔为0且大气压力为标准大气压)。在海拔较高的位置,液体的真实闪点要低于海平面处的闪点。因此,在海拔较高的位置使用相关的条款时,需要做相关的修正。
表A.1给出了不同部门对危险液体的分类标准。从表A.1中可以看出不同部门给出的标准不太相同。

A.30 (5.1)这些规定对涉及危险材料或化学反应的所有操作不提供足够的保护,也不考虑接触到这种材料的健康危害。
A.31 (5.2)对火灾危险性管理的评价应考虑可燃混合物、可靠的着火源和着火后果的可能性,如果管辖部门认为危险性不可接受,应按NFPA69采取防爆措施,按NFPA68采取爆燃排气措施。
A.32 (5.3.1.1)由于液体处理设施的大小、设计方案和位置不同,难以对所有设施确定详尽的火灾防护和控制系统、方法,可参照NFPA551。
A.33 (5.3.1.3)Ⅱ级和Ⅲ级液体在高于闪点的温度下储存、加工、搬运和使用,如果液体泄漏或其容器排气,会有可燃蒸气产生。对于Ⅰ级液体,为尽量减少因有火源产生而发生着火的可能性和后果,有消除此类问题的规定,所以Ⅱ级和Ⅲ级液体在高于闪点的温度下进行处理时,以Ⅰ级液体为设计的基准。然而,它们的特性不同于Ⅰ类液体。例如,Ⅱ级和Ⅲ级液体的蒸气的扩散程度是有限的,因为释放的气体在冷却到较低温度时可以迅速冷凝。这样可以采用有限的电气区域分级,或采用不同的通风方式、不同的消除爆炸排气方式等。此外,为达到本标准的要求,处理这类Ⅱ级和Ⅲ级加热液体应采用安全设计,以消除蒸气释放风险。对于特殊的Ⅱ级和Ⅲ级液体在高于闪点的温度下操作,不需要采用比表26更严格的建筑要求。可选择根据第5章进行工程评估,也可采用替代设计方案以消除已知的危险性。
A.34 (5.4.3)参见NFPA 51B。
A.35 (5.4.4)防止设备产生静电火花是个复杂问题,参见NFPA 77。
A.36 (5.5.1)符合这一要求,可用的方法是安装自动或手动的火警系统,参见NFPA 72。
A.37 (5.6.1)其他公认的防火控制因素,包括结构、位置、间距,见本章其他条文。
A.38 (5.6.3)工艺管线与消防管线永久连接,可能会使消防水被工艺流体污染。已发生的事故表明,消防水被易燃的工艺流体污染会增加火灾的损失,有时会造成伤害。使用公用水源,如锅炉上水,如果没有污染,就可以用于消防水的补充水。
A.39 (5.6.5)参见NFPA13和NFPA15。
A.40 (5.6.8)GB4351,GB8109提供了不同类型灭火器的适用性要求。
A.41 (6.2.3)更多的信息,参见NFPA497。
A.42 (6.2.7)NFPA496提供此类安装的详细规定。
A.43 [7.2.9c)]见NFPA505中5.1说明:“在密封的容器中存放可燃性液体的区域,或者在容器中存放液化了或被压缩了的气燃性气体的区域,以及设计的经过认可的动力驱动的工业车辆,用于CNS,DS,ES,GS,LPS,GS/CNS,GS/LPS等类型,需经管辖部门许可后才能允许使用。”与上述情况相比,设计成DY和EE的工业用车辆,其在点燃可燃性蒸气(这可能产生一个I级液体的溢流)方面存在非常小的可能性,并且,它应使用在液体储存区域内部。
A.44 (7.6.5)见ANSI Z535.2.2007。
A.45 (7.9.1)保护等级划分见NFPA5000。保护等级1,4,5不适用于易燃和可燃液体储存。
A.46 (7.9.2)见NFPA5000。
A.47 (12.1)环境保护要求对危险物品、化学品和废品采用特殊的搬运方法,除了环境和健康问题外,有些问题是关于易燃和可燃液体的性质和如何储存和搬运这些液体。
有些制造厂已经通过设计和制造移动式模块化预制储存柜以满足这个要求(与各级建筑官员和管辖部门协调),其结果是使产品能够满足有关危险物品储存的标准和准则。有些部门已经通过了有关与危险物品储存柜的设计、结构和选址法令。其设计性能包括但不限于:
a)二级溢流容纳池。
b)爆燃排气。
c)通风要求,包括期望进行配液操作时的机械通风。
d)与NFPA70一致的有关危险区的电气设备。
e)静电控制。
f)灭火系统(干粉或水喷淋装置)。
g)特别结构设计包括:
——安全措施。
——能够锁止和允许托板式装载的门。
——风荷载、雪荷载及储存荷载的条件。
——嵌固措施。
——撬装设计,允许用铲车重新放置。
h)防火外部墙(需要时)。
i)隔离与容器不相容材料的内部间壁。
j)在预组装和待组装结构中可以储存的限定量的尺寸大小。
k)无火花地面。
l)隔板。
m)加热和冷却装置(如果需要)。
n)防腐装置(需要时)。
o)雇员的安全保护措施(眼睛/面部的清洗)。
p)SY/T6355的危险标志。
上述事项应依据相应的管理条例、法令和管辖部门的核准按特殊储存要求予以确定。
一些实验研究室已制定出对制造厂家提供的危险物品储存柜进行检查、试验、登记入册或标注的内部程序。
A.48 (14.1.1)如果液体的储存等级、数量、消防保护、建筑特性保持不变时,储存保护可以沿用以前版本的标准。表A.2和表A.3是从本标准1998年版本转载的,对于先前核准的、受保护的储液区内部的储存可以以此为参考。
某些燃料种类,如酮、酯、醇,所需泡沫灭火装置的最低限度的喷淋强度,往往高于一般易燃和可燃液体。当确定设计准则灭火系统用泡沫,重要的是要确保符合规定的准则,这些标准通常是基于消防测试中的经验数据,不能被忽视。否则,消防保护系统的设计不足以进行保护。
ESFR喷淋灭火系统,只有在对应于第14章的表中的液体保护是经过测试的。任何其他形式的液体保护使用ESFR喷淋灭火系统的,应根据工程分析,评估在火势快速增长或大面积着火的情况下,喷水灭火系统潜在失效的可能性,在此情况下应使用比设计区域更多的喷淋器。使用ESFR保护,特别是在没有控制液体扩散措施的地方,可能因液体池着火导致超过设计限制的ESFR系统操作区域。
表13~表24的内容是依据全面的火灾测试结果。在只允许使用一种K参数的喷淋器的地方,说明只有这种尺寸证明可以提供火灾控制;如果表中可以选择K参数,每种都能够提供火灾控制;不过,较大的K参数喷淋器,有时表现出更好的消防控制和限制火灾损害的能力。在只允许安装一种反应型喷淋器的地方,说明只有这种类型经证明可以提供火灾控制;如果表中允许选择反应类型(SR或QR),则每种类型都能够提供火灾控制;不过,快速反应(QR)喷淋器有时表现出更好的消防控制和限制火灾损害的能力。
在金属容器的测试中,只测试了钢制容器,其他金属容器,如铝制容器,没有测试。
表A.2和表A.3分别列出了托盘或实体堆储存液体在容器和便携式容器的储存布置、在容器内的保护储存液体的货架储存。

A.49 (14.2.3)表A.4以泄压型和非泄压型金属容器为例,说明按照表13~表24进行的储存保护。
A.50 (14.5.1.6)大多数使用泡沫一水进行火灾测试方案是从灭火器中立即喷出泡沫溶液。如果在喷出适当比例成分的泡沫之前有所耽误的话,那么对于火灾的控制可能就不会成功,为了能够立即排出泡沫溶液,一种方法是使用在线式平衡压力(ILBP)系统。
A.51 (14.8.2)本条要求应有对可燃液体扩散的控制,以此来防止大火的蔓延,这也要求打开比预先设计更多的喷头进行灭火,比如,如果设计的系统是18mm/min覆盖280m²,那么在14.5.1中就要求液体的扩散也要被限制在280m²以内,为了达到这种控制结果,可以采取多种方法。


较为典型的做法是用沟或下水道按储存区的地面面积进行矩形分割,矩形的面积可以相等或者比设计的喷淋系统面积小。在货架以下进行集中排水,地面应朝排水沟倾斜,并最少有1%的倾斜角,见图A.1和图A.2,水沟应如NFPA15所述进行排列。在图A.3中所示,特别注意沟的尺寸,以及横跨排水沟宽度三分之一宽度的固体覆盖物,下水道的布局也可作类似参考。
另外一种方法,在图A.4中所示,其把下水道安装在建筑物的柱子边,在每四个柱子之间的区域并没有超过喷淋系统的设计范围,倾斜的地板上水直接流向了排水沟。
连到排水沟的是一个积水沆,其布局如NFPA15中所述(见图A.5),为安全考虑,这个排水管的尺寸应能排放设计的喷淋设备排水量的150%,公式(A.1)可以用来计算排水管的流量。

式中:
F——流量,L/min;
D——设计的喷水密度,L/(min·m²);
A——设计的喷水区域,m²。
更多信息参见美国化学工程师学会化学过程安全中心的《化学品安全储存指南》。

A.52 (15.5.8)API2218包含指导从一个高强度暴露于火焰时选择和安装耐火材料以保护暴露钢制支撑。它也包含一个一般性的讨论,以确定需要这种保护和预算的暴露区域的面积。
A.53 (15.5.10)见NFPA204。
A.54 (15.5.11)见NFPA101。
A.55 (16.3.8)生产区并不是液体容器存放区,但是容器可以带到生产区,用于把液体从容器装入生产设施,或从生产设施中分装到容器中。
在生产区域内,容器内的液体数量应尽可能的少,装满液体的容器不应放置在生产区内,但可以暂存。如果连续24h需要液体量,才可以将装满液体的容器带到生产区域。没有装满的容器可以放在生产区,只要它不会增加危险性。在一个班次期间,生产区域内充装的容器可以保留,但是在工作日结束,或者在连续24h工作的换班时,容器需要重新布置到合适的储存区域。




A.56 (17.2.2)在一个封闭区城里,当超过其沸点的液体在热传递时,会由于薄雾而引起爆炸。比较好的考虑是在一个分开的房间,安装有加热器或蒸馏器,或者在单独的房间安装有限制爆炸的建筑物。
A.57 (17.2.3)在火灾事件发生、系统中出现不规则的低气压或者经认可的热量监控系统发出的操作,在这些情况发生时,防护系统应是互锁的,它能停止在系统之间的液体流动产生的热循环,并且能迅速切断系统中的加热器或蒸馏器。在加热器或蒸馏器内部难以控制之处,它能保持有足够的热量,这既能引起热流传送的衰弱,也会由于通过装置的水循环停止了而形成管垢,这种情况下,水循环应继续。在慢性火灾发生时,关闭管道系统中分段的互锁的安全切断阀门,是一种有效的措施。具体有效的实现方法是从主循环回路中分开所有二级循环回路,以防止蒸气或热量的窜入、窜出。
应有标记清晰的遥控紧急切断开关或供电切断系统,在发生紧急情况时,使用它们能迅速切断整个系统。这些紧急切断装置应安装在经常进出的场合,或者在发生泄漏或火灾时能方便进入的场合。
如果有任何逃生线路需要穿过房间或者有部分热流传送系统的区域,这需要有紧急切断阀门。它们应安装在火灾发生时,很容易进入的场所。
膨胀水箱的液面主要由自动化工作的抽水泵进行控制,如果发生高液位指示时,不管泵是在自动还是手动工作模式,都应有一个互锁来切断这个供应泵。
A.58 (17.2.3.1)热流传送系统有潜在的泄漏风险存在,主要是巨大数量的、炽热的可燃性或易燃性液体泄漏,在安全场所的低点排污管能消除这种由于管线系统破裂而产生的热流,它能让液体泄漏的数量降到最小。应有工程分析来定位和设计这种低点排污系统。工程分析应对该系统作全面分析,包括在某些火灾区域,可能泄漏的热流的数量以及由于泄漏引起的爆炸。
A.59 (17.2.3.2)如果条件许可,储罐应安装在最低的系统排污以下,其靠重力自流。同时,考虑到最快速的抽空和加满储罐而设计有呼吸口。
A.60 (17.2.4)如果来自加热器或蒸馏器的烟道气被回收并使用在辅助的加热器或其他的设备(如旋转干燥器),那么,应设安装有适当的节气阀、隔离门、燃烧控制逻辑或其他,以此来确保所有设备均正常使用。系统控制逻辑应充分考虑到每段单独的设备所有可能的工作模式,不管是单独还是整体一起工作,这些设备在正常或意外情况下确保均能安全启动和停机。
如果控制系统监控到以下几种情况,应能够发出命令及互锁,以此来自动关闭加热器或蒸馏器的燃料供应,同时产生声音警报:
——通过加热器的热交换管时流速过低。
——在加热器或蒸馏器的出口处产生高温或高压,高温停机温度点应设定在工厂所推荐的最高温度或最高温度以下。
——在加热器或蒸馏器出口或者在系统中其他地方存在压力低现象时,需要有旁通回路以便能启动设备。
——膨胀水箱中液位低。一在蒸馏器中液位低。
——喷淋系统流经包含热传送设备或管道的任何区域。
报警设定点应在自动停机点上、下,以此来监控上述所提到的变化情况,并且,给操作人员在设备达到一个不安全情况之前有一个解决问题的时间。
A.61 (17.2.5.1)如果可能,管道应在地面以下或户外进行铺设,应尽量避免超过高架的热流传送管道。
A.62 (17.2.6.1)记录表明有关热流传送引起的火灾后果相当严重并且时间持续很长。推荐在整个有爆炸危险的区域都安装自动化的喷淋设备或足够的安全保护。
A.63 (17.2.7.1)下列因素应在考虑范围之内:
a)渗透到热传送系统中物质。在这种情况下,应对系统进行停机检查,尽快找到泄漏点并处理好。
b)系统中的泄漏点。不管泄漏点多么微小,均要及时地解决。并且解决应是长久的,任何热流释放均会产生安全阀的动作或泄漏,这时应立即清除干净,以防止其传热给其他物体,其他的溢流物也应在第一时间清除干净。
c)管道或绝缘设备被热流侵蚀,在这种情况下,泄漏事故应立即清除,并使用干净、干燥的绝缘体来代替原有的。
d)系统中有地方发生温度过高。在这种情况下,操作程序应指明,只要热传送的液体的温度超过了工厂最高的推荐值,应停止加热器或蒸馏器的燃料供应,只有在热源被切断以后,才能进行对高温故障情况的处理。
A.64 (17.3.7.3)见NFPA77。
A.65 (17.3.7.4)自发着火可能会发生在下列设施中:
a)在可聚积引火物的设施上,这些引火物是因处置含有硫化物或沥青材料的缺氧蒸气而带来的。当空气进入系统时,引火物会起反应,可能引起着火和火灾。
b)处置液体时有可能混入自燃物或不相容物的设施。先前装载时残留在蒸气回收系统中的液体可能导致这种混合发生。
c)处理吸碳装置中的氧化烃的设施。这些类型的蒸气具有较高的吸收热,因而会使碳床过热并增加产生氧化反应的机会(详细说明见美国石油协会报告《氧化燃料对商用蒸气回收设备影响的工程分析》)。
A.66 (17.3.7.5)美国运输部海岸警卫队规定33CFR154.826(b),(c)和(d)可用作设计着火可能性小的蒸气运送装置的参考资料。
A.67 (17.3.7.6)应逐例评价蒸气回收系统中着火的可能性。
如果发生着火,所含蒸气混合物在可燃范围内的管道系统中的火焰通常先低速燃烧(传播)。当火焰通过管道时,其速度加快,在一个很短的距离内,就可达到超声速度(爆燃)。用一个其设计、操作和试验符合NFPA69要求的阻火器、液封装置或自动速关阀可扼制最初低速传播的火焰。用经试验证明符合美国运输部海岸警卫队规定33CFR154部分的附录A或管辖部门认可的其他规定的防爆器、或在相应条件下测试过的自动快动阀系统也可扼制火焰的传播以免引起爆炸和爆燃。
A.68 [18.3.2.1a)]常压罐包括分隔式罐、双层密封罐的设计。
A.69 [18.3.2.3b)]此类压力容器一般作为“特殊状态”。
A.70 (18.4.2)参见PEI RP 200和STIR 931关于双层密封罐试验的额外要求。
A.71 [18.4.2g)]地下双层罐可当作双层密封的一种类型。“双层罐”和“夹套罐”有时用于说明地下双层密封罐。
A.72 (18.4.3)测试地下罐资料参见NFPA329;测试地上罐资料参见APl Std 653。
A.73 (18.5.5.1)资源包括但不限于:
——互助。
——水的供应。
——灭火器的供应。
A.74 (18.5.6.1)见GB27898或其他防火系统标准。
A.75 (18.6.1)更多指南见SY/T6306。
A.76 (18.6.4.1)更多信息见API2015和API2015A,API2015B。
A.77 [18.6.4.3.3b)]可能需要特别训练。
A.78 (18.6.5)参见NFPA329有关测试方法的内容。
A.79 (18.7.1)地上储罐(包括工厂组装的)应按照下列标准进行定期检查,以确保系统正常维护。
——API Std 653。
——STI SP001。
——API12R1。
——API RP 2350。
A.80 (18.7.6)详细资料参见API Std 653,API RP 2350,PEI RP 600。
A.81 (19.4)见PEI RP 200。
A.82 (19.4.2.1)当有多于2个储罐时,计算每组可能成对的罐直径之和。例如,在一个防火堤区有4个储罐,按顺时针方向分别为1号、2号、3号、4号,计算每组罐直径之和如下:1号和2号、1号和3号、1号和4号、2号和4号、3号和4号。
A.83 (19.5.2.1)有关储罐基础,见API Std650附录E和API 620附录B。
A.84 (19.5.2.4)更多信息见ASTM E 119和ANSI/UL 1709。
A.85 (19.7.3.1)在预期有二相流体时,应进行工程评价。工程评价的目的是确定紧急排气要求,设计泄压系统以防止灾难性故障,导致对人或设备产生无法接受的危险。评价的因素如下:
——材料的性能,包括评价的影响、二相流和热致不稳定。
——储罐的热传送输出速率。
——燃烧时间。火灾这一分析可以基于燃烧速度和深度,可以通过电脑程序做出有用的分析。
A.86 (19.7.3.5)公式(1)基于公式(A.2)。

式中:
Q——燃烧热,kJ/kg;
A——淋湿面积,m²。
A.87 (19.7.3.8)19.7.3.8和19.7.3.9是基于充分的规模测试表明,有类似乙醇的液体燃烧特性的需要较少的紧急通风能力。
普通酒精(乙醇)的燃烧热为26.8MJ/kg,燃烧速度为0.015kg/(m²·s)。燃烧速度是根据直径在
0.2m~5.0m之间的盘形火计算的。盘形火的燃烧在无风的环境中处于稳定状态。盘边高度与盘直径的比率约为0.06。这些试验的详细资料参见加拿大蒸馏器协会的客户报告CR-5727.1《蒸馏酒精储罐的防火试验》。
A.88 (19.7.3.9)见A.87。
A.89 [19.7.3.12d)]按公式(A.3)计算。

式中:
Cf——流量系数,取0.5;
A——孔口面积,cm²;
pt——储罐内的压力(绝对压力),kPa;
pa——储罐外的大气压(绝对压力),kPa。
A.90 (19.7.4)通风口的尺寸大小由UL142确定。通常的基础上,在储罐上直接安装一个排气装置,孔径不超过300mm。当一个通风口出口应扩大到一个偏远的位置,如储罐设在建筑物内,这就需要通风口放到建筑物外面,减少排气流量可能会发生,除非增加通风口和连接管道的大小。在这种情况下,大小喷口和排气管的扩展应计算,以确保储罐将不会超过加压期间的消防压力。
A.91 (19.11)“偶然泄漏”包括但不限于:
——从罐壳泄漏。
——溢流。
——从罐的连接管道泄漏。
A.92 (20.2.4)把罐吊入或滚动到洞里时可能撕裂焊缝,刺穿或损坏罐体,刮掉罐的保护涂层。见PEIRP100。
A.93 (20.2.5)见UL 1316,UL 1746,STI ACT-100。
A.94 (20.2.5.1)见API RP 1615。
A.95 (20.2.5.2)可接受的为阴极保护系统的设计标准包括以下内容:
——API RP 1632。
——ULC.S603.1M。
——STI-P3。
——NACE RP-0169。
——NACE RP-0285。
——ANSI/UL 1746。
——STI RP 892。
A.96 (20.4.3.1)最大埋藏深度从罐顶部测量,由厂家和第三方测试机构确定。
A.97 (20.5.1)所需的通风能力,取决于充填或排出速率,以较大值和通风的长度为准。无限制的通风管道,按照表37将防止储罐的压力超过17.2kPa(表压)时的压力回调。
A.98 (21.1)第21章提供了一种灵活地符合要求而又不损害防火安全性的途径,这种途径激发了应用防火原则以达到预定目标的创造性。每节开始部分的性能准则提出了预定目标的要点。每节的第一句话概述性能准则,如果实现它,就符合了该节的要求。为了澄清每个性能准则的内涵,接下去的段落介绍一种达到符合性能要求中的预定目标的方法。当然,这些要求的其他组合也可作为满足性能准则的内容(假设管辖部门认可这些要求)。
A.99 (21.2.5)参见NFPA68关于爆燃排气的内容。
A.100 (21.3.2)参见NFPA 220。
A.101 (21.3.4)参见NFPA 68关于爆燃排气的内容。
A.102 (21.3.6)参见NFPA 101关于出口设施的设计。
A.103 (21.4.1.1)参见GB4351,GB8109关于不同类型灭火器的适用性。
A.104 (21.4.1.2)参见NFPA 13,GB6246。
A.105 (21.4.2.2)参见GB3445,GB4452。
A.106 (21.4.2.3)参见NFPA 13,GB20031。
某些燃料种类,如酮、酯、醇,所需泡沫灭火装置的最低限度的喷淋强度,往往高于一般易燃和可燃液体。当确定设计准则灭火系统用泡沫,重要的是要确保符合规定的准则,这些标准通常是基于消防测试中的经验数据,不能被忽视。否则,消防保护系统的设计不足以进行保护。
A.107 (21.6.6)参见NFPA 15附录A。
A.108 (21.7.2)在密闭储存区的设备可能损坏,随着时间的推移,应进行定期评价,以确保泄漏率没有增加,或通风率足够应对泄漏率的增加。
A.109 (21.7.4)本地或现场通风可能需要控制的特殊火灾或危害健康的问题,参见NFPA91和NFPA90A。
A.110 (21.9.6)替代手工测量包括但不仅限于:压力测量玻璃管,磁性、液压、静压或远程抄表装置,密封浮动计。
A.111 (21.9.8)合适的设备包括但不限于:浮阀;预先设定的仪表关于充满的处于危险的刻度;一个低压头泵的能力是处理生产溢流;或一个溢流管,管径大小至少大于进料管,即重力回流的方式向外界排放液体到核准的位置。
A.112 (23.4.3.2)参见ASTM E 119和ANSI/UL 1709。
A.113 (23.5.1.2)预计有些接头在着火时会泄漏,但不会分开。
A.114 (23.6.2)API2218包含有对选择和安装防火材料的指导,以此来保护外露的钢铁能够承受得了大火,同时,它也在这种防护和减少这些外露区域方面进行了阐述。
A.115 (23.8.1.6)排气孔的尺寸公式和规定的孔径大小,例如那些在UL142已制定的,是具有代表性的建立在直接在罐上安装一个排气设备的基础上的。当通风出口应延伸到一个较远的位置时,例如罐在建筑物内,就需要一个应放在外面的排泄口,一个可观的减少排气流量就可以发生,除非排气孔的大小和连接管线都增加。在这种情况下,排气孔的大小和排气管的延伸都应经过计算,以确保罐在暴露于火焰时不会过压。
A.116 (23.8.10)如果Ⅱ级或ⅢA级液体的装卸立管设置在靠近Ⅰ级液体装卸立管的地方,应考虑提供可靠方法,如不同管尺寸、连接装置、专用锁定装置或其他方法,以防将Ⅰ级液体错误地输到Ⅱ级或ⅢA级液体所用的容器或储罐中,或从这些容器中抽取液体。请注意:当按液体在水中的浓度确定液体的等级,或者在每次运转之间对设备进行清洗,可以不必要考虑水溶性液体。
A.117 (24.8.1.5)NFPA77提供有关静电防护的内容。
A.118 (24.8.2)“转换装载”表示经授权,有特殊考虑的一种状况,见NFPA77。
A.119 (25.2.25)实用的方法是把底面收集的液体排到远处。
A.120 (25.2.28)由于情况不同,不能提供具体要求。表A.5提供了仓库和码头处理易燃液体的典型防火措施。

附录B(资料性附录)地面贮罐着火时的应急泄压排气
B.1 概要
必要的应急泄压排气口在表34给出,19.7.3.7的修正系数是来自考虑以下事项:
——单位面积可能的最大传热率。
——储罐的尺寸和总面积的可能暴露的百分率。
——罐内液体达到沸腾所需的时间。
——罐壁或罐顶没有淋湿的部分被加热达到使金属失去强度所需的时间。
——在减小火势和传热中,排液、保温和水的应用效果。
B.2 表34的推导
表34是在双对数坐标图上三条直线构成的复合曲线的基础上产生的(见图B.1),该曲线可用下列方式确定:
a)第一条直线标在双对数坐标图上,位于1.86m²暴露面的面积下117kW的点和在18.6m²暴露的面积下1172kW的点之间。该部分曲线的公式为Q=65A。
b)第二条直线标在双对数坐标图上,位于18.6m²暴露面的面积下1172kW的点和93m²暴露面的面积下2910kW的点之间。该部分曲线的公式为Q=228A0.566。
c)第三条直线标在双对数坐标图上,位于93m²暴露面的面积下2910kW的点和260m²暴露面的面积下4102kW的点之间。该部分曲线的公式为Q=43A0.338。绘制三条曲线的数据见表B.1。


B.2.1 若面积超过260m²,可以断定该面积不可能完全都暴露,并且在产生最大可能蒸气释放率之前,由于过热造成的金属强度的损失会在蒸气空间出问题。因此,超过4100kW的蒸气量,增加额外的排放量也不会起作用,也不需要。
B.2.2 对于压力超过6.89kPa(表压)的储罐和储存容器,暴露面积超过260m²,增加额外的排放是需要的。因为在这些储存条件下,所储存的液体接近沸点,因此,使容器内液体达到沸腾条件的时间就不重要了,基于这些情况,热量输入值应根据公式(B.1)计算:

B.3 特定液体的紧急排气量估算
流量的计算是依据假定所储存的液体具有己烷特性,并用公式(B.2)的相应因数把释出的蒸气变换成15.6℃和101.3kPa的等价自由空气。

式中:
15540——空气换算系数;
Q——每小时热输入的总量,单位为千瓦(kW);
L——蒸发潜热,单位为千焦每千克(kJ/kg);
M——相对分子质量。
这里没有考虑高于液体沸点的蒸气被加热而产生的可能膨胀、比热或排出温度与15.6℃之间的密度差,因为它们的变化有些是抵消的。
由于储罐排气阀通常是按标准空气排气速率进行计算的,表34的数字可按相应的储罐压力用作选择阀门的依据。
如果要求更准确,表B.2给出了各种化学品的常数,用此能计算出除己烷以外的液体所产生的蒸气和等量的自由空气。对该表的检查会看出,在制作表34中使用己烷对于所列举的液体,结果的准确度都在可接受范围内。


B.4 平头卧式罐的淋湿面积的估计
表B.3给出了近似的平头卧式罐的淋湿面积的估计。



附录C(资料性附录)地下罐的废弃或拆除
C.1 一般要求
C.1.1 不仅对搬运和使用易燃或可燃液体要小心,而且对装有易燃和可燃液体废弃的储罐也应小心。最典型的是加油站地下罐,它经常用于储存发动机燃料和有时储存其他易燃或可燃液体,如曲轴箱排出物(可能含有汽油)。因为易燃或可燃液体储罐在废弃前没有适当处置,往往会由于粗心大意而爆炸。
C.1.2 为了防止由于没有适当的加以处置而发生的意外,建议当地下罐拆除、废弃或暂不使用时,遵循下述方法。
C.1.3 停止使用的地下罐可按下述三种方法之一进行保护或处理:
——在暂时停止使用的情况下放置。当储罐计划在一段的时期后再度投入使用或在90d内不会拆除或废弃,应暂停使用。
——就地废除,并施加适当的保护。
——拆除。
C.1.4 如果储罐暂时停止使用或永久废除,应对罐的尺寸、位置、废除日期及对废弃的罐在安全条件下的处置方法进行记录。
C.1.5 下述各节叙述了地下罐实施上述每一种处理方法的步骤。直到储罐完全清洗或用其他安全方法以前,禁止使用有割炬或其他会产生火焰或火花的设备,每种情况下,都应严格执行每一个操作步骤。
C.2 暂时停止使用地下罐
C.2.1 地下储罐暂时停止使用3个月以内,业主和使用者需要做下列工作:
——持续操作和维护以保持防腐,相关要求见美国环保署(EPA)《关于地下罐的业主和使用者的技术标准》。
——持续操作和维护应符合管辖部门的要求,进行泄漏检测,或者把地下罐所有物料清空,残留物不高于25mm,或不超过总储存量的0.3%。
C.2.2 地下储罐暂时停止使用3个月以上时,业主和操作者需要做下列工作:
——保持排气管线打开,并起作用。
——应盖住或塞住所有管线,如充装管线、计量孔口、泵吸管和蒸气回路;应防止有人动用。
C.3 永久关闭地下罐
如果地下罐系统临时关闭时间长于12个月,业主和使用者应按照管辖部门的要求进行永久关闭。12个月的期限可以增加,但应按管辖部门的要求进行区域评估,并经实施机构认可。
C.4 就地关闭地下罐
C.4.1 开始关闭程序之前,业主和使用者应提前至少30d向实施机构递交关闭方案,确保采取正确的行动步骤。
C.4.2 关闭地下罐,无论是就地关闭还是移出,业主和使用者应检测地下罐位置最有可能产生的污染和泄漏,外部泄漏的检测方法应符合管辖部门的要求,确保在关闭时没有泄漏发生。
C.4.3 安全准备包括采取特别安全措施、清洁和封闭程序,应符合以下标准:
——API 1604。
——NEIWPCC。
C.4.4 安全预备工作包括下列:
——禁止吸烟。
——拆除地下罐时,关闭明火及与移除无关的发火设备。
——只使用手动工具拆除储罐配件,准备释放蒸气的程序。
——控制静电,或通过导线跨接、设备接地等方法释放静电。
——用安全绳把罐区与步行道、车行道隔开。
——定位和标识所有的现场公用设施线路。
——确定气象条件。在无风和高湿度的天气条件下可能出现蒸气聚积,在此情况下,要测试蒸气的聚积范围(参阅C.4.10)。如果出现聚积,应提供强制通风,或迟延交付工作,直到有风或天气不再潮湿。可挖掘土壤来测试蒸气泄漏,必要时采用人工通风或反复挖掘土壤,以避免易燃气体达到可燃浓度。
——确保人员穿戴安全帽、安全鞋、安全眼镜,配备可燃气体检测仪。如果提供其他必要的安全措施或方法,应满足当地的要求。
C.4.5 把储罐中所有易燃或可燃液体和残渣通过所有连接线管道进行移除。
C.4.6 残余产品和固体应妥善处理。
C.4.7 开挖到储罐顶部。
C.4.8 断开进口、出口、计量表和所有其他的连接装置。排气管线要保持连接,直到储罐清洗。
C.4.9 清除储罐内的易燃气体,或使罐内潜在爆炸性的气体惰性化。
C.4.9.1 清洗或给储罐通风,用空气取代储罐内的易燃气体,减少易燃的混合燃料和氧气低于爆炸下限或降低易燃上限。有两种方法可以引入空气进入储罐:其一是使用一种“扩散鼓风机”抽空气通过管道或适当的空气扩散管进入储罐的底部;其二是使用一个“喷射器”,通常是使用压缩的空气。它从储罐抽出蒸气和带来新鲜空气进入储罐。该排气管用于将蒸气排放到3.7m以上和从任何屋顶
0.9m之外。
C4.9.2 惰性储罐不会取代易燃气体,而是降低氧气的浓度,使之不足以支持燃烧(见C4.10)。可用两种惰性气体:一是均匀分布在底部的干冰,升温会释放出二氧化碳气体;二是从软管将氮气通过充装孔注入储罐的底部。除了排气口外,所有洞都有效堵塞,以防氧气重新进入储罐。
C.4.10 储罐按以下程序进行测试,以确定是否安全:
——清洗时,使用可燃气体检测器来测量可燃气体的减少量。仪表的读数范围是可燃下限的0~100%。对于汽油储罐,目标是降到可燃下限的10%~20%。
——充惰性气体时,用氧气表测定是否达到惰性化,表的读数范围是氧浓度的0~100%,对大多数石油产品而言,浓度1%~10%是安全的。
C.4.11 可以给储罐完全充满固体惰性材料,如果现有罐的开口不适合充填惰性材料,可以在罐顶切割1个或多个孔。在封好或拆除地下管道之后,储罐可以被回填。
C.5 地下罐的拆除
C.5.1 遵守C.4的所有程序。如果按C.4.11,可给储罐填充固体惰性材料,并回填开挖的罐槽。
C.5.2 在储罐从罐槽移出之前,先进行清洗和惰性化,以确保安全,然后堵塞和盖住所有能接近的孔洞。每个塞子应有3mm的排气孔,以防储罐因温度改变而形成超压。储罐在随后的运送或储存时,这个排气口应位于罐顶。
C.5.3 挖掘储罐四周,清除覆盖,以便移除。移除之前先检查罐壁是否有腐蚀孔,使用螺纹塞子,堵塞所有腐蚀孔。
C.5.4 储罐应贴上标签,标明以前的存放物、现在的蒸气状况、蒸气泄放方法、禁止再次使用等信息。
C.5.5 储罐应迅速移走,最好在移出地面的同一天,因为罐壁腐蚀或残余物吸收的液体可能释放多余的蒸气。不过,在移动之前,应检查储罐气体,以确保易燃蒸气浓度不超过安全水平。
C.6 地下储罐的处置
C.6.1 如果管辖部门允许储罐重新使用,应证明储罐密封性和结构完好,符合新安装的所有要求。
C.6.2 在用的储罐应位于公众不能进人的安全区域,并应符合C.4.9和C.4.10的安全要求,以及C.5.2的排气要求。
C.6.3 如果钢储罐要进行处置,应重新测试易燃气体,必要情况下再次放气。如果储罐有衬里,或表面涂有玻璃纤维、环氧树脂或其他的类似材料,则不能进行打磨作业。在处置给废金属经销商之前,要在储罐上开大量的孔洞,以确保不适合继续使用,见NFPA326。
C.6.4 如果是非金属罐,或有衬里、表面涂有玻璃纤维、环氧树脂或其他的类似材料的钢制罐,废金属经销商可能不接收。替代的处置方法是将罐切割成碎片,进行清洁掩埋。
C.7 保持记录
应保持记录以证明符合关闭要求。开挖区域的评价结果应在永久关闭完成后,至少保存3年。
C.8 资源
下列是一些关于储罐废除的安全性标准:
——API 1604。
——API 1631。
——API 2015。
——API 2217A。
——API 2219。
——OSHA 2226。
——NIOSH。
——NIOSH 87-113。
——NFPA 69。
——NFPA 77。
——SY/T 6306。
——NFPA 306。
——NEIWPCC。
附录D(资料性附录)第14章防火准则的形成及其他推荐的防火准则
D.1 概述
制定对液体容器采用的抑制型防火准则,几乎完全是依据大型火灾试验数据的分析。依照火灾发展的特性,从火势蔓延到毗邻的容器/材料一抑制系统激活一抑制系统按首要原则生效,这个模型还未建立。从成本的角度,依赖于对所有的情况和设想进行测试并取得数据是不现实的。因此,NFPA
30防火准则的形成,是依赖于有代表性的测试场景的数据。采用替代的材料和情景,结合具体测试数据、历史测试数据和工程危险方面的经验进行分析评价,直到完成工程工具在危险性评价上的应用。这种做法代表了符合NFPA的政策的最好方法,即以科学为基础而形成法规和标准。
D.2 防火保护的设计准则摘要
第14章的防火保护准则的形成,是依照NFPA30的“容器保护任务组”所做的大量火灾测试,其中有147个已归纳在《易燃和可燃液体储存在容器的防火测试手册》第3版。这本手册是由Schirmer 工程公司编制,由防火保护工程协会特别安排该公司完成的。用户若想调查第14章所依据的火灾测试详情,可参考该手册。
从表D.1~表D.12的汇总表中的火灾试验号对应表13~表24的最后一栏火灾试验参考号。












D.3 ⅠA级液体的推荐的设计标准
有一些商品没有试验数据,或试验数据不足以制定确切的保护表。其中一个例子是IA等级液体。表D.13~表D.15包含NFPA1993年版的附录D的IA级液体的保护。
NFPA技术报告《易燃和可燃液体产品在储存和零售过程中的起火原因的分析模式》为评价火灾风险提供了更多有用信息。



D.4 高闪点ⅢB的液体的推荐的设计标准
D.4.1 表D.16为具有大于230℃(450°F)的闪点的ⅢB液体提供被推荐的自动喷淋灭火系统设计标准(也参见表D.17)。


D.4.2 货架喷淋器的安装应符合14.6.1或者D.4.3的要求,在货架喷淋器之间不应提供垂直隔板。
D.4.3 防火系统设计方案D:按照图D.1和图D.2安装。
应安装登记注册的或核准的K=8.0常温型货架快速反应喷淋器。货架喷淋灭火系统应设计提供113L/min 流量,如果一层安装,应有8个远端喷淋器;或者两层安装14个远端喷淋器(两层均为7个)。
D.4.4 顶板喷淋装置的设计应提供最低水流强度12.2mm/min,覆盖面积最多185m²,采用常规K=80或K=11.2孔口的常温型标准反应喷淋器。
D.4.5 顶板和货架自动喷淋装置要求提供稳定的1900L/min的水流量。


D.5 非水溶性液体推荐使用高倍数泡沫灭火保护
D.5.1 表D.18推荐了在塑料容器或硬纸板箱中的ⅠB,ⅠC,Ⅱ,Ⅲ级液体的高倍数泡沫保护的设计准则。

D.5.2 泡沫系统应按照NFPA11设计和安装,要求见本节和表D.18。
D.5.3 应有至少两个泡沫发生器单元,能够从受到保护的区域引入新鲜空气。
D.5.4 无论是喷淋装置或未喷淋装置区,淹水时间不应超过2min。如果单个泡沫发生器损坏,也不应造成淹水时间超过4min。
D.5.5 泡沫系统激活,应由能够探测储存区域内任何地方的火灾探测系统来完成。泡沫系统激活前应有20s的预激活的室内逃逸警报。
D.5.6 塑料容器储存液体,其放置的房间与其他场所之间用最少2h的防火建筑隔开。该房间应配备自动关闭的A级或B级门,与检测系统联锁。
D.5.7 屋顶或顶板的储存区应提供:
——屋顶或顶板结构能够有最低1h的耐火保护。
——顶板喷淋装置的最低水流强度为18.3L/min,覆盖整个房间,防止在泡沫淹没时顶板出现高温。
D.5.8 塑料容器储存液体的房间应设定液体收集池。液体收集池高度最少为100mm。使用顶板喷淋装置保护时,应有排水和收集系统,能容纳至少20min的自动喷淋水。
D.5.9 货架储存应仅限于单排或双排货架。拐弯的宽度不应超过2.7m。
D.5.10 货架应提供垂直的隔板,并满足下列要求:
——隔板应为至少10mm厚的胶合板,或至少22号的金属板。
——隔板垂直装在货架上,从货架的正面通过烟道延伸到货架背面。
D.5.11 走道的宽度不应小于2.3m,见表D.18。
D.5.12 上述这些建议都是基于Ansul公司所进行的一系列防火试验的结果,这些试验的目的是检验高膨胀性泡沫在易燃液体塑料容器火灾中的防火保护。
附录E(资料性附录)本标准NFPA30:2012相比的结构变化情况
本标准与NFPA30:2012相比在结构上有调整,具体章条编号对照情况见表E.1。






附录F(资料性附录)本标注与NFPA30:2012的技术性差异及原因
表F.1给出了本标准与NFPA30:2012的技术性差异及其原因。

参考文献
a)NFPA(美国消防协会)出版物
NFPA 51B 焊接、切割和其他热处理的防火
NFPA 72 火警规范
NFPA 77 推荐的防静电做法
NFPA 204 烟和热排放指南
NFPA 306 容器内气体危害的控制
NFPA 329 处理易燃、可燃液体和气体泄漏的推荐作法
NFPA 385 易燃和可燃液体罐车
NFPA 496 电气设备的清洗与加压密封
NFPA 497 化工厂易燃液体、气体和蒸气分级以及危险性(已分级)场所分级的推荐作法危险物品防火指南,2002
易燃和可燃液体规范手册,1996
NFPA 危险物品快速指南
b)AIChE(美国化学工程师学会)出版物
压力释放和排污操作系统指南,1998
化学品仓库安全指南,1998
c)API(美国石油学会)出版物
API 12RI 生产服务用储罐的安装、维护、检查、操作和修理
API 1604 在用地下石油储罐的拆除和报废
API RP 1615 地下石油储罐的安装
API 1631 地下罐的内部管线
API RP 1632 地下石油储罐和管线系统的阴极保护
API 2003 静 电、照明和杂散电流着火的防护
API 2015 清洗石油储罐
API 2015A 控制与罐入口有关的铅危险及其清除的指南
API 2015B 顶部开口及内浮顶罐的清洗
API 2217A 石油工业惰性空间工作指南
API 2218 石油和石化加工厂防火做法
API 2219 加油站真空罐车安全操作指南
氧化燃料对市场蒸气回收设备的影响的工程分析,1990年9月
石油生产操作中逸出碳氢化合物的排放,1980
d)ACDP(加拿大蒸馏器出版协会)出版物
蒸馏酒精储罐火灾试验.客户报告CR-5727.1
e)ASTM(美国试验与材料协会)出版物
ASTM D4206 使用小型开口杯仪器进行液体混合物持续燃烧的标准试验方法
ASTM D4207 用灯芯测试法对低黏度液体进行持续燃烧的标准试验方法
ASTM E119 建筑结构和材料火灾试验的标准试验方法
ASTM E502 选择和使用ASTM标准的闭杯法测定化学品闪点的标准试验方法
ASTM 闪点标准及其应用手册
f)NACE(美国腐蚀工程师协会)出版物
NACE RP-0169 控制地下或水下金属管线系统外部腐蚀的推荐作法
NACE RP-0285 地下罐系统使用阴极保护进行防腐的推荐作法
g)NEIWPCC(新英格兰州际水污染控制委员会)出版物
巡视员安全指南,1988年5月
h)PEI(石油装备学会)出版物
PEI RP100 地下储液系统安装的推荐作法
PEl RP 200 地上汽车燃料储存系统安装的推荐作法
i)SEPE(工程师防火协会)出版物
小型容器储存易燃和可燃液体火灾试验数据集
j)STI(钢罐学会)出版物
STI-P3 地下钢储罐外部防腐说明书及使用手册
STI R931 双重壁AST安装和测试指导STI RP892 液体储存和分配系统的地下管网防腐的推荐作法
STI SP001 在用车间制造的易燃和可燃液体地上罐检查标准
STI,ACT-100 FRP 复合钢制地下罐外部防腐说明书
k)UL(保险商实验室)出版物
UL 1709 结构钢保护材料的快速升火试验标准
l)ULC(加拿大保险商实验室)出版物
ULC-S603.1M 易燃和可燃液体钢质地下罐的电化学腐蚀保护标准
m)美国政府出版物
环保局关于VOC和HAP设备泄漏产生单位特定排放物估计的协定书(文件号87-222-124-10-02)
环保局辐射研究,1979联邦条例第22章、第29章、第33章、第40章、第46章、第49章
NIOSH(全国职业安全健康学会),受限空间工作推荐准则
NIOSH 87-113 受限空间安全指南
OSHA(职业健康安全管理局)2226挖掘操作
