Appearance
《泡沫灭火系统及部件通用技术条件》GB 20031-2005
🗓️ 住房和城乡建设部 实施时间:2006-04-01
前言
中华人民共和国国家标准
泡沫灭火系统及部件通用技术条件
General technical specifications for foam fire extinguishing systems and components
GB 20031-2005
发布部门:中华人民共和国国家质量监督检验检疫总局
中国国家标准化管理委员会
发布时间:2005年9月28日
实施日期:2006年4月1日
本标准的第5章、第7章内容为强制性。
本标准主要参照UL 162-1997《泡沫设备和泡沫灭火剂》、ISO/DIS 7076《泡沫灭火系统标准》、EN 13565-1《泡沫灭火系统零部件性能要求和试验方法》而制定。
本标准的附录A至附录X都是规范性附录。
本标准由中华人民共和国公安部提出。
本标准由全国消防标准化技术委员会第二分技术委员会(CSBTS/TC 113/SC2)归口。
本标准起草单位:公安部天津消防科学研究所、江苏省消防局。
本标准主要起草人:杨震铭、李毅、王诣青、白殿涛、马建明、唐晓亮
1 范围
本标准规定了泡沫灭火系统及部件(包括泡沫比例混合器、泡沫比例混合装置、低倍数空气泡沫产生器、高背压泡沫产生器、泡沫喷头、泡沫钩管、泡沫炮、泡沫枪、中倍数泡沫产生器、高倍数泡沫产生器、泡沫消火栓、单向阀、控制阀门、过滤器、控制盘、控制柜、半固定式(轻便式)泡沫灭火装置、连接软管、泡沫消火栓箱、闭式泡沫-水喷淋系统等)的性能要求、试验方法、检验准则、包装、运输贮存要求等。
本标准适用于各类泡沫灭火系统及部件。
2 规范性引用文件
下列文件中的条款通过本标准的引用而成为本标准的条款。凡是注日期的引用文件,其随后所有的修改单(不包括勘误的内容)或修订版均不适用于本标准,然而,鼓励根据本标准达成协议的各方研究是否可使用这些文件最新版本。凡是不注日期的引用文件,其最新版本适用于本标准。
GB 150 钢制压力容器
GB/T 528 硫化橡胶或热塑性橡胶拉伸应力应变性能的测定(GB/T 528-1998,egv ISO 37:1994)
GB/T 3098.1 紧固件机械性能 螺栓、螺钉和螺柱(GB/T 3938.1-2000,idt ISO 898-1:1999)
GB/T 3098.2 紧固件机械性能 螺母 粗牙螺纹(GB/T 3938.2-2000,idt ISO 898-2:1992)
GB/T 3098.3 紧固件机械性能 紧定螺钉(GB/T 3938.3-2000,idt ISO 898-5:1998)
GB 3445 室内消火栓
GB/T 3512 硫化橡胶或热塑性橡胶 热空气加速老化和耐热试验(GB/T 3512-2001,eqv ISO 188:1998)
GB 4580 无衬里消防水带
GB 5135.1-2003 自动喷水灭火系统 第1部分:洒水喷头
GB 6246 有衬里消防水带性能要求和试验方法
GB/T 9112 钢制管法兰 类型与参数
GB 9969.1 工业产品使用说明书 总则
GB 12514(所有部分)消防接口性能要求和试验方法
GB 13463 抗溶性泡沫灭火剂
GB/T 14048.1 低压开关设备和控制设备 总则(GB/T 14048.1-2000,eqv IEC 60947-1:1999)
GB 14561-2003 消火栓箱
GB 15090 消防软管卷盘
GB 15308 泡沫灭火剂通用技术条件
GB 16669-1996 二氧化碳灭火系统及部件通用技术条件
GB 17427 水成膜泡沫灭火剂
GB 19156-2003 消防炮通用技术条件
HG/T 2580 橡胶或塑料涂覆织物拉伸强度和扯断伸长率的测量
GA 30.1-2002 固定消防给水设备的性能要求和试验方法 第1部分:气压给水设备
GA 61-2002 固定灭火系统驱动、控制装置通用技术条件
3 术语和定义
下列术语和定义适用于本标准。
3.1 发泡倍数 foam expansion ratio
泡沫混合液变为灭火泡沫后的体积膨胀倍数。
3.2 低倍数泡沫 low expansion foam
发泡倍数低于20的灭火泡沫
3.3 中倍数泡沫 medium expansion foam
发泡倍数介于20到200之间的灭火泡沫。
3.4 高倍数泡沫high expansion foam
发泡倍数高于200的灭火泡沫。
3.5 25%析液时间 25% drainage time
一定质量的泡沫自生成开始到析出25% (质量)混合液的时间。
3.6 50%析液时间 50% drainage time
一定质量的泡沫自生成开始到析出50%(质量)混合液的时间。
3.7 混合比 mixing rate
泡沫液在泡沫混合液中的体积百分数。
3.8 高背压泡沫产生器 high back pressure foam generator
泡沫混合液通过此装置能吸入空气,产生低倍数泡沫,其出口具有一定的压力(表压)。
3.9 闭式泡沫-水喷淋系统 foam-water sprinkler systems
使用易熔或易碎热敏元件的闭式喷淋头(如洒水喷头)的泡沫-水喷淋系统,系统的管道至闭式喷淋头充满了空气、水或泡沫混合液,当热敏元件动作后,泡沫或水直接喷洒到保护区内。
4 分类和型号编制
4.1 分类
4.1.1 泡沫比例混合器(装置)
按照结构形式不同泡沫比例混合器(装置)可分为:
a)压力式比例混合装置;
b)平衡式比例混合装置;
c)环泵式比例混合器;
d)管线式比例混合器;
e)其他比例混合器(装置)。
4.1.2 泡沫产生装置
泡沫产生装置按照结构型式和性能不同可分为:
a)低倍数空气泡沫产生器;
b)高背压泡沫产生器;
c)泡沫钩管;
d)泡沫枪:
1)低倍数泡沫枪;
2)中倍数泡沫枪;
3)低倍数-中倍数联用泡沫枪;
e)泡沫炮:
1)泡沫炮;
2)泡沫-水两用炮;
f)泡沫喷头:
1)吸气型泡沫喷头;
2)非吸气型泡沫喷头;
g)中倍数泡沫产生器:
1)固定式中倍数泡沫产生器;
2)手提式(移动式)中倍数泡沫产生器;
h)高倍数泡沫产生器:
1)固定式高倍数泡沫产生器;
2)手提式(移动式)高倍数泡沫产生器。
4.1.3 泡沫灭火系统
a)按照发泡倍数不同泡沫灭火系统可分为:
1)低倍数泡沫灭火系统;
2)中倍数泡沫灭火系统;
3)高倍数泡沫灭火系统;
b)泡沫灭火系统按照固定方式不同分为:
固定式、半固定式、移动式泡沫灭火系统;
c)低倍数泡沫灭火系统按型式不同和性能不同可分为:
1)储罐区低倍数泡沫灭火系统:
按喷射形式可分为:
液上喷射泡沫灭火系统、液下喷射泡沫灭火系统、半液下喷射泡沫灭火系统;
2)泡沫喷淋系统、闭式泡沫-水喷淋系统、雨淋泡沫-水联用系统、泡沫-水喷雾系统:
闭式泡沫-水喷淋系统按型式不同可分为:湿式系统、干式系统和预作用系统;
3)泡沫枪炮系统;
4)泡沫消火栓系统。
4.2 型号编制
4.2.1 产品型号由类、组、特征代号与主参数组成。

4.2.2 泡沫设备的类别代号为P。
4.2.3 泡沫设备的类别代号、组别代号、特征代号及主参数的表示方法如表1。
表1

4.2.4 示例
PHYM32/55表示压力式比例混合装置,混合液流量32L/s,储罐为隔膜式,容积5.5m³。
PY8/30表示半固定式(轻便式)泡沫灭火装置,混合液流量8L/s,储罐容积30L。
5 要求
5.1 泡沫比例混合器(装置)
5.1.1 基本性能
5.1.1.1 外观和标志
a)泡沫比例混合器表面应无磕碰伤痕、裂纹等缺陷。
b)在泡沫比例混合器外壳明显位置,应以箭头标示水流方向。
c)泡沫比例混合器外壳明显位置上应设置清晰永久性标志牌,应至少标示有:产品名称、规格型号、产品编号、工作压力范围、流量范围、混合比、适用泡沫液类型、生产企业名称或商标等。
标志牌按照6.27进行盐雾腐蚀试验,试验后标志应清晰可识。
5.1.1.2 材料
与泡沫液或泡沫混合液直接接触的零部件应采用铜合金或耐腐蚀性能相类似的等同材料制造。
5.1.1.3 强度和密封要求
a)比例混合器按6.2进行强度试验,试验压力为最大工作压力的1.5倍,保持5min,任何部件应无结构损坏、永久变形和破裂。
b)比例混合器按6.3进行密封试验。试验压力为最大工作压力的1.1倍,保持5min,任何部件应无损坏变形和渗漏。
5.1.1.4 耐水冲击要求
比例混合器按6.4进行耐水冲击试验,各部件应无松动脱落、渗漏。
5.1.1.5 混合比要求
按6.6进行混合比试验,在生产商规定的工作压力范围、工作流量范围内混合比应符合表2中的规定。
表2

5.1.1.6 工作可靠性要求
存在活动部件(如弹簧、滑片等)的比例混合器按6.5进行工作可靠性试验,试验后比例混合器应工作正常,按6.6进行混合比试验,混合比应符合5.1.1.5的规定。
5.1.2 压力式比例混合装置
5.1.2.1 主要性能参数
主要性能参数应符合表3中的规定。
表3

5.1.2.2 强度要求
按6.2进行强度试验,试验压力为最大工作压力的1.25倍,保持15min,应无渗漏及变形。
5.1.2.3 泡沫液压力储罐
泡沫液压力储罐分为无隔膜泡沫液压力储罐和有隔膜泡沫液压力储罐。
a)泡沫液压力储罐的设计、制造应符合GB 150的规定。
b)泡沫液压力储罐上应设安全阀、排渣孔、进料孔、人孔和取样孔等。
c)泡沫液压力储罐连接形式和尺寸应符合GB/T 9112和GB/T 3098.1~3098.3的规定。
d)泡沫液压力储罐应采用耐腐蚀材料制造,采用钢罐时,其内壁应作防腐处理,与泡沫液直接接触的内壁或防腐层不应对泡沫液产生不利影响。
e)按6.2进行强度试验,试验压力为最大工作压力1.25倍,保持15min,应无渗漏及变形。
5.1.2.4 胶囊(隔膜)
a)外观
胶囊的外表应平滑,不允许有分层、裂纹等缺陷。
b)材料
胶囊应采用与泡沫液相适应的材料,并能耐泡沫液的腐蚀。
c)气密性要求
按6.8进行气密性试验,胶囊表面及各粘接处应无渗漏现象。
d)基本物理性能
按6.9进行试验,应满足以下要求:
1)最小拉伸强度不小于13.0MPa;
2)胶囊胶料(橡胶)的伸长率≥300%;
3)附着物(胶布)黏着力(N/25mm) ≥18;
4)附着物(胶布)扯断力(N/25mm)径向≥1000、纬向≥800。
e)耐热空气老化性能
按6.10进行热空气老化试验,试验后应满足以下要求:
1)最小拉伸强度不小于试验前的85%;
2)伸长率的降低不大于35%。
5.1.2.5 配套部件
压力式比例混合装置中的所选用的安全阀、单向阀、控制阀门、压力表以及连接管道的工作压力应不小于装置的最大工作压力。
a)安全阀
1)安全阀应开启灵活、工作可靠。
2)按6.11进行试验,安全阀最大开启压力应不大于装置最大工作压力的1.1倍。
b)单向阀
单向阀应符合5.3.2的规定。
c)控制阀门
控制阀门应符合5.3.3的规定。
5.1.3 环泵式比例混合器
5.1.3.1 主要性能参数
主要性能参数应符合表4的规定。
表4

5.1.3.2 真空密封要求
按6.12进行真空密封性能试验,1min内真空度下降值不应大于2.6kPa(20mmHg)。
5.1.3.3 吸液管要求
比例混合器吸液管上应设有防止水倒流入泡沫液储罐中的措施。
5.1.4 管线式比例混合器
5.1.4.1 主要性能参数
主要性能参数应符合表5的规定。
表5

5.1.4.2 跌落试验要求
按6.13进行跌落试验,比例混合器应无损坏。
5.1.4.3 吸液管要求
比例混合器吸液管上应设有防止水倒流入泡沫液储罐中的措施。
5.1.5 平衡式比例混合装置
5.1.5.1 主要性能参数
主要性能参数应符合表6的规定。
表6

5.1.5.2 泡沫液泵
a)泡沫液泵材料应能耐泡沫液腐蚀,可采用不锈钢材料。
b)泡沫液泵应在明显位置上作出清晰永久性标示,标示中应至少包括产品名称、型号规格、流量、工作压力、生产企业名称或商标等基本参数。
c)泡沫液泵的工作压力和流量应与比例混合装置的工作压力范围和流量范围相适应。
d)泡沫液泵应设备用泵,其规格型号应与工作泵相同,工作泵故障时应能自动(手动)切换到备用泵。
5.1.5.3 平衡阀
a)调节压差的要求
平衡阀自动调节的压差应保持恒定。
b)工作循环试验
按6.14进行工作循环试验,平衡阀应无损坏、变形。
c)强度要求
将平衡阀调节为规定的最大工作压差值按6.2进行强度试验,平衡阀应无损坏、永久变形等。
d)耐液体浸渍性能。
平衡阀按6.15进行耐泡沫液浸渍试验,试验后应启动灵活。
5.1.5.4 电磁阀
a)电磁阀应开启灵活,工作可靠。按6.16进行工作可靠性试验,电磁阀应工作可靠。
b)电磁阀工作电压范围应为额定电压-15%~额定电压+15%。
c)电磁阀应设手动开关或旁路。
d)电磁阀按6.15进行耐泡沫浸渍试验,试验后应启动灵活,工作可靠。
5.1.5.5 控制柜
a)控制柜应具有两路电源接线门,两路电源能自动(手动)切换供电。
b)控制柜应具有泡沫液泵启停状态显示。
c)控制柜的基本电气性能应符合GA 30.1-2002中5.6.3、5.6.5、5.6.6的要求。
5.1.5.6 运行可靠性要求
按6.18进行试验,装置在最大压力和最大流量下连续运行40min,应运行正常无故障。
5.2 泡沫产生装置
5.2.1 基本性能
5.2.1.1 标志
a)泡沫产生装置的明显位置应设置清晰永久性标志牌,应至少标示:产品名称、规格型号、工作压力范围、流量、生产企业名称和商标、产品编号等参数。
b)按照6.27进行盐雾腐蚀试验,试验后标志应清晰可识。
5.2.1.2 外观
5.2.1.2.1 钣金件、冲压件表面应无重皮、明显机械损伤与凹凸不平等缺陷。
5.2.1.2.2 焊接件焊缝应均匀,无裂纹、烧穿、咬边等缺陷。
5.2.1.2.3 锻铸件表面应无重皮和结疤。
5.2.1.2.4 镀层和涂层应色泽均匀、无剥落、气泡、划伤等缺陷。
5.2.1.3 材料
5.2.3.1 与泡沫液相接触的零部件应采用耐腐蚀材料或作防腐处理,采用其他材料应按照GB 16669-1996中5.6进行盐雾腐蚀试验,试验后零部件应无腐蚀损坏。
5.2.1.4 连接型式和尺寸
连接型式和尺寸应符合GB/T 9112和GB/T 3098.1~3098.3的规定,其他的连接型式和尺寸应符合相应国家标准的要求。
5.2.1.5 流量系数
按6.19进行流量系数试验,实测流量系数K与产品公布值的偏差不超过±5%。
流量系数用下式计算:

式中:
Q——流量,单位为升每分钟(L/min);
P——压力,单位为兆帕(MPa)。
5.2.2 低倍数空气泡沫产生器
5.2.2.1 主要性能参数
主要性能参数应符合表7的要求。
表7

5.2.2.2 耐水冲击要求
按6.23进行耐水冲击试验,在压力为最大工作压力1.1倍的水压下,连续冲击10min,产生器应无松动、损坏等。
5.2.2.3 导流板性能
a)导流板应采用熔点高于800℃的耐高温材料。
b)泡沫经导流板后应沿壁流下,不得有明显离壁现象。
5.2.2.4 密封玻璃性能
按6.21进行密封玻璃性能试验,应符合如下要求:
a)密封玻璃在正压0.03MPa,负压0.01MPa气压下,不得有漏气现象。
b)密封玻璃在0.10MPa~0.30MPa水压下应能破碎,残留的环形部分应与管路内径一致,不得有残留的突边。
5.2.3 高背压泡沫产生器
5.2.3.1 外观
高背压泡沫产生器外壳明显位置上应以箭头标示水流方向。
5.2.3.2 主要性能参数
高背压泡沫产生器应采用氟蛋白泡沫液、水成膜泡沫液或成膜氟蛋白泡沫液进行试验,其主要性能参数应符合表8的规定。
表8

5.2.3.3 背压要求
高背压泡沫生产器进行发泡倍数试验时,在设定工作压力下的背压值应能保持在进口压力的25%~30%。
5.2.3.4 配套部件
出口侧应设置压力表,精度等级应不低于2.5级,并应设置背压调节阀。
5.2.3.5 移动式高背压泡沫产生器
移动式高背压泡沫产生器除应满足5.2.3.1~5.2.3.4的要求外,还应满足下列要求:
a)接口型式和尺寸应符合GB 12514的要求。
h)跌落试验要求
按6.13进行跌落试验,试验后应无损坏。
5.2.4 泡沫喷头
非吸气型泡沫喷头应符合相应标准的要求。非吸气型泡沫喷头应采用水成膜泡沫液进行试验。吸气型泡沫喷头应符合以下性能要求。
5.2.4.1 标志
喷头的明显位置上应设置清晰永久性标志牌,应至少标示有:产品名称、工作压力范围、流量、覆盖半径、最大安装高度、生产企业名称或商标等。
5.2.4.2 主要性能参数
主要性能参数应符合表9的规定
表9

5.2.4.3 覆盖半径要求
喷头按6.22进行试验,测得的半径值与产品公布值的偏差不得超过-10%。
5.2.4.4 耐水冲击要求
喷头按6.23进行耐水冲击试验,在压力为最大工作压力1.1倍的水压下连续喷射10min,喷头应无损坏,松动。
5.2.4.5 耐高温性能
喷头按6.24进行高温试验,试验后,不得发生严重变形和损坏。
5.2.4.6 耐应力腐蚀性能
喷头按6.25进行应力腐蚀试验,试验后任何部件不得出现影响功能的裂纹脱层和破损。
5.2.4.7 耐二氧化硫腐蚀性能
喷头按6.26进行二氧化硫腐蚀试验,试验后喷头各部位应无明显的腐蚀损坏。
5.2.4.8 耐盐雾腐蚀性能
喷头按6.27进行盐雾腐蚀试验,试验后各部位应无明显的腐蚀损坏。
5.2.4.9 灭火性能
喷头按6.28进行灭火试验应符合下列要求:
a)喷射的泡沫层必须完全覆盖燃料表面;
b)泡沫喷射结束前火应完全熄灭;
c)灭火后泡沫覆盖的燃料不得复燃、烛烧或闪燃。
5.2.4.10 跌落试验要求
喷头按6.13进行跌落试验,应无损坏、松动。
5.2.5 泡沫钩管
5.2.5.1 标志
在泡沫钩管明显位置上应设置清晰永久性标志牌,应至少标示有:产品名称、规格型号、工作压力范围、流量、发泡倍数、生产企业名称或商标、产品编号等。
5.2.5.2 连接型式和尺寸
连接型式和尺寸应符合GB 12514的规定,如采用其他类型的连接型式应符合相应国家标准的要求。
5.2.5.3 主要性能参数
主要性能参数应符合表10的规定。
表10

5.2.5.4 防倾倒性能
泡沫钩管按6.29进行防倾倒试验,应无倾倒脱离罐壁现象。
5.2.6 泡沫炮
5.2.6.1 标志
泡沫炮明显位置上应设置清晰永久性标志牌,应至少标示有:产品名称、工作压力范围、流量、射程、回转角、俯角、仰角、混合比范围(带自吸装置的泡沫炮)、生产企业名称或商标、产品编号等。
5.2.6.2 连接型式和尺寸
连接型式和尺寸应符合GB 12514、GB/T 9112的规定,如采用其他类型的连接型式应符合相关标准的规定。
5.2.6.3 主要性能参数
主要性能参数应符合表11的规定。
表11

5.2.6.4 转动要求
按6.30进行试验,泡沫炮的水平回转角、仰角、俯角、回转速度均不应低于产品公布值。
5.2.6.5操作性能
按6.30进行试验,泡沫炮转动、升降俯仰应灵活、无卡阻现象,各控制手柄(轮)应操作灵活,传动机构应安全可靠,泡沫炮的俯仰回转机构应具有自锁功能或设锁紧装置。
5.2.6.6 喷射稳定性能
按6.31.2进行喷射试验,泡沫炮在整个水平回转角范围内作最小仰角喷射时应稳定可靠,不得有滑移和倾翻现象。
5.2.6.7 电控器
电控器的耐电压和绝缘性能应符合GB/T 14048.1的规定。
5.2.6.8 强度和密封要求
a)泡沫炮的受压部分(炮筒除外)按6.3进行密封试验,试验压力为最大工作压力的1.1倍,保持5min,各连接部件应无渗漏现象。
b)泡沫炮的受压部分(炮筒除外)按6.2进行强度试验,试验压力为最大工作压力的1.5倍,保持5min,炮体不得有冒汗、裂纹及永久变形等现象。
5.2.7 泡沫枪
5.2.7.1 标志
泡沫枪的明显位置上应设置清晰永久性标志牌,至少应标示:产品名称、工作压力、射程、流量、产品编号、生产企业名称或商标等。
5.2.7.2 接口型式和尺寸
接口型式和尺寸应符合GB 12514的规定。
5,2.7.3 主要性能参数
主要性能参数应符合表12的规定。
表12

5.2.7.4 低倍数中倍数联用泡沫枪的要求
低倍数中倍数联用泡沫枪,应明确标示出切换(低倍数、中倍数)的位置,切换应可靠。
5.2.7.5 自吸式泡沫枪的要求
自吸式泡沫枪的混合比应符合5.1.1.5的规定,并在吸液管路上应设有防止倒流的装置。
5.2.7.6 耐水冲击要求
按6.23进行耐水冲击试验,在最大工作压力1.1倍的压力下连续喷射10min,应无松动、结构损坏。
5.2.7.7 强度与密封要求
a)泡沫枪按6.3进行密封试验,试验压力为最大工作压力的1.1倍,保持5min,各连接部位应无渗漏现象。
b)泡沫枪按6.2进行强度试验,试验压力为最大工作压力的1.5倍,保持5min,枪体不得有出汗、裂纹及永久变形等现象。
5.2.7.8 跌落试验要求
泡沫枪按6.13进行跌落试验,应无损坏松动。
5.2.7.9 耐盐雾腐蚀要求
按6.27进行盐雾腐蚀试验,试验后枪体应无明显的腐蚀损坏。
5.2.7.10 非金属件性能要求
采用非金属件(如PVC塑料)的枪筒,非金属材料应符合相应国家标准的要求。
5.2.8 中倍数泡沫产生器
5.2.8.1 标志
中倍泡沫产生器的明显位置上应设置清晰永久性标志牌,应至少标示有:产品名称、工作压力、流量范围、生产企业名称或商标、产品编号等。
5.2.8.2 连接型式和尺寸
连接型式和尺寸应符合GB/T 9112和GB/T 3098.1~3098.3的规定,采用其他的连接形式应符合相应国家标准的规定。
5.2.8.3 材料
中倍数泡沫产生器中与泡沫液或泡沫混合液直接接触的部件如壳体、发泡网、喷嘴等应采用耐腐蚀材料或作相应的防腐处理。
5.2.8.4 主要性能参数
主要性能参数应符合表13的规定。
表13

5.2.8.5 耐水冲击要求
按6.23进行耐水冲击试验,在最大工作压力1.1倍的压力下连续喷射10min,产生器应无松动、损坏。
5.2.8.6 手提式(移动式)中倍数泡沫产生器
a)接口型式和尺寸
接口型式和尺寸应符合GB 12514的要求。
b)跌落试验要求
按6.13进行跌落试验,应无损伤。
5.2.9 高倍数泡沫产生器
5.2.9.1 标志
在高倍数泡沫产生器明显位置上应设置清晰永久性标志牌,应至少标示有:产品名称、工作压力范围、流量、生产企业名称或商标、产品编号等。
5.2.9.2 材料
高倍数泡沫产生器中与泡沫液或泡沫混合液直接接触的部件如壳体、发泡网、喷嘴等应采用耐腐蚀材料或作相应的防腐处理。
5.2.9.3 主要性能参数
主要性能参数应符合表14的规定。
表14

5.2.9.4 耐水冲击要求
按6.23进行耐水冲击试验,在最大工作压力1.1倍的压力下连续喷射10min,产生器应无松动、结构损坏现象。
5.2.9.5 叶轮的超转速要求
水轮驱动式高倍数泡沫产生器按6.33进行叶轮的超转速试验,叶轮及其连接装配部分应无任何影响机械强度的松动和损坏。
5.2.9.6 叶轮的静平衡要求
按6.34进行试验,叶轮的最大不平衡重量不应大于5g。
5.2.9.7 手提式(移动式)高倍数泡沫生产器
a)接口型式和尺寸
接口型式和尺寸应符合GB 12514的规定。
b)跌落试验要求
按6.13进行跌落试验,应无损坏。
5.3 系统的其他部件和附件
5.3.1 泡沫消火栓
5.3.1.1 标志
应在泡沫消火栓壳体明显位置上设置清晰的永久性标志牌,应至少标示有:产品名称、规格型号、结构形式、生产企业名称或商标等参数。
5.3.1.2 外观
泡沫消火栓铸件表面应无重皮和结疤。涂层和镀层应均匀、无龟裂、剥落、明显流痕、气泡、划伤、锈斑等缺陷。
5.3.1.3 接口型式和尺寸
泡沫消火栓的接口和连接螺纹应符合GB 12514的规定。
5.3.1.4 材料
泡沫消火栓的零部件应采用耐腐蚀材料制造。
5.3.1.5 强度要求
泡沫消火栓按6.2进行强度试验,试验压力为2.4MPa,保持5min,任何部件不得产生结构损坏、永久变形、破裂和渗漏。
5.3.1.6 密封要求
泡沫消火栓按6.3进行密封试验,试验压力为1.2MPa,保持5min,部件的任何部分应无损坏、变形和渗漏。
5.3.1.7 压力损失
按6.35进行压力损失试验,泡沫消火栓在流速2.5m/s条件下,因水力摩阻而产生的压力损失不应大于0.02MPa。
5.3.1.8 耐液体浸渍性能
泡沫消火栓按6.15进行耐泡沫液浸渍试验后,启动应灵活并符合5.3.1.6密封要求。
5.3.2 单向阀
5.3.2.1 材料
应用于泡沫液或泡沫混合液输送管路上的单向阀,材料应为不锈钢或铜合金等耐腐蚀材料。
5.3.2.2 外观
单向阀上应设置清晰永久性标志牌,至少应标示出产品名称、规格型号、工作压力,水流方向、生产企业名称或商标等。
5.3.2.3 强度要求
单向阀按6.2进行强度试验,试验压力为最大工作压力的1.5倍,保持5min,任何部件不应产生结构损坏、永久变形和破裂等。
5.3.2.4 反向密封要求
单向阀按6.36进行反向密封试验,试验压力分别为1.20 MPa和0.015MPa保持5min,单向阀进口处应无泄漏。
5.3.2.5 开启压力要求
单向阀按6.37进行开启压力试验,正向开启压力不应大于0.15MPa。
5.3.2.6 耐液体浸渍性能
应用于泡沫液或泡沫混合液输送管路上的单向阀按6.15进行耐泡沫液浸渍试验后,应启动灵活并符合5.3.2.4反向密封要求。
5.3.2.7 耐盐雾腐蚀试验
按照GB 16669-1996中5.6进行盐雾腐蚀试验,试验后单向阀应启动灵活并符合5.3.2.4反向密封要求。
5.3.3 控制阀门
5.3.3.1 材料
与泡沫液或泡沫混合液相接触的控制阀门应采用耐腐蚀材料,如铜合金或不锈钢等。
5.3.3.2 强度要求
控制阀门按6.2进行强度试验,试验压力为最大工作压力的1.5倍,保持5min,任何部件不应产生结构损坏,永久变形和破裂。
5.3.3.3 密封要求
控制阀门按6.3进行密封试验,试验压力为最大工作压力的1.1倍,保持5min,任何部件不应出现渗漏现象。
5.3.4 过滤器
5.3.4.1 外观
管道过滤器的外表面应平整,过流表面应光滑。
5.3.4.2 耐液体浸渍性能
过滤器应采用耐腐蚀材料,按6.15进行耐泡沫液浸渍试验后不应产生明显的腐蚀损伤。
5.3.4.3 压力损失
按6.35进行压力损失试验,在平均流速2.5m/s条件下,因水力摩阻而产生的压力损失不应大于0.07 MPa。
5.3.5 连接软管
5.3.5.1 外观
连接软管的外表面应无破损、划伤、可见裂纹和局部隆起。
5.3.5.2 连接型式和尺寸
连接软管的连接型式和尺寸应符合GB/T 9112、GB/T 3098.1~3098.3的规定。
5.3.5.3 强度要求
连接软管按6.2进行强度试验,试验压力为最大工作压力的1.5倍,保持5min,软管的任何部分应无损坏、明显变形和渗漏。
5.3.5.4 密封要求
连接软管按6.3进行密封试验,试验压力为最大工作压力的1.1倍,保持5min,应无渗漏。
5.3.5.5 耐热空气老化性能
非金属(橡胶)连接软管按6.10进行热空气老化试验后不应出现可见的裂纹,试验后应符合5.3.5.4密封要求。
5.3.5.6 耐液体浸渍性能
连接软管按6.15进行耐泡沫液浸渍试验后不应出现可见的裂纹,试验后应符合5.3.5.4密封要求。
5.3.5.7 耐油品浸渍性能
与油品接触的连接软管按6.38进行耐油品浸渍试验,连接软管不应膨胀,试验后应符合5.3.5.4密封要求。
5.3.6 控制盘、控制柜
泡沫系统中的控制盘、控制柜应符合GA 61-2002中的规定。
5.3.7 常压泡沫液储罐
5.3.7.1 材料
泡沫液储罐应采用耐腐蚀材料或作防腐处理,与泡沫液直接接触的内壁或防腐层不应对泡沫液的性能产生不利影响。
5.3.7.2 结构
泡沫液储罐上应设液面计、排渣孔、进料孔、人孔、取样口、呼吸阀或带控制阀的通气孔等。
5.3.7.3 耐高温性能
对于应用在高倍数全淹没系统的常压罐按6.39进行试验,罐内灭火剂温升不应超过15℃。
5.4 半固定式(轻便式)泡沫灭火装置
5.4.1 构成
半固定式(轻便式)泡沫灭火装置主要由泡沫产生器(泡沫枪)、比例混合器、水带、泡沫液储罐等构成。
5.4.2 外观
5.4.2.1 钣金件、冲压件表面应无重皮、皱纹、明显机械损伤和凹凸不平等缺陷。
5.4.2.2 焊接件焊缝应均匀,无裂纹、烧穿、咬边等缺陷。
5.4.2.3 锻铸件表面应无重皮和结疤。
5.4.2.4 镀层和涂层应色泽均匀,无龟裂、剥落、明显流痕、气泡、划伤等缺陷。
5.4.3 标志
在装置的明显位置上应设置清晰永久性标志牌,应至少标示有:产品名称、工作压力范围、喷射距离、有效喷射时间、适用泡沫液类型、生产厂家名称或商标等。
5.4.4 主要性能参数
5.4.4.1 装置中的泡沫产生器(如泡沫枪)应符合5.2中的规定。
5.4.4.2 比例混合器应符合5.1.4的规定。
5.4.4.3 按6.40进行喷射时间试验,连续喷射时间应不小于产品的公布值。
5.4.5 耐水冲击要求
按6.23进行耐水冲击试验,装置在最大工作压力下连续工作10min应无松动损坏。
5.4.6 运动性能要求
轻便式灭火装置按6.41进行运动性能试验,试验后应无损坏。
5.5 泡沫消火栓箱
5.5.1 构成
泡沫消火栓箱主要由箱体、比例混合器、泡沫喷枪、泡沫液罐、软管卷盘(消防水带)、消火栓等构成。
5.5.2 标志
在泡沫消火栓箱明显位置上应设置清晰永久性标志牌,至少应标示:产品名称、适用灭火剂类型、喷射距离、生产企业名称或商标等。
5.5.3 配套部件
5.5.3.1 箱体应符合GB 14561-2003中5.10.1、5.10.2.2~5.10.2.4、5.11~5.13的规定。
5.5.3.2 消防水带应符合GB 4580或GB 6246的规定。
5.5.3.3 消防卷盘应符合GB 15090的规定。
5.5.3.4 消火栓应符合GB 3445的规定。
5.5.3.5 比例混合器应符合5.1.4中的规定。
5.5.3.6 泡沫液储罐应符合5.3.7.1的规定。
5.5.4 主要性能参数
主要性能参数应符合表15的规定。
表15

5.5.5 耐水冲击要求
按6.23进行耐水冲击试验,在最大工作压力下连续喷射10min,应无松动、损坏。
5.6 泡沫灭火系统
5.6.1 系统构成
系统主要由比例混合装置(器)、泡沫产生器(泡沫枪、泡沫炮、低中高倍数泡沫产生器、泡沫喷头等)、泡沫消防水泵、泡沫混合液泵、泡沫液泵等组成。
系统中的各部件应是经国家检验中心检验合格的产品。
5.6.2 基本要求
本标准中主要对闭式泡沫-水喷淋系统作了要求,其他的灭火系统应符合下列要求和各组成部件的性能要求。
各部件组成的系统应工作稳定可靠,相互匹配,部件应选用合理。
系统中所使用的泡沫液应符合GB 15308的规定。
系统中的泡沫液泵、泡沫混合液管道、泡沫管道、泡沫液储罐、泡沫比例混合器、泡沫产生器应涂红色。泡沫消防泵、给水管道涂绿色(可用相应的色带或色环标示)。
5.6.3 闭式泡沫-水喷淋系统
5.6.3.1 组成
闭式泡沫-水喷淋系统由泡沫液储罐、闭式喷琳头(如闭式洒水喷头)、泡沫比例混合装置(如压力式比例混合装置、平衡式比例混合装置)、报警阀(如湿式报警阀、干式报警阀、预作用装置)、控制盘、过滤器或其他附件(如泡沫液控制阀、压力泄放阀、电磁阀等)和管件等组成。
5.6.3.2 外观和标志
a)锻件表面应平整,无气孔、砂眼、重皮、疏松、浇注不足等缺陷。
b)油漆件漆膜色泽应均匀,不应有龟裂、剥落、气泡、严重划痕和碰伤等。
c)管件、管道表面应无裂纹、缺损等缺陷。
d)灭火系统明显位置上应有清晰、永久性标志,至少应包括产品名称、流量、生产厂家、适用泡沫灭火剂等。
5.6.3.3 配套部件
系统中选用的各部件包括:泡沫液储罐、闭式喷淋头、压力式比例混合装置、平衡式比例混合装置、控制盘、过滤器、电磁阀、管件等应符合本标准中相应的规定。湿式报警阀、干式报警阀、预作用装置应符合相关标准的规定。
5.6.3.4 系统的运行可靠性
系统按6.44进行试验,系统应工作正常无故障,混合比应符合5.1.1.5的规定。
5.6.3.5 带有泡沫液控制阀、压力泄放阀的闭式泡沫-水喷淋系统
对采用了泡沫液控制阀、压力泄放阀、压力式比例混合装置和湿式报警阀的闭式泡沫-水喷淋系统,其除应符合5.6.3.1~5.6.3.4的规定外还应满足如下要求:
a)泡沫液控制阀和压力泄放阀
1)材料
阀体和阀盖材料耐腐蚀性能不应低于青铜,连接件和滑动件应采用铜合金或不锈钢等耐腐蚀材料制成。
2)强度要求
按6.2进行强度试验,试验压力为最大工作压力的1.5倍,保持5min,阀体不得有损坏渗漏或明显变形。
3)密封要求
泡沫液控制阀、压力泄放阀分别以0.10MPa、0.14MPa、0.70MPa、1.20MPa的水压按6.3进行密封性能试验,分别保持5min,泡沫液控制阀的放液口、压力泄放阀的释液口应无渗漏现象。
4)工作循环试验
按6.42进行工作循环试验,泡沫液控制阀、压力泄放阀连续进行1000次工作循环,试验后阀应开启正常。
5)压力泄放阀开启压力要求
按6.11进行试验压力泄放阀的开启压力不得大于0.05MPa。
6)功能试验
按6.43进行功能试验时,压力泄放阀开启后,泡沫液控制阀应自动开启;压力泄放阀关闭后,泡沫液控制阀应自动关闭。
7)耐泡沫液浸渍性能
泡沫液控制阀按6.15进行耐泡沫液浸渍试验后,阀门应开启灵敏可靠。
b)混合比
在比例混合装置的规定压力范围和流量范围内,混合比应符合5.1.1.5的规定,在流量为4L/s,进口压力为比例混合装置工作压力,混合比应符合5.1.1.5的规定。
c)系统的功能试验
系统按6.43进行功能试验,湿式报警阀入口压力分别为0.14 MPa、0.70MPa、1.20MPa,系统出口侧相应以60L/min、80L/min、170L/min的流量放水,0s-60s之内压力泄放阀应自动开启,同时泡沫液控制阀自动开启,系统停止放水后0s~60s之内压力泄放阀应自动关闭。
6 试验方法
6.1 外观检验
6.1.1 泡沫系统部件的各种标志应齐全并符合要求。
6.1.2 目测或用量具检查部件。检查结果应符合5.1.1.1、5.1.5.2b)、 5.2.1.1a)、5.1.2.4a)、5.2.1.2、5.2.3.1、5.2.4.1、5.2.5.1、5.2.6.1、5.2.7.1、5.2.8.1、5.2.9.1、5.3.1.1、5.3.1.2、5.3.2.2、5.3.4.1、5.3.5.1、5.4.2、5.5.2、5.6.2、5.6.3.2的规定。
6.2 强度试验
将部件安装在试验管网上,用闷盖堵塞其余开孔,排除管网中的空气,使管网充满水,然后加压。压力从零开始,以不超过0.2MPa/s的速率升压到最高工作压力的1.5倍或规定的试验压力值,保持5min或规定的试验时间,结果应符合5.1.1.3a)、5.1.2.2、5.1.2.3e)、5.1.5.3c)、5.2.6.8b)、5.2.7.7b)、5.3.1.5、5.3.2.3、5.3.3.2、5.3.5.3、5.6.3.5a)2)的规定。
6.3 密封试验
将部件安装在试验管网上,用闷盖堵塞其余开孔,排除管网中的空气使管网充满水,然后加压。压力从零开始以不超过0.2MPa/s的速率升压到规定的试验压力值,保持5min或规定的试验时间。结果应符合5.1.1.3b)、5.2.6.8a)、5.2.7.7a)、5.3.1.6、5.3.3.3、5.3.5.4、5.6.3.5a)3)的规定。
6.4 比例混合器耐水冲击试验
将比例混合器安装在试验管网上,将进口压力和流量调节到最大值,连续工作10min,结果应符合5.1.1.4的规定。
6.5 比例混合器工作可靠性试验
使比例混合器中的活动部件(如弹簧、滑片等)在其工作位移内连续工作(如伸缩、滑动)1000次,试验后应符合5.1.1.6的规定。
6.6 混合比试验
6.6.1 将泡沫比例混合器按正常使用状态安装在试验管网上,进口管网直管段长度不小于泡沫比例混合器直径的10倍,出口管网直管段长度不小于泡沫比例混合器直径的5倍,压力表精度不低于1.5级。
6.6.2 以标准混合比数值为中心,用容量瓶至少配备五种混合比的混合液标准样,将其各自搅拌均匀后,采用析光仪、导电仪或其他有效的仪器读取数值。
6.6.3 调节泡沫比例混合器的进口压力及流量达到规定值,稳定后开启泡沫液阀,混合液喷出后取样。在析光仪、导电仪或其他有效的仪器上读取数值并与混合液标准样对照,求得混合比,结果应符合5.1.1.5的规定。试验分别在最小、中间、最大进口压力下以及最小流量值、中间流量值、最大流量值条件下进行。
6.6.4 允许采用其他合适的试验方法测定混合比。
6.7 比例混合器压力损失试验
试验在比例混合器正常工作压力范围内进行,流量从最小值依次增加到最大值,试验点应不少于5个。调节泡沫比例混合器的进口压力及流量达到规定值,稳定后读取比例混合器进口压力与出口压力值,依下式计算:

式中:
△P——压力降,单位为兆帕(MPa);
P1——进水口压力,单位为兆帕(MPa);
P2一一混合液出口压力,单位为兆帕(MPa)。
根据试验结果绘制流量-压力损失曲线,应符合5.1.2.1、5.1.5.1的规定。
6.8 胶囊气密性试验
胶囊中充空气或氮气,试验气压按表16的规定,外表面全部用检漏液(或中性肥皂水)检漏,观察15min,结果符合5.1.2.4c)的规定。
表16

6.9 胶囊物理性能试验
按GB/T 528和HG/T 2580的规定进行试验,结果应符合5.1.2.4d)的规定。
6.10 橡胶件热空气老化试验
按GB/T 3512的规定进行热空气老化试验,试验后将试件在23℃±2℃的环境下放置4 h~96h,然后按GB/T 528的规定进行试验,结果应符合5.1.2.4e)、5.3.5.5的规定。
6.11 安全阀和压力泄放阀开启压力试验
将安全阀或压力泄放阀安装在试验管网上,缓慢加压至安全阀或压力泄放阀开启,试验结果应符合5.1.2.5a)、5.6.3.5a)5)的规定。
6.12 环泵式比例混合器真空密封试验
将比例混合器入口与真空泵相连接,封闭其他开口。开启真空泵抽真空9×104Pa关闭真空泵,测定1min内真空度下降值,结果应符合5.1.3.2的规定。
6.13 跌落试验
将泡沫灭火系统部件从1m高处自由跌落至平整的水泥地面上,然后检查,结果应符合5.1.4.2、5.2.3.5b)、5.2.4.10、5.2.7.8、5.2.8.6b)、5.2.9.7b)的规定。
6.14 平衡阀的工作循环试验
将平衡阀安装在试验管网中,进口压力为阀的最大工作压力,调节压差值为规定的最大压差值,反复加压工作1000次,试验结果应符合5.1.5.3b)的规定。
6.15 耐泡沫液浸渍试验
将试件浸没在温度为70℃±5℃的试验液体中。试验液体为产品适用的泡沫液或泡沫混合液。历时7d。试验后将试件置于22℃±1℃的同样液体中历时30min,结果应符合5.1.5.3d)、5.1.5.4d)、5.3.1.8、5.3.2.6、5.3.4.2、5.3.5.6、5.6.3.5a)7)的规定。
6.16 电磁阀工作可靠性试验
电磁阀连续通电开关100次,试验后在额定工作电压±15%下各进行5次通电开关试验,试验结果应符合5.1.5.4a)、b)的规定。
6.17 控制柜基本性能试验
按照GA 30.1-2002中6.7.2、6.7.3、6.7.4进行试验,应符合5.1.5.5的要求。
6.18 平衡式比例混合装置运行可靠性试验
装置在规定的压力和流量下连续运行40min,应符合5.1.5.6的规定。
6.19 流量系数测定
试验的环境温度在5℃~30℃之间,试验水温度为5℃~35℃,泡沫液温度在泡沫液规定的范围内。
6.19.1 将泡沫系统部件安装在专用试验装置上,试验采用净水或泡沫混合液,进口压力分别为额定范围内大、中、小3个或3个以上适当数值。
6.19.2 按5.2.1.5规定的公式进行计算,流量系数K的平均值应符合5.2.1.5的规定。
6.20 发泡倍数和析液时间测定
6.20.1 将泡沫产生器、泡沫枪、泡沫炮、泡沫喷头等试件按正常工作位置安装在试验管网中,调整压力、流量,使其稳定在规定值上,应在产品规定的最小、最大和额定工作压力下进行试验。
6.20.2 低倍数泡沫产生器
6.20.2.1 试验采用净水,泡沫液和水的温度应在20℃±5℃范围内。试验可采用蛋白泡沫液、氟蛋白泡沫液、成膜氟蛋白泡沫液、水成膜泡沫液和抗溶性泡沫液等。
6.20.2.2 启动试验系统,使通过泡沫产生器的泡沫喷射在泡沫接受器(见图1)中心位置,待喷射稳定后用析液测定器(见图2)接受泡沫,同时启动秒表计时,接满后立即用刮板刮平。
6.20.2.3 除去析液测定器外泡沫,称重(M2)并计算25%析液质量。

式中:
M3一一25%析液质量,单位为克(g);
M2一一析液测定器装满泡沫时的质量,单位为克(g);
M1一一析液测定器质量,单位为克(g)。
6.20.2.4 取出析液测定器下方的析液接收罐放在秤量器上,泡沫收集罐放在支架上,保持析出液滴落在析液接收罐中,当析出液体为M3停止计时,记录25%析液时间,称重精确到克。结果应符合5.2.2.1、5.2.3.2、5.2.4.2、5.2.5.3、5.2.6.3、5.2.7.3、5.5.4的规定。
6.20.2.5 计算发泡倍数

式中:
N——发泡倍数,倍;
V——析液测定器的泡沫接收罐容积,单位为毫升(mL);
M1——析液测定器的质量,单位为克(g);
M2——析液测定器装满泡沫时的质量,单位为克(g);
ρ——泡沫混合液密度,取1g/mL。
6.20.2.6 试验分别在最小、额定、最大进口压力下进行。结果应符合5.2.2.1、5.2.3.2、5.2.4.2、
5.2.5.3、5.2.6.3、5.2.7.3、5.5.4的规定。
6.20.2.7 液下喷射泡沫产生器应在产生器下方或打开旁路发门接收泡沫,同时在试验过程中检查其背压值应符合5.2.3.3的规定。
6.20.3 中倍数泡沫产生器试验
6.20.3.1 试验采用净水,泡沫液和水的温度应在20℃±5℃范围内。
6.20.3.2 启动水泵,开启阀门,待发生器喷射泡沫稳定后,用筒形析液测定器接收泡沫,同时启动秒表计时。析液测定器尺寸见图3。
6.20.3.3 计算析液时间
除去析液测定器外泡沫,称重(M2)并计算50%析液质量。

式中:
M3——50%析液质量,单位为克(g);
M2——析液测定器装满泡沫时的质量,单位为克(g);
M1——析液测定器质量,单位为克(g)。
6.20.3.4 计算发泡倍数
按6.20.2.5、6.20.2.6进行试验并测定发泡倍数,结果应符合5.2.7.3、5.2.8.4的规定。
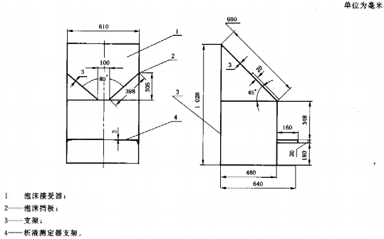
图1 低倍泡沫收集器示意图

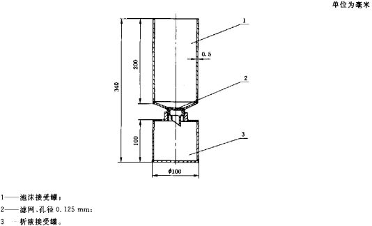
图2 低倍泡沫析液测定器示意图

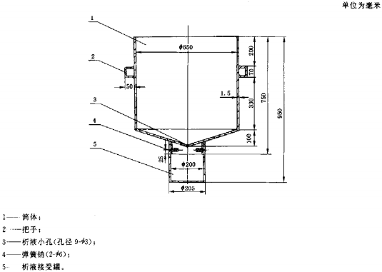
图3 中倍泡沫析液测定器示意图

6.20.4 高倍数泡沫产生器
6.20.4.1 试验采用净水,泡沫液和水的温度应在20℃±50℃范围内。
6.20.4.2 启动水泵,开启阀门,待产生器喷射泡沫稳定后,记录泡沫混合液的流量,并用筒形接收器接收泡沫,同时启动秒表计时。筒形析液测定器尺寸见图4。
6.20.4.3 按6.20.3.3测定50%析液时间,结果应符合5.2.9.3的规定。
6.20.4.4 发泡倍数的测定
启动试验系统,待喷射泡沫稳定后用泡沫接受网接受泡沫,用秒表记录泡沫充满的时间(t),泡沫接受网的容积(V)不应小于80m³。

式中:
N——发泡倍数,倍;
V——泡沫接受网容积,单位为立方米(m³);
Q——泡沫混合液流量,单位为升每分钟(L/min) ;
t——泡沫充满接受网的时间,单位为秒(s)。
图4 高倍泡沫析液测定器示意图

试验分别在最小、额定、最大工作压力下进行。结果应符合5.2.9.3的规定。
6.20.4.5 发泡量的测定
按6.20.4.1~6.20.4.4在最小、额定、最大工作压力下进行试验测定发泡量(L),试验结果应符合5.2.9.3的规定。

式中:
L一一每分钟发泡量,单位为立方米每分钟(m³/min);
V一一泡沫接受网体积,单位为立方米(m³);
t一一泡沫充满接受网的时间,单位为秒(s)。
6.21 密封玻璃性能试验
6.21.1 将装好密封玻璃的泡沫产生器安装在专用试验装置上,充以0.03MPa的气压。关闭进气阀门,保持10min。检查压力变化,应符合5.2.2.4a)的规定。
6.21.2 将试验系统抽至0.01MPa负压时,关闭抽气阀,保持10min。检查压力变化,应符合5.2.2.4a)的规定。
6.21.3 启动试验泵缓慢升压,仔细观察。密封玻璃损坏时记录泡沫产生器前的压力,并检查密封玻璃残留部分,结果应符合5.2.2.4b)的规定。
6.22 喷头覆盖半径试验
将泡沫喷头安装在试验管网上,安装高度为生产商规定的最大安装高度(或生产商推荐的安装高度),调节进口压力达到喷头额定工作压力。喷洒2min,测量喷洒半径值,结果应符合5.2.4.3的规定。
6.23 耐水冲击试验
将试验部件安装在试验管网上,调节进口压力为规定的试验压力,连续喷水10min。结果应符合5.2.2.2、5.2.4.4、5.2.7.6、5.2.8.5、5.2.9.4、5.4.5、5.5.5的规定。
6.24 高温试验
泡沫喷头按GB 5135.1-2003中7.17进行高温试验,结果应符合5.2.4.5的规定。
6.25 氨应力腐蚀试验
泡沫喷头按GB 5135. 1-2003中7.19进行氨应力腐蚀试验,试验结果应符合5.2.4.6的规定。
6.26 二氧化硫腐蚀试验
部件按GB 5135.1-2003中7.20进行二氧化硫腐蚀试验,试验结果应符合5.2.4.7的规定。
6.27 盐雾腐蚀试验
部件按GB 5135.1-2003中7.21进行盐雾腐蚀试验,试验结果应符合5.1.1.1c)、5.2.1.1b)、
5.2.4.8、5.2.7.9的规定。
6.28 灭火试验
6.28.1 将四只泡沫喷头按正方形安装在试验管网上,喷头的安装高度为生产商提供的最大安装高度,喷头间距为(生产商提供的喷头保护面积)0.5,泡沫混合液的供给强度不大于8 L/min·㎡(对水成膜泡沫液,供给强度不大于6.5L/min·㎡),管网与泡沫混合液供给管路相接,应使用相对应的泡沫液配制混合液。
6.28.2 将尺寸为2.15m×2.15m,深度不小于280mm的方形钢制油盘置于四只喷头的中央正下方,油盘中先注入25mm深的水,再加入40mm深的90号汽油。
6.28.3 调节喷口压力到额定工作压力,引燃燃料并预燃30s后启动喷头喷洒泡沫,连续喷洒5min,结果应符合5.2.4.9的规定。
6.29 泡沫钩管防倾倒试验
将泡沫钩管挂在模拟罐壁上试验压力为最大工作压力的水压下连续冲击10min,试验结果应符合5.2.5.4的规定。
6.30 泡沫炮操作转动性能试验
将泡沫炮在各种工作状况下分别连续动作30次,用测量器测量水平回转角、仰角、俯角,用测速仪测量回转速度。试验结果应符合5.2.6.4、5.2.6.5的规定。
6.31 泡沫炮喷射试验
6.31.1 按GB19156-2003中7.8进行射程的测量,试验结果应符合5.2.6.4的规定。
6.31.2 调节泡沫炮仰角为最小仰角值,进口压力为最大工作压力,使泡沫炮在整个水平回转角范围内转动,应符合5.2.6.6的规定。
6.32 泡沫枪喷射试验
将泡沫枪置于喷射架上,调整好枪轴线与水平线的夹角(仰角)至30°±1°,调整枪出口端中心至地面的高度为1m,要求风速不大于2m/s,顺风测量。调整进口压力达到规定的额定值,至少连续稳定喷射30s,测量泡沫集中点至枪口的水平距离为射程,结果应符合5.2.7.3的规定。
6.33 叶轮超转速试验
将高倍数泡沫产生器固定在超转速试验台上,电动驱动使转速达到4000r/min。连续转动30min,结果应符合5.2.9.5的规定。
6.34 叶轮静平衡试验
将叶轮固定在静平衡试验台上。在推荐的叶轮圆周上粘贴橡皮粘子。轻轻转动叶轮,适量增减粘子,直至用手拨动叶轮转动自如。用天平称量橡皮粘子的质量,结果应符合5.2.9.6的规定。
6.35 压力损失试验
将试件安装在试验装置上,使阀瓣开启到最大位置。调节供水装置阀门,水流速保持为规定值。用差压计测量进口和出口的压力差,测压点距试件的距离至少为管径的5倍。结果应符合5.3.1.7、5.3.4.3的规定。
6.36 反向密封试验
将单向阀安装在试验管网上,阀瓣处于开启状态,排除管网中的空气,使管网充满水,堵塞阀门的其余开孔。然后从反向缓慢加压到0.015MPa和1.20MPa,保压5min。结果应符合5.3.2.4的规定。
6.37 单向阀正向开启压力试验
将单向阀安装在试验管网上,出口端加压到0.10MPa,从入口端缓慢升压至阀瓣开启。结果应符合5.3.2.5的规定。
6.38 耐油品浸渍试验
将连接软管在预期贮存的油品中浸泡30d,试验温度为:50℃±2℃,试验结果应符合5.3.5.7的规定。
6.39 泡沫液储罐耐高温试验
对于应用在高倍数全淹没系统的保护区内的常压储罐应进行耐高温试验,将储罐放置在20℃±5℃环境下24h,试验时油盘外沿距泡沫液储罐水平距离为2m,油盘面积0.64㎡,油盘中放入90号汽油,点火燃烧15min,试验结果应符合5.3.7.3的规定。
6.40 喷射时间试验
装置在额定工作压力下连续喷射,至泡沫液喷射完毕,喷射时间应符合5.4.4.3的规定。
6.41 运动性能试验
将处于准工作状态的装置在平坦的场地上连续拉动运行100m,试验结果应符合5.4.6的规定。
6.42 泡沫液控制阀、压力泄放阀工作循环试验
阀入口压力为最大工作压力,以不大于6次/min的速率进行试验,试验时从全开位置回到关闭位置,循环工作次数1000次,试验结果应符合5.6.3.5a)4)的规定。
6.43 功能试验
6.43.1 试验前灭火装置处于准工作状态。
6.43.2 调节湿式报警阀进口压力分别为0.14MPa、0.70 MPa、1.20MPa,灭火装置以60L/min、
80L/min、170L/min放水,观察压力泄放阀、泡沫液控制阀启闭状态,记录压力泄放阀启闭滞后时间。
试验结果应符合5.6.3.5a)6)、5.6.3.5c)的规定。
6.44 系统运行可靠性
保持泡沫-水喷淋系统喷淋头的压力为系统的最小工作压力,流量为4L/s,系统连续喷洒10min,检查各部件的状况,并按6.6测定混合比,试验结果应符合5.6.3.4的规定。
7 检验规则
7.1 出厂检验
7.1.1 泡沫灭火系统部件出厂前应按表17规定项目进行检验。
7.1.2 判定原则
检验项目全部合格,可以出厂;若出现不合格项,可以调整或返修。调整或返修后经检验合格,可以出厂,若仍不合格则判定不合格。
7.2 型式检验
在下列情况下,泡沫灭火系统部件按本标准规定的要求进行全部项目检验:
a)新产品试制定型;
b)正式生产后如结构、材料、工艺有重大改变时;
c)成批生产的定期检查;
d)产品长期停产后恢复生产时;
e)国家质量监督机构提出进行型式试验要求时。
7.3 抽样方法
样品采取随机抽取样品方法。
7.4 样品数量
样品数量按附录A~附录X的规定。
7.5 检验结果判定
7.5.1 泡沫系统部件按相应的技术要求和试验方法进行试验,全部合格,则判定该批产品为合格。
7.5.2 泡沫系统部件A类检验项目(见表17)中有一项不合格,则判定为不合格。
7.5.3 泡沫系统部件B类项目中只有一项不合格,可判定为合格;如有两项或两项以上不合格,可以加倍试验,若仍有两项或两项以上不合格则判定该批产品为不合格。
表17

8 标志、包装、运输、贮存
8.1 标志
泡沫系统部件应按本标准的规定在明显位置设置永久性标志牌。
8.2 包装
8.2.1 泡沫系统部件应采用适宜的方法包装后出厂。
8.2.2 包装箱外应标明产品的名称、规格型号、依据标准、毛重或净重、生产企业等信息。
8.2.3 包装箱内应装人产品合格证和使用说明书。
8.2.4 使用说明书的编写应符合GB 9969.1规定。
8.3 运输
8.3.1 泡沫系统部件在运输中应避免剧烈的振动和冲击。
8.3.2 泡沫系统部件需要吊装时,应按规定部位起吊,避免碰伤。
8.3.3 泡沫系统部件装车时应轻装轻卸。
8.4 贮存
泡沫系统部件应贮存在防雨、防潮、防晒及通风良好的场所。不得贮存于有腐蚀介质的场所。
附录A(规范性附录)泡沫液压力储罐及胶囊试验程序及样品数量
A.1 试验程序说明
A.1.1试验序号
1)外观检验(6.1);
2)强度要求(6.2);
3)胶囊气密性试验(6.8);
4)胶囊物理性能试验(6.9);
5)橡胶件热空气老化试验(6.10)。
A.1.2 说明
a)方框中的数字为试验序号;
b)圆圈中的数字为试验所需试件数。
A.2 试验程序
试验程序见图A.1。
图A.1 泡沫液储罐试验程序图

附录B(规范性附录)压力式比例混合装置试验程序及样品数量
B.1 试验程序说明
B.1.1 试验序号
1)外观检查(6.1);
2)混合比试验(6.6);
3)强度试验(6.2);
4)密封试验(6.3);
5)压力损失(6.7);
6)耐水冲击要求(6.4);
7)工作可靠性试验(6.5)(带活动部件的比例混合装置)。
B.1.2 说明
a)方框中的数字为试验序号;
b)圆圈中的数字为试验所需试件数。
B.2 试验程序
试验程序见图B.1。
图B.1 压力式比例混合装置试验程序图

附录C(规范性附录)环泵式比例混合器试验程序及样品数量
C.1 试验程序说明
C.1.1 试验序号
1) 外观检查(6.1);
2) 混合比试验(6.6);
4)真空密封试验(6.12);
5) 压力损失(6.7);
6) 耐水冲击要求(6.4)。
C.1.2 说明
a)框中的数字为试验序号;
b)圆圈中的数字为试验所需试件数。
C.2 试验程序
试验程序见图C.1。
图C.1 环泵式比例混合器试验程序图

附录D(规范性附录)管线式比例混合器试验程序及样品数量
D.1 试验程序说明
D.1.1 试验序号
1)外观检查(6.1);
2)混合比试验(6.6);
3)压力损失(6.7);
4)跌落试验要求(6.13);
5)耐水冲击要求(6.4)。
D.1.2 说明
a)方框中的数字为试验序号;
b)圆圈中的数字为试验所需试件数。
D.2 试验程序
试验程序见图D.1。
图D.1 管线式比例混合器试验程序图 
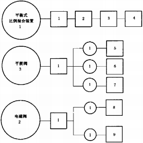
附录E(规范性附录)平衡式比例混合装置试验程序及样品数量
E.1 试验程序说明
E.1.1试验序号
1)外观检查(6.1);
2)混合比试验(6.6);
3)压力损失(6.7);
4)运行可靠性试验(6.18);
5)平衡阀工作循环试验(6.14) ;
6)强度试验(6.2);
7)平衡阀耐泡沫液浸渍试验(6.15);
8)电磁阀工作可靠性试验(6.16);
9)电磁阀耐泡沫液浸渍试验(6.15)。
E.1.2 说明
a)方框中的数字为试验序号;
b)圆圈中的数字为试验所需试件数。
E.2 试验程序
试验程序见图E.1。
图E.1 泡沫产生器试验程序图

附录F(规范性附录)低倍数空气泡沫产生器试验程序及样品数量
F.1 试验程序说明
F.1.1 试验序号
1)外观要求(6.1);
2)流量系数测定(6.19);
3)发泡倍数和析液时间测定(6.20);
4)密封玻璃性能试验(6.21);
5)耐水冲击试验(6.23)。
F.1.2 说明
a)方框中的数字为试验序号;
b)圆圈中的数字为试验所需试件数。
F.2 试验程序
试验程序见图F.1。
图F.1 低倍数空气泡沫产生器试验程序

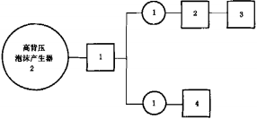
附录G(规范性附录)高背压泡沫产生器试验程序及样品数量
G.1 试验程序说明
G.1.1 试验序号
1)外观要求(6.1);
2)流量系数测定(6.19);
3)发泡倍数和析液时间测定(6.20);
4)跌落试验(6.13)(移动式高背压泡沫产生器)。
G.1.2 说明
a)方框中的数字为试验序号;
b)圆圈中的数字为试验所需试件数。
G.2 试验程序
试验程序见图G.1。
图G.1 高背压泡沫产生器试验程序

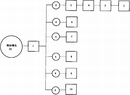
附录H(规范性附录)泡沫喷头试验程序及样品数量
H.1 试验程序说明
H.1.1 试验序号
1)外观检查(6.1);
2)覆盖半径试验(6.22);
3)耐水冲击试验(6.23);
4)发泡倍数和析液时间测定(6.20);
5)流量系数测定(6.19);
6)高温试验(6.24);
7)二氧化硫腐蚀试验(6.26);
8)氨应力腐蚀试验(6.25);
9)盐雾腐蚀试验(6.27);
10)灭火试验(6.28)。
H.1.2 说明
a)方框中的数字为试验序号;
b)圆圈中的数字为试验所需试件数。
H.2 试验程序
试验程序见图H.1。
图H.1 泡沫喷头试验程序图

附录I(规范性附录)泡沫钩管试验程序及样品数量
I.1 试验程序说明
I.1.1 试验序号
1)外观要求(6.1);
2)流量系数试验(6.19);
3)发泡倍数和析液时间测定(6.20);
4)防倾倒试验(6.29)。
I.1.2 说明
a)方框中的数字为试验序号;
b)圆圈中的数字为试验所需试件数。
I.2 试验程序
试验程序见图I.1。
图I.1 泡沫钩管试验程序

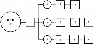
附录J(规范性附录)泡沫炮试验程序及样品数量
J.1 试验程序说明
J.1.1 试验序号
1)外观要求(6.1);
2)强度试验(6.2);
3)密封试验(6.3);
4)操作转动性能试验(6.30);
5)喷射试验(6.31);
6)流量系数测定(6.19);
7)发泡倍数和析液时间测定(6.20)。
J.1.2 说明
a)方框中的数字为试验序号;
b)圆圈中的数字为试验所需试件数。
J.2 试验程序
试验程序见图J.1
图J.1 泡沫炮试验程序

附录K(规范性附录)泡沫枪试验程序及样品数量
K.1 试验程序说明
K.1.1 试验序号
1)外观要求(6.1);
2)强度试验(6.2);
3)密封试验(6.3);
4)跌落试验(6.13);
5)耐水冲击试验(6.23);
6)流量系数测定(6.19);
7)发泡倍数和析液时间测定(6.20);
8)盐雾腐蚀试验(6.27);
9)喷射试验(6.32)。
K.1.2 说明
a)方框中的数字为试验序号;
b)圆圈中的数字为试验所需试件数。
K.2 试验程序
试验程序见图K.1。
图K.1 泡沫枪试验程序

附录L(规范性附录)中倍数泡沫产生器试验程序及样品数量
L.1 试验程序说明
L.1.1 试验序号
1)外观要求(6.1);
2)耐水冲击试验(6.23);
3)跌落试验(6.13);(手提式中倍数泡沫产生器);
4)流量系数测定(6.19);
5)发泡倍数和析液时间测定(6.20)。
L.1.2 说明
a)方框中的数字为试验序号;
b)圆圈中的数字为试验所需试件数。
L.2 试验程序
试验程序见图L.1。
图L.1 中倍数泡沫产生器试验程序

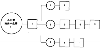
附录M(规范性附录)高倍数泡沫产生器试验程序及样品数量
M.1 试验程序说明
M.1.1 试验序号
1)外观要求(6.1);
3)耐水冲击试验(6.23) ;
4)跌落试验(6.13);(手提式高倍数泡沫产生器)
5)流量系数测定(6.19) ;
6)发泡倍数、析液时间和发泡量的测定(6.20);
7)叶轮的超转速试验(6.33);
8)叶轮的静平衡试验(6.34)。
M.1.2 说明
a)方框中的数字为试验序号;
b)圆圈中的数字为试验所需试件数。
M.2 试验程序
试验程序见图M.1。
图M.1 高倍数泡沫产生器试验程序

附录N(规范性附录)泡沫消火栓试验程序及样品数量
N.1 试验程序说明
N.1.1 试验序号
1)外观检查(6.1);
2)强度试验(6.2);
3)密封试验(6.3);
4)压力损失试验(6.35);
5)耐泡沫液浸渍试验(6.15)。
N.1.2 说明
a)方框中的数字为试验序号;
b)圆圈中的数字为试验所需试件数。
N.2 试验程序
试验程序见图N.1。
图N.1 泡沫消火栓试验程序图

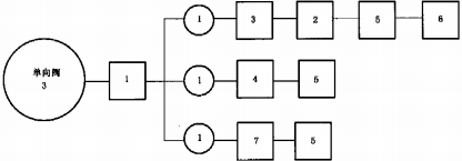
附录P(规范性附录)单向阀试验程序及样品数量
P.1 试验程序说明
P.1.1 试验序号
1)外观要求(6.1);
2)强度试验(6.2);
3)密封试验(6.3);
4)耐泡沫液浸渍试验(6.15);
5)反向密封试验(6.36);
6)正向开启压力试验(6.37);
7)耐盐雾腐蚀试验(6.27)。
P.1.2 说明
a)方框中的数字为试验序号;
b)圆圈中的数字为试验所需试件数。
P.2 试验程序
试验程序见P.1。
图P. 1 单向阀试验程序图

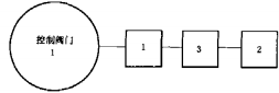
附录Q(规范性附录)控制阀门试验程序及样品数量
Q.1 试验程序说明
Q.1.1 试验序号
1)外观要求(6.1);
2)强度试验(6.2);
3)密封试验(6.3)。
Q.1.2 说明
a)方框中的数字为试验序号;
b)圆圈中的数字为试验所需试件数。
Q.2 试验程序
试验程序见图Q.1。
图Q.1 控制阀门试验程序图

附录R(规范性附录)过滤器试验程序及样品数量
R.1 试验程序说明
R.1.1 试验序号
1)外观要求(6.1);
2)耐泡沫液浸渍试验(6.15);
3)压力损失试验(6.35),
R.1.2 说明
a)方框中的数字为试验序号;
b)圆圈中的数字为试验所需试件数。
R.2 试验程序
试验程序见图R.1。
图R.1 过滤器试验程序图

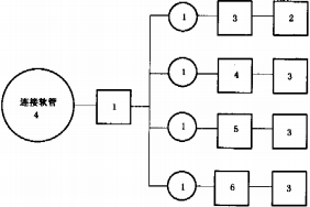
附录T(规范性附录)连接软管试验程序及样品数量
T.1 试验程序说明
T.1.1试验序号
1)外观要求(6.1);
2)强度试验(6.2);
3)密封试验(6.3);
4)耐热空气老化试验(6.10);
5)耐泡沫液浸渍试验(6.15);
6)耐油品浸渍试验(6.38)。
T.1.2 说明
a)方框中的数字为试验序号;
b)圆圈中的数字为试验所需试件数。
T.2 试验程序
试验程序见图T.1。
图T.1 连接软管试验程序图

附录U(规范性附录)半固定式(轻便式)泡沫灭火装置试验程序及样品数量
U.1 试验程序说明
U.1.1 试验序号
1)外观要求(6.1);
2)主要性能参数(5.4.4);
3)耐水冲击试验(6.23);
4)喷射时间试验(6.40);
5)运动性能试验(6.41)。
U.1.2 说明
a)方框中的数字为试验序号;
b)圆圈中的数字为试验所需试件数。
U.2 试验程序
试验程序见图U.1。
图U.1 半固定式(轻便式)泡沫灭火装置试验程序图

附录W(规范性附录)泡沫消火栓箱试验程序及样品数量
W.1 试验程序说明
W.1.1 试验序号
1)外观要求(6.1);
2)发泡倍数和析液时间(6.20);
3)耐水冲击试验(6.23)。
W.1.2 说明
a)方框中的数字为试验序号;
b)圆圈中的数字为试验所需试件数。
W.2 试验程序
试验程序见图W.1。
图W.1 泡沫消火栓箱试验程序图

附录X(规范性附录)带有泡沫液控制阀、压力泄放阀的闭式泡沫 水喷琳系统试验程...
X.1 试验程序说明
X.1.1 试验序号
1)外观要求(6.1);
2)混合比试验(6.6);
3)系统功能试验(6.43);
4)强度试验(6.2);
5)密封试验(6.3);
6)工作循环试验(6.42);
7)压力泄放阀开启压力试验(6.11);
8)功能试验(6.43);
9)耐泡沫液浸渍试验(6.15)。
X.1.2 说明
a)方框中的数字为试验序号;
b)圆圈中的数字为试验所需试件数。
X.2 试验程序
试验程序见图X.1。
图X.1 带有泡沫液控制阀、压力泄放阀的闭式泡沫-水喷淋系统试验程序图

