Appearance
《自动喷水灭火系统 第9部分:早期抑制快速响应(ESFR)喷头》GB 5135.9-2018
🗓️ 住房和城乡建设部 实施时间:2019-04-01
前言
中华人民共和国国家标准
自动喷水灭火系统
第9部分:早期抑制快速响应(ESFR)喷头
Automatic sprinkler system—
Part9:Early suppression fast response(ESFR)sprinklers
GB 5135.9—2018
代替GB 5135.9—2006
2018-09-17发布 2019-04-01实施
国家市场监督管理总局
中国国家标准化管理委员会
发布
本部分的第6章及第8章为强制性的,其余为推荐性的。
GB 5135《自动喷水灭火系统》已经发布和计划发布以下部分:
——第1部分:洒水喷头;
——第2部分:湿式报警阀、延时器、水力警铃;
——第3部分:水雾喷头;
——第4部分:干式报警阀;
——第5部分:雨淋报警阀;
——第6部分:通用阀门;
——第7部分:水流指示器;
——第8部分:加速器;
——第9部分:早期抑制快速响应(ESFR)喷头;
——第10部分:压力开关;
——第11部分:沟槽式管接件;
——第13部分:水幕喷头;
——第14部分:预作用装置;
——第15部分:家用喷头;
——第16部分:消防洒水软管;
——第17部分:减压阀;
——第18部分:消防管道支吊架;
——第19部分:塑料管道及管件;
——第20部分:涂覆钢管;
——第21部分:末端试水装置;
——第22部分:特殊应用喷头;
……
本部分为GB 5135的第9部分。
本部分按照GB/T 1.1—2009给出的规则起草。
本部分代替GB 5135.9—2006《自动喷水灭火系统 第9部分:早期抑制快速响应(ESFR)喷头》,与GB 5135.9—2006相比,除编辑性修改外主要技术变化如下:
——修改了范围(见第1章,2006年版的第1章);
——删除了部分术语和定义(见2006年版的第3章);
——修改了型号规格编制要求(见5.2,2006年版的5.2);
——修改了整体要求(见6.1,2006年版的6.1);
——修改了流量系数要求(见6.5,2006年版的6.4);
——修改了布水要求(见6.6,2006年版的6.5);
——增加了耐氯化镁应力腐蚀性能和相应的试验方法(见6.22和7.21);
——增加了K 323下垂型ESFR喷头实际洒水密度要求(见6.30);
——增加了溅水盘强度要求和对应的试验方法(见6.31和7.30);
——增加了K 242下垂型ESFR喷头冲力要求(见6.32);
——增加了K 323下垂型ESFR喷头灭火性能要求(见6.33);
——删除了单只ESFR喷头布水试验(见2006年版的7.4.1);
——修改了动态热试验方法(见7.19,2006年版的7.18);
——修改了灭火试验方法(见7.32,2006年版的7.29);
——修改了检验规则(见第8章,2006年版的第8章);
——删除了标志、使用说明书(见2006年版的第9章);
——修改了包装要求(见9.1,2006年版的10.1);
——增加了附录D(见附录D)。
本部分由中华人民共和国公安部提出并归口。
本部分起草单位:公安部天津消防研究所。
本部分参与起草单位:公安部消防局、浙江瑞城消防设备有限公司、萃联(中国)消防设备制造有限公司、泰科安全设备(上海)有限公司。
本部分主要起草人:杨震铭、刘欣、李毅、张强、刘激扬、沈贺坤、王健强、孙甲斌、于东兴、赵婷、王静萱、王德凤、张中飞、赵雷。
本部分所代替标准的历次版本发布情况为:
——GB 5135.9—2006。
1 范围
GB 5135的本部分规定了早期抑制快速响应(ESFR)喷头的分类、公称动作温度、颜色标志、型号规格、要求、试验方法、检验规则和包装、运输、贮存等。
本部分适用于公称流量系数K 202(下垂型和直立型)、K 242(下垂型和直立型)、K 323(下垂型)、K 363(下垂型)的早期抑制快速响应(ESFR)喷头,其他类型的早期抑制快速响(ESFR)喷头可参照本部分。
本部分不适用于特殊应用喷头。
2 规范性引用文件
下列文件对于本文件的应用是必不可少的。凡是注日期的引用文件,仅注日期的版本适用于本文件。凡是不注日期的引用文件,其最新版本(包括所有的修改单)适用于本文件。
GB 5135.1 自动喷水灭火系统 第1部分:洒水喷头
GB/T 7306.2 55°密封管螺纹 第2部分:圆锥内螺纹与圆锥外螺纹
GB/T 9969.1 工业产品使用说明书 总则
GB/T 31431—2015 灭火系统A类火试验用标准燃烧物
3 术语和定义
GB 5135.1界定的以及下列术语和定义适用于本文件。
3.1
传导系数 conductivity factor
C
喷头的热敏感元件与其固定件之间热传导能力的度量。
注:单位为(米每秒)1/2[(m/s)1/2]。
3.2
实际洒水密度 actual delivered density
ADD
穿透火羽流到达燃烧物表面的洒水密度。
3.3
早期抑制 early suppression
自动喷水灭火系统在火灾初期即使只启动少数喷头就能有足够的水迅速作用于火,将火扑灭或抑制火至可接受的程度。
3.4
早期抑制快速响应(ESFR)喷头 early suppression fast response(ESFR)automatic sprinkler
在热作用下,热敏感元件在预定的温度范围内自行启动后,将水以一定的形状和密度分布在设计的保护面积上,以达到早期抑制效果的一种洒水喷头(以下简称为ESFR喷头)。
4 分类
4.1 根据热敏感元件分类
4.1.1 易熔元件型ESFR喷头
通过易熔元件合金受热熔化而开启的ESFR喷头。
4.1.2 玻璃球型ESFR喷头
通过玻璃球内充装的液体受热膨胀使玻璃球爆破而开启的ESFR喷头。
4.2 根据安装位置分类
4.2.1 下垂型ESFR喷头
下垂安装,水流向下冲向溅水盘的ESFR喷头。
4.2.2 直立型ESFR喷头
直立安装,水流向上冲向溅水盘的ESFR喷头。
5 公称动作温度、颜色标志和型号规格
5.1 公称动作温度和颜色标志
ESFR喷头的公称动作温度和颜色标志见表1。
5.2 型号规格
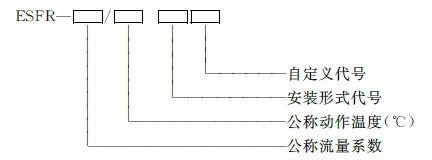
5.2.1 ESFR喷头的型号规格由产品类别代号、公称流量系数、公称动作温度、安装形式代号、自定义代号等部分组成。
5.2.2 产品类别代号为ESFR,表示早期抑制快速响应喷头。
5.2.3 下垂型ESFR喷头的安装形式代号为P,直立型ESFR喷头的安装形式代号为U。
5.2.4 自定义代号由制造商规定,可用于表征热敏感元件的类型、产品特殊结构等信息,由大写英文字母、阿拉伯数字或其组合构成,字符不宜超过3个。
5.2.5 ESFR喷头的型号标记如下:

示例1:ESFR-202/68 ℃ P Q2.5,表示公称流量系数为202、公称动作温度为68℃、下垂式安装、热敏感元件为ϕ2.5 mm 玻璃球的ESFR喷头。
示例2:ESFR-363/74 ℃ U Y,表示公称流量系数为363,公称动作温度为74℃、直立式安装、热敏感元件为易熔合金的ESFR喷头。
6 要求
6.1 整体要求
6.1.1 ESFR喷头在设计和制造上应保证其不能被轻易调整、拆卸和重装。
6.1.2 ESFR喷头出水口的密封不应使用橡胶密封件。
6.2 接口螺纹
ESFR喷头的接口螺纹应符合GB/T 7306.2的规定。
6.3 外观与标志
6.3.1 ESFR喷头的外表面应均匀一致,无明显的磕碰伤痕及变形,表面涂镀层应完整美观。
6.3.2 ESFR喷头在其溅水盘或本体上至少应标记型号规格、制造商的名称(代号)或商标、生产年代等。所有标记应为永久性标记且标志正确、清晰。
6.4 水压密封和耐水压强度性能
6.4.1 按7.3.1规定的方法进行试验,ESFR喷头在整个试验过程中应无渗漏。
6.4.2 按7.3.2规定的方法进行试验,ESFR喷头应无变形或破坏。
6.5 流量系数
6.5.1 ESFR喷头的流量系数K按式(1)计算。

式中:
Q——ESFR喷头流量,单位为升每分钟(L/min);
P——ESFR喷头入口处压力,单位为兆帕(MPa)。
6.5.2 按7.4规定的方法进行试验,ESFR喷头的平均流量系数K应符合表2的规定,且超出规定范围的试验数据点不超过1个。

6.6 布水性能
6.6.1 K 202下垂型ESFR喷头按7.5规定的方法进行试验,试验结果应符合表3的规定。
6.6.2 K 242下垂型ESFR喷头按7.5规定的方法进行试验,试验结果应符合表4的规定。


6.7 静态动作温度
ESFR喷头按7.6规定的方法进行试验,静态动作温度应符合式(2)的规定。
X-(0.035X+0.62)≤ x ≤ X+(0.035X+0.62)……………………(2)
式中:
x——静态动作温度,单位为摄氏度(℃);
X——公称动作温度,单位为摄氏度(℃)。
6.8 功能
按7.7规定的方法进行试验时,ESFR喷头应启动灵活,在热敏感元件释放后10s内,应清除所有沉积。
6.9 抗水冲击性能
按7.8规定的方法进行试验,ESFR喷头不应出现渗漏和损坏。本项试验后,所有试样进行密封试验应符合6.4.1的规定,进行0.035MPa压力下的功能试验,应符合6.8的规定。
6.10 框架强度
按7.9规定的方法进行试验,ESFR喷头受到2倍平均工作载荷后,其框架的永久变形不应大于喷头荷载支承点间距离的0.2%。
6.11 热敏感元件强度
6.11.1 玻璃球按7.10.2规定的方法进行试验,应符合下列要求:
a)玻璃球的平均破碎载荷不应小于6倍的玻璃球平均设计载荷;
b)对于99%的样品(p)置信系数(ν)为0.99时,计算出的玻璃球破碎载荷的下限误差至少为玻璃球设计载荷上限误差的2倍。除非在生产或设计中证实其他分布更适用,应使用正态或高斯分布进行计算,参见附录A。
6.11.2 易熔元件按7.10.3规定的方法进行试验,应能承受15倍的最大设计载荷100 h;或满足式(3)的规定:

式中:
Ld——易熔元件最大设计载荷,单位为牛(N);
Lm——易熔元件1000h损坏时的载荷,单位为牛(N);
L0——易熔元件1h损坏时的载荷,单位为牛(N)。
6.12 疲劳强度
玻璃球型ESFR喷头按7.11规定的方法进行试验,玻璃球应无任何损坏。本项试验后,所有试样还应进行0.035MPa压力下的功能试验,并应符合6.8的规定。
6.13 热稳定性
玻璃球型ESFR喷头按7.12规定的方法进行试验,玻璃球应无任何损坏。本项试验后,所有试样还应进行0.035MPa压力下的功能试验,并应符合6.8的规定。
6.14 抗振动性能
按7.13规定的方法进行试验,ESFR喷头的构成部件应无松动和损坏。本项试验后,所有试样进行密封试验应符合6.4.1的规定,进行动态热试验(取A向或B向中能产生较大RTI值者),应符合6.20.1的规定。
6.15 抗碰撞性能
按7.14规定的方法进行试验,ESFR喷头应无破裂或变形,本项试验后,所有试样还应进行密封试验并符合6.4.1的规定,进行动态热试验(取A向或B向中能产生较大RTI值者),应符合6.20.1的规定。
6.16 抗翻滚性能
按7.15规定的方法进行试验,ESFR喷头应无破裂、变形或损坏,本项试验后,所有试样进行密封试验并符合6.4.1的规定,进行动态热试验(取A向或B向中能产生较大RTI值者),应符合6.20.1的规定。
6.17 耐冷冻性能
按7.16规定的方法进行试验,试验后ESFR喷头应符合下列要求之一:
a)有可见损坏;
b)无可见损坏,在不超过0.05MPa水压下进行密封试验时出现泄漏现象;
c)无可见损坏,所有试样进行水压密封试验符合6.4.1的规定,进行动态热试验(取A向或B向中能产生较大RTI值者),应符合6.20.1的规定。
6.18 耐高温性能
按7.17规定的方法进行试验,ESFR喷头体不应发生严重变形或损坏。
6.19 耐环境温度性能
按7.18规定的方法进行试验,ESFR喷头应无破损。试验后所有的ESFR喷头进行密封试验应符合6.4.1的规定,一半的试样进行静态动作温度试验,应符合6.7的规定。其余的试样进行动态热试验(取A向或B向中能产生较大RTI值者),应符合6.20.1的规定。
6.20 动态热性能
6.20.1 按7.19.1规定的方法进行试验,在A向和B向方位进行试验,RTI值应为(28±8)(m•s)1/2,在C向方位进行试验,RTI值应不大于138(m•s)1/2。
6.20.2 按7.19.3.1或7.19.3.2规定的方法进行试验确定传导系数C,传导系数C不应超过1(m/s)1/2。
6.21 耐氨应力腐蚀性能
按7.20规定的方法进行试验,ESFR喷头的铜合金部件不应断裂或损坏。本项试验后的所有试样应进行试验压力为1.20MPa的水压密封试验和0.035MPa压力下的功能试验,应分别符合6.4.1和6.8的规定。
6.22 耐氯化镁应力腐蚀性能
当喷头使用不锈钢部件时,应按7.21规定的方法进行试验,不锈钢部件不应断裂或损坏。本项试验后的所有试样应进行0.035MPa压力下的功能试验,应符合6.8的规定。
6.23 耐二氧化硫/二氧化碳气体腐蚀性能
按7.22规定的方法进行试验,ESFR喷头不应产生腐蚀损坏。本项试验后的所有试样应进行试验压力为1.20MPa的水压密封试验和0.035MPa压力下的功能试验,应分别符合6.4.1和6.8的规定。
6.24 耐硫化氢气体腐蚀性能
按7.23规定的方法进行试验,ESFR喷头不应产生腐蚀损坏。本项试验后,所有试样进行试验压力为1.20MPa的密封试验,应符合6.4.1的规定。一半的试样进行静态动作温度试验,应符合6.7的规定。其余的试样进行动态热试验(取A向或B向中能产生较大RTI值者),应符合6.20.1的规定。
6.25 耐盐雾腐蚀性能
按7.24规定的方法进行试验,ESFR喷头不应产生腐蚀损坏,本项试验后,所有试样进行试验压力为1.20MPa的密封试验,应符合6.4.1的规定,并进行0.035MPa压力下的功能试验,应符合6.8的规定。
6.26 耐潮湿气体腐蚀性能
按7.25规定的方法进行试验,ESFR喷头不应产生腐蚀损坏,本项试验后,所有喷头进行试验压力为1.20MPa的水压密封试验,应符合6.4.1的规定,并进行0.035MPa压力下的功能试验,应符合6.8的规定。
6.27 30天密封性能
按7.26规定的方法在2.0MPa水压下进行30天密封试验,ESFR喷头应无泄漏、变形或其他任何损坏。
6.28 抗真空性能
按7.27规定的方法进行试验,ESFR喷头不应出现扭曲或损坏,本项试验后,所有试样进行密封试验,应符合6.4.1的规定。
6.29 侧向喷洒
按7.28规定的方法进行试验,应无水直接冲击或落在被测的目标点上。
6.30 实际洒水密度(ADD)
按7.29规定进行的方法进行试验,应符合表5~表10的规定。







6.31 溅水盘强度
ESFR喷头按7.30规定的方法进行试验,溅水盘不应出现松动、脱落、永久变形或损坏。
6.32 冲力要求
K 202和K 242下垂型ESFR喷头按7.31规定的方法进行试验,应符合表11的规定。

6.33 灭火性能
6.33.1 K 202直立型ESFR喷头
K 202直立型ESFR喷头按7.32的规定进行5个实体火灭火试验,应能将火抑制并符合表12的规定。

6.33.2 K 242直立型ESFR喷头
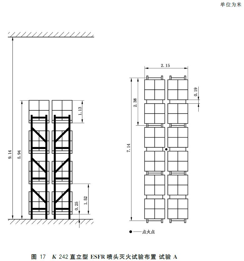
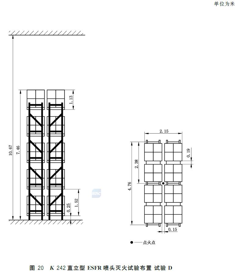
K 242直立型ESFR喷头按7.32的规定进行5个实体火灭火试验,应能将火抑制并符合表13的规定。

6.33.3 K 323下垂型ESFR喷头
K 323下垂型ESFR喷头按7.32的规定进行4个实体火灭火试验,应能将火抑制并符合表14的规定。


6.33.4 K 363下垂型ESFR喷头
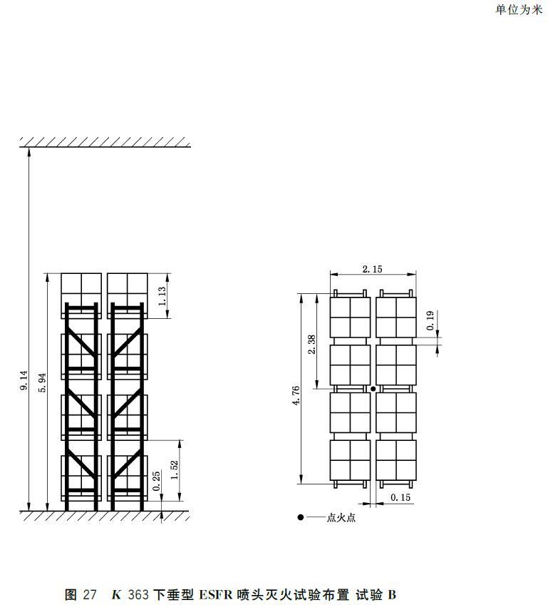
K 363下垂型ESFR喷头按7.32的规定进行4个实体火灭火试验,应能将火抑制并符合表15的规定。

7 试验方法
7.1 一般要求
本部分中除标明的情况外,公差应符合附录B的规定。
7.2 外观检查
对照设计图样等技术文件,通过目测检查样品外观、标志及密封结构,使用通用量器具测量接口螺纹。
7.3 水压密封和强度试验
7.3.1 将至少10只ESFR喷头安装在试验装置上,使管路充满清水,排除管路中的空气,以(0.1±0.025)MPa/s的速率使水压由0 MPa升至3.40 MPa,保持压力3 min,然后降压至0 MPa。再在5 s内使压力从0 MPa升至0.05 MPa,保持压力15 s后,以(0.1±0.025)MPa/s的速率使水压升至1.0 MPa,保持压力15 s后降至0 MPa。试验过程中和试验后检查ESFR喷头试样是否出现渗漏。
7.3.2 将水压密封试验后的样品安装在试验装置上,使管路充满清水,排除管路中的空气,以(0.1±0.025)MPa/s的速率使水压由0 MPa升至4.80 MPa,保持压力1 min,检查ESFR喷头是否出现启动、变形或损坏。如ESFR喷头释放口出现泄漏使试验无法进行,可采用相应的措施将释放口密封住。
7.4 流量系数测量
流量试验装置如图1所示,将试样除去框架和溅水盘后安装在试验装置上并用手拧紧1.5 圈。试验压力从0.10 MPa至1.00 MPa,每间隔0.10 MPa测量ESFR 喷头的流量。压力测量精度不应低于0.4级,流量测量精度不应低于1.0级。对于每一个试样,压力先从低升到高,至每一个测量点,再从高降到低,至每一个测量点。
将所测得的数据代入6.5.1中的式(1),计算出每一压力点的K值、K的平均值。

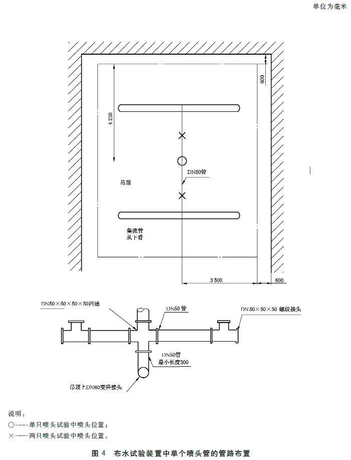
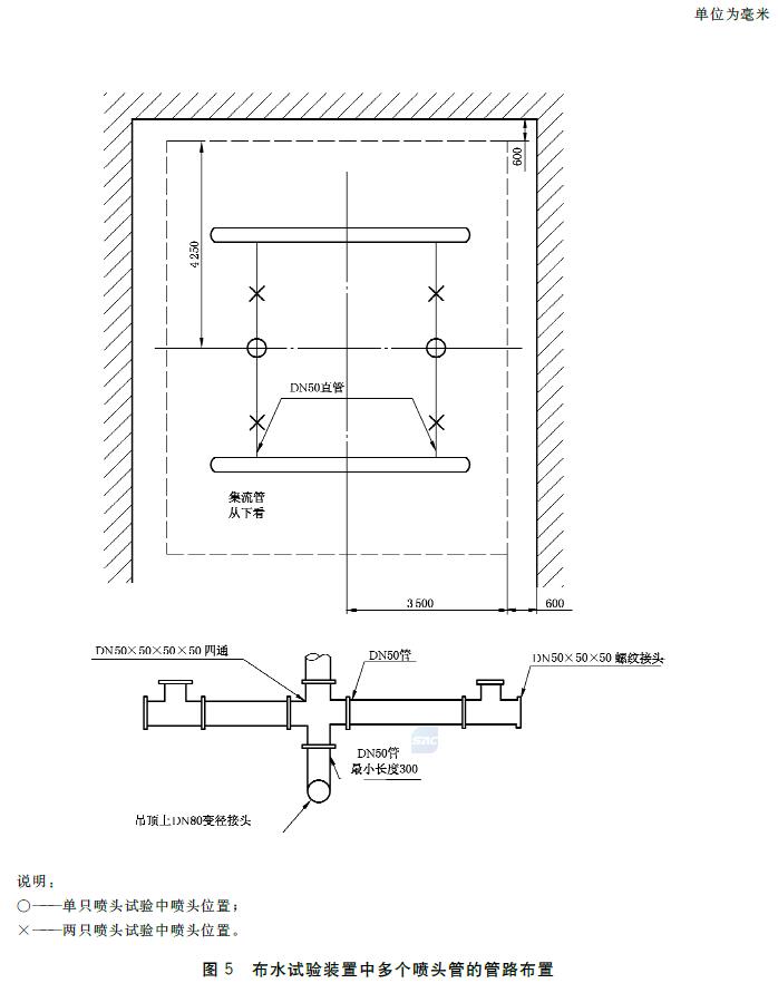
7.5 布水试验
取至少1组K 202下垂型ESFR喷头按表3或1组K 242下垂型ESFR喷头按表4的规定进行试验。试验前,应去掉热敏感元件。喷头试验区域应符合图2、图3、图4、图5的要求。集水盘的布置见图7。试验装置应安装在容积足够大的房间中。
按图6布置安装ESFR喷头,试验进行5 min,测量集水量,计算每只盘的洒水密度。






7.6 静态动作温度试验
7.6.1 试验在液浴中进行,公称动作温度不高于79℃的ESFR喷头在水浴(宜采用蒸馏水)中进行,公称动作温度高于79℃的ESFR喷头在油浴(或适当的介质)中进行。ESFR喷头垂直放置于液浴装置中,热敏感元件中心距液面(40±10)mm。试验区域的温度应均匀,温度偏差不应超过0.5℃。
7.6.2 将至少10只ESFR喷头试样在升温速率不超过20℃/min的条件下,从室温加热到低于其公称动作温度
,并保持此温度10min。然后以(0.5±0.1)℃/min速率升温,直至喷头动作。温度测量点应与ESFR喷头热敏感元件处于同一水平面。动作温度的测量精度为±0.1 ℃,记录ESFR喷头的动作温度。
7.7 功能试验
7.7.1 ESFR喷头试样按其正常安装位置进行安装,采用适当的加热方式使ESFR喷头启动。
7.7.2 在0.035 MPa、0.17 MPa、0.34 MPa、0.51 MPa、0.70 MPa、0.85 MPa、1.00 MPa和1.20 MPa压力下,分别取10只ESFR喷头试样按其正常安装位置进行功能试验,其中5只试样在单向供水条件下进行试验,剩下5只试样在双向供水条件下进行试验。试样启动后,当一个或多个动作零件滞留在溅水盘框架组件上超过6.8规定的时间时,即认为发生沉积现象。
7.8 水冲击试验
将5只试样按工作位置安装在试验装置上,向试验管路中充水排出空气,然后进行10000次压力从(0.40±0.05)MPa~(3.40±0.05)MPa的交变水压试验。每次试验的周期不应大于2 s。
在试验过程中,检查每个试样的渗漏情况。试验后所有试样进行密封试验和0.035MPa压力下的功能试验。
7.9 工作载荷的确定和框架强度试验
7.9.1 至少取15只ESFR喷头试样用以测量工作载荷。将试样在室温下牢固地安装于试验装置上,在喷头的入口施加1.20 MPa的压力。
7.9.2 使用分辨率为0.001 mm的变形测量仪表测量ESFR喷头承载点间的位移变化。应避免ESFR喷头螺纹与固定件之间的移动。
7.9.3 卸去喷头入口施加的压力,以适当的方法除去喷头的热敏感元件,当ESFR喷头温度恢复至室温后,再次测量变形。
7.9.4 以不超过500 N/min的加压速率向喷头施加机械载荷,直至喷头框架变形数值回到加1.20 MPa
压力时的数值,此机械载荷即为该试样的工作载荷。计算15只试样的平均工作载荷。
7.9.5 在上述15只ESFR喷头试样中任取5只试验,以不超过500 N/min的加压速率给喷头试样施加两倍平均工作载荷的机械载荷,保持此载荷(15±5)s后卸去载荷,记录框架的永久变形。
7.10 热敏感元件的强度试验
7.10.1 热敏感元件设计载荷的确定
使用在7.9中确定的ESFR喷头工作载荷计算出施加在喷头热敏感元件上的力,即热敏感元件的设计载荷。当热敏感元件的设计载荷不能通过计算得出时,可采用适当的方法直接测量热敏感元件的设计载荷。
7.10.2 玻璃球
7.10.2.1 每种类型、每种温度等级的玻璃球至少取15只试样进行试验。将试样安装于试验装置上,试验装置的玻璃球支撑件可使用喷头上的支撑件或生产商提供的专用支撑件。以150 N/s~250 N/s的加压速率给玻璃球施加平稳载荷,直至玻璃球破碎。
7.10.2.2 每次试验使用新的玻璃球支撑件,可对支撑件进行外部加固以防止试验失败,但不得影响玻璃球原有的受力状况。
7.10.2.3 记录每只玻璃球的破碎载荷,破碎载荷测量值应精确到1 N。
7.10.2.4 计算玻璃球平均破碎载荷和玻璃球破碎载荷的下限误差TL1,计算玻璃球设计载荷的上限误差TL2(参见附录A)。
7.10.3 易熔元件
7.10.3.1 至少取10只易熔元件试样,使其承受15倍的易熔元件最大设计载荷历时100 h,观察易熔元件是否损坏。与评价易熔元件无关的非正常损坏可不考虑。
7.10.3.2 至少取10只易熔元件试样,使其分别承受不同的载荷,载荷值从易熔元件最大设计载荷Ld至15倍易熔元件最大设计载荷,使易熔元件试样在1000 h之内和之后损坏(参见附录C),应去除非正常的损坏。用最小二乘法绘制全对数回归曲线,从曲线得出试样1 h损坏时的载荷L0和1000 h损坏时的载荷Lm。
7.11 疲劳强度试验
7.11.1 本项试验使用4只玻璃球ESFR喷头试样,每只喷头试样重复进行4次试验。
7.11.2 试验在液浴中进行,公称动作温度不超过79 ℃的ESFR喷头采用水浴(宜用蒸馏水),公称动作温度高于79℃的ESFR喷头使用油浴(适当的油)进行试验。将试样置于液浴中,升温速率不超过20 ℃/min,使温度从(20±5)℃升至低于其公称动作温度(20±2)℃,然后使液浴温度以1 ℃/min的速率升温直至玻璃球的气泡消失或低于公称动作温度5 ℃。将喷头从液浴中取出,使其在空气中冷却,直至玻璃球气泡重新出现。在冷却过程中,玻璃球的尖端(封口端)应指向下方。
7.11.3 疲劳强度试验后的所有试样进行0.035MPa压力下的功能试验。
7.12 热稳定性试验
7.12.1 试验前将5只玻璃球ESFR喷头试样置于(20±5)℃的环境中不少于30 min。
7.12.2 将喷头浸入液浴内,液浴的温度为低于喷头公称动作温度(10±2)℃,液浴试验区域的温度偏差不得超过±1 ℃。5 min后将喷头从液浴中取出,使玻璃球尖端(封口端)朝下,立即浸入(10±1)℃的液浴中。
7.12.3 试验后的所有试样进行0.035MPa压力下的功能试验。
7.13 振动试验
7.13.1 将5只ESFR喷头试样垂直安装于试验台面上,沿喷头联接螺纹的轴线方向进行正弦振动。振动的频率为30 Hz~60 Hz,振幅为0.38 mm,连续振动25 h。然后再以振动频率为10 Hz~30 Hz,振幅为1.27 mm,连续振动25 h。每半个循环的周期为(25±5)s(如10 Hz~30 Hz或30 Hz~10 Hz)。如果发现一个或多个共振点,则ESFR喷头应以这些共振频率各振动50 h。
7.13.2 振动试验后,所有试样进行密封试验和动态热试验。
7.14 碰撞试验
取5只ESFR喷头试样进行试验。试验装置如图8所示,使一重锤沿喷头中心轴线落于溅水盘一端进行碰撞。对于带有运输护帽的喷头,如果只有当喷头完全安装完毕后才摘下护帽,则应带着护帽进行碰撞试验。试验时使重锤从1 m高度沿着喷头中心轴线落下,重锤的质量应等于被测喷头的质量(不含护帽)。应避免重锤多次碰撞被试喷头。碰撞试验后检查试样是否出现变形或损坏,所有试样应进行水压密封试验和动态热试验。

7.15 翻滚试验
取5只ESFR喷头逐个进行3 min的翻滚试验。带有运输护帽的喷头,如果只有当喷头完全安装完毕后才摘下护帽,则应带着护帽进行翻滚试验。将每个喷头放入乙烯树脂制成的正六棱柱形鼓中。此鼓沿其回转轴方向长为254 mm,六边形平面平行边之间相距305 mm。每一次试验,鼓内装1只ESFR喷头和5个木块。木块为38 mm×38 mm×38 mm的硬木立方体。鼓以1 r/s的速率绕其轴旋转。试验后,观察喷头,所有试样进行密封试验和动态热试验。
7.16 冷冻试验
至少5只ESFR喷头试样进行冷冻试验,每只喷头与直径为25 mm、最小长度为100 mm的钢管的一端相连接,管中充满水并密封。将喷头与钢管组件置于低温试验箱中,箱内的温度保持在(-30±2)℃,历时24 h。试验后将组件取出,在室温条件下解冻,检查喷头有无可见损坏。如无可见损坏,施加0.05 MPa的水压历时15 s,检查是否泄漏。如无泄漏,喷头试样应进行密封试验和动态热试验。
7.17 高温试验
将去掉动作机构的4只ESFR喷头,按其正常工作位置放入(800±20)℃的试验箱中,历时15min。然后夹持喷头的螺纹处将其取出,立即浸入(15±2)℃的水中,检查喷头体是否发生变形或损坏。
7.18 环境温度试验
试验在环境试验箱中进行,控温精度为±2 ℃。
取12只ESFR喷头按表16中规定的试验条件进行90 d的环境温度试验,试验时对每只喷头试样施加1.20 MPa的水压。环境温度试验后,所有的试样进行水压密封试验;6只试样进行静态动作温度试验,其余试样进行动态热试验。

7.19 动态热试验
7.19.1 插入试验
用某一温度等级的ESFR喷头试样,按图9所示A向、B向和C向共进行12次插入试验,其中A向表示气流与水流轴线和喷头轭臂平面垂直,且热敏感元件处于轭臂平面的上游;B向表示气流与水流轴线和喷头轭臂平面垂直,且热敏感元件处于轭臂平面的下游;C向表示喷头入口水流轴线平行于气流方向,且溅水盘与气流方向垂直。其他温度等级的喷头,每种取10只试样进行A向或B向(取能产生较大RTI值者)插入试验,如果喷头的热敏感元件和框架都是几何对称的,不要求A向和B向两个位置进行试验。RTI值按7.19.2规定的方法计算。
插入试验时喷头的固定基座应使用黄铜制作,进行试验的喷头应在接口螺纹上缠1圈~1.5圈的聚四氟乙烯带,拧入固定座的力矩为(15±3)N·m。将每只待试喷头安装在风洞试验盖上,并将其保存在一恒温箱内,以使喷头和盖达到(25±5)℃的时间不少于30 min。
在试验前,喷头入口与(0.034±0.005)MPa的气压源相连。
用精度为±0.01 s的计时仪器测量从喷头插入风洞到其动作的时间即响应时间。
试验采用风洞进行,在试验段(喷头部位)按表17调节选取相应的气体流速及温度范围。为了使试样(热敏感元件)和限流边界(风洞壁)之间的热辐射交换尽量减小,应在设计上保证试验段热辐射效果不超过RTI计算值的±3%。
在试验前,保持风洞中气流的温度和流速稳定至少30 min。



7.19.2 RTI值计算
RTI值按式(4)计算。

式中:
tr ——喷头响应时间,单位为秒(s);
u ——风洞试验段的实际气体速度(取自表16),单位为米每秒(m/s);
ΔTea ——喷头的平均液浴动作温度减去环境温度,单位为摄氏度(℃);
ΔTg ——试验段的实际气体温度减去环境温度,单位为摄氏度(℃)。
7.19.3 传导系数C的确定
7.19.3.1 反复插入试验
反复插入试验是确定传导系数C的一个重复过程,取10只未使用过的ESFR喷头作为试样进行试验。即使试样在反复插入试验中未动作,也应换用新试样进行试验。
各种温度级的ESFR喷头按A向或B向(取能产生较大RTI值者)进行试验。在试样接口螺纹处缠1圈~1.5圈聚四氟乙烯带,将其拧入固定座,扭矩为(15±3)N•m。将每只待试喷头安装于风洞试验盖上,并将其保存在恒温箱内以使喷头和盖达到环境温度的时间不少于30 min。
试验前,将至少25 mL温度为环境温度的水引入喷头入口,并施加0.05 MPa的压力。
使用精度为±0.01 s的计时仪器测量从喷头插入风洞到其动作的时间,即响应时间。
固定座的温度在试验期间应保持在(20±0.5)℃。在风洞试验段喷头位置,气体流速应保持在选择流速的±2%之内。试验期间气体温度的选择和控制精度应符合表18的要求。
应选择合适的气流速度,以使试样在两个连续的速度之间启动。即应选择两个流速,在低速(UL)时,试样在15 min试验期间内不能启动,而在下一个较高的速度(UH)时,在15 min内试样应启动。如果喷头在最高流速还未动作,应从表18中选择下一较高温度等级的气流温度。
试验流速的选择应满足式(5):

式中:
UH——试验段较高气流速度,单位为米每秒(m/s);
UL——试验段较低气流速度,单位为米每秒(m/s)。
试样的C值为使用式(6)在两个速度下计算出的数值的平均值:

式中:
ΔTg——实际气体温度减去固定座温度Tm,单位为摄氏度(℃);
ΔTea——平均液浴动作温度减去固定座温度Tm,单位为摄氏度(℃);
U——试验段实际气流速度,单位为米每秒(m/s)。

7.19.3.2 等速率升温试验
等速率升温试验在风洞试验装置中进行,喷头固定端温度的要求与7.19.1反复插入试验相同,喷头试样不需预热。
每种类型的喷头取10只试样,在A向或B向方位(取能产生较大RTI值者)进行试验。将喷头插入流速为(1±0.1)m/s的气流中,试验初始气流的温度为该喷头的公称动作温度。
气温以(1±0.25)℃/min的速率上升,直至喷头动作。试验应控制和记录气体的温度、流速、喷头固定端的温度和喷头动作时的温度。
C值采用7.19.3.1中的式(6)进行计算。取10只试样C值测量值的平均值作为ESFR喷头的C值。此试验方法适用于所有温度等级的ESFR喷头。
7.20 氨应力腐蚀试验
取5只ESFR喷头试样进行试验。每只试样的入口用与氨水溶液不反应的材料(如塑料)制成的盖密封,将试样除去油脂置于试验装置中。将密度为0.94 g/cm³氨水溶液存放在置于试验装置底部的容器中,氨水溶液液面距试样的下边缘约40 mm。按0.01 mL/cm³向容器中加入氨溶液,大约产生如下的气体组分:35%的氨气、5%的水蒸气和60%的空气。
潮湿的氨气和空气混合气体应保持在大气压力下,试验箱内温度保持在(34±2)℃。采取适当的措施防止试验箱内压力高于大气压力,喷头试样应有防护罩以防止凝液滴落于其上,试验历时10 d。
试验后将喷头试样冲洗并干燥2 d~4 d,仔细检查是否发生断裂或损坏。随后进行1.20 MPa历时1 min的水压密封试验和0.035 MPa压力下的功能试验。
7.21 沸腾氯化镁腐蚀试验
取5只ESFR喷头试样中的不锈钢部件进行本项试验。
将试样经过除油污处理后,放置在装有湿式冷凝器的玻璃容器中。容器中加入约一半的浓度为42%的氯化镁溶液。将容器放置在电加热装置上,溶液温度保持在(150±2)℃的沸腾温度,试验周期为500 h。
试验后将不锈钢部件冲洗并干燥2 d~4 d,仔细检查不锈钢部件是否发生断裂或损坏。并将试验后的部件重新组装后进行0.035 MPa压力下的功能试验。
7.22 二氧化硫/二氧化碳腐蚀试验
取5只ESFR喷头试样进行本项试验。将试样的入口用与二氧化硫和二氧化碳不反应的材料(如塑料)制成的盖密封。
将喷头试样按其工作位置挂在试验箱内防滴罩的下面,试验箱按体积比每24 h分别加入1%的二氧化硫和二氧化碳气体,试验箱底部保留少量蒸馏水。试验箱内温度保持在(25±3)℃,试验进行10d。
试验后取出试样,干燥2 d~4 d,仔细检查是否发生损坏。随后进行1.20 MPa历时1 min的水压密封试验和0.035 MPa压力下的功能试验。
7.23 硫化氢气体腐蚀试验
将4只ESFR喷头进行硫化氢气体腐蚀试验。每一喷头入口均注满水,并用不发生反应的密封帽,例如塑料帽,将喷头入口封住。
试验装置是用绝热玻璃制成的容器(或试验箱),应调整容器内温度以保持其内部温度为(25±3)℃。应有防护罩以免凝结液滴在喷头上。
在容器内喷头将按正常位置安装在试验箱内,试验箱按体积比每24 h加入1%硫化氢气体,试验箱底部保留少量去离子水。试验将进行10 d。试验后,将喷头从容器中取出后干燥2 d~4 d。仔细检查是否发生损坏。随后所有试样进行1.20 MPa历时1 min的水压密封试验,然后一半的试样进行动态热试验,另一半的试样进行静态动作温度试验。
7.24 盐雾腐蚀试验
试验在盐雾试验箱中进行。使质量比为20%的氯化钠盐溶液雾化形成盐雾,盐溶液的密度为1.126 g/mL~1.157 g/mL,pH值为6.5~7.2。
将5只ESFR喷头试样从入口充入蒸馏水,在螺纹处用与盐雾不反应的材料(如塑料)制成的盖密封,按正常的安装位置支撑或悬挂在盐雾试验箱的试验区,试验区的温度应保持在(35±2)℃,喷雾压力在0.07 MPa~0.17 MPa之间。使用过的盐溶液应收集起来,不得循环使用。应将试样蔽护以防凝滴落在其上面。
在试验区内,应至少从两点收集盐雾以确定雾化速率和盐浓度。在连续16 h中,收集区内每80 cm²面积每小时应能收集到1 mL~2 mL盐溶液,盐溶液的质量浓度应为(20±1)%。
经过10 d的试验后将ESFR喷头从盐雾试验箱中取出并干燥2 d~4 d。仔细检查是否发生断裂或损坏。随后进行1.20 MPa历时1 min的水压密封试验和0.035 MPa压力下的功能试验。
7.25 潮湿气体腐蚀试验
本项试验在湿热试验箱中进行。将5只ESFR喷头试样安装在具有多个接口的管段上,管内充装约为管容积一半的水,将整个管段(及喷头)放入湿热试验箱中。试验箱内的相对湿度为(95±5)%,温度为(95±4)℃。可选择同型号、同种形式较高温度等级的喷头进行本项试验以评价较低温度等级的喷头。
经过90 d试验后,将喷头从湿热试验箱中取出,检查试样是否发生损坏。随后进行1.20 MPa历时1 min的水压密封试验和0.035 MPa压力下的功能试验。
7.26 30天密封试验
将5只ESFR喷头安装在充水的试验管道上,在2.0 MPa恒压下保持30天。至少每周观察一次喷头泄漏状况。30天后,检查每只喷头试样是否出现泄漏、变形或其他任何损坏。
7.27 真空试验
在环境温度为(20±5)℃条件下,取3只ESFR喷头从其入口逐渐增加负压至8.8×104Pa,持续1 min。试验后,检查喷头试样并进行水压密封试验。
7.28 侧向喷洒试验
将1只已开启的ESFR喷头安装在7.5规定的管道上,2个与ESFR喷头最大投影尺寸相同的目标物(用于模拟被测的ESFR喷头)安装在相同管道上,各1个目标物安装在独立的与ESFR喷头管道平行的相邻管路上,均距离喷水的喷头2.4 m,4个目标物与ESFR喷头溅水盘位于相同平面上,喷头轭臂与管道平行,试验时喷水压力分别为0.35 MPa、0.70 MPa、1.00 MPa和1.20 MPa,观测目标点浸湿或被喷溅情况。
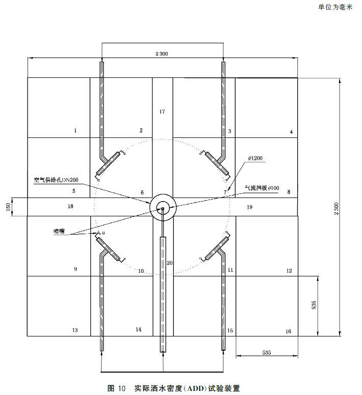
7.29 实际洒水密度(ADD)试验
用图10所示的试验装置测量实际洒水密度(ADD),在试验前应先校准试验装置。实际洒水密度(ADD)试验装置模拟了双排货架摆放四组试验货品的顶部外形,货架的间隙为15 cm。ADD试验装置由火源、集水盘、通风管等组成。火源由9个喷嘴形成的喷雾火构成,其中8个喷嘴等距离的分布在直径为1.20 m的圆上,1个喷嘴位于圆心,试验的燃料为正庚烷。通过位于圆心的直径为DN 200 mm 的气孔来供给空气。在火源下方是用于收集水量的集水盘,代表着火区域内堆垛货物顶部的16个正方形集水盘,收集实际到达堆垛货物表面的水量,代表货架间隙的4个集水盘,收集实际到达货架间隙的水量。在ADD装置上方设置尺寸不小于11.0 m×11.0 m的水平天花板,装置应放在足够大的试验室内。
对于K≤242的ESFR喷头,将去除动作释放机构的喷头通过DN50 mm×50 mm×20 mm的三通安装在吊顶下DN50的配水支管上。对于K>242的ESFR喷头,将去除动作释放机构的喷头通过DN65 mm×65 mm×25 mm的三通安装在吊顶下DN 65的配水支管上,ESFR喷头的轭臂应平行于配水支管。对于下垂型ESFR喷头,配水支管中心距吊顶230 mm,对于直立型ESFR喷头,配水支管中心距吊顶300 mm。按表5~表10的规定,试验供水采用单向供水或双向供水。
调节燃料流量使热对流释放率符合规定的要求,点燃喷出的正庚烷,待正庚烷流速稳定后开始喷水,试验至少持续10 min,试验后测量各集水盒中的水量。取两组ESFR喷头进行每一条件下的ADD试验。

7.30 溅水盘强度试验
取3只ESFR喷头试样按正常安装位置安装在7.7规定的试验装置上,使用适当的方式使ESFR喷头在1.40 MPa水压下启动,并使其在1.40 MPa下连续洒水30 min,检查溅水盘是否出现松动、脱落、永久变形或损坏。
7.31 冲力试验
将ESFR喷头安装在图11所示冲力试验装置上,按表11所列压力测量并记录冲力。用不同的ESFR喷头重复3次此试验。

7.32 灭火试验
7.32.1 试验燃料
7.32.1.1 标准塑料杯试验品
标准塑料杯试验品由塑料杯组合体标准燃烧物和木托盘构成,其中塑料杯组合体标准燃烧物应符合GB/T 31431—2015附录C中表C.2的规定,总放热量为(160.7±25.1)MJ。塑料杯组合体标准燃烧物由瓦楞纸箱和聚苯乙烯塑料杯组成,在纸箱内塑料杯排列5层,每层25只塑料杯,纸箱中用以隔离塑料杯的纸隔板的厚度为4 mm,每只塑料杯容积为(450±10)mL。木托盘由樟子松或云杉制成,木材的含水率应为6%~14%,木托盘尺寸为1.0 m×1.0 m×0.13 m,重量为12.4 kg。
将8个塑料杯组合体标准燃烧物按2×2×2的形式摆放在一个木托盘上,形成一组试验燃料。
7.32.1.2 标准发泡塑料试验品
标准发泡塑料试验品由发泡塑料组合体标准燃烧物和木托盘构成,其中发泡塑料组合体标准燃烧物为聚苯乙烯发泡塑料密集码放于瓦楞纸箱中,瓦楞纸箱外尺寸为0.5 m ×0.5 m×0.5 m。纸箱厚度为4 mm。每个纸箱中聚苯乙烯发泡塑料的总重为2.7 kg,空纸箱重为1.3 kg。
将8个发泡塑料组合体标准燃烧物按2×2×2的形式摆放在一个木托盘上,形成一组试验燃料货品。
7.32.2 点火器
点火器的火源为浸有110 mL正庚烷的纤维棉棒,直径为8 cm,长8 cm,将纤维棉棒用聚乙烯袋包裹。试验时将4个聚乙烯包裹的纤维棉棒放置在规定的位置,使用浸有汽油的火炬点燃聚乙烯棉包。
7.32.3 试验空间
试验室尺寸不小于30 m×30 m,高度不小于18 m,吊顶可升降。试验室应能自然通风,以确保不因为通风条件而影响火的发展。
7.32.4 喷头布置
将至少36只ESFR喷头(按6×6形式布置)安装在试验管路上,安装间距为3 m×3 m。除本部分已注明的情况外,公称流量系数不大于242的ESFR喷头安装在DN50的配水支管上,为验证管路遮挡对灭火性能的影响,对直立型ESFR喷头在点火位置正上方的管路为DN 65。对公称流量系数大于242的ESFR喷头安装在DN 65或DN 80的配水支管上,配水支管与货架长边方向垂直。直立型ESFR喷头溅水盘距吊顶的距离为200 mm,下垂型ESFR喷头溅水盘距吊顶的距离为360 mm。ESFR喷头的轭臂与配水支管平行。
试验采用双向供水,试验过程中应保持压力稳定。
7.32.5 试验仪器
将角钢钢梁安装在吊顶下,角钢钢梁尺寸为50 mm×50 mm,厚度6 mm,长度为1.20 m,其一平面与吊顶平面直接接触。5只热电偶埋入在与吊顶平面接触的一侧角钢中,5 只热电偶间距150 mm,其中中间的热电偶位于角钢钢梁的中央并处于点火器的正上方。用于记录吊顶下气体温度的热电偶距吊顶165 mm、水平距离ESFR喷头50 mm,在点火位置正上方的热电偶距吊顶165 mm。
当试验中未布置与双排主货架相邻的目标货架以考核试验中火焰跃迁通道的情况时,可采用设置热辐射计来替代目标货架,热辐射计放置在与双排主货架间通道方向垂直、距货架边缘1.2 m处,其距地面的高度为货架高度的一半,试验时记录辐射热的数值,当辐射热通量超过17 kW/m²,视为火焰跃迁过通道,即与试验主货架相邻的目标货架会被引燃。
试验过程中使用的测量仪器如下:
a)Ⅱ级K型热电偶,电极直径不超过1 mm;
b)压力传感器,准确度等级不低于1.0级;
c)计时器,±0.1 s;
d)热辐射计,±0.1 kW/m²。
7.32.6 记录的数据
试验过程中记录如下数据:
a)钢梁温度;
b)吊顶下其他温度;
c)供水压力;
d)点火开始后每只喷头的启动时间和启动喷头的数目;
e)等效试验品的烧损量;
f)辐射热通量。
7.32.7 K202直立型ESFR喷头灭火试验
K202直立型ESFR喷头按表19中规定的条件进行灭火试验。


7.32.8 K242直立型ESFR喷头灭火试验
K242直立型ESFR喷头按表20中规定的条件进行灭火试验。







7.32.9 K323下垂型ESFR喷头灭火试验
K323下垂型ESFR喷头按表21中规定的条件进行灭火试验。






7.32.10 K363下垂型ESFR喷头的灭火试验
K363下垂型ESFR喷头按表22中规定的条件进行灭火试验。






8 检验规则
8.1 出厂检验
8.1.1 产品应逐批进行出厂检验,出厂检验项目至少包括整体要求(6.1)、外观与标志(6.3)、水压密封性能(6.4.1)。
8.1.2 出厂检验项目中出现不合格时,允许返工后重新检验,直至合格。
8.1.3 每一生产订单或连续生产2000只喷头为一批次。
8.2 型式检验
8.2.1 有下述情况之一者,应按表23的规定进行型式检验:
a)新产品鉴定检验或转厂生产时;
b)正式生产后,产品结构、材料、工艺、重要部件中任何一项有较大改变,可能影响产品性能时;
c)产品停产超过1年恢复生产时;
d)发生重大质量事故整改后;
e)国家质量监督机构依法提出型式检验要求时。
8.2.2 以同种工艺、材料及配件组装生产的同型号、同规格的产品为一批。
8.2.3 型式检验样品的抽取应采用随机抽样的方法,抽样基数不应少于检验样品数量的3倍。
8.2.4 ESFR喷头型式检验的试验程序和样品数量如图30所示。
8.2.5 型式检验项目见表23,若任一项不合格,则判该批ESFR喷头不合格。
8.3 例行检验
8.3.1 例行检验是在生产的最终阶段对生产线上的产品进行的100%检验,通常检验后,除包装和加贴标签外,不再进一步加工。
8.3.2 ESFR喷头应按附录D的规定进行例行检验,可在此基础上增加检验项目。
8.3.3 例行检验项目中任何一项出现不合格,则判该只产品不合格。
8.4 确认检验
8.4.1 确认检验是为验证产品持续符合标准要求进行的抽样检验,抽样方案同型式检验。
8.4.2 确认检验项目至少包括流量特性系数(6.5)、静态动作温度(6.7)、功能(6.8)、框架强度(6.10)、抗翻滚性能(6.16)、动态热性能(6.20)、耐氨应力腐蚀性能(6.21)、耐氯化镁应力腐蚀性能(6.22)。
8.4.3 确认检验项目中出现不合格时,允许加倍抽样检验,如再出现不合格,则判为不合格。


9 包装、运输、贮存
9.1 包装
9.1.1 ESFR喷头在包装箱内应单独固定,防止相互间的磕碰。
9.1.2 产品包装箱外至少应有以下标识:
———中文标明的产品名称、生产厂厂名和厂址;
———产品型号规格;
———警示标志或者中文警示说明(适用时)。
9.1.3 产品包装箱中应附有使用说明书和合格证,使用说明书的编写应符合GB 9969.1规定。
9.1.4 在包装箱外应注明放置方向、堆放件数限制、贮存防护条件等。
9.2 运输
ESFR喷头在运输过程中,应防雨、防晒、减震,装卸时防止撞击。
9.3 贮存
ESFR喷头应贮存在-15℃~40℃的干燥环境中。
附录A(资料性附录)误差限的计算方法
7.10.2.4中所述的玻璃球破碎载荷和误差限,可按如下方法计算:
a)计算非偏标准偏差S,见式(A.1)。

式中:
x ———载荷的平均值,单位为牛(N);
xi———每一个测得的载荷值,单位为牛(N);
n ———试样的数量。
b)计算玻璃球破碎载荷下限误差TL1,见式(A.2)。

式中:
Z1———玻璃球破碎载荷的平均值,单位为牛(N);
Γ ———从表A.1中查得的系数;
S1———玻璃球破碎载荷的非偏标准偏差,单位为牛(N)。
c)计算玻璃球设计载荷上限误差TL2,见式(A.3)。

式中:
Z2———玻璃球设计载荷的平均值,单位为牛(N);
Γ ———从表A.1中查得的系数;
S2———玻璃球设计载荷的非偏标准偏差,单位为牛(N)。

附录B(规范性附录)公差
标准中未标明公差时,按以下规定执行:

附录C(资料性附录)易熔元件强度试验的分析
6.11.2中给出的公式目的是为了使易熔元件在承受了相当长时间的工作载荷后,仍不容易因蠕变应力而损坏。因为喷头的使用寿命受其他许多因素的影响,因此,876600h(100年)这个时间的选择仅仅是一个带有保险系数的数据值,并无其他特殊含义。
造成蠕变损坏的载荷(而不是不必要的高初始扭曲应力)被施加在试样上并记录施加的时间,给定的要求近似于通过下述分析得到的全对数回归曲线的推论。
使用最小二乘法,利用观察到的数据来确定1h时的载荷L0和1000h时的载荷Lm。一种确定这个载荷的方法如下:
在全对数坐标纸上作出曲线,由L0和Lm所确定的直线的斜率应大于或等于由100年时最大设计载荷Ld和L0所确定的直线的斜率。
即:
(lnLm-lnL0)/ln1000≥(lnLd-lnL0)/ln876600
可化简为:
lnLm≥ [(lnLd-lnL0)·ln1000]/ln876600+lnL0
≥0.5048(lnLd-lnL0)+lnL0
≥0.5048(lnLd-lnL0)+lnL0(1-0.5048)
≥0.5048lnLd+0.4952lnL0
当允许误差为1%的时,以上公式可近似表示为:
lnLm≥0.5(lnLd-lnL0)
经误差补偿后表示为:

附录D(规范性附录)例行检验
D.1 密封试验
将ESFR喷头安装在适宜的试验装置上,以不超过6 MPa/min的速率升压至不低于2.4 MPa的压力,历时不少于2 s,喷头不应出现渗漏。
D.2 玻璃球完好性试验
将玻璃球型ESFR喷头放置在热空气箱或液浴中,升温至低于最小动作温度5℃或气泡消失,检查玻璃球气泡是否减少或消失,待冷却恢复到室温后,再检查玻璃球气泡是否恢复到初始尺寸,不应出现玻璃球工作液溢出或减少现象。
